+7 (701) 588 50 05 Телефон для связи
RU

WhatsApp

Позвонить

РЕМОНТНЫЙ КЛАПАН-3 SP+ 3 РЫЧАГА — Продажа в Казахстане Цены от официального дилера с доставкой в Алматы, Астану и регионы

Техника доступна в:
Полный спектр услуг:
Для Вашего удобства:
Характеристики и описание
Габариты, схема
Техническая документация
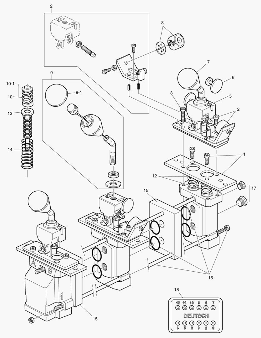
1 Артикул: K1003144A, VALVE;JOY STICK
2 Артикул: K9002716, PLATE;MOUNTING
3 Артикул: K9002717, BRACKET KIT;MAGENT
4 Артикул: S2203161, BOLT;SOCKET
5 Артикул: K9002719, BEARING PLATE/LEVER LINK ASS`Y
6 Артикул: K9002720, PLATE;ANCHOR
7 Артикул: K9002731, HANDEL KIT
8 Артикул: K9002718, MAGNET
9 Артикул: K9002721, HANDLE KIT;SWITCH
10 Артикул: 110910-01144, . CAP,RUBBER
11 Артикул: K9002722, PIN;PUSH
12 Артикул: K9002723, . SEAL KIT;PUSH PIN
13 Артикул: K9002725, SPRING
14 Артикул: K9002732, SPRING
15 Артикул: K9002726, SPRING;RETURN
16 Артикул: K9002727, BLOCK;SPACE
17 Артикул: K9002733, ROD KIT;TIE
18 Артикул: K9002729, PLUG KIT
19 Артикул: K9002730, CONNECTOR KIT;DEUTSCH

РЕМОНТНЫЙ КЛАПАН-3 SP+ 3 РЫЧАГА: Техника, которая работает на результат

РЕМОНТНЫЙ КЛАПАН-3 SP+ 3 РЫЧАГА на Doosan Колесные погрузчики DL420-5 CVT(S/N:10021~)

Габаритные размеры

Габаритные размеры и схема РЕМОНТНЫЙ КЛАПАН-3 SP+ 3 РЫЧАГА

Нажмите на схему для увеличения

Документация

Документация временно недоступна.

Похожая техника в категории: ГИДРАВЛИЧЕСКИЕ ЗАПЧАСТИ (Develon)

Спецтехника ОСНОВНОЙ НАСОС

ОСНОВНОЙ НАСОС

1Артикул: 400911...
2Артикул: 130602...
3Артикул: 400323...
Подробнее >
Спецтехника ТОРМОЗ - ЗАДНЯЯ ОСЬ

ТОРМОЗ - ЗАДНЯЯ ОСЬ

1Артикул: 130602...
2Артикул: K90002...
3Артикул: K90002...
Подробнее >
Спецтехника АВАРИЙНЫЙ НАСОС РУЛЕВОГО УПРАВЛЕНИЯ

АВАРИЙНЫЙ НАСОС РУЛЕВОГО УПРАВЛЕНИЯ

1Артикул: 400917...
2Артикул: 300506...
3Артикул: 400910...
Подробнее >
Спецтехника РУЛЕВОЙ ЦИЛИНДР

РУЛЕВОЙ ЦИЛИНДР

1Артикул: 400331...
2Артикул: 420402...
3Артикул: 400337...
Подробнее >
Спецтехника 3440 CONTROL VALVE

3440 CONTROL VALVE

1Артикул: 410105...
2Артикул: 401107...
3Артикул: K90027...
Подробнее >
Спецтехника ДИФФЕРЕНЦИАЛ ВОДИЛА - ЗАДНЯЯ ОСЬ(СТАНДАРТНЫЙ)

ДИФФЕРЕНЦИАЛ ВОДИЛА - ЗАДНЯЯ ОСЬ(СТАНДАРТНЫЙ)

1Артикул: 110931...
2Артикул: 140107...
3Артикул: K90002...
Подробнее >
Спецтехника УСИЛИТЕЛЬ ПОДАЧИ

УСИЛИТЕЛЬ ПОДАЧИ

1Артикул: 300402...
2Артикул: 410104...
3Артикул: -, VAL...
Подробнее >
Спецтехника КЛАПАН ЗАРЯДКИ АККУМУЛЯТОРА

КЛАПАН ЗАРЯДКИ АККУМУЛЯТОРА

1Артикул: 410116...
2Артикул: -, BOD...
3Артикул: K90022...
Подробнее >
Спецтехника ВТОРИЧНЫЙ ВАЛ - ПЕРЕДНЯЯ ОСЬ

ВТОРИЧНЫЙ ВАЛ - ПЕРЕДНЯЯ ОСЬ

1Артикул: 110931...
2Артикул: 1.420-...
3Артикул: K90002...
Подробнее >
Спецтехника ДИФФЕРЕНЦИАЛ ВОДИЛА - ЗАДНЯЯ ОСЬ (ОТКРЫТЫЙ)

ДИФФЕРЕНЦИАЛ ВОДИЛА - ЗАДНЯЯ ОСЬ (ОТКРЫТЫЙ)

1Артикул: 110931...
2Артикул: 140107...
3Артикул: K90002...
Подробнее >
Спецтехника РЕМОНТНЫЙ КЛАПАН-2 SP+ 2 РЫЧАГА

РЕМОНТНЫЙ КЛАПАН-2 SP+ 2 РЫЧАГА

1Артикул: K10031...
2Артикул: K90027...
3Артикул: K90027...
Подробнее >
Спецтехника ВТОРИЧНЫЙ ВАЛ

ВТОРИЧНЫЙ ВАЛ

1Артикул: K90001...
2Артикул: 2.461-...
3Артикул: 1.180-...
Подробнее >