+7 (701) 588 50 05 Телефон для связи
RU

WhatsApp

Позвонить

РУКОЯТЬ И СЕРЬГА КОВША — Продажа в Казахстане Цены от официального дилера с доставкой в Алматы, Астану и регионы

Техника доступна в:
Полный спектр услуг:
Для Вашего удобства:
Характеристики и описание
Габариты, схема
Техническая документация
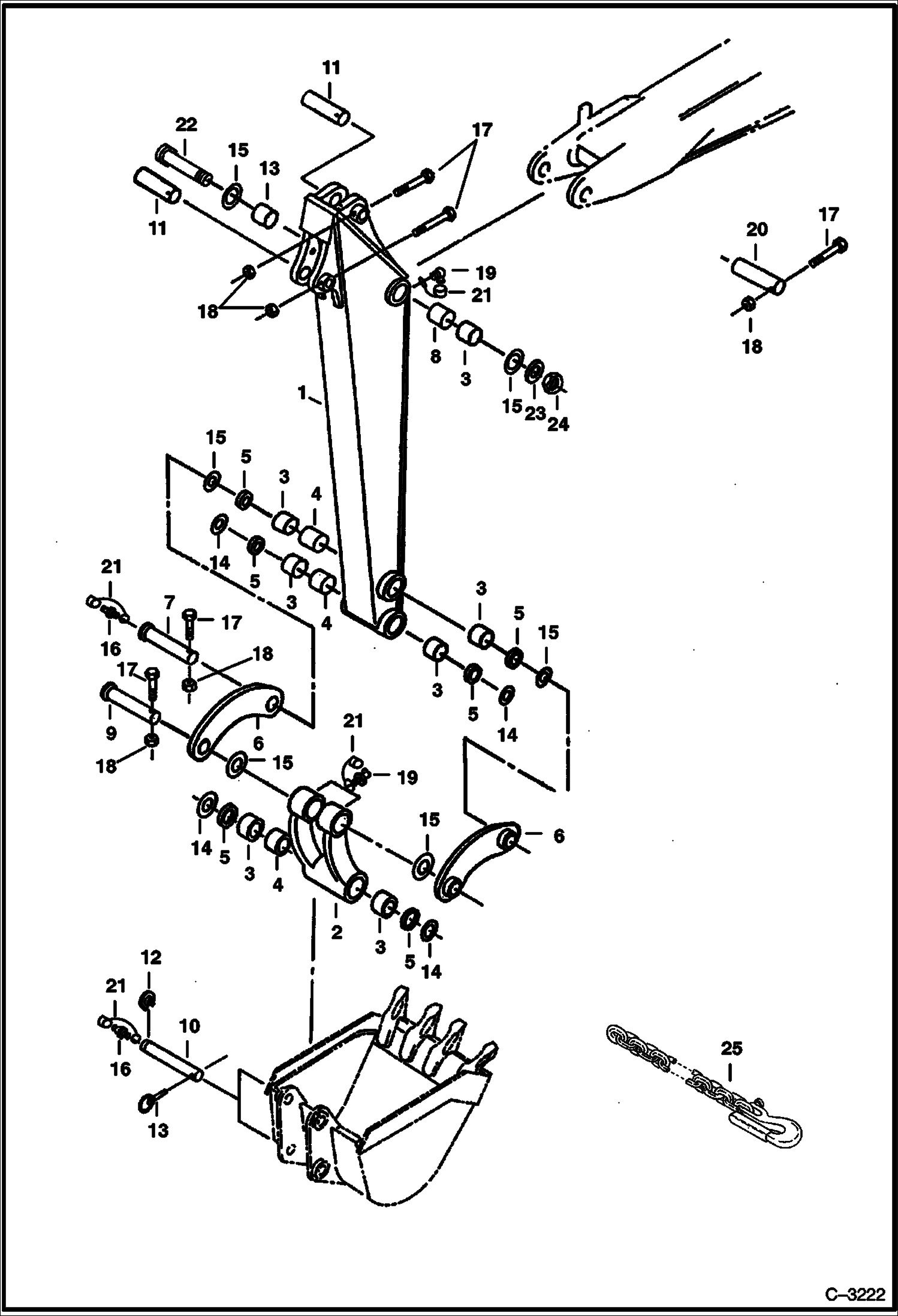
1 Артикул: 6586406, ARM Was 6537464 - A
2 Артикул: LONG, LONG ARM Not Available for Model 225
3 Артикул: 6534097, LINK W/Ref. 3-5
4 Артикул: 6539825, BUSHING, PRESS FIT Was 6534095 - A
5 Артикул: 6534094, SPACER
6 Артикул: 6652915, SEAL, OIL Dust
7 Артикул: 6534101, LINK
8 Артикул: 6534174, PIN
9 Артикул: 6534092, SPACER
10 Артикул: 6534175, PIN
11 Артикул: PIN, PIN See BTIE-081
12 Артикул: 6534165, PIN
13 Артикул: 6534154, RING
14 Артикул: 6560382, PIN, LOCK
15 Артикул: 6534111, WASHER
16 Артикул: 6535313, SHIM
17 Артикул: 10H25, FITTING, GREASE 5
18 Артикул: 1CM1065, BOLT
19 Артикул: 49DM10, NUT Was 39DM00010B - B
20 Артикул: 12H15, FITTING, GREASE 5
21 Артикул: 6534169, PIN Arm Mounting
22 Артикул: 6652943, COVER grease fitting
23 Артикул: 6587225, PIN Arm Mounting
24 Артикул: 1EM300, WASHER
25 Артикул: 39DM30, NUT Was 40DM30 - A
26 Артикул: 6665374, CHAIN lifting

РУКОЯТЬ И СЕРЬГА КОВША: Техника, которая работает на результат

РУКОЯТЬ И СЕРЬГА КОВША на мини-экскаватор Bobcat 225 508312001 И ВЫШЕ

Габаритные размеры

Габаритные размеры и схема РУКОЯТЬ И СЕРЬГА КОВША

Нажмите на схему для увеличения

Документация

Документация временно недоступна.

Похожая техника в категории: РАБОЧЕЕ ОБОРУДОВАНИЕ (Bobcat)