+7 (701) 588 50 05 Телефон для связи
RU

WhatsApp

Позвонить

РУКОВОДСТВО ПО ОТКЛЮЧЕНИЮ ПОДЪЕМНОГО УСТРОЙСТВА — Продажа в Казахстане Цены от официального дилера с доставкой в Алматы, Астану и регионы

Техника доступна в:
Полный спектр услуг:
Для Вашего удобства:
Характеристики и описание
Габариты, схема
Техническая документация
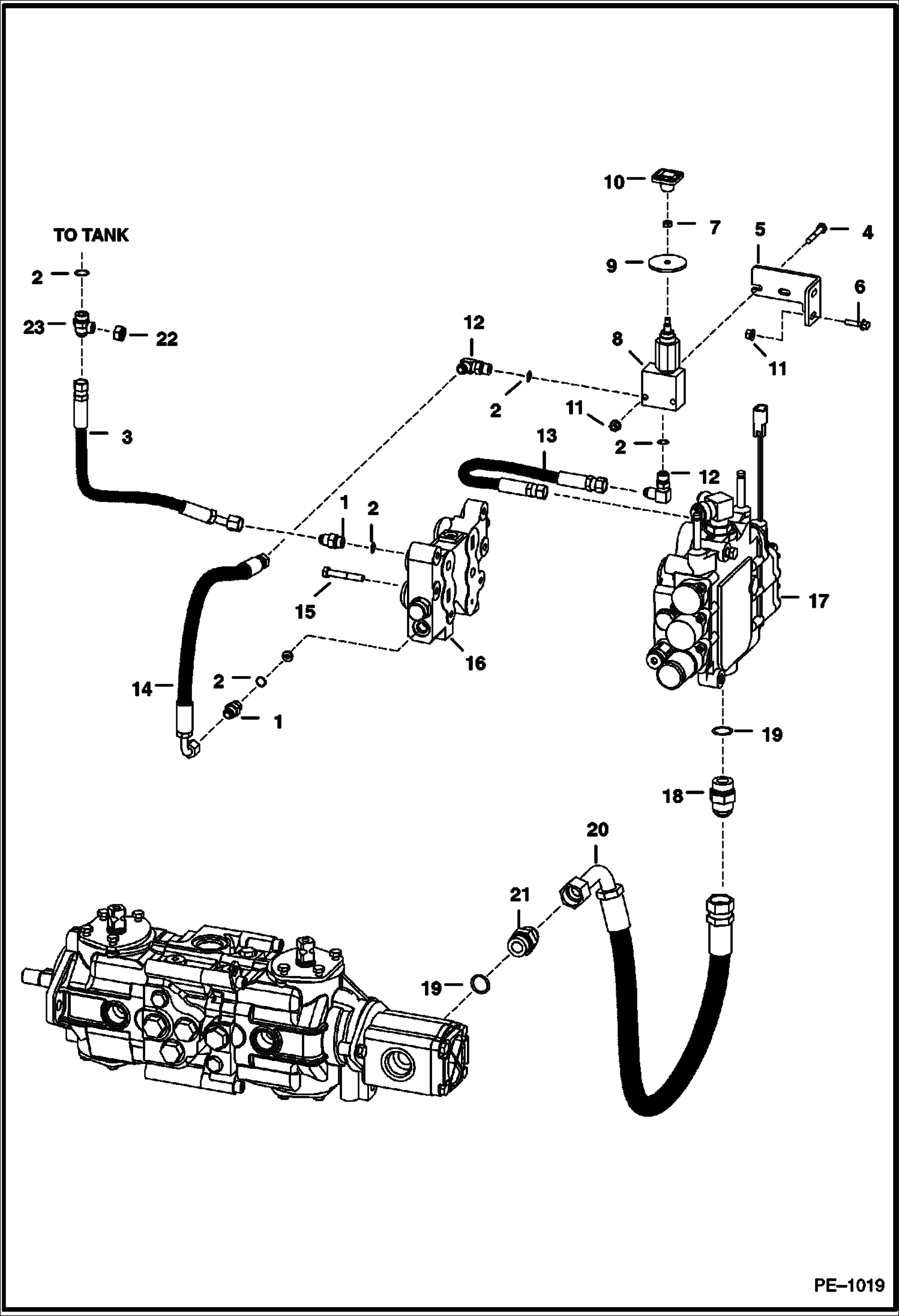
1 Артикул: 15KB0606, FITTING, HYD CONNECTOR W/Ref. 13 - check boss face to determine correct replacement O-ring
2 Артикул: 97K6, O RING flared end
3 Артикул: 99K6, O RING
4 Артикул: 6719653, HOSE
5 Артикул: 17C428, BOLT
6 Артикул: 6711280, MOUNT
7 Артикул: 35C416, BOLT Was 84G003716B - B
8 Артикул: 7D4, NUT
9 Артикул: 7230495, VALVE, LIFT MANUAL See Illustration MANUAL LIFT RELEASE VALVE/ PE1547 - manual lift release - Was 6667844 - A
10 Артикул: 6707101, SEAL neoprene
11 Артикул: 6737524, KNOB red square - Was 6668913 - A
12 Артикул: 83D4, NUT 10
13 Артикул: 17KB0606, FITTING W/Ref. 2 - Was 17KV00005B - A
14 Артикул: 97K6, O RING flared end
15 Артикул: 6535451, HOSE
16 Артикул: 6578804, HOSE
17 Артикул: 43C532, BOLT
18 Артикул: VALVE,, VALVE, BICS See Illustration BICS CONTROL VALVE/ TS1365 - Was 6628571 - A
19 Артикул: VALVE, VALVE See Illustration HYDRAULIC CONTROL VALVE/ B17113 - control
20 Артикул: 15KB1212, FITTING, HYD CONNECTOR W/Ref. 19 - Was 15KN00008B - A
21 Артикул: 97K12, RING,O flared end
22 Артикул: 99K12, O RING tapered boss face
23 Артикул: 79K12, O RING 10 flat boss face
24 Артикул: 6729154, HOSE, HYD ASSY 31 in. (787,4 mm) long - Was 6714594 - A
25 Артикул: ELBOW, ELBOW NLA - W/Ref. 19 - tapered boss face - Was 18KV00008B - A
26 Артикул: 97K12, RING,O flared end
27 Артикул: 18KB1212, FITTING, HYD ELBOW W/Ref. 19 - flat boss face
28 Артикул: 36K5, CAP
29 Артикул: TEE, TEE NLA - W/Ref. 2 - tapered boss face - Was 21KV00005B - A
30 Артикул: 97K6, O RING flared end
31 Артикул: 21KB0606, FTG HYD STRAIGHT TEE W/Ref. 2 - flat boss face

РУКОВОДСТВО ПО ОТКЛЮЧЕНИЮ ПОДЪЕМНОГО УСТРОЙСТВА: Техника, которая работает на результат

РУКОВОДСТВО ПО ОТКЛЮЧЕНИЮ ПОДЪЕМНОГО УСТРОЙСТВА на Bobcat 700s Bobcat 751 515620001 И ВЫШЕ, 515730001 И ВЫШЕ

Габаритные размеры

Габаритные размеры и схема РУКОВОДСТВО ПО ОТКЛЮЧЕНИЮ ПОДЪЕМНОГО УСТРОЙСТВА

Нажмите на схему для увеличения

Документация

Документация временно недоступна.

Похожая техника в категории: ГИДРАВЛИЧЕСКАЯ СИСТЕМА (Bobcat)

Спецтехника ЦИЛИНДРА НАКЛОНА (С ОТВЕРСТИЕМ ДЛЯ МАСЛЕНКИ ДЛЯ СМАЗКИ ГОЛОВКИ ШАТУНА)

ЦИЛИНДРА НАКЛОНА (С ОТВЕРСТИЕМ ДЛЯ МАСЛЕНКИ ДЛЯ СМАЗКИ ГОЛОВКИ ШАТУНА)

1Артикул: 680469...
2Артикул: 680470...
3Артикул: 680469...
Подробнее >
Спецтехника ДОПОЛНИТЕЛЬНАЯ ГИДРАВЛИКА

ДОПОЛНИТЕЛЬНАЯ ГИДРАВЛИКА

1Артикул: 672915...
2Артикул: 671173...
3Артикул: 671173...
Подробнее >
Спецтехника СХЕМА ГИДРАВЛИЧЕСКОЙ СИСТЕМЫ (БЕЗ КЛАПАНА РЕГУЛТРОВКИ ПОЛОЖЕНИЯ КОВША)

СХЕМА ГИДРАВЛИЧЕСКОЙ СИСТЕМЫ (БЕЗ КЛАПАНА РЕГУЛТРОВКИ ПОЛОЖЕНИЯ КОВША)

1Артикул: CYLIND...
2Артикул: 657766...
3Артикул: 672784...
Подробнее >
Спецтехника ГИДРАВЛИЧЕСКИЙ РЕГУЛИРУЮЩИЙ КЛАПАН (КОМБИНИРОВАННЫЙ КЛАПАН СИСТЕМЫ БЛОКИРОВКИ УПРАВЛЕНИЯ (BICS))

ГИДРАВЛИЧЕСКИЙ РЕГУЛИРУЮЩИЙ КЛАПАН (КОМБИНИРОВАННЫЙ КЛАПАН СИСТЕМЫ БЛОКИРОВКИ УПРАВЛЕНИЯ (BICS))

1Артикул: VALVE,...
2Артикул: VALVE,...
3Артикул: 29G444...
Подробнее >
Спецтехника ЦИЛИНДР ПОДЪЕМА

ЦИЛИНДР ПОДЪЕМА

1Артикул: 714283...
2Артикул: 714283...
3Артикул: 667719...
Подробнее >
Спецтехника КЛАПАН РЕГУЛИРОВКИ ПОЛОЖЕНИЯ КОВША

КЛАПАН РЕГУЛИРОВКИ ПОЛОЖЕНИЯ КОВША

1Артикул: VALVE,...
2Артикул: 667395...
3Артикул: 664778...
Подробнее >
Спецтехника ГИДРАВЛИЧЕСКИЙ РЕГУЛИРУЮЩИЙ КЛАПАН (РЕЗЕРВНЫЙ КЛАПАН)

ГИДРАВЛИЧЕСКИЙ РЕГУЛИРУЮЩИЙ КЛАПАН (РЕЗЕРВНЫЙ КЛАПАН)

1Артикул: 722285...
2Артикул: VALVE,...
3Артикул: 658956...
Подробнее >
Спецтехника ГИДРАВЛИЧЕСКИЙ РЕГУЛИРУЮЩИЙ КЛАПАН (ПЕРЕДОВОЕ УСТРОЙСТВО РУЧНОГО УПРАВЛЕНИЯ) (С КЛАПАНОМ СИСТЕМЫ БЛОКИРОВКИ УПРАВЛЕНИЯ (BICS))

ГИДРАВЛИЧЕСКИЙ РЕГУЛИРУЮЩИЙ КЛАПАН (ПЕРЕДОВОЕ УСТРОЙСТВО РУЧНОГО УПРАВЛЕНИЯ) (С КЛАПАНОМ СИСТЕМЫ БЛОКИРОВКИ УПРАВЛЕНИЯ (BICS))

1Артикул: VALVE,...
2Артикул: VALVE,...
3Артикул: 29G416...
Подробнее >
Спецтехника РУКОВОДСТВО ПО ЭКСПЛУАТАЦИИ КЛАПАНА УСТРОЙСТВА ДЛЯ ОТПУСКАНИЯ

РУКОВОДСТВО ПО ЭКСПЛУАТАЦИИ КЛАПАНА УСТРОЙСТВА ДЛЯ ОТПУСКАНИЯ

1Артикул: 723049...
2Артикул: BLOCK,...
3Артикул: 666908...
Подробнее >
Спецтехника РЕГУЛИРУЮЩИЙ КЛАПАН СИСТЕМЫ БЛОКИРОВКИ УПРАВЛЕНИЯ (BICS)

РЕГУЛИРУЮЩИЙ КЛАПАН СИСТЕМЫ БЛОКИРОВКИ УПРАВЛЕНИЯ (BICS)

1Артикул: VALVE,...
2Артикул: 729707...
3Артикул: 668973...
Подробнее >
Спецтехника ОРГАНЫ УПРАВЛЕНИЯ

ОРГАНЫ УПРАВЛЕНИЯ

1Артикул: 656465...
2Артикул: 657630...
3Артикул: 95D6, ...
Подробнее >
Спецтехника СХЕМА ГИДРАВЛИЧЕСКОЙ СИСТЕМЫ (С КЛАПАНОМ РЕГУЛИРОВКИ ПОЛОЖЕНИЯ КОВША)

СХЕМА ГИДРАВЛИЧЕСКОЙ СИСТЕМЫ (С КЛАПАНОМ РЕГУЛИРОВКИ ПОЛОЖЕНИЯ КОВША)

1Артикул: CYLIND...
2Артикул: 657766...
3Артикул: 672784...
Подробнее >