+7 (701) 588 50 05 Телефон для связи
RU

WhatsApp

Позвонить

РУКОВОДСТВО ПО ОТКЛЮЧЕНИЮ ПОДЪЕМНОГО УСТРОЙСТВА — Продажа в Казахстане Цены от официального дилера с доставкой в Алматы, Астану и регионы

Техника доступна в:
Полный спектр услуг:
Для Вашего удобства:
Характеристики и описание
Габариты, схема
Техническая документация
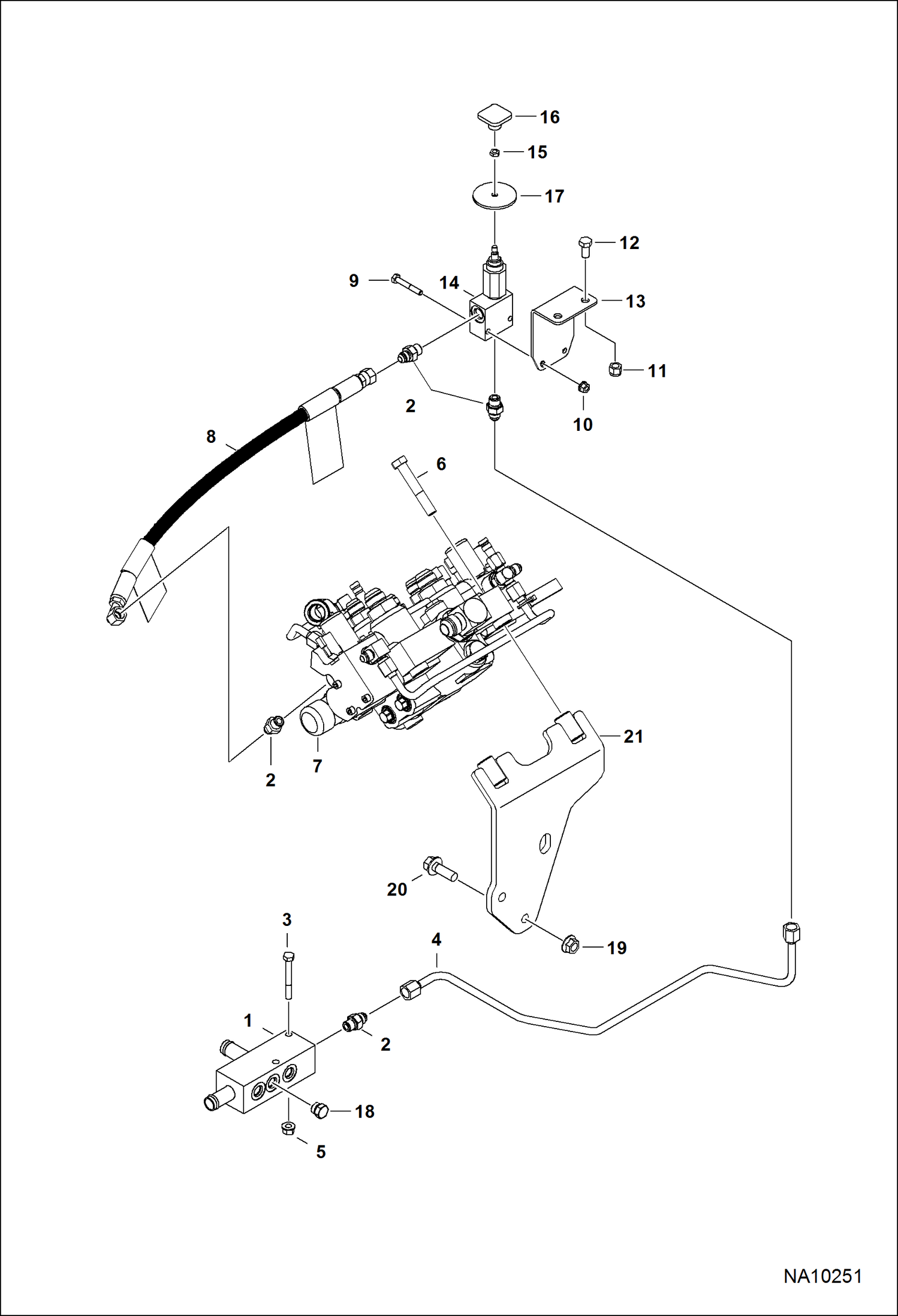
1 Артикул: 7296507, MANIFOLD DRAIN CASE Was 7201981 - B
2 Артикул: 15KB0606, FITTING, HYD CONNECTOR
3 Артикул: 79K6, O RING 10
4 Артикул: 17C536, BOLT
5 Артикул: 7178137, TUBELINE, HYD
6 Артикул: 83D5, NUT 5
7 Артикул: 17C844, BOLT
8 Артикул: VALVE,, VALVE, CONTROL See Illustration HYDRAULIC CONTROL VALVE/ NA6557 - manual controls
9 Артикул: VALVE,, VALVE, CONTROL See Illustration HYDRAULIC CONTROL VALVE/ NA6558 - AHC, ACS & SJC
10 Артикул: 7178139, HOSE, HYD available only as an assembly W/two danger decals installed
11 Артикул: 7170355, DECAL, DANGER
12 Артикул: 17C428, BOLT
13 Артикул: 83D4, NUT 10
14 Артикул: 59D6, NUT
15 Артикул: 35C616, BOLT 5
16 Артикул: 7149166, MOUNT, BOOM DOWN
17 Артикул: 7230495, VALVE, LIFT MANUAL See Illustration MANUAL LIFT RELEASE VALVE/ PE1547
18 Артикул: 7D4, NUT
19 Артикул: 6737524, KNOB
20 Артикул: 6707101, SEAL neoprene
21 Артикул: 24K5, PLUG
22 Артикул: FITTING,, FITTING, HYD CONNECTOR See Illustration POWER BOB-TACH/ NA10530
23 Артикул: 79K6, O RING 10
24 Артикул: 53D8, NUT
25 Артикул: 31C824, BOLT 10
26 Артикул: 7220859, MOUNT, VALVE

РУКОВОДСТВО ПО ОТКЛЮЧЕНИЮ ПОДЪЕМНОГО УСТРОЙСТВА: Техника, которая работает на результат

РУКОВОДСТВО ПО ОТКЛЮЧЕНИЮ ПОДЪЕМНОГО УСТРОЙСТВА на мини-погрузчик Bobcat S770 B3BV11001 И ВЫШЕ

Габаритные размеры

Габаритные размеры и схема РУКОВОДСТВО ПО ОТКЛЮЧЕНИЮ ПОДЪЕМНОГО УСТРОЙСТВА

Нажмите на схему для увеличения

Документация

Документация временно недоступна.

Похожая техника в категории: ГИДРАВЛИЧЕСКАЯ СИСТЕМА (Bobcat)

Спецтехника СХЕМА ГИДРАВЛИЧЕСКОЙ СИСТЕМЫ (БЕЗ СОЕДИНИТЕЛЬНОЙ ПАНЕЛИ ОБВОДНОГО КЛАПАНА)

СХЕМА ГИДРАВЛИЧЕСКОЙ СИСТЕМЫ (БЕЗ СОЕДИНИТЕЛЬНОЙ ПАНЕЛИ ОБВОДНОГО КЛАПАНА)

1Артикул: CYLIND...
2Артикул: CYLIND...
3Артикул: CYLIND...
Подробнее >
Спецтехника ПЕДАЛИ УПРАВЛЕНИЯ (ИНСТРУКЦИЯ УПРАВЛЕНИЯ)

ПЕДАЛИ УПРАВЛЕНИЯ (ИНСТРУКЦИЯ УПРАВЛЕНИЯ)

1Артикул: 655783...
2Артикул: 719133...
3Артикул: 130663...
Подробнее >
Спецтехника ГИДРАВЛИЧЕСКИЙ РЕГУЛИРУЮЩИЙ КЛАПАН (РУКОВОДСТВО ПОЛЬЗОВАНИЯ УСТРОЙСТВОМ УПРАВЛЕНИЯ) (E СЕРИЯ КАТУШЕК)

ГИДРАВЛИЧЕСКИЙ РЕГУЛИРУЮЩИЙ КЛАПАН (РУКОВОДСТВО ПОЛЬЗОВАНИЯ УСТРОЙСТВОМ УПРАВЛЕНИЯ) (E СЕРИЯ КАТУШЕК)

1Артикул: 729707...
2Артикул: 681515...
3Артикул: 726655...
Подробнее >
Спецтехника РУКОВОДСТВО ПО ЭКСПЛУАТАЦИИ КЛАПАНА УСТРОЙСТВА ДЛЯ ОТПУСКАНИЯ

РУКОВОДСТВО ПО ЭКСПЛУАТАЦИИ КЛАПАНА УСТРОЙСТВА ДЛЯ ОТПУСКАНИЯ

1Артикул: 723049...
2Артикул: BLOCK,...
3Артикул: 666908...
Подробнее >
Спецтехника ЦИЛИНДР НАКЛОНА (ЛЕВОСТОРОННИЙ)

ЦИЛИНДР НАКЛОНА (ЛЕВОСТОРОННИЙ)

1Артикул: 723573...
2Артикул: 723089...
3Артикул: 722264...
Подробнее >
Спецтехника ЦИЛИНДР ПОДЪЕМА

ЦИЛИНДР ПОДЪЕМА

1Артикул: 724537...
2Артикул: 666732...
3Артикул: 668699...
Подробнее >
Спецтехника ЦИЛИНДР ПЕРЕКОСА ОТВАЛА (ПРАВОСТОРОННИЙ)

ЦИЛИНДР ПЕРЕКОСА ОТВАЛА (ПРАВОСТОРОННИЙ)

1Артикул: 723573...
2Артикул: 723089...
3Артикул: 722264...
Подробнее >
Спецтехника СХЕМА ГИДРАВЛИЧЕСКОЙ СИСТЕМЫ (С СОЕДИНИТЕЛЬНОЙ ПАНЕЛЬЮ ОБВОДНОГО КЛАПАНА)

СХЕМА ГИДРАВЛИЧЕСКОЙ СИСТЕМЫ (С СОЕДИНИТЕЛЬНОЙ ПАНЕЛЬЮ ОБВОДНОГО КЛАПАНА)

1Артикул: CYLIND...
2Артикул: CYLIND...
3Артикул: CYLIND...
Подробнее >
Спецтехника ДОПОЛНИТЕЛЬНАЯ ГИДРАВЛИКА

ДОПОЛНИТЕЛЬНАЯ ГИДРАВЛИКА

1Артикул: VALVE,...
2Артикул: VALVE,...
3Артикул: 15KB12...
Подробнее >