+7 (701) 588 50 05 Телефон для связи
RU

WhatsApp

Позвонить

РУКОВОДСТВО ПО ОТКЛЮЧЕНИЮ ПОДЪЕМНОГО УСТРОЙСТВА — Продажа в Казахстане Цены от официального дилера с доставкой в Алматы, Астану и регионы

Техника доступна в:
Полный спектр услуг:
Для Вашего удобства:
Характеристики и описание
Габариты, схема
Техническая документация
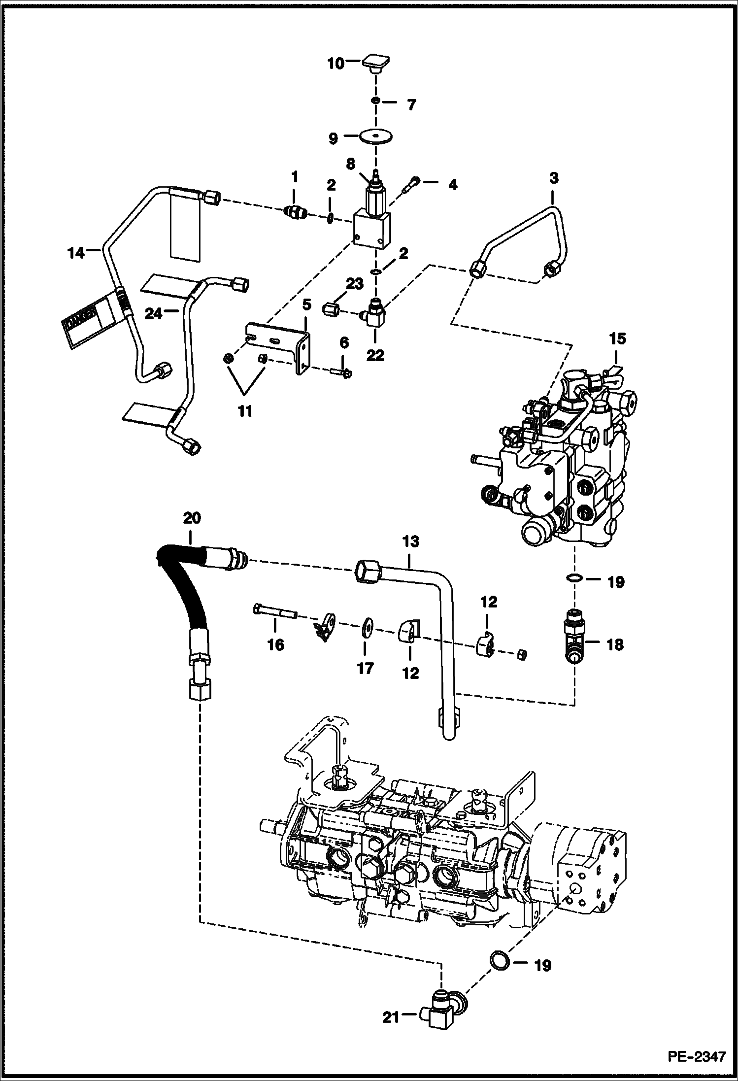
1 Артикул: 15KB0606, FITTING, HYD CONNECTOR W/Ref. 2
2 Артикул: 79K6, O RING 10
3 Артикул: 7100227, TUBE
4 Артикул: 17C428, BOLT
5 Артикул: 6729908, MOUNT
6 Артикул: 35C416, BOLT
7 Артикул: 7D4, NUT
8 Артикул: 7230495, VALVE, LIFT MANUAL See Illustration MANUAL LIFT RELEASE VALVE/ PE1547 - manual lift release - Was 6667844 - A
9 Артикул: 6707101, SEAL neoprene
10 Артикул: 6737524, KNOB red square
11 Артикул: 83D4, NUT 10
12 Артикул: 7100462, CLAMP
13 Артикул: 7100241, TUBE
14 Артикул: TUBE, TUBE NLA - Order Ref. 24 (7102311 Tube) & adjust fitting on Control Valve to fit - Was 7102311 - D
15 Артикул: VALVE, VALVE ASSY See Illustration HYDRAULIC CONTROL VALVE/ PE2683
16 Артикул: 17C640, BOLT
17 Артикул: 619021, WASHER, 5
18 Артикул: 7101797, ELBOW W/Ref. 19
19 Артикул: 79K12, O RING 10
20 Артикул: 7100853, HOSE
21 Артикул: 7103952, TEE W/Ref. 19
22 Артикул: 6725182, TEE W/Ref. 2
23 Артикул: 36K5, CAP
24 Артикул: 7102311, TUBE available only as an assembly W/two danger decals installed
25 Артикул: 6809511, DECAL, DANGER

РУКОВОДСТВО ПО ОТКЛЮЧЕНИЮ ПОДЪЕМНОГО УСТРОЙСТВА: Техника, которая работает на результат

РУКОВОДСТВО ПО ОТКЛЮЧЕНИЮ ПОДЪЕМНОГО УСТРОЙСТВА на мини-погрузчик Bobcat T140 527111001 И ВЫШЕ, 527211001 И ВЫШЕ

Габаритные размеры

Габаритные размеры и схема РУКОВОДСТВО ПО ОТКЛЮЧЕНИЮ ПОДЪЕМНОГО УСТРОЙСТВА

Нажмите на схему для увеличения

Документация

Документация временно недоступна.

Похожая техника в категории: ГИДРАВЛИЧЕСКАЯ СИСТЕМА (Bobcat)

Спецтехника КЛАПАН РЕГУЛИРОВКИ ПОЛОЖЕНИЯ КОВША

КЛАПАН РЕГУЛИРОВКИ ПОЛОЖЕНИЯ КОВША

1Артикул: VALVE,...
2Артикул: 667395...
3Артикул: 664778...
Подробнее >
Спецтехника СХЕМА ГИДРАВЛИЧЕСКОЙ СИСТЕМЫ (БЕЗ КЛАПАНА РЕГУЛТРОВКИ ПОЛОЖЕНИЯ КОВША)

СХЕМА ГИДРАВЛИЧЕСКОЙ СИСТЕМЫ (БЕЗ КЛАПАНА РЕГУЛТРОВКИ ПОЛОЖЕНИЯ КОВША)

1Артикул: CYLIND...
2Артикул: 673599...
3Артикул: 673717...
Подробнее >
Спецтехника ЦИЛИНДР НАКЛОНА

ЦИЛИНДР НАКЛОНА

1Артикул: 680463...
2Артикул: 680463...
3Артикул: 680463...
Подробнее >
Спецтехника ЦИЛИНДР ПОДЪЕМА

ЦИЛИНДР ПОДЪЕМА

1Артикул: 680920...
2Артикул: 680920...
3Артикул: 667719...
Подробнее >
Спецтехника ГИДРАВЛИЧЕСКИЙ РЕГУЛИРУЮЩИЙ КЛАПАН

ГИДРАВЛИЧЕСКИЙ РЕГУЛИРУЮЩИЙ КЛАПАН

1Артикул: VALVE,...
2Артикул: 29G444...
3Артикул: 666768...
Подробнее >
Спецтехника ГИДРАВЛИЧЕСКИЙ РЕГУЛИРУЮЩИЙ КЛАПАН (БЛОКИРАТОР КАТУШКИ) (РЕЗЕРВНЫЙ КЛАПАН)

ГИДРАВЛИЧЕСКИЙ РЕГУЛИРУЮЩИЙ КЛАПАН (БЛОКИРАТОР КАТУШКИ) (РЕЗЕРВНЫЙ КЛАПАН)

1Артикул: 718423...
2Артикул: 658776...
3Артикул: 29G444...
Подробнее >
Спецтехника РУКОВОДСТВО ПО ЭКСПЛУАТАЦИИ КЛАПАНА УСТРОЙСТВА ДЛЯ ОТПУСКАНИЯ

РУКОВОДСТВО ПО ЭКСПЛУАТАЦИИ КЛАПАНА УСТРОЙСТВА ДЛЯ ОТПУСКАНИЯ

1Артикул: 723049...
2Артикул: BLOCK,...
3Артикул: 666908...
Подробнее >
Спецтехника ГИДРАВЛИЧЕСКИЙ РЕГУЛИРУЮЩИЙ КЛАПАН (СИСТЕМА УСОВЕРШЕНСТВОВАННОГО КОНТРОЛЯ)

ГИДРАВЛИЧЕСКИЙ РЕГУЛИРУЮЩИЙ КЛАПАН (СИСТЕМА УСОВЕРШЕНСТВОВАННОГО КОНТРОЛЯ)

1Артикул: VALVE,...
2Артикул: 29G416...
3Артикул: 54K200...
Подробнее >
Спецтехника ОРГАНЫ УПРАВЛЕНИЯ

ОРГАНЫ УПРАВЛЕНИЯ

1Артикул: 656465...
2Артикул: 657630...
3Артикул: 95D6, ...
Подробнее >
Спецтехника ВСПОМОГАТЕЛЬНЫЕ ГИДРАВЛИЧЕСКИЕ МЕХАНИЗМЫ (С ПОНИЖЕНИЕМ ДАВЛЕНИЯ)

ВСПОМОГАТЕЛЬНЫЕ ГИДРАВЛИЧЕСКИЕ МЕХАНИЗМЫ (С ПОНИЖЕНИЕМ ДАВЛЕНИЯ)

1Артикул: BLOCK,...
2Артикул: 673717...
3Артикул: 673717...
Подробнее >
Спецтехника СХЕМА ГИДРАВЛИЧЕСКОЙ СИСТЕМЫ (С КЛАПАНОМ РЕГУЛИРОВКИ ПОЛОЖЕНИЯ КОВША)

СХЕМА ГИДРАВЛИЧЕСКОЙ СИСТЕМЫ (С КЛАПАНОМ РЕГУЛИРОВКИ ПОЛОЖЕНИЯ КОВША)

1Артикул: CYLIND...
2Артикул: 673599...
3Артикул: 673717...
Подробнее >