+7 (701) 588 50 05 Телефон для связи
RU

WhatsApp

Позвонить

РУКОВОДСТВО ПО ОТКЛЮЧЕНИЮ ПОДЪЕМНОГО УСТРОЙСТВА — Продажа в Казахстане Цены от официального дилера с доставкой в Алматы, Астану и регионы

Техника доступна в:
Полный спектр услуг:
Для Вашего удобства:
Характеристики и описание
Габариты, схема
Техническая документация
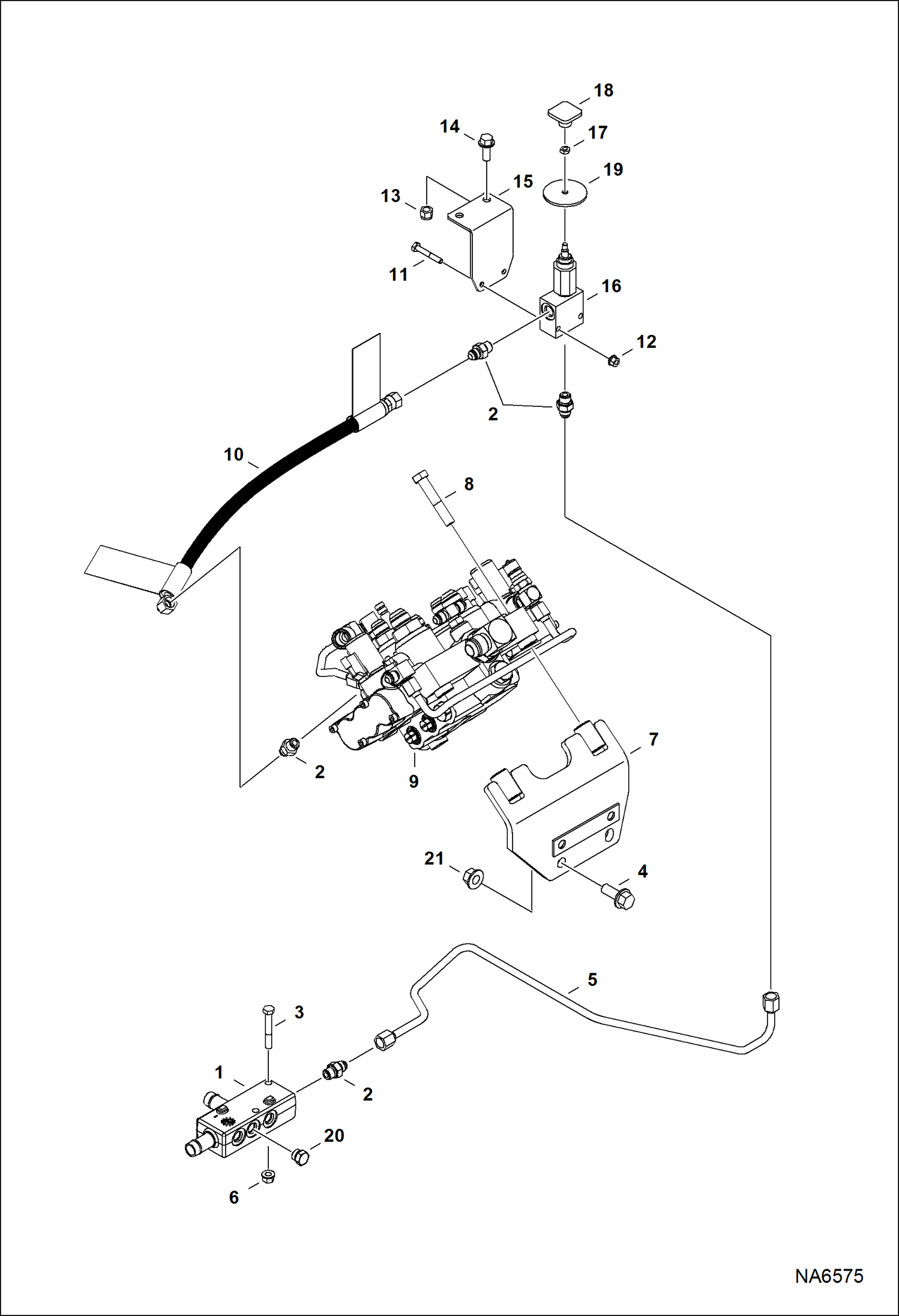
1 Артикул: 7201981, MANIFOLD, DRAIN CASE See Illustration ENGINE ELECTRICAL CIRCUITRY/ NA12131 See Illustration HYDROSTATIC CIRCUITRY/ NA6649 See Illustration HYDROSTATIC CIRCUITRY/ NA6648 - Was 7296507 - B,D
2 Артикул: 15KB0606, FITTING, HYD CONNECTOR
3 Артикул: 79K6, O RING 10
4 Артикул: 17C536, BOLT
5 Артикул: 31C820, BOLT
6 Артикул: 7180719, HOSE, HYD
7 Артикул: 83D5, NUT 5
8 Артикул: 7212098, MOUNT, VALVE
9 Артикул: 17C844, BOLT
10 Артикул: VALVE,, VALVE, CONTROL See Illustration HYDRAULIC CONTROL VALVE/ NA6580 - manual controls
11 Артикул: VALVE,, VALVE, CONTROL See Illustration HYDRAULIC CONTROL VALVE/ NA6582 - ACS & SJC
12 Артикул: 7180721, HOSE, HYD available only as an assembly W/two danger decals installed
13 Артикул: 7170355, DECAL, DANGER
14 Артикул: 17C428, BOLT
15 Артикул: 83D4, NUT 10
16 Артикул: 59D6, NUT
17 Артикул: 35C616, BOLT 5
18 Артикул: 7149166, MOUNT, BOOM DOWN
19 Артикул: VALVE, VALVE ASSY See Illustration MANUAL LIFT RELEASE VALVE/ PE1547 - manual lift release
20 Артикул: 7D4, NUT
21 Артикул: 6737524, KNOB
22 Артикул: 6707101, SEAL neoprene
23 Артикул: 24K5, PLUG
24 Артикул: FITTING,, FITTING, HYD CONNECTOR
25 Артикул: 83D8, NUT 5

РУКОВОДСТВО ПО ОТКЛЮЧЕНИЮ ПОДЪЕМНОГО УСТРОЙСТВА: Техника, которая работает на результат

РУКОВОДСТВО ПО ОТКЛЮЧЕНИЮ ПОДЪЕМНОГО УСТРОЙСТВА на мини-погрузчик Bobcat S530 B42811001 И ВЫШЕ

Габаритные размеры

Габаритные размеры и схема РУКОВОДСТВО ПО ОТКЛЮЧЕНИЮ ПОДЪЕМНОГО УСТРОЙСТВА

Нажмите на схему для увеличения

Документация

Документация временно недоступна.

Похожая техника в категории: ГИДРАВЛИЧЕСКАЯ СИСТЕМА (Bobcat)

Спецтехника ГИДРАВЛИЧЕСКИЙ РЕГУЛИРУЮЩИЙ КЛАПАН (РУКОВОДСТВО ПОЛЬЗОВАНИЯ УСТРОЙСТВОМ УПРАВЛЕНИЯ) (E СЕРИЯ КАТУШЕК)

ГИДРАВЛИЧЕСКИЙ РЕГУЛИРУЮЩИЙ КЛАПАН (РУКОВОДСТВО ПОЛЬЗОВАНИЯ УСТРОЙСТВОМ УПРАВЛЕНИЯ) (E СЕРИЯ КАТУШЕК)

1Артикул: 729987...
2Артикул: 681515...
3Артикул: 726655...
Подробнее >
Спецтехника СХЕМА ГИДРАВЛИЧЕСКОЙ СИСТЕМЫ (С СОЕДИНИТЕЛЬНОЙ ПАНЕЛЬЮ ОБВОДНОГО КЛАПАНА)

СХЕМА ГИДРАВЛИЧЕСКОЙ СИСТЕМЫ (С СОЕДИНИТЕЛЬНОЙ ПАНЕЛЬЮ ОБВОДНОГО КЛАПАНА)

1Артикул: CYLIND...
2Артикул: CYLIND...
3Артикул: 84G372...
Подробнее >
Спецтехника СХЕМА ГИДРАВЛИЧЕСКОЙ СИСТЕМЫ (БЕЗ СОЕДИНИТЕЛЬНОЙ ПАНЕЛИ ОБВОДНОГО КЛАПАНА)

СХЕМА ГИДРАВЛИЧЕСКОЙ СИСТЕМЫ (БЕЗ СОЕДИНИТЕЛЬНОЙ ПАНЕЛИ ОБВОДНОГО КЛАПАНА)

1Артикул: CYLIND...
2Артикул: CYLIND...
3Артикул: 84G372...
Подробнее >
Спецтехника ЦИЛИНДР ПОДЪЕМА

ЦИЛИНДР ПОДЪЕМА

1Артикул: 715226...
2Артикул: 10H25,...
3Артикул: 681217...
Подробнее >
Спецтехника РУКОВОДСТВО ПО ЭКСПЛУАТАЦИИ КЛАПАНА УСТРОЙСТВА ДЛЯ ОТПУСКАНИЯ

РУКОВОДСТВО ПО ЭКСПЛУАТАЦИИ КЛАПАНА УСТРОЙСТВА ДЛЯ ОТПУСКАНИЯ

1Артикул: 723049...
2Артикул: BLOCK,...
3Артикул: 666908...
Подробнее >
Спецтехника ГИДРОЦИЛИНДР ПОДЪЕМА (БУФЕР)

ГИДРОЦИЛИНДР ПОДЪЕМА (БУФЕР)

1Артикул: 725606...
2Артикул: 10H25,...
3Артикул: 681217...
Подробнее >
Спецтехника ЦИЛИНДР НАКЛОНА

ЦИЛИНДР НАКЛОНА

1Артикул: 715118...
2Артикул: 681053...
3Артикул: 651622...
Подробнее >
Спецтехника ОРГАНЫ УПРАВЛЕНИЯ

ОРГАНЫ УПРАВЛЕНИЯ

1Артикул: 655783...
2Артикул: 719133...
3Артикул: 130663...
Подробнее >
Спецтехника ДОПОЛНИТЕЛЬНАЯ ГИДРАВЛИКА

ДОПОЛНИТЕЛЬНАЯ ГИДРАВЛИКА

1Артикул: BLOCK,...
2Артикул: COUPLE...
3Артикул: SEAL, ...
Подробнее >