+7 (701) 588 50 05 Телефон для связи
RU

WhatsApp

Позвонить

СЦЕПНОЙ ПРИБОР (С ОСНОВНЫМ МЕХАНИЗМОМ ОТБОРА МОЩНОСТИ) — Продажа в Казахстане Цены от официального дилера с доставкой в Алматы, Астану и регионы

Техника доступна в:
Полный спектр услуг:
Для Вашего удобства:
Характеристики и описание
Габариты, схема
Техническая документация
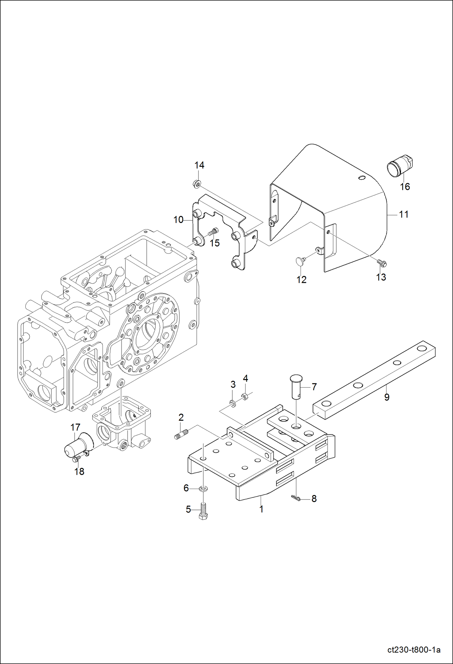
1 Артикул: 6697231, FRAME, SWING DRAWBAR
2 Артикул: 6696782, STUD
3 Артикул: 6697776, WASHER SPRING
4 Артикул: 6694060, NUT
5 Артикул: 6694001, BOLT
6 Артикул: 6694094, WASHER SPRING
7 Артикул: 6696366, PIN JOINT
8 Артикул: 6696376, PIN SNAP
9 Артикул: 6697212, DRAWBAR
10 Артикул: 6697117, BRACKET, COVER PTO SHIELD
11 Артикул: 6697173, COVER, PTO SHIELD
12 Артикул: 6697137, HOUSING CASEING
13 Артикул: 6697612, SCREW
14 Артикул: 6697860, NUT
15 Артикул: 6693983, BOLT
16 Артикул: 6697194, COVER, PTO SHAFT
17 Артикул: 6698016, COVER Was 6697170 - A
18 Артикул: 6694027, BOLT FLANGE

СЦЕПНОЙ ПРИБОР (С ОСНОВНЫМ МЕХАНИЗМОМ ОТБОРА МОЩНОСТИ): Техника, которая работает на результат

СЦЕПНОЙ ПРИБОР (С ОСНОВНЫМ МЕХАНИЗМОМ ОТБОРА МОЩНОСТИ) на мини-трактор Bobcat CT225 A59B11001 И ВЫШЕ, ABFJ11001 И ВЫШЕ

Габаритные размеры

Габаритные размеры и схема СЦЕПНОЙ ПРИБОР (С ОСНОВНЫМ МЕХАНИЗМОМ ОТБОРА МОЩНОСТИ)

Нажмите на схему для увеличения

Документация

Документация временно недоступна.

Похожая техника в категории: ГИДРАВЛИЧЕСКАЯ СИСТЕМА (Bobcat)

Спецтехника КОРПУС ГИДРОЦИЛИНДРА

КОРПУС ГИДРОЦИЛИНДРА

1Артикул: 669704...
2Артикул: 669565...
3Артикул: 669588...
Подробнее >
Спецтехника ГИДРАВЛИЧЕСКАЯ СИСТЕМА УПРАВЛЕНИЯ 2

ГИДРАВЛИЧЕСКАЯ СИСТЕМА УПРАВЛЕНИЯ 2

1Артикул: 700285...
2Артикул: 669546...
3Артикул: 669690...
Подробнее >
Спецтехника ГИДРОЦИЛИНДР

ГИДРОЦИЛИНДР

1Артикул: 669800...
2Артикул: 669720...
3Артикул: 669551...
Подробнее >
Спецтехника ТРЕХТОЧЕЧНАЯ МНОГОРЫЧАЖНАЯ СИСТЕМА 1 В СБОРЕ

ТРЕХТОЧЕЧНАЯ МНОГОРЫЧАЖНАЯ СИСТЕМА 1 В СБОРЕ

1Артикул: 669734...
2Артикул: 669706...
3Артикул: 669398...
Подробнее >
Спецтехника УСТРОЙСТВО РЕГУЛИРОВАНИЯ СНИЖЕНИЯ СКОРОСТИ В СБОРЕ

УСТРОЙСТВО РЕГУЛИРОВАНИЯ СНИЖЕНИЯ СКОРОСТИ В СБОРЕ

1Артикул: 669651...
2Артикул: 27DM10...
3Артикул: 669605...
Подробнее >
Спецтехника МЕСТОПОЛОЖЕНИЕ РЫЧАГА ТЯГИ

МЕСТОПОЛОЖЕНИЕ РЫЧАГА ТЯГИ

1Артикул: 669801...
2Артикул: 669740...
3Артикул: 669708...
Подробнее >
Спецтехника ВНЕШНЯЯ ГИДРОЛИНИЯ ГИДРОСТАТИЧЕСКОЙ ТРАНСМИССИИ

ВНЕШНЯЯ ГИДРОЛИНИЯ ГИДРОСТАТИЧЕСКОЙ ТРАНСМИССИИ

1Артикул: 669773...
2Артикул: 669413...
3Артикул: 669616...
Подробнее >
Спецтехника ШЕСТЕРЕННЫЙ НАСОС

ШЕСТЕРЕННЫЙ НАСОС

1Артикул: PUMP,,...
2Артикул: PUMP,,...
3Артикул: 703163...
Подробнее >
Спецтехника КЛАПАНЫ ГЛАВНОЙ МАГИСТРАЛИ

КЛАПАНЫ ГЛАВНОЙ МАГИСТРАЛИ

1Артикул: 700030...
2Артикул: 669782...
3Артикул: 669428...
Подробнее >
Спецтехника СЦЕПНОЙ ПРИБОР (БЕЗ ОСНОВНОГО МЕХАНИЗМА ОТБОРА МОЩНОСТИ)

СЦЕПНОЙ ПРИБОР (БЕЗ ОСНОВНОГО МЕХАНИЗМА ОТБОРА МОЩНОСТИ)

1Артикул: 669723...
2Артикул: 669678...
3Артикул: 669777...
Подробнее >
Спецтехника ПОЛОЖЕНИЕ ПРОДОЛЬНОЙ ТЯГИ

ПОЛОЖЕНИЕ ПРОДОЛЬНОЙ ТЯГИ

1Артикул: 669618...
2Артикул: 669705...
3Артикул: 669757...
Подробнее >
Спецтехника ГИДРАВЛИЧЕСКАЯ СИСТЕМА УПРАВЛЕНИЯ 1

ГИДРАВЛИЧЕСКАЯ СИСТЕМА УПРАВЛЕНИЯ 1

1Артикул: 669422...
2Артикул: 669414...
3Артикул: 669414...
Подробнее >