+7 (701) 588 50 05 Телефон для связи
RU

WhatsApp

Позвонить

ЩЕТКА УГЛОВАЯ ПОВОРОТНАЯ (1600 И 2000) — Продажа в Казахстане Цены от официального дилера с доставкой в Алматы, Астану и регионы

Техника доступна в:
Полный спектр услуг:
Для Вашего удобства:
Характеристики и описание
Габариты, схема
Техническая документация
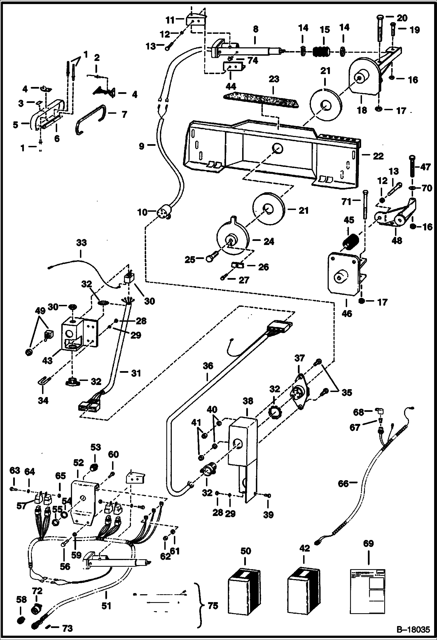
1 Артикул: 6657352, RIVET
2 Артикул: 6657353, RIVET
3 Артикул: 6657354, DECAL
4 Артикул: 6657355, LATCH
5 Артикул: 6657356, COVER
6 Артикул: 6657357, HINGE
7 Артикул: 6657358, MOLDING
8 Артикул: ACTUATOR, ACTUATOR NLA - Saginaw - Order 6664228 - Was 6657359 - A
9 Артикул: KIT, KIT MOTOR NLA - Saginaw - Order 6664228 - Was 6660299 - A
10 Артикул: KIT, KIT TUBE NLA - Saginaw - Order 6664228 - Was 6660300 - A
11 Артикул: 6664228, ACTUATOR Burr
12 Артикул: 6664229, MOTOR KIT Burr
13 Артикул: 6664230, TUBE KIT Burr
14 Артикул: 6657360, HARNESS for 4 post switch
15 Артикул: 6658141, HARNESS for 6 post switch
16 Артикул: 6659845, WIRE Less plug-in for 6658141
17 Артикул: 6648630, CONNECTOR 6 way
18 Артикул: 6657361, MOUNT
19 Артикул: 23E8, WASHER
20 Артикул: 17C816, BOLT
21 Артикул: 42H32, HS CLAMP5
22 Артикул: 6657362, BOOT
23 Артикул: 81D8, NUT
24 Артикул: 82D16, NUT
25 Артикул: PLATE, PLATE NLA - Order Ref. 12, 13, 16, 17, 45 - 48, 70 & 71 - Was 6657363 - A
26 Артикул: 17C840, BOLT
27 Артикул: 18C1696, BOLT
28 Артикул: DISC, DISC NLA - Was 6657364 - A
29 Артикул: 6657365, MOUNT Bob-Tach
30 Артикул: 6569233, SAFETY TREAD trim to fit - Was 6657366 - A
31 Артикул: 6657367, PLATE
32 Артикул: 18C1632, BOLT
33 Артикул: 6657368, PLATE
34 Артикул: 17C616, BOLT 5
35 Артикул: 61D5, NUT
36 Артикул: 23E5, L WASHER
37 Артикул: 6655699, SWITCH 6 post
38 Артикул: 6659846, SWITCH 4 post
39 Артикул: 6656163, HARNESS for 6 post switch
40 Артикул: 6659847, HARNESS for 4 post switch
41 Артикул: 6649082, CONNECTOR
42 Артикул: WIRE, WIRE NLA - Was 6657369 - A
43 Артикул: 6648625, U-BOLT
44 Артикул: 17C412, BOLT 5
45 Артикул: 6649029, HARNESS
46 Артикул: 6648629, SOCKET
47 Артикул: 6660063, MOUNT Was 6648628 - A
48 Артикул: 17C516, BOLT
49 Артикул: 4E4, WASHER
50 Артикул: 61D4, NUT 5
51 Артикул: 6709152, KIT Auxiliary power - W/Ref. 66-69 Provides an isolated power supply & individual fuse for electric motor control
52 Артикул: 6655696, BOX
53 Артикул: 6659334, BRACKET
54 Артикул: 6648646, MOUNT
55 Артикул: 6659842, BRACKET
56 Артикул: 17C848, BOLT
57 Артикул: 6659843, MOUNT
58 Артикул: SWITCH, SWITCH NLA - used with 4 post switch - Order Ref. 30 (6655699 switch) & 6681609 boot - Was 6655698 - A
59 Артикул: 6664856, KIT Wiring - W/Ref. 51 - 57 - For Multi Switch Handles
60 Артикул: 6706806, HARNESS
61 Артикул: 6664857, MOUNT
62 Артикул: 6664038, DUST CAP
63 Артикул: 6664037, WASHER
64 Артикул: 6664036, NUT
65 Артикул: 17C820, BOLT
66 Артикул: 6651975, SWITCH mag
67 Артикул: 6664034, CONNECTOR
68 Артикул: 4E8, WASHER
69 Артикул: 17C612, BOLT 5
70 Артикул: 4E6, WASHER
71 Артикул: 63D8, NUT
72 Артикул: 17C412, BOLT 5
73 Артикул: 4E4, WASHER
74 Артикул: 85D4, NUT 5
75 Артикул: 6707346, HARNESS auxiliary power - W/Ref. 67 & 68
76 Артикул: 6702444, FUSE 25A 5
77 Артикул: 6657306, CAP, FUSE
78 Артикул: 6722954, INSTRUCTIONS For Ref. 42 kit
79 Артикул: 25E22, WASHER
80 Артикул: 18C16112, BOLT
81 Артикул: 6669286, CLAMP with saddles
82 Артикул: 6664041, SOCKET female
83 Артикул: 6671009, GREASE ZERK
84 Артикул: 6714216, HARNESS ASSY See Serviceletter

ЩЕТКА УГЛОВАЯ ПОВОРОТНАЯ (1600 И 2000): Техника, которая работает на результат

ЩЕТКА УГЛОВАЯ ПОВОРОТНАЯ (1600 И 2000) на Bobcat Навесное оборудование BOBCAT ЩЕТКА УГЛОВАЯ ПОВОРОТНАЯ

Габаритные размеры

Габаритные размеры и схема ЩЕТКА УГЛОВАЯ ПОВОРОТНАЯ (1600 И 2000)

Нажмите на схему для увеличения

Документация

Документация временно недоступна.

Похожая техника в категории: Поворотная угловая щетка Bobcat для погрузчиков (Bobcat)

Спецтехника ЩЕТКА УГЛОВАЯ ПОВОРОТНАЯ (ЭЛЕКТРИЧЕСКИЕ УСТРОЙСТВА УПРАВЛЕНИЯ) (1600) (2000)

ЩЕТКА УГЛОВАЯ ПОВОРОТНАЯ (ЭЛЕКТРИЧЕСКИЕ УСТРОЙСТВА УПРАВЛЕНИЯ) (1600) (2000)

1Артикул: SWITCH...
2Артикул: 61D4, ...
3Артикул: 23E4, ...
Подробнее >
Спецтехника ПРОМЫШЛЕННЫЕ ПОВОРОТНЫЕ ЩЕТКИ (ЩЕТКИ) (0687)

ПРОМЫШЛЕННЫЕ ПОВОРОТНЫЕ ЩЕТКИ (ЩЕТКИ) (0687)

1Артикул: 17C824...
2Артикул: 23E8, ...
3Артикул: 665570...
Подробнее >
Спецтехника ЩЕТКА УГЛОВАЯ ПОВОРОТНАЯ (ГИДРАВЛИЧЕСКИЙ ДВИГАТЕЛЬ) (84-- 0550 И 231411101 - 13709)

ЩЕТКА УГЛОВАЯ ПОВОРОТНАЯ (ГИДРАВЛИЧЕСКИЙ ДВИГАТЕЛЬ) (84-- 0550 И 231411101 - 13709)

1Артикул: 711683...
2Артикул: 668969...
3Артикул: 666807...
Подробнее >
Спецтехника ЩЕТКА УГЛОВАЯ ПОВОРОТНАЯ (ГИДРАВЛИЧЕСКИЙ ДВИГАТЕЛЬ) (68-- 231314993 - 18473) (84-- 231413710 - 15598)

ЩЕТКА УГЛОВАЯ ПОВОРОТНАЯ (ГИДРАВЛИЧЕСКИЙ ДВИГАТЕЛЬ) (68-- 231314993 - 18473) (84-- 231413710 - 15598)

1Артикул: MOTOR,...
2Артикул: MOTOR,...
3Артикул: 668969...
Подробнее >
Спецтехника ЩЕТКА УГЛОВАЯ ПОВОРОТНАЯ (ЩЕТКИ) (68-- 690100101 И ВЫШЕ)

ЩЕТКА УГЛОВАЯ ПОВОРОТНАЯ (ЩЕТКИ) (68-- 690100101 И ВЫШЕ)

1Артикул: 17C824...
2Артикул: 23E8, ...
3Артикул: 665733...
Подробнее >
Спецтехника ЩЕТКА УГЛОВАЯ ПОВОРОТНАЯ (ГИДРАВЛИЧЕСКИЙ ДВИГАТЕЛЬ) (570B)

ЩЕТКА УГЛОВАЯ ПОВОРОТНАЯ (ГИДРАВЛИЧЕСКИЙ ДВИГАТЕЛЬ) (570B)

1Артикул: 651546...
2Артикул: 18C756...
3Артикул: 4E7, W...
Подробнее >
Спецтехника ЩЕТКА УГЛОВАЯ ПОВОРОТНАЯ (СТЕРЖЕНЬ И ЩЕТИННАЯ ЩЕТКА) (570B)

ЩЕТКА УГЛОВАЯ ПОВОРОТНАЯ (СТЕРЖЕНЬ И ЩЕТИННАЯ ЩЕТКА) (570B)

1Артикул: 17C724...
2Артикул: 653110...
3Артикул: 650833...
Подробнее >
Спецтехника ЩЕТКА УГЛОВАЯ ПОВОРОТНАЯ (ЦИЛИНДР) (68-- 231311458 И ВЫШЕ) (84-- 231411290 И ВЫШЕ)

ЩЕТКА УГЛОВАЯ ПОВОРОТНАЯ (ЦИЛИНДР) (68-- 231311458 И ВЫШЕ) (84-- 231411290 И ВЫШЕ)

1Артикул: 680950...
2Артикул: 680737...
3Артикул: 92D14,...
Подробнее >
Спецтехника ЩЕТКА УГЛОВАЯ ПОВОРОТНАЯ (РАМА ШАССИ) (ОПОРЫ ПОВОРОТНОГО СТЕНДА) (68-- 2310, A5CD И 2313) (84-- 0550 И 2314)

ЩЕТКА УГЛОВАЯ ПОВОРОТНАЯ (РАМА ШАССИ) (ОПОРЫ ПОВОРОТНОГО СТЕНДА) (68-- 2310, A5CD И 2313) (84-- 0550 И 2314)

1Артикул: FRAME,...
2Артикул: 671420...
3Артикул: 671420...
Подробнее >
Спецтехника ЩЕТКА УГЛОВАЯ ПОВОРОТНАЯ (ПРЕДУПРЕЖДАЮЩИЕ ТАБЛИЧКИ) (БЕЗ ТЕКСТА) (68-- 6901, 2310, A5CD И 2313) (84-- 0550 И 2314)

ЩЕТКА УГЛОВАЯ ПОВОРОТНАЯ (ПРЕДУПРЕЖДАЮЩИЕ ТАБЛИЧКИ) (БЕЗ ТЕКСТА) (68-- 6901, 2310, A5CD И 2313) (84-- 0550 И 2314)

1Артикул: KIT,, ...
2Артикул: 665735...
3Артикул: 713013...
Подробнее >
Спецтехника ЩЕТКА УГЛОВАЯ ПОВОРОТНАЯ (ГИДРОЦИЛИНДР) (СТАБИЛИЗАТОР)

ЩЕТКА УГЛОВАЯ ПОВОРОТНАЯ (ГИДРОЦИЛИНДР) (СТАБИЛИЗАТОР)

1Артикул: 653168...
2Артикул: 653168...
3Артикул: 92D12,...
Подробнее >
Спецтехника ЩЕТКА УГЛОВАЯ ПОВОРОТНАЯ (ЦИЛИНДР) (68-- 2310, 231311101 - 11457) (84-- 231411101 - 11289)

ЩЕТКА УГЛОВАЯ ПОВОРОТНАЯ (ЦИЛИНДР) (68-- 2310, 231311101 - 11457) (84-- 231411101 - 11289)

1Артикул: CYLIND...
2Артикул: 10H25,...
3Артикул: 92D10,...
Подробнее >