+7 (701) 588 50 05 Телефон для связи
RU

WhatsApp

Позвонить

СХЕМА ГИДРАВЛИЧЕСКОЙ СИСТЕМЫ — Продажа в Казахстане Цены от официального дилера с доставкой в Алматы, Астану и регионы

Техника доступна в:
Полный спектр услуг:
Для Вашего удобства:
Характеристики и описание
Габариты, схема
Техническая документация
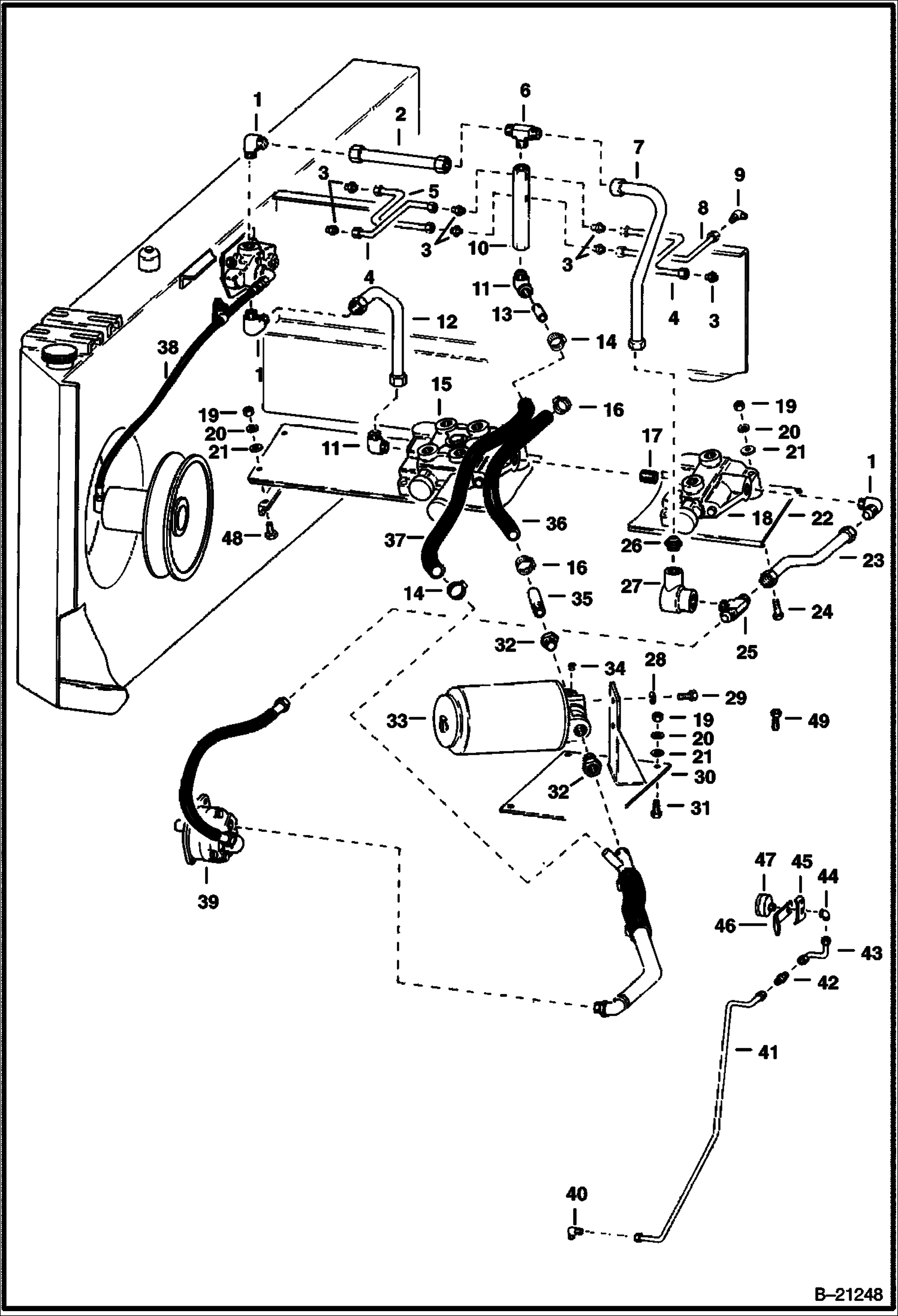
1 Артикул: 83F8, ELBOW
2 Артикул: TUBE, TUBE NLA - Was 6501066 - A
3 Артикул: 89F5, CONNECTR
4 Артикул: TUBE, TUBE NLA - Was 6501068 - A
5 Артикул: TUBE, TUBE NLA - Was 6501067 - A
6 Артикул: 98F8, TEE
7 Артикул: TUBE, TUBE NLA - Was 6501069 - A
8 Артикул: TUBE, TUBE NLA - Was 6501158 - A
9 Артикул: 83F5, ELBOW
10 Артикул: VALVE, VALVE See Illustration CLUTCH PRESSURE RELIEF VALVE/ B1170 NLA - RELIEF - WAS 6501073 - A
11 Артикул: 26F4, ELBOW
12 Артикул: TUBE, TUBE NLA - Was 6501078 - A
13 Артикул: 6511859, ADAPTER
14 Артикул: 42H12, CLAMP 10
15 Артикул: VALVE, VALVE / CORE EXCHANGE REQUIRED See Illustration LIFT CYLINDER & AUXILIARY VALVE/ C1240 NLA - hydraulic - Was 6504941REM - A
16 Артикул: 42H32, HS CLAMP5
17 Артикул: 5K611, NIPPLE
18 Артикул: 6504942, VALVE See Illustration TILT CYLINDER VALVE/ C1049 TILT
19 Артикул: 61D6, NUT 5
20 Артикул: 4E6, WASHER
21 Артикул: 25E17, WASHER 5
22 Артикул: 6502908, PLATE
23 Артикул: TUBE, TUBE NLA - Was 6501033 - A
24 Артикул: 17C640, BOLT
25 Артикул: 6515134, TEE
26 Артикул: 663013, CONN
27 Артикул: 6504940, VALVE See Illustration MASTER RELIEF VALVE/ B13855 MASTER RELIEF
28 Артикул: 4E5, WASHER
29 Артикул: 17C512, BOLT 5
30 Артикул: 6547906, PLATE
31 Артикул: 17C616, BOLT 5
32 Артикул: 19F16, BUSHING
33 Артикул: FILTER, FILTER See Illustration HYDRAULIC OIL FILTER/ B13878 NLA - hydrostatic - 10 micron - Was 6555477 - A
34 Артикул: 40K2, PLUG Was 40K-24 - D
35 Артикул: ADAPTER, ADAPTER NLA - Was 6502416 - A
36 Артикул: 6502917, HOSE
37 Артикул: 6505261, HOSE
38 Артикул: CIRCUITRY, CIRCUITRY See Illustration VARIABLE SPEED DRIVE CIRCUITRY/ C3260 See Illustration VARIABLE SPEED DRIVE CIRCUITRY/ B21237 VARIABLE SPEED
39 Артикул: PUMP, PUMP See Illustration HYDRAULIC PUMP CIRCUITRY/ B21279 CIRCUITRY
40 Артикул: 83F3, ELBOW 5
41 Артикул: TUBE, TUBE NLA - Was 6501160 - A
42 Артикул: 87F3, ADAPTOR
43 Артикул: TUBE, TUBE NLA - Was 6501116 - A
44 Артикул: 85F3, ELBOW
45 Артикул: BRACKET, BRACKET NLA - Was 6502775 - A
46 Артикул: BRACKET, BRACKET NLA - Was 6503450 - A
47 Артикул: GAUGE, GAUGE Was 6654208 - A
48 Артикул: 84G3712, BOLT 5
49 Артикул: 84G3716, SCREW 5

СХЕМА ГИДРАВЛИЧЕСКОЙ СИСТЕМЫ: Техника, которая работает на результат

СХЕМА ГИДРАВЛИЧЕСКОЙ СИСТЕМЫ на Bobcat 600s Bobcat 611 4960MA11001 И ВЫШЕ, 4967MA11001 И ВЫШЕ

Габаритные размеры

Габаритные размеры и схема СХЕМА ГИДРАВЛИЧЕСКОЙ СИСТЕМЫ

Нажмите на схему для увеличения

Документация

Документация временно недоступна.

Похожая техника в категории: ГИДРАВЛИЧЕСКАЯ СИСТЕМА (Bobcat)

Спецтехника КЛАПАН ЧАСТОТНОГО ПРЕОБРАЗОВАТЕЛЯ СКОРОСТИ

КЛАПАН ЧАСТОТНОГО ПРЕОБРАЗОВАТЕЛЯ СКОРОСТИ

1Артикул: 665776...
2Артикул: 41G816...
3Артикул: 980732...
Подробнее >
Спецтехника КОНТУР ЧАСТОТНОГО ПРЕОБРАЗОВАТЕЛЯ СКОРОСТИ

КОНТУР ЧАСТОТНОГО ПРЕОБРАЗОВАТЕЛЯ СКОРОСТИ

1Артикул: KIT, K...
2Артикул: PLATE,...
3Артикул: 665776...
Подробнее >
Спецтехника ГИДРОПРИВОДНОЙ НАСОС CESSNA 24304-RAS

ГИДРОПРИВОДНОЙ НАСОС CESSNA 24304-RAS

1Артикул: 651092...
2Артикул: 93G540...
3Артикул: 17C536...
Подробнее >
Спецтехника ЦИЛИНДР НАКЛОНА

ЦИЛИНДР НАКЛОНА

1Артикул: 650110...
2Артикул: 659202...
3Артикул: 92D12,...
Подробнее >
Спецтехника КЛАПАН ЧАСТОТНОГО ПРЕОБРАЗОВАТЕЛЯ СКОРОСТИ С ТЕПЛОВОЙ РАЗГРУЗКОЙ

КЛАПАН ЧАСТОТНОГО ПРЕОБРАЗОВАТЕЛЯ СКОРОСТИ С ТЕПЛОВОЙ РАЗГРУЗКОЙ

1Артикул: VALVE,...
2Артикул: 41G816...
3Артикул: 980732...
Подробнее >
Спецтехника МАСЛЯНЫЙ ФИЛЬТР ГИДРАВЛИЧЕСКОЙ СИСТЕМЫ

МАСЛЯНЫЙ ФИЛЬТР ГИДРАВЛИЧЕСКОЙ СИСТЕМЫ

1Артикул: FILTER...
2Артикул: 41G828...
3Артикул: CAP, C...
Подробнее >
Спецтехника ПЕДАЛИ ГИДРАВЛИЧЕСКОЙ СИСТЕМЫ УПРАВЛЕНИЯ 3 ПЕДАЛИ

ПЕДАЛИ ГИДРАВЛИЧЕСКОЙ СИСТЕМЫ УПРАВЛЕНИЯ 3 ПЕДАЛИ

1Артикул: 17C524...
2Артикул: 91D5, ...
3Артикул: SHAFT,...
Подробнее >
Спецтехника ЦИЛИНДР ПОДЪЕМА

ЦИЛИНДР ПОДЪЕМА

1Артикул: CYLIND...
2Артикул: 659203...
3Артикул: 92D12,...
Подробнее >
Спецтехника ПРЕДОХРАНИТЕЛЬНЫЙ КЛАПАН ДАВЛЕНИЯ ФРИКЦИОНА

ПРЕДОХРАНИТЕЛЬНЫЙ КЛАПАН ДАВЛЕНИЯ ФРИКЦИОНА

1Артикул: VALVE,...
2Артикул: 651522...
3Артикул: POPPET...
Подробнее >
Спецтехника СХЕМА ГИДРОПРИВОДНОГО НАСОСА

СХЕМА ГИДРОПРИВОДНОГО НАСОСА

1Артикул: FILTER...
2Артикул: 19F16,...
3Артикул: 654790...
Подробнее >
Спецтехника КОНТУР ЦИЛИНДРА НАКЛОНА

КОНТУР ЦИЛИНДРА НАКЛОНА

1Артикул: 650220...
2Артикул: 81D6, ...
3Артикул: 650105...
Подробнее >
Спецтехника РЫЧАГ УПРАВЛЕНИЯ ВАРИАТОРА СКОРОСТИ

РЫЧАГ УПРАВЛЕНИЯ ВАРИАТОРА СКОРОСТИ

1Артикул: GRIP, ...
2Артикул: LEVER,...
3Артикул: 81D6, ...
Подробнее >