+7 (701) 588 50 05 Телефон для связи
RU

WhatsApp

Позвонить

СХЕМА ГИДРАВЛИЧЕСКОЙ СИСТЕМЫ (ОТВАЛ И ПОВОРОТ) (СЕРИЙНЫЙ НОМЕР 511720001 - 511721411) — Продажа в Казахстане Цены от официального дилера с доставкой в Алматы, Астану и регионы

Техника доступна в:
Полный спектр услуг:
Для Вашего удобства:
Характеристики и описание
Габариты, схема
Техническая документация
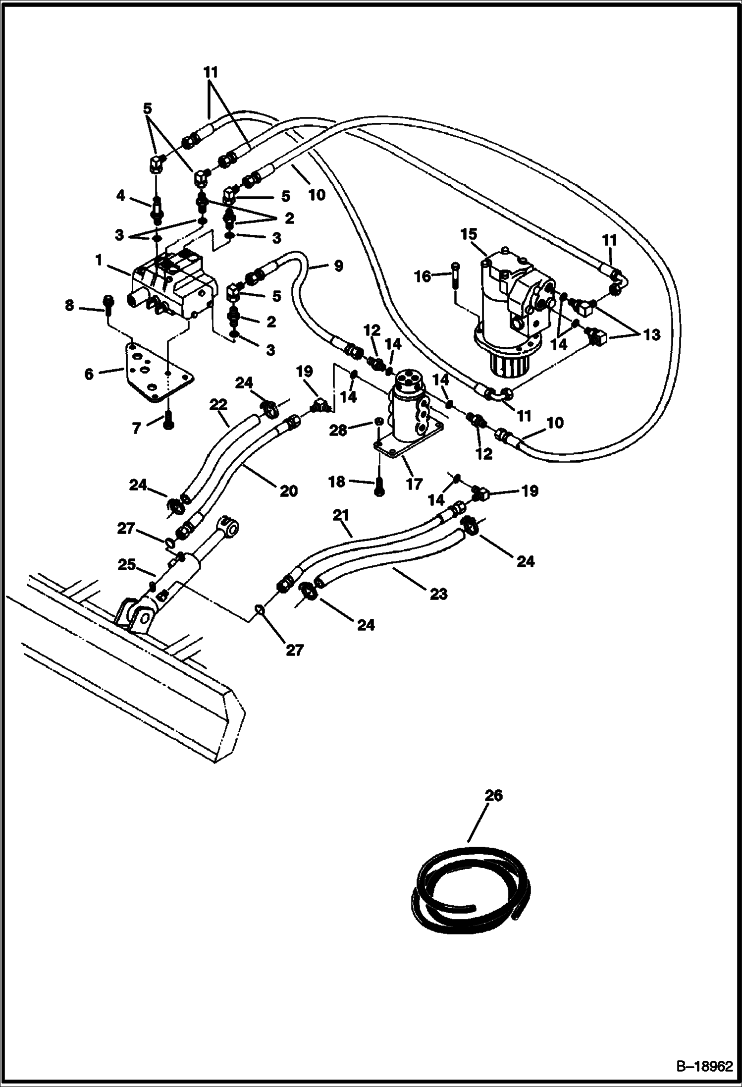
1 Артикул: VALVE, VALVE See Illustration CONTROL VALVE ASSEMBLY/ D2118 NLA - 3-spool - Was 6661593 - A
2 Артикул: 743108, FITTING W/Ref. 3
3 Артикул: 79K8, O RING 10
4 Артикул: 16KB0608, FITTING, HYD CONNECTOR W/Ref. 3 - Was 6587170 - A
5 Артикул: 11K5, FITTING
6 Артикул: 6586863, PLATE mounting
7 Артикул: 2C512, SCREW
8 Артикул: 29CM1030, BOLT
9 Артикул: HOSE, HOSE See Illustration HYDRAULIC CIRCUITRY/ D2366 See BTIE-043 NLA - for new Hose Routing - Was 6535449 - A
10 Артикул: HOSE, HOSE See Illustration HYDRAULIC CIRCUITRY/ D2366 See BTIE-043 NLA - for new Hose Routing - Was 6587679 - A
11 Артикул: 6587032, HOSE
12 Артикул: 6654377, ADAPTER Use W/Swivel Joint 6658956
13 Артикул: 15K5, FITTING W/Ref. 14 - Use W/Swivel Joint 6664409
14 Артикул: 17K5, ELBOW W/Ref. 14
15 Артикул: 79K6, O RING 10
16 Артикул: 6669539, SWING MOTOR See Illustration SWING MOTOR/ D2041 See BTIE-055 Was 6669533 - A
17 Артикул: 1CM1040, BOLT
18 Артикул: 6658956, SWIVEL JOINT See Illustration SWIVEL JOINT/ B20001
19 Артикул: 6664409, SWIVEL JOINT See Illustration SWIVEL JOINT/ B14077
20 Артикул: 1CM835, BOLT Use W/Swivel Joint 6658956
21 Артикул: 29CM1025, BOLT Use W/Swivel Joint 6664409
22 Артикул: 6654378, ELBOW Use W/Swivel Joint 6658956
23 Артикул: 17K5, ELBOW W/Ref. 14 - Use W/Swivel Joint 6664409
24 Артикул: 6597884, HOSE Was 6589723 - A
25 Артикул: 6597885, HOSE Was 6589724 - A
26 Артикул: COVER, COVER NLA - Order Ref. 26 - 25-- (635mm) long
27 Артикул: COVER, COVER NLA - Order Ref. 26 - 30-- (762mm) long
28 Артикул: 6665221, CABLE TIE metal - requires tool MEL-1427 to install cable tie - Was 1715312B - B
29 Артикул: CYLINDER, CYLINDER See Illustration BLADE CYLINDER/ B18867 blade
30 Артикул: 6649389, HOSE COVER bulk - sold per foot
31 Артикул: 6586430, ORIFICE .035-- (0,90 mm)
32 Артикул: 1DM8, NUT

СХЕМА ГИДРАВЛИЧЕСКОЙ СИСТЕМЫ (ОТВАЛ И ПОВОРОТ) (СЕРИЙНЫЙ НОМЕР 511720001 - 511721411): Техника, которая работает на результат

СХЕМА ГИДРАВЛИЧЕСКОЙ СИСТЕМЫ (ОТВАЛ И ПОВОРОТ) (СЕРИЙНЫЙ НОМЕР 511720001 - 511721411) на мини-экскаватор Bobcat 320 511720001 И ВЫШЕ

Габаритные размеры

Габаритные размеры и схема СХЕМА ГИДРАВЛИЧЕСКОЙ СИСТЕМЫ (ОТВАЛ И ПОВОРОТ) (СЕРИЙНЫЙ НОМЕР 511720001 - 511721411)

Нажмите на схему для увеличения

Документация

Документация временно недоступна.

Похожая техника в категории: ГИДРАВЛИЧЕСКАЯ СИСТЕМА (Bobcat)

Спецтехника ЦИЛИНДР РУКОЯТИ (СЕРИЙНЫЙ НОМЕР 511721116 И ВЫШЕ)

ЦИЛИНДР РУКОЯТИ (СЕРИЙНЫЙ НОМЕР 511721116 И ВЫШЕ)

1Артикул: 680304...
2Артикул: 680305...
3Артикул: 658946...
Подробнее >
Спецтехника СЕКЦИЯ ВЫХОДНОГО ПАТРУБКА (ПОВОРОТ СТРЕЛЫ) (СЕРИЙНЫЙ НОМЕР 511720001 - 511721411)

СЕКЦИЯ ВЫХОДНОГО ПАТРУБКА (ПОВОРОТ СТРЕЛЫ) (СЕРИЙНЫЙ НОМЕР 511720001 - 511721411)

1Артикул: 665832...
2Артикул: HOUSIN...
3Артикул: SPOOL,...
Подробнее >
Спецтехника ШЕСТЕРЕННЫЙ НАСОС (ВСПОМОГАТЕЛЬНЫЙ)(EATON)

ШЕСТЕРЕННЫЙ НАСОС (ВСПОМОГАТЕЛЬНЫЙ)(EATON)

1Артикул: PUMP,,...
2Артикул: 703025...
3-
Подробнее >
Спецтехника РЕГУЛИРУЮЩИЙ КЛАПАН В СБОРЕ (3 КАТУШКА) (СЕРИЙНЫЙ НОМЕР 511722859 И ВЫШЕ)

РЕГУЛИРУЮЩИЙ КЛАПАН В СБОРЕ (3 КАТУШКА) (СЕРИЙНЫЙ НОМЕР 511722859 И ВЫШЕ)

1Артикул: 666687...
2Артикул: 667168...
3Артикул: 666544...
Подробнее >
Спецтехника РЕГУЛИРУЮЩИЙ КЛАПАН В СБОРЕ (6-КАТУШКА) (СЕРИЙНЫЙ НОМЕР 511720001 - 511721411)

РЕГУЛИРУЮЩИЙ КЛАПАН В СБОРЕ (6-КАТУШКА) (СЕРИЙНЫЙ НОМЕР 511720001 - 511721411)

1Артикул: 666159...
2Артикул: See, S...
3Артикул: 666221...
Подробнее >
Спецтехника СХЕМА ГИДРАВЛИЧЕСКОЙ СИСТЕМЫ (ИЗ НАСОСА В КЛАПАН В КАМЕРУ ОХЛАЖДЕНИЯ В ФИЛЬТР) (СЕРИЙНЫЙ НОМЕР 511725131 И ВЫШЕ)

СХЕМА ГИДРАВЛИЧЕСКОЙ СИСТЕМЫ (ИЗ НАСОСА В КЛАПАН В КАМЕРУ ОХЛАЖДЕНИЯ В ФИЛЬТР) (СЕРИЙНЫЙ НОМЕР 511725131 И ВЫШЕ)

1Артикул: 666500...
2Артикул: 784568...
3Артикул: 79K10,...
Подробнее >
Спецтехника СХЕМА ГИДРАВЛИЧЕСКОЙ СИСТЕМЫ (ДЖОЙСТИК УПРАВЛЕНИЯ) (ISO) (СЕРИЙНЫЙ НОМЕР 511721412 И 511724214)

СХЕМА ГИДРАВЛИЧЕСКОЙ СИСТЕМЫ (ДЖОЙСТИК УПРАВЛЕНИЯ) (ISO) (СЕРИЙНЫЙ НОМЕР 511721412 И 511724214)

1Артикул: 665412...
2Артикул: 665411...
3Артикул: 1CM625...
Подробнее >
Спецтехника ЦИЛИНДР РУКОЯТИ (СЕРИЙНЫЙ НОМЕР 511720001 - 511721115)

ЦИЛИНДР РУКОЯТИ (СЕРИЙНЫЙ НОМЕР 511720001 - 511721115)

1Артикул: 658829...
2Артикул: 658708...
3Артикул: 658672...
Подробнее >
Спецтехника СЕКЦИЯ РАСПРЕДЕЛИТЕЛЯ (ПРАВОСТОРОННИЙ ХОД И ЛЕВОСТОРОННИЙ ХОД) (СЕРИЙНЫЙ НОМЕР 511721412 И ВЫШЕ)

СЕКЦИЯ РАСПРЕДЕЛИТЕЛЯ (ПРАВОСТОРОННИЙ ХОД И ЛЕВОСТОРОННИЙ ХОД) (СЕРИЙНЫЙ НОМЕР 511721412 И ВЫШЕ)

1Артикул: 666545...
2Артикул: 666545...
3Артикул: 93G406...
Подробнее >
Спецтехника СЕКЦИЯ РАСПРЕДЕЛИТЕЛЯ (СТРЕЛА, КОВШ И РУКОЯТЬ) (СЕРИЙНЫЙ НОМЕР 511721412 И ВЫШЕ)

СЕКЦИЯ РАСПРЕДЕЛИТЕЛЯ (СТРЕЛА, КОВШ И РУКОЯТЬ) (СЕРИЙНЫЙ НОМЕР 511721412 И ВЫШЕ)

1Артикул: 666545...
2Артикул: 666545...
3Артикул: 666545...
Подробнее >
Спецтехника СХЕМА ГИДРАВЛИЧЕСКОЙ СИСТЕМЫ (ДЖОЙСТИК УПРАВЛЕНИЯ) (ISO) (СЕРИЙНЫЙ НОМЕР 511720001 - 511721411)

СХЕМА ГИДРАВЛИЧЕСКОЙ СИСТЕМЫ (ДЖОЙСТИК УПРАВЛЕНИЯ) (ISO) (СЕРИЙНЫЙ НОМЕР 511720001 - 511721411)

1Артикул: 665412...
2Артикул: 665411...
3Артикул: 1CM625...
Подробнее >
Спецтехника ПРАВОСТОРОННИЙ ДЖОЙСТИК УПРАВЛЕНИЯ (СЕРИЙНЫЙ НОМЕР 511724215 И ВЫШЕ)

ПРАВОСТОРОННИЙ ДЖОЙСТИК УПРАВЛЕНИЯ (СЕРИЙНЫЙ НОМЕР 511724215 И ВЫШЕ)

1Артикул: 666772...
2Артикул: 666879...
3Артикул: 666880...
Подробнее >