+7 (701) 588 50 05 Телефон для связи
RU

WhatsApp

Позвонить

СХЕМА ГИДРАВЛИЧЕСКОЙ СИСТЕМЫ (ТОРМОЗНОЙ КЛАПАН) — Продажа в Казахстане Цены от официального дилера с доставкой в Алматы, Астану и регионы

Техника доступна в:
Полный спектр услуг:
Для Вашего удобства:
Характеристики и описание
Габариты, схема
Техническая документация
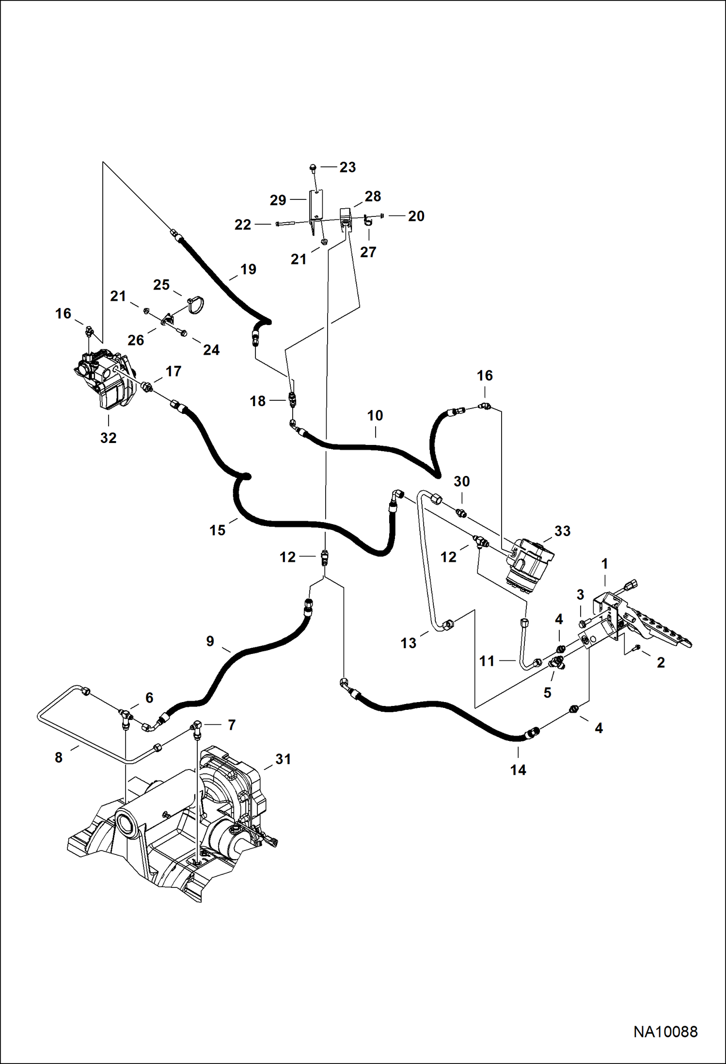
1 Артикул: 7245696, PEDAL ASSY See Illustration SERVICE BRAKE VALVE/ NA12102
2 Артикул: 29CM620, SCREW
3 Артикул: 29CM1030, BOLT
4 Артикул: 15KB0606, FITTING, HYD CONNECTOR
5 Артикул: 79K6, O RING 10
6 Артикул: 21KB0806, FITTING, HYD TEE
7 Артикул: 79K6, O RING 10
8 Артикул: 7173429, FITTING, HYD TEE
9 Артикул: 7249686, FITTING, HYD ELBOW
10 Артикул: 7245461, TUBELINE, HYD
11 Артикул: 7245815, HOSE, HYD
12 Артикул: 7245832, HOSE, HYD
13 Артикул: 7218999, TUBELINE, HYD
14 Артикул: 21KB0606, FTG HYD STRAIGHT TEE
15 Артикул: 79K6, O RING 10
16 Артикул: 7223440, TUBELINE, HYD
17 Артикул: 7245821, HOSE, HYD
18 Артикул: 7245814, HOSE, HYD
19 Артикул: 17KB0404, FTG HYD ELBOW 90
20 Артикул: 79K4, O RING 10
21 Артикул: 15KB0608, FITTING, HYD CONNECTOR
22 Артикул: 79K8, O RING 10
23 Артикул: 19KB0406, FITTING, HYD TEE
24 Артикул: 79K6, O RING 10
25 Артикул: 7244880, HOSE, HYD
26 Артикул: 43DM6, NUT
27 Артикул: 43DM8, NUT
28 Артикул: 29CM650, SCREW
29 Артикул: 29CM820, SCREW
30 Артикул: 29CM825, BOLT
31 Артикул: 6624289, STRAP, TIE
32 Артикул: 6678818, MOUNT
33 Артикул: 30H53, CLIP
34 Артикул: 7224006, VALVE, CHECK
35 Артикул: 7244704, PLATE
36 Артикул: 15KB0808, FITTING, HYD CONNECTOR
37 Артикул: 79K8, O RING 10
38 Артикул: FRONT, FRONT AXLE NG33 See Illustration DRIVE SYSTEM/ NA10029
39 Артикул: PUMP,, PUMP, GEAR See Illustration HYDROSTATIC CIRCUITRY/ NA10080
40 Артикул: VALVE, VALVE See Illustration HYDRAULIC CIRCUITRY/ NA10087

СХЕМА ГИДРАВЛИЧЕСКОЙ СИСТЕМЫ (ТОРМОЗНОЙ КЛАПАН): Техника, которая работает на результат

СХЕМА ГИДРАВЛИЧЕСКОЙ СИСТЕМЫ (ТОРМОЗНОЙ КЛАПАН) на телескопический погрузчик Bobcat T35105L B3GU11001 И ВЫШЕ, B3GV11001 И ВЫШЕ

Габаритные размеры

Габаритные размеры и схема СХЕМА ГИДРАВЛИЧЕСКОЙ СИСТЕМЫ (ТОРМОЗНОЙ КЛАПАН)

Нажмите на схему для увеличения

Документация

Документация временно недоступна.

Похожая техника в категории: ГИДРАВЛИЧЕСКАЯ СИСТЕМА (Bobcat)

Спецтехника СХЕМА ГИДРАВЛИЧЕСКОЙ СИСТЕМЫ (ЭЛЕКТРОДВИГАТЕЛЬ ВЕНТИЛЯТОРА)

СХЕМА ГИДРАВЛИЧЕСКОЙ СИСТЕМЫ (ЭЛЕКТРОДВИГАТЕЛЬ ВЕНТИЛЯТОРА)

1Артикул: 723189...
2Артикул: 15KB08...
3Артикул: 79K8, ...
Подробнее >
Спецтехника РЕГУЛИРУЮЩИЙ КЛАПАН (СЕКЦИЯ НАКЛОНА)

РЕГУЛИРУЮЩИЙ КЛАПАН (СЕКЦИЯ НАКЛОНА)

1Артикул: SECTIO...
2Артикул: 703123...
3Артикул: 703124...
Подробнее >
Спецтехника РЕГУЛИРУЮЩИЙ КЛАПАН (СЕКЦИЯ ПОДЪЕМА)

РЕГУЛИРУЮЩИЙ КЛАПАН (СЕКЦИЯ ПОДЪЕМА)

1Артикул: SECTIO...
2Артикул: 703123...
3Артикул: 703123...
Подробнее >
Спецтехника СХЕМА ГИДРАВЛИЧЕСКОЙ СИСТЕМЫ (БАК И ФИЛЬТР)

СХЕМА ГИДРАВЛИЧЕСКОЙ СИСТЕМЫ (БАК И ФИЛЬТР)

1Артикул: 721904...
2Артикул: 722533...
3Артикул: 691254...
Подробнее >
Спецтехника РЕГУЛИРУЮЩИЙ КЛАПАН (СЕКЦИЯ ПАТРУБКА)

РЕГУЛИРУЮЩИЙ КЛАПАН (СЕКЦИЯ ПАТРУБКА)

1Артикул: SECTIO...
2Артикул: 703123...
3-
Подробнее >
Спецтехника СХЕМА ГИДРАВЛИЧЕСКОЙ СИСТЕМЫ (РЕГУЛИРУЮЩИЙ КЛАПАН) (СЕРИЙНЫЙ НОМЕР B3GU11001 И ВЫШЕ)

СХЕМА ГИДРАВЛИЧЕСКОЙ СИСТЕМЫ (РЕГУЛИРУЮЩИЙ КЛАПАН) (СЕРИЙНЫЙ НОМЕР B3GU11001 И ВЫШЕ)

1Артикул: 724456...
2Артикул: 724456...
3Артикул: 723257...
Подробнее >
Спецтехника СХЕМА ГИДРАВЛИЧЕСКОЙ СИСТЕМЫ (ПОДЪЕМНОЕ УСТРОЙСТВО И АВТОМАТИЧЕСКОЕ ВЫРАВНИВАНИЕ ЦИЛИНДРА)

СХЕМА ГИДРАВЛИЧЕСКОЙ СИСТЕМЫ (ПОДЪЕМНОЕ УСТРОЙСТВО И АВТОМАТИЧЕСКОЕ ВЫРАВНИВАНИЕ ЦИЛИНДРА)

1Артикул: 690910...
2Артикул: 691455...
3Артикул: 723925...
Подробнее >
Спецтехника ЭЛЕКТРОДВИГАТЕЛЬ ВЕНТИЛЯТОРА

ЭЛЕКТРОДВИГАТЕЛЬ ВЕНТИЛЯТОРА

1Артикул: 723189...
2Артикул: PLATE,...
3Артикул: HOUSIN...
Подробнее >
Спецтехника РЕГУЛИРУЮЩИЙ КЛАПАН (СЕКЦИЯ ВЫРАВНИВАНИЯ РАМЫ) (СЕРИЙНЫЙ НОМЕР B3GV11001 И ВЫШЕ)

РЕГУЛИРУЮЩИЙ КЛАПАН (СЕКЦИЯ ВЫРАВНИВАНИЯ РАМЫ) (СЕРИЙНЫЙ НОМЕР B3GV11001 И ВЫШЕ)

1Артикул: SECTIO...
2Артикул: 703123...
3Артикул: 703123...
Подробнее >
Спецтехника РЕГУЛИРУЮЩИЙ КЛАПАН (ТЕЛЕСКОПИЧЕСКАЯ СЕКЦИЯ)

РЕГУЛИРУЮЩИЙ КЛАПАН (ТЕЛЕСКОПИЧЕСКАЯ СЕКЦИЯ)

1Артикул: SECTIO...
2Артикул: 703123...
3Артикул: 703123...
Подробнее >
Спецтехника СХЕМА ГИДРАВЛИЧЕСКОЙ СИСТЕМЫ (СТРЕЛА И УИЛИНДР НАКЛОНА)

СХЕМА ГИДРАВЛИЧЕСКОЙ СИСТЕМЫ (СТРЕЛА И УИЛИНДР НАКЛОНА)

1Артикул: 691455...
2Артикул: 724488...
3Артикул: 724721...
Подробнее >
Спецтехника СХЕМА ГИДРАВЛИЧЕСКОЙ СИСТЕМЫ (РУЛЕВОЕ УПРАВЛЕНИЕ)

СХЕМА ГИДРАВЛИЧЕСКОЙ СИСТЕМЫ (РУЛЕВОЕ УПРАВЛЕНИЕ)

1Артикул: 722401...
2Артикул: 6GM102...
3Артикул: 15KB06...
Подробнее >