СХЕМА ГИДРОСТАТИЧЕСКОЙ СИСТЕМЫ — Продажа в Казахстане Цены от официального дилера с доставкой в Алматы, Астану и регионы
×
❮
❯
Характеристики и описание
Габариты, схема
Техническая документация
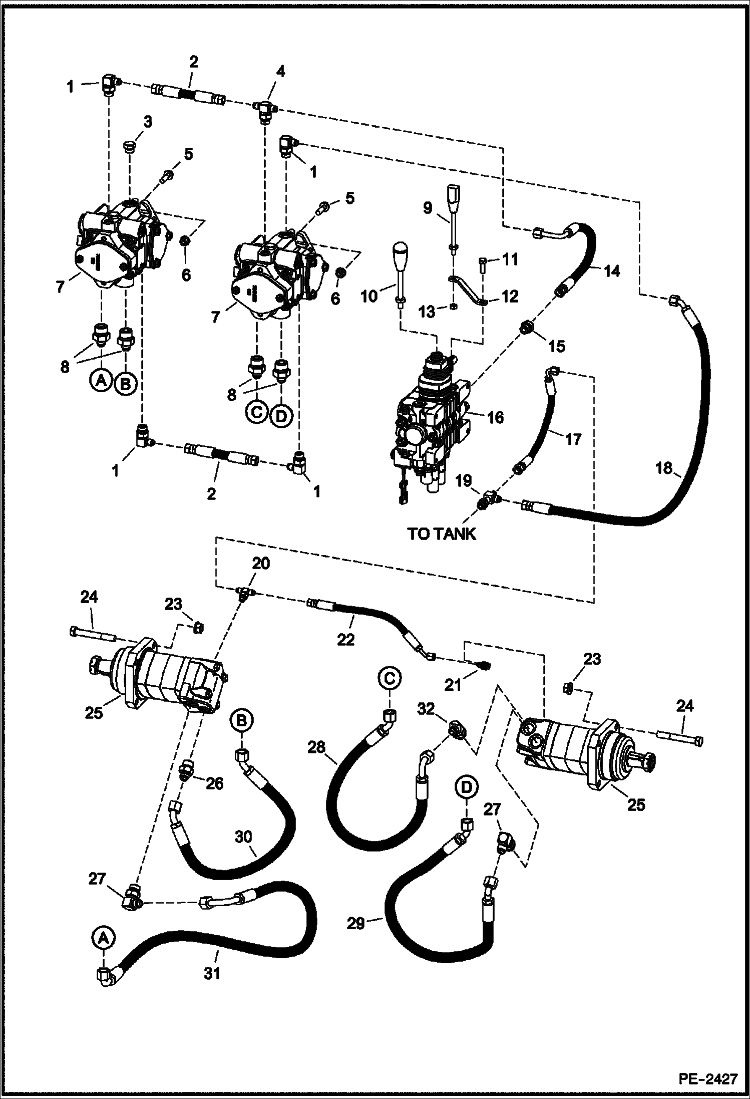
| 1 | Артикул: 17KB0608, FITTING, HYD ELBOW |
| 2 | Артикул: 79K8, O RING 10 |
| 3 | Артикул: 7106243, HOSE |
| 4 | Артикул: PLUG, PLUG |
| 5 | Артикул: 19KB0608, UNION |
| 6 | Артикул: 79K8, O RING 10 |
| 7 | Артикул: 59CM1035, BOLT |
| 8 | Артикул: 43DM10, NUT |
| 9 | Артикул: 7102272, PUMP, HYD See Illustration HYDROSTATIC PUMP/ B20883 |
| 10 | Артикул: 15KB0812, FITTING, HYD CONNECTOR |
| 11 | Артикул: 79K12, O RING 10 |
| 12 | Артикул: 6678895, LEVER control - auxiliaries |
| 13 | Артикул: 6736130, LEVER control - lift & tilt |
| 14 | Артикул: 1CM1025, BOLT |
| 15 | Артикул: 6736135, BRACKET lever |
| 16 | Артикул: 1DM8, NUT |
| 17 | Артикул: 7106242, HOSE |
| 18 | Артикул: 15KB0608, FITTING, HYD CONNECTOR |
| 19 | Артикул: 79K8, O RING 10 |
| 20 | Артикул: MAIN, MAIN VALVE See Illustration WORK VALVE/ MS2038 |
| 21 | Артикул: 6736133, HOSE |
| 22 | Артикул: 7106244, HOSE |
| 23 | Артикул: 6805243, TEE |
| 24 | Артикул: 79K6, O RING 10 |
| 25 | Артикул: 19KB0404, FITTING, HYD TEE |
| 26 | Артикул: 79K4, O RING 10 |
| 27 | Артикул: 17KB0404, FTG HYD ELBOW 90 |
| 28 | Артикул: 79K4, O RING 10 |
| 29 | Артикул: 7109509, HOSE Was 7105779 - D |
| 30 | Артикул: 53D8, NUT |
| 31 | Артикул: 17C860, BOLT |
| 32 | Артикул: 6686261, MOTOR, DRIVE HYD See Illustration DRIVE MOTOR/ B22764 Was 6683005 - A |
| 33 | Артикул: 15KB0810, FITTING, HYD CONNECTOR |
| 34 | Артикул: 79K10, O RING 10 |
| 35 | Артикул: 17KB0810, FITTING, HYD ELBOW |
| 36 | Артикул: 79K10, O RING 10 |
| 37 | Артикул: 7109510, HOSE Was 7107276 - D |
| 38 | Артикул: 7109511, HOSE Was 7106245 - D |
| 39 | Артикул: 7106231, HOSE |
| 40 | Артикул: 7107277, HOSE |
| 41 | Артикул: 18KB0810, FITTING, HYD ELBOW |
СХЕМА ГИДРОСТАТИЧЕСКОЙ СИСТЕМЫ: Техника, которая работает на результат
СХЕМА ГИДРОСТАТИЧЕСКОЙ СИСТЕМЫ на мини-трак Bobcat MT55 538711001 И ВЫШЕ, 538811001 И ВЫШЕГабаритные размеры
Нажмите на схему для увеличения
Документация
Документация временно недоступна.
Похожая техника в категории: ГИДРОСТАТИЧЕСКАЯ СИСТЕМА (Bobcat)
МЕХАНИЗМЫ РУЛЕВОГО УПРАВЛЕНИЯ (СЕРИЙНЫЙ НОМЕР 538711001 - 538712499)
1Артикул: 673716...
2Артикул: 35C412...
3Артикул: 25G656...
Подробнее >
ГИДРОСТАТИЧЕСКИЙ НАСОС (СЕРИЙНЫЙ НОМЕР 538711001 - 538712499)
1Артикул: 710227...
2Артикул: 661415...
3Артикул: 665635...
Подробнее >
МЕХАНИЗМЫ РУЛЕВОГО УПРАВЛЕНИЯ (СЕРИЙНЫЙ НОМЕР 538712500 И ВЫШЕ, 538811001 И ВЫШЕ)
1Артикул: 673716...
2Артикул: 35C412...
3Артикул: 25G656...
Подробнее >
ПРИВОДНОЙ ЭЛЕКТРОДВИГАТЕЛЬ (СЕРИЙНЫЙ НОМЕР 538711001 - 538711526)
1Артикул: MOTOR,...
2Артикул: 663002...
3Артикул: 668521...
Подробнее >
ГИДРОСТАТИЧЕСКИЙ НАСОС (СЕРИЙНЫЙ НОМЕР 538712500 И ВЫШЕ, 538811001 И ВЫШЕ)
1Артикул: 669101...
2Артикул: 661415...
3Артикул: 665635...
Подробнее >
ПРИВОДНОЙ ЭЛЕКТРОДВИГАТЕЛЬ (СЕРИЙНЫЙ НОМЕР 538711527 И ВЫШЕ, 538811001 И ВЫШЕ)
1Артикул: 668626...
2Артикул: 668909...
3Артикул: 663008...
Подробнее >