+7 (701) 588 50 05 Телефон для связи
RU

WhatsApp

Позвонить

СХЕМА РАСПОЛОЖЕНИЯ ПРОВОДКИ — Продажа в Казахстане Цены от официального дилера с доставкой в Алматы, Астану и регионы

Техника доступна в:
Полный спектр услуг:
Для Вашего удобства:
Характеристики и описание
Габариты, схема
Техническая документация
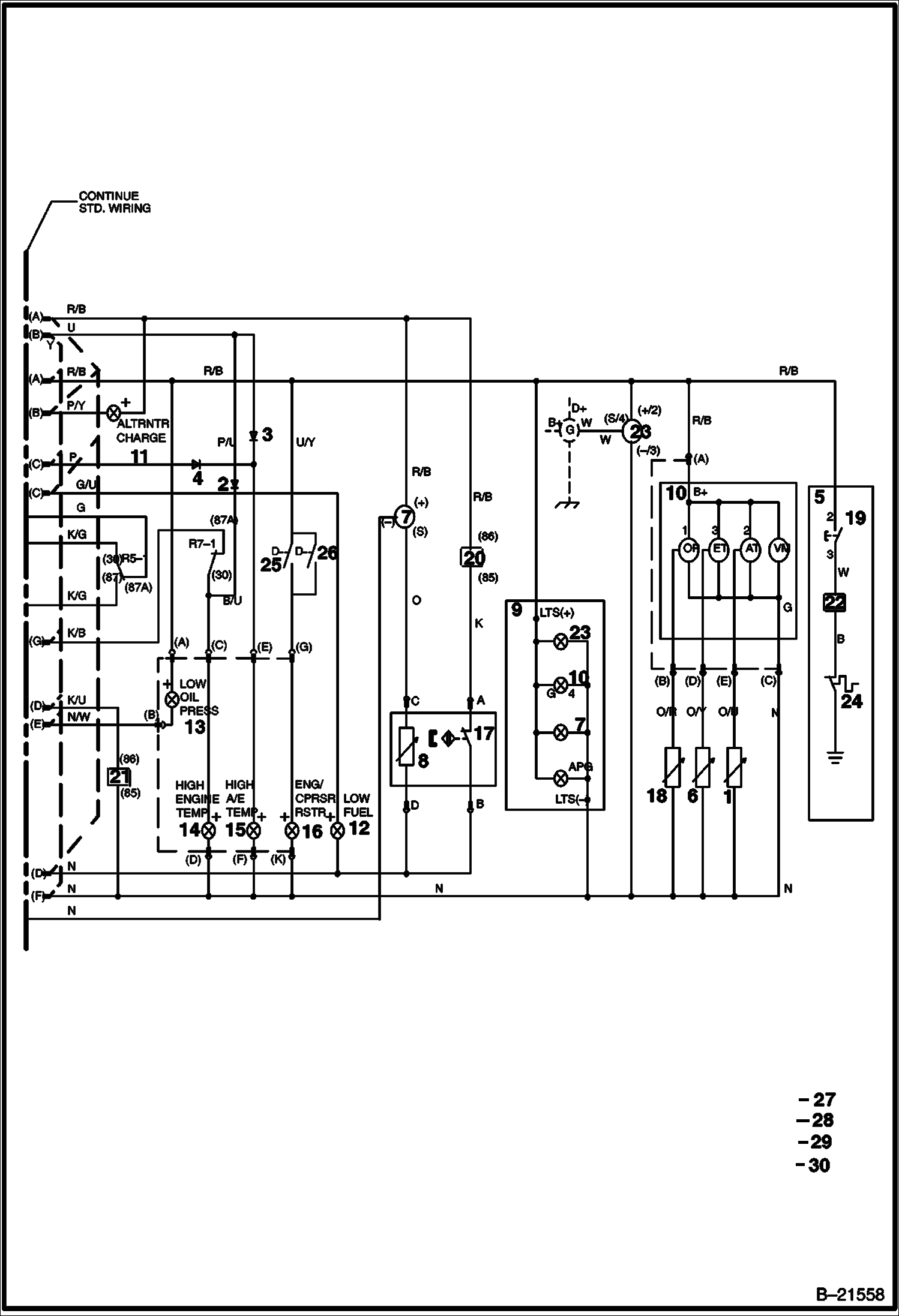
1 Артикул: IR35372457, 4 CYL. ENG. TEMP Sender
2 Артикул: IR35676169, DIODE
3 Артикул: IR35676169, DIODE
4 Артикул: IR35676169, DIODE
5 Артикул: IR35367739, MANUAL ETHER Start
6 Артикул: IR35377266, AUTOMATIC Start
7 Артикул: IR35372457, 4 CYL. ENG. TEMP Sender
8 Артикул: IR54774096, GAUGE Fuel
9 Артикул: IR22058531, SWITCH Fuel - FS & LFS Combined In
10 Артикул: IR36852622, GAUGE LIGHTS
11 Артикул: IR35333236, BULB Incandescent
12 Артикул: IR22058291, GAUGE MODULE
13 Артикул: IR54774112, LOW OIL PRESS Indicator Lamp - IL1 & IL2 Combined In 2 Lamp Module
14 Артикул: IR54774112, LOW OIL PRESS
15 Артикул: IR54774112, LOW OIL PRESS Indicator Lamp - IL1 & IL2 Combined In 2 Lamp Module
16 Артикул: IR54774112, LOW OIL PRESS
17 Артикул: IR22061493, HIGH A/E TEMP Indicator Lamp - IL3 & IL6 Combined In 4 Lamp Module
18 Артикул: IR22061493, HIGH A/E TEMP
19 Артикул: IR22061493, HIGH A/E TEMP Indicator Lamp - IL3 & IL6 Combined In 4 Lamp Module
20 Артикул: IR22061493, HIGH A/E TEMP
21 Артикул: IR22061496, HIGH A/E TEMP Indicator Lamp - IL3 & IL6 Combined In 4 Lamp Module
22 Артикул: IR22061496, HIGH A/E TEMP
23 Артикул: IR22061493, HIGH A/E TEMP Indicator Lamp - IL3 & IL6 Combined In 4 Lamp Module
24 Артикул: IR22061493, HIGH A/E TEMP
25 Артикул: IR22058531, SWITCH Low Fuel - FS & LFS Combined
26 Артикул: IR36870608, OIL PRESSURE Sender
27 Артикул: PUSH, PUSH BUTTON Switch - Included In Option
28 Артикул: IR54368084, RELAY Fuel Shutdown
29 Артикул: IR54368084, RELAY High Eng Temp
30 Артикул: SOLENOID, SOLENOID Ether - Included In Option
31 Артикул: IR22060198, TACHOMETER
32 Артикул: SWITCH, SWITCH Block Temp. Ether - Included In Option
33 Артикул: IR36847838, SWITCH Air Filter Restriction
34 Артикул: IR36847838, SWITCH Air Filter Restriction
35 Артикул: IR22060339, HARNESS Option
36 Артикул: IR22074843, HARNESS Gauge Illumination Option
37 Артикул: IR36842839, HARNESS Air Filter Restr Option
38 Артикул: IR36842821, HARNESS Manual Cold Start Option

СХЕМА РАСПОЛОЖЕНИЯ ПРОВОДКИ: Техника, которая работает на результат

СХЕМА РАСПОЛОЖЕНИЯ ПРОВОДКИ на генератор Bobcat BAP185 904811001 И ВЫШЕ, 904911001 И ВЫШЕ

Габаритные размеры

Габаритные размеры и схема СХЕМА РАСПОЛОЖЕНИЯ ПРОВОДКИ

Нажмите на схему для увеличения

Документация

Документация временно недоступна.

Похожая техника в категории: АКСЕСCУАРЫ И ОПЦИИ (Bobcat)

Спецтехника 4.5 КВТ ГЕНЕРАТОР (ОПЦИЯ)

4.5 КВТ ГЕНЕРАТОР (ОПЦИЯ)

1Артикул: IR3689...
2Артикул: IR3689...
3Артикул: IR3689...
Подробнее >
Спецтехника 4-УСТРОЙСТВА ОСВЕЩЕНИЯ В СБОРЕ

4-УСТРОЙСТВА ОСВЕЩЕНИЯ В СБОРЕ

1Артикул: IR3678...
2Артикул: IR3689...
3Артикул: IR3678...
Подробнее >
Спецтехника 1 QT ПРИСПОСОБЛЕНИЕ ДЛЯ СМАЗКИ БАРАБАНА ДЛЯ НАМАТЫВАНИЯ ШЛАНГА

1 QT ПРИСПОСОБЛЕНИЕ ДЛЯ СМАЗКИ БАРАБАНА ДЛЯ НАМАТЫВАНИЯ ШЛАНГА

1Артикул: IR9594...
2Артикул: IR9595...
3Артикул: IR3525...
Подробнее >
Спецтехника ФУНКЦИЯ ДВОЙНОЙ РЕГУЛИРОВКИ

ФУНКЦИЯ ДВОЙНОЙ РЕГУЛИРОВКИ

1Артикул: IR9595...
2Артикул: IR3536...
3Артикул: IR5477...
Подробнее >
Спецтехника СЕРВИСНЫЙ ИНДИКАТОР ЭЛЕКТРОФИЛЬТРА

СЕРВИСНЫЙ ИНДИКАТОР ЭЛЕКТРОФИЛЬТРА

1Артикул: IR3684...
2Артикул: IR9595...
3Артикул: IR3684...
Подробнее >
Спецтехника 4 ПРИНЦИПИАЛЬНАЯ ЭЛЕКТРИЧЕСКАЯ СХЕМА УСТРОЙСТВ ОСВЕЩЕНИЯ

4 ПРИНЦИПИАЛЬНАЯ ЭЛЕКТРИЧЕСКАЯ СХЕМА УСТРОЙСТВ ОСВЕЩЕНИЯ

1Артикул: IR3678...
2Артикул: IR3678...
3Артикул: IR3689...
Подробнее >
Спецтехника ДРУГИЕ ВОЗМОЖНОСТИ

ДРУГИЕ ВОЗМОЖНОСТИ

1Артикул: IR3561...
2Артикул: IR3689...
3Артикул: IR3537...
Подробнее >
Спецтехника ЗАДНЯЯ ОПОРА

ЗАДНЯЯ ОПОРА

1Артикул: IR3672...
2Артикул: IR3677...
3Артикул: IR3525...
Подробнее >
Спецтехника 6 КВТ СХЕМА ПРОВОДКИ ГЕНЕРАТОРА

6 КВТ СХЕМА ПРОВОДКИ ГЕНЕРАТОРА

1Артикул: 6KW, 6...
2-
3-
Подробнее >
Спецтехника ДВУХРУКАВНАЯ КАТУШКА

ДВУХРУКАВНАЯ КАТУШКА

1Артикул: IR3677...
2Артикул: IR6528...
3Артикул: IR3511...
Подробнее >
Спецтехника КЛАПАН МИНИМАЛЬНОГО ДАВЛЕНИЯ

КЛАПАН МИНИМАЛЬНОГО ДАВЛЕНИЯ

1Артикул: IR3538...
2Артикул: IR3538...
3Артикул: IR3538...
Подробнее >
Спецтехника ПОЛНОСТЬЮ УСТАНОВЛЕННАЯ ПАНЕЛЬ БЕЗ ПРЕДОХРАНИТЕЛЬНОГО КЛАПАНА

ПОЛНОСТЬЮ УСТАНОВЛЕННАЯ ПАНЕЛЬ БЕЗ ПРЕДОХРАНИТЕЛЬНОГО КЛАПАНА

1Артикул: IR5474...
2Артикул: IR2217...
3Артикул: IR5476...
Подробнее >