+7 (701) 588 50 05 Телефон для связи
RU

WhatsApp

Позвонить

СХЕМА ВЕНТИЛЯТОРА ОХЛАЖДЕНИЯ в Алматы

Техника доступна в:
Полный спектр услуг:
Сервис
Офисы продаж
Гарантия
Для Вашего удобства:
Запчасти
Доставка
Характеристики и описание
Габариты, схема
Техническая документация
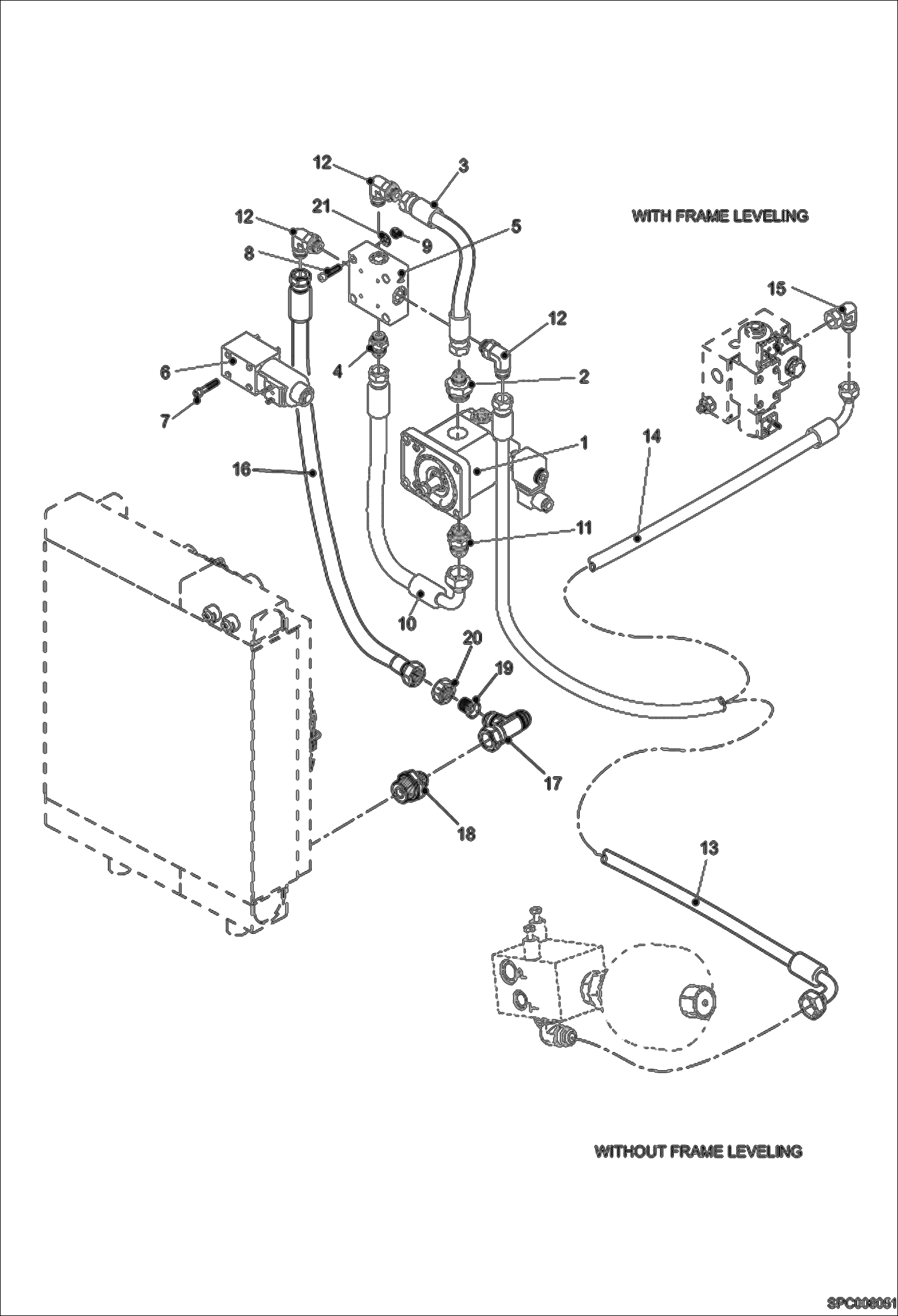
1 Артикул: 6916978, HYDRAULIC MOTOR See Illustration HYDRAULIC MOTOR/ SPC003177 1 speed - Was 6909448
2 Артикул: 100375-59Q, UNION 3/4 JIC 3/4 BSP
3 Артикул: 92995-0, HOSE
4 Артикул: 7229423, FITTING, HYD Was 100375-38S - A
5 Артикул: 98348-6, SUPPORT
6 Артикул: 98355-1, ELECTRODISTRIBUTOR W/Ref. 6-7
7 Артикул: 79160-8, SCREW
8 Артикул: 13669-7, SCREW
9 Артикул: 100345-06W, NUT
10 Артикул: 6911028, HOSE
11 Артикул: 100375-40U, UNION
12 Артикул: 7229301, FITTING, HYD ELBOW Was 010370-94B - B
13 Артикул: 65715-5, HOSE
14 Артикул: 94992-5, HOSE
15 Артикул: 008372-01B, ELBOW PIECE
16 Артикул: 96759-6, HOSE
17 Артикул: 008372-34M, UNION
18 Артикул: 68609-7, UNION 1.1/16 JIC 1 BSPP
19 Артикул: 100375-15S, ADAPTER 1.1/16 JIC 3/4 JIC (20-12)
20 Артикул: 100345-34C, NUT D20-1.1/16 JIC
21 Артикул: 01696-4, WASHER

СХЕМА ВЕНТИЛЯТОРА ОХЛАЖДЕНИЯ: Техника, которая работает на результат

СХЕМА ВЕНТИЛЯТОРА ОХЛАЖДЕНИЯ на телескопический погрузчик Bobcat V723 367812001 И ВЫШЕ, 368012001 И ВЫШЕ, 368112001 И ВЫШЕ – купить по доступной цене в интернет-магазине «Ремзона»

Габаритные размеры

Схема СХЕМА ВЕНТИЛЯТОРА ОХЛАЖДЕНИЯ

Документация

Документация временно недоступна.