+7 (701) 588 50 05 Телефон для связи
RU

WhatsApp

Позвонить

СИДЕНЬЕ КРОНШТЕЙН KIT ДЛЯ УСТАНОВКИ СИДЕНИЯ С ГИДРАВЛИЧЕСКОЙ ПОДВЕСКОЙ — Продажа в Казахстане Цены от официального дилера с доставкой в Алматы, Астану и регионы

Техника доступна в:
Полный спектр услуг:
Для Вашего удобства:
Характеристики и описание
Габариты, схема
Техническая документация
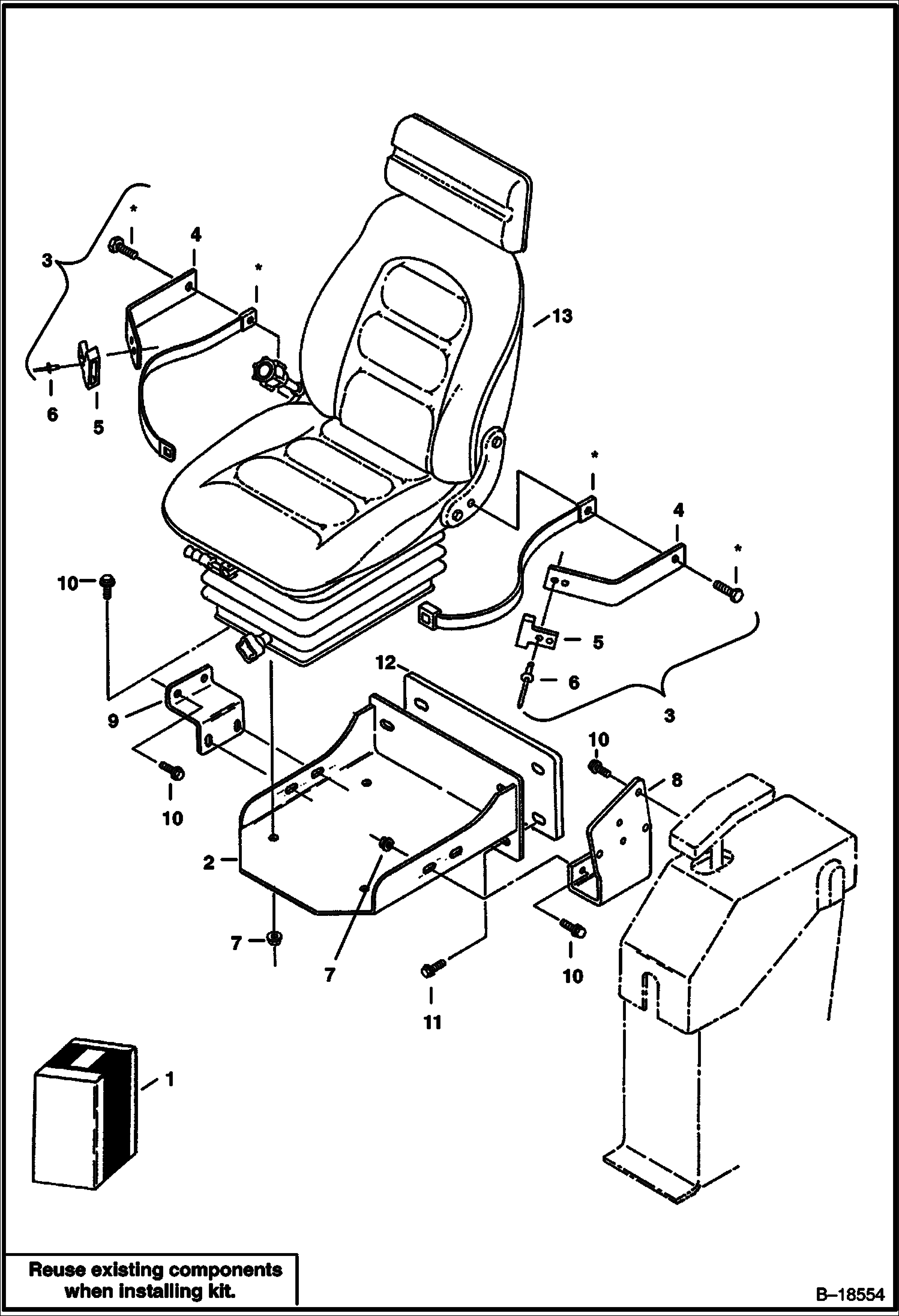
1 Артикул: 6587039, KIT Seat Mounting - W/Ref. 2 -12
2 Артикул: 6538710, MOUNT
3 Артикул: GUIDE, GUIDE ASSY. NLA - Seat Belt - W/Ref. 4-6 - Order 6539095, (2) 6630207 & (2) 6565355 - Was 6539096 - A
4 Артикул: GUIDE, GUIDE NSS - Was 6539095
5 Артикул: GUIDE, GUIDE NLA - Order 6703703 - Was 6565355
6 Артикул: 6630207, RIVET 5
7 Артикул: 42DM8, NUT
8 Артикул: 6538739, BRACKET
9 Артикул: 6539826, BRACKET
10 Артикул: 29CM816, SCREW
11 Артикул: 29CM1030, BOLT
12 Артикул: 6587155, INSULATION
13 Артикул: SEAT, SEAT See Illustration SEAT/ B18552 - NLA - Complete - cloth covered - not supplied with kit - order separately - order 6685657, redrill mounting holes as required - Was 6672519 - A
14 Артикул: 6660414, SEAT See Illustration SEAT/ B18552 complete - vinyl covered - not supplied with kit - order separately

СИДЕНЬЕ КРОНШТЕЙН KIT ДЛЯ УСТАНОВКИ СИДЕНИЯ С ГИДРАВЛИЧЕСКОЙ ПОДВЕСКОЙ: Техника, которая работает на результат

СИДЕНЬЕ КРОНШТЕЙН KIT ДЛЯ УСТАНОВКИ СИДЕНИЯ С ГИДРАВЛИЧЕСКОЙ ПОДВЕСКОЙ на мини-экскаватор Bobcat 225 508312001 И ВЫШЕ

Габаритные размеры

Габаритные размеры и схема СИДЕНЬЕ КРОНШТЕЙН KIT ДЛЯ УСТАНОВКИ СИДЕНИЯ С ГИДРАВЛИЧЕСКОЙ ПОДВЕСКОЙ

Нажмите на схему для увеличения

Документация

Документация временно недоступна.

Похожая техника в категории: АКСЕСCУАРЫ И ОПЦИИ (Bobcat)

Спецтехника КОМПЛЕКТ ИНСТРУМЕНТОВ ДЛЯ МАСЛЯНОГО РАДИАТОРА

КОМПЛЕКТ ИНСТРУМЕНТОВ ДЛЯ МАСЛЯНОГО РАДИАТОРА

1Артикул: 653956...
2Артикул: 1EM80,...
3Артикул: 666007...
Подробнее >
Спецтехника СХЕМА ГИДРАВЛИЧЕСКОЙ СИСТЕМЫ ИЗ КЛАПАНА В ГИДРОМОТОР ПОВОРОТА ПЛАТФОРМЫ В КАМЕРУ ОХЛАЖДЕНИЯ ДЛЯ ЭКСКАВАТОРОВ, ПРОДАЮЩИХСЯ НА СКАНДИНАВСКИХ СТРАНАХ

СХЕМА ГИДРАВЛИЧЕСКОЙ СИСТЕМЫ ИЗ КЛАПАНА В ГИДРОМОТОР ПОВОРОТА ПЛАТФОРМЫ В КАМЕРУ ОХЛАЖДЕНИЯ ДЛЯ ЭКСКАВАТОРОВ, ПРОДАЮЩИХСЯ НА СКАНДИНАВСКИХ СТРАНАХ

1Артикул: 665615...
2Артикул: 651919...
3Артикул: 79K10,...
Подробнее >
Спецтехника ГУСЕНИЦЫ (ИЗ СТАЛИ)

ГУСЕНИЦЫ (ИЗ СТАЛИ)

1Артикул: 653557...
2Артикул: 653567...
3Артикул: 680510...
Подробнее >
Спецтехника СТЕКЛООМЫВАТЕЛЬ, ОСВЕЩЕНИЕ ДВИГАТЕЛЯ И ЗАЩИТНАЯ РЕШЕТКА ОГРАЖДЕНИЯ ВЕНТИЛЯТОРА ДЛЯ ЭКСКАВАТОРОВ, ПРОДАЮЩИХСЯ НА СКАНДИНАВСКИХ СТРАНАХ

СТЕКЛООМЫВАТЕЛЬ, ОСВЕЩЕНИЕ ДВИГАТЕЛЯ И ЗАЩИТНАЯ РЕШЕТКА ОГРАЖДЕНИЯ ВЕНТИЛЯТОРА ДЛЯ ЭКСКАВАТОРОВ, ПРОДАЮЩИХСЯ НА СКАНДИНАВСКИХ СТРАНАХ

1Артикул: 665887...
2Артикул: 653871...
3Артикул: 1CM616...
Подробнее >
Спецтехника КРУПНОГАБАРИТНЫЕ ПРЕДМЕТЫ СМ. В ПРИМЕЧАНИИ

КРУПНОГАБАРИТНЫЕ ПРЕДМЕТЫ СМ. В ПРИМЕЧАНИИ

1Артикул: 690222...
2Артикул: 730584...
3Артикул: 725169...
Подробнее >
Спецтехника КОМПЛЕКТ ГУСЕНИЦ (ИЗ СТАЛИ) (ЗАМЕНА РЕЗИНОВОЙ НАКЛАДКИ ГУСЕНИЧНОГО ЗВЕНА НА СТАЛЬНУЮ (КРОМЕ РЕЗИНОВЫХ ГУСЕНИЦ 6663906)

КОМПЛЕКТ ГУСЕНИЦ (ИЗ СТАЛИ) (ЗАМЕНА РЕЗИНОВОЙ НАКЛАДКИ ГУСЕНИЧНОГО ЗВЕНА НА СТАЛЬНУЮ (КРОМЕ РЕЗИНОВЫХ ГУСЕНИЦ 6663906)

1Артикул: 658734...
2Артикул: 658730...
3Артикул: 653423...
Подробнее >
Спецтехника СХЕМА ГИДРАВЛИЧЕСКОЙ СИСТЕМЫ РУКОЯТЬ И СТРЕЛА ДЛЯ ЭКСКАВАТОРОВ, ПРОДАЮЩИХСЯ НА СКАНДИНАВСКИХ СТРАНАХ

СХЕМА ГИДРАВЛИЧЕСКОЙ СИСТЕМЫ РУКОЯТЬ И СТРЕЛА ДЛЯ ЭКСКАВАТОРОВ, ПРОДАЮЩИХСЯ НА СКАНДИНАВСКИХ СТРАНАХ

1Артикул: 665615...
2Артикул: 15K6, ...
3Артикул: 79K8, ...
Подробнее >
Спецтехника СИДЕНЬЕ ДЛЯ ЭКСКАВАТОРОВ, ПРОДАЮЩИХСЯ НА СКАНДИНАВСКИХ СТРАНАХ

СИДЕНЬЕ ДЛЯ ЭКСКАВАТОРОВ, ПРОДАЮЩИХСЯ НА СКАНДИНАВСКИХ СТРАНАХ

1Артикул: 665885...
2Артикул: 665940...
3Артикул: 665940...
Подробнее >
Спецтехника КОМПЛЕКТ ОСВЕТИТЕЛЬНОГО ОБОРУДОВАНИЯ КРЫШИ НАД СИДЕНЬЕМ ВОДИТЕЛЯ

КОМПЛЕКТ ОСВЕТИТЕЛЬНОГО ОБОРУДОВАНИЯ КРЫШИ НАД СИДЕНЬЕМ ВОДИТЕЛЯ

1Артикул: 658784...
2Артикул: 651346...
3Артикул: 653204...
Подробнее >
Спецтехника КОМПЛЕКТ ВСПОМОГАТЕЛЬНЫХ РАЗГРУЗОЧНЫХ КАНАЛОВ

КОМПЛЕКТ ВСПОМОГАТЕЛЬНЫХ РАЗГРУЗОЧНЫХ КАНАЛОВ

1Артикул: 680412...
2Артикул: 667196...
3Артикул: ADAPTE...
Подробнее >
Спецтехника СИДЕНЬЕ И КРОНШТЕЙН ДЛЯ ЭКСКАВАТОРОВ, ПРОДАЮЩИХСЯ НА СКАНДИНАВСКИХ СТРАНАХ

СИДЕНЬЕ И КРОНШТЕЙН ДЛЯ ЭКСКАВАТОРОВ, ПРОДАЮЩИХСЯ НА СКАНДИНАВСКИХ СТРАНАХ

1Артикул: SEAT, ...
2Артикул: 653871...
3Артикул: GUIDE,...
Подробнее >
Спецтехника КОМПЛЕКТ ПОДОГРЕВАТЕЛЯ БАКА 120 B

КОМПЛЕКТ ПОДОГРЕВАТЕЛЯ БАКА 120 B

1Артикул: 672257...
2Артикул: 666032...
3Артикул: 664848...
Подробнее >