+7 (701) 588 50 05 Телефон для связи
RU

WhatsApp

Позвонить

СИГНАЛ (ОПЦИЯ) — Продажа в Казахстане Цены от официального дилера с доставкой в Алматы, Астану и регионы

Техника доступна в:
Полный спектр услуг:
Для Вашего удобства:
Характеристики и описание
Габариты, схема
Техническая документация
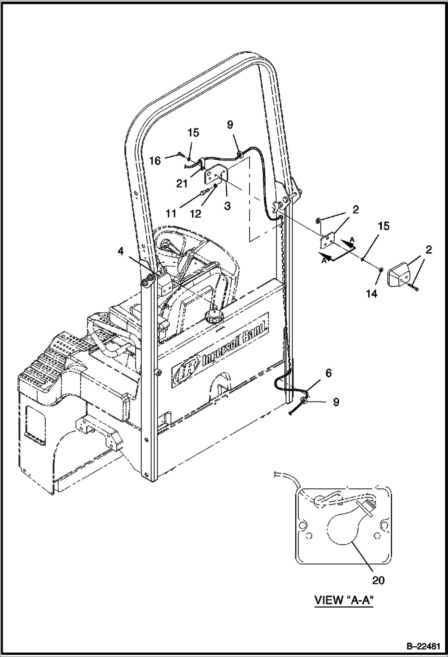
1 Артикул: IR13929328, LAMP rear
2 Артикул: IR13250550, BRACKET RH Light
3 Артикул: IR13250568, BRACKET LH Light
4 Артикул: IR13282603, HARNESS turn/brake/marker
5 Артикул: IR59704403, GROMMET
6 Артикул: IR96702659, BOLT
7 Артикул: IR96712898, WASHER Was IR96741038 - A
8 Артикул: IR96743653, SCREW
9 Артикул: IR13250386, LIGHT BULB
10 Артикул: IR59371922, CLAMP

СИГНАЛ (ОПЦИЯ): Техника, которая работает на результат

АВАРИЙНАЯ СИСТЕМА /СИГНАЛ (ОПЦИЯ) на тандемный каток Bobcat BCA24 491911050 - 491911098

Габаритные размеры

Габаритные размеры и схема СИГНАЛ (ОПЦИЯ)

Нажмите на схему для увеличения

Документация

Документация временно недоступна.