+7 (701) 588 50 05 Телефон для связи
RU

WhatsApp

Позвонить

СИГНАЛ ЗАДНЕГО ХОДА — Продажа в Казахстане Цены от официального дилера с доставкой в Алматы, Астану и регионы

Техника доступна в:
Полный спектр услуг:
Для Вашего удобства:
Характеристики и описание
Габариты, схема
Техническая документация
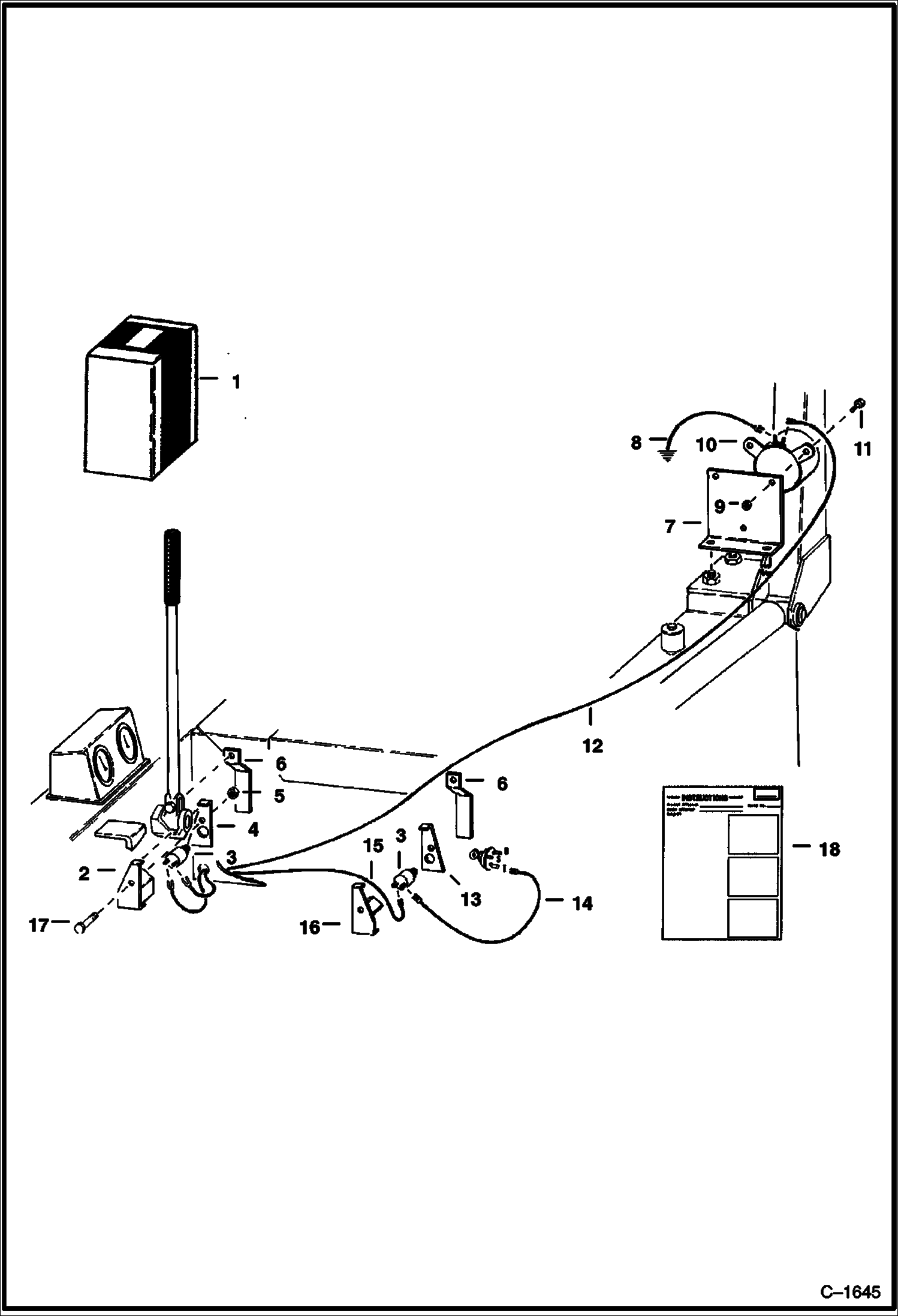
1 Артикул: 6548657, KIT back-up alarm - Ref. 2 - 18
2 Артикул: 6541995, GUARD
3 Артикул: 6632973, SWITCH Was 600259B - A
4 Артикул: 6541991, SUPPORT
5 Артикул: 85D4, NUT 5 Was 42D000004B - A
6 Артикул: 6541950, ACTUATOR
7 Артикул: 6542213, BRACKET
8 Артикул: WIRE, WIRE NLA
9 Артикул: 61D5, NUT
10 Артикул: 6640795, ALARM Was 6519359 - A
11 Артикул: 17C512, BOLT 5
12 Артикул: WIRE, WIRE NLA
13 Артикул: 6541993, SUPPORT
14 Артикул: WIRE, WIRE NLA
15 Артикул: WIRE, WIRE NLA
16 Артикул: 6541996, GUARD
17 Артикул: 17C448, BOLT
18 Артикул: 6545962, INSTRUCTIONS

СИГНАЛ ЗАДНЕГО ХОДА: Техника, которая работает на результат

СИГНАЛ ЗАДНЕГО ХОДА на Bobcat 600s Bobcat 611 4960MA11001 И ВЫШЕ, 4967MA11001 И ВЫШЕ

Габаритные размеры

Габаритные размеры и схема СИГНАЛ ЗАДНЕГО ХОДА

Нажмите на схему для увеличения

Документация

Документация временно недоступна.

Похожая техника в категории: АКСЕСCУАРЫ И ОПЦИИ (Bobcat)

Спецтехника ШИНЫ И ДИСКИ

ШИНЫ И ДИСКИ

1Артикул: TIRE, ...
2Артикул: TIRE, ...
3Артикул: TIRE, ...
Подробнее >
Спецтехника КОМПЛЕКТ УПЛОТНЕНИЙ ОСИ

КОМПЛЕКТ УПЛОТНЕНИЙ ОСИ

1Артикул: 656344...
2Артикул: 651500...
3Артикул: 659848...
Подробнее >
Спецтехника ОТВОДНОЙ СЦЕПНОЙ ПРИБОР

ОТВОДНОЙ СЦЕПНОЙ ПРИБОР

1Артикул: 650505...
2Артикул: DRAWBA...
3Артикул: 61D10,...
Подробнее >
Спецтехника ЩЕТКА СТЕКЛООЧИСТИТЕЛЯ

ЩЕТКА СТЕКЛООЧИСТИТЕЛЯ

1Артикул: KIT, K...
2Артикул: 174455...
3Артикул: WIRE, ...
Подробнее >
Спецтехника НАКЛЕЙКИ

НАКЛЕЙКИ

1Артикул: KIT, K...
2Артикул: 656890...
3Артикул: 655741...
Подробнее >
Спецтехника СТРОБОСКОПЫ ЯНТАРНЫЙ - 3414ALW

СТРОБОСКОПЫ ЯНТАРНЫЙ - 3414ALW

1Артикул: KIT, K...
2Артикул: 669779...
3Артикул: AMBER,...
Подробнее >
Спецтехника ВСПОМОГАТЕЛЬНЫЕ ГИДРОЛИНИИ СМОНТИРОВАННЫЙ НА РАМЕ - 2 БЛОКА УПРАВЛЕНИЯ

ВСПОМОГАТЕЛЬНЫЕ ГИДРОЛИНИИ СМОНТИРОВАННЫЙ НА РАМЕ - 2 БЛОКА УПРАВЛЕНИЯ

1Артикул: BRACKE...
2Артикул: 17C628...
3Артикул: BUSHIN...
Подробнее >
Спецтехника СТРОБОСКОПЫ ЯНТАРНЫЙ - 2414ALW

СТРОБОСКОПЫ ЯНТАРНЫЙ - 2414ALW

1Артикул: KIT, K...
2Артикул: LENS, ...
3Артикул: LENS, ...
Подробнее >
Спецтехника КОМПЛЕКТ ВСПОМОГАТЕЛЬНОГО ГИДРАВЛИЧЕСКОГО РЕГУЛЯТОРА СМОНТИРОВАННЫЙ НА РАМЕ - БЛОК УПРАВЛЕНИЯ

КОМПЛЕКТ ВСПОМОГАТЕЛЬНОГО ГИДРАВЛИЧЕСКОГО РЕГУЛЯТОРА СМОНТИРОВАННЫЙ НА РАМЕ - БЛОК УПРАВЛЕНИЯ

1Артикул: KIT, K...
2Артикул: 10K6, ...
3Артикул: 650129...
Подробнее >
Спецтехника КОЛЕСНАЯ ЗАЩИТА

КОЛЕСНАЯ ЗАЩИТА

1Артикул: KIT, K...
2Артикул: 4E8, W...
3Артикул: PLATE,...
Подробнее >
Спецтехника ИСКРОГАСИТЕЛЬ

ИСКРОГАСИТЕЛЬ

1Артикул: 656083...
2Артикул: 710705...
3Артикул: DECAL,...
Подробнее >
Спецтехника ПРОЖЕКТОРЫ ПАНЕЛЬ ВЫКЛЮЧАТЕЛЕЙ СПРАВА

ПРОЖЕКТОРЫ ПАНЕЛЬ ВЫКЛЮЧАТЕЛЕЙ СПРАВА

1Артикул: 654869...
2Артикул: 17C616...
3Артикул: 4E6, W...
Подробнее >