+7 (701) 588 50 05 Телефон для связи
RU

WhatsApp

Позвонить

СИГНАЛ ЗАДНЕГО ХОДА — Продажа в Казахстане Цены от официального дилера с доставкой в Алматы, Астану и регионы

Техника доступна в:
Полный спектр услуг:
Для Вашего удобства:
Характеристики и описание
Габариты, схема
Техническая документация
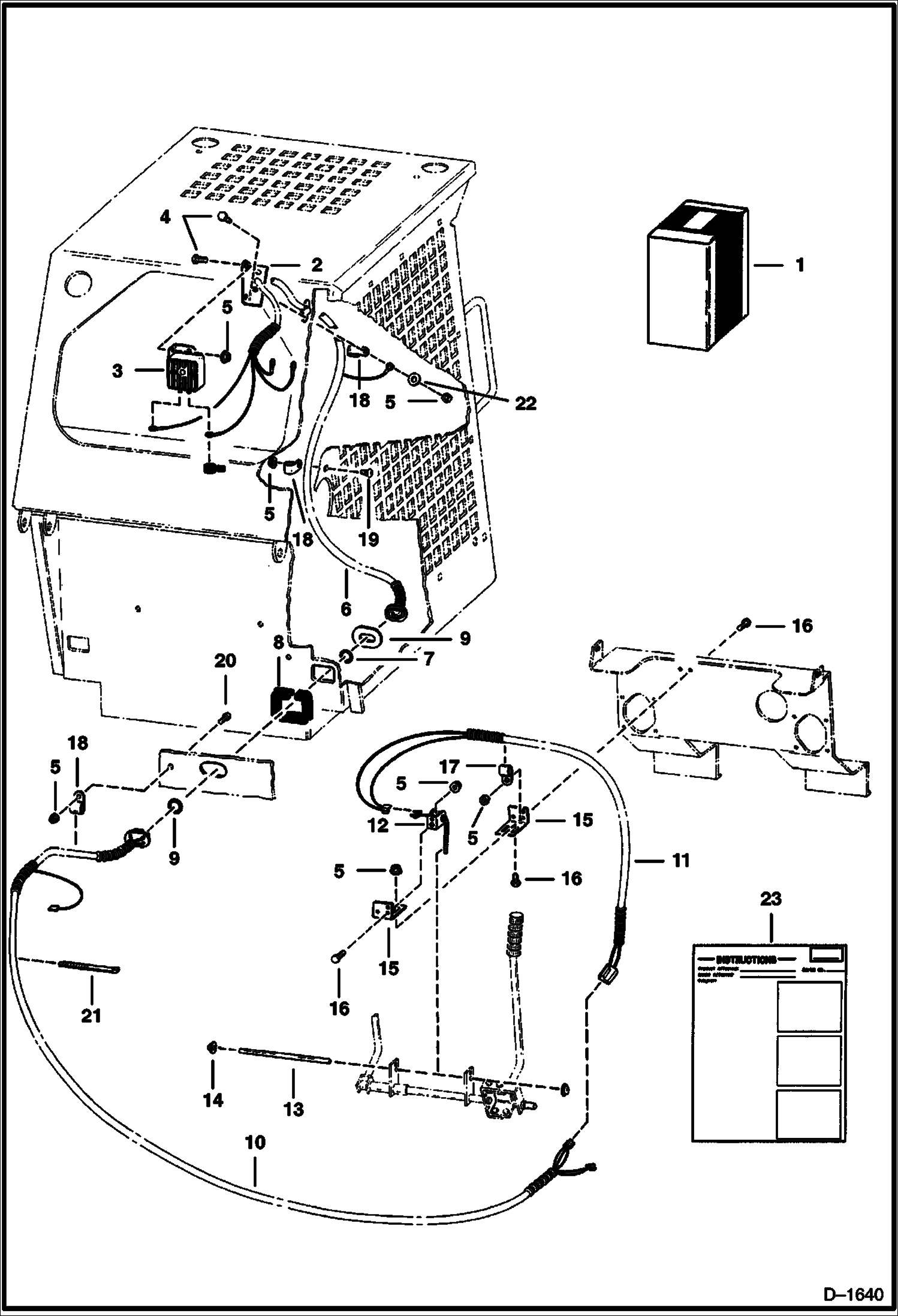
1 Артикул: 6565745, KIT Ref. 2-23
2 Артикул: 6565484, MOUNT
3 Артикул: 6651512, ALARM, BACK-UP Was 6599931 - A
4 Артикул: 6668879, DECAL
5 Артикул: 17C512, BOLT 5
6 Артикул: 57D5, NUT
7 Артикул: 6565485, HARNESS
8 Артикул: 6564590, FLANGE
9 Артикул: 6555351, SEAL bulk - sold per foot
10 Артикул: 25K40100, O RING 10
11 Артикул: 6565486, HARNESS
12 Артикул: 6565495, HARNESS
13 Артикул: 6579011, SWITCH lever
14 Артикул: 6564331, ROD
15 Артикул: 6598966, CAP
16 Артикул: 6564929, MOUNT
17 Артикул: 35C512, BOLT
18 Артикул: 30H19, CLIP
19 Артикул: 30H30, CLAMP
20 Артикул: 10C512, BOLT Was 6553808 - A
21 Артикул: 84G3116, SCREW
22 Артикул: 6610510, TIE Was 1715312B - A
23 Артикул: 25E15, WASHER
24 Артикул: 6566529, INSTRUCTIONS

СИГНАЛ ЗАДНЕГО ХОДА: Техника, которая работает на результат

СИГНАЛ ЗАДНЕГО ХОДА на Bobcat 400s Bobcat 440 503813001 И ВЫШЕ, 505214001 И ВЫШЕ

Габаритные размеры

Габаритные размеры и схема СИГНАЛ ЗАДНЕГО ХОДА

Нажмите на схему для увеличения

Документация

Документация временно недоступна.

Похожая техника в категории: АКСЕСCУАРЫ И ОПЦИИ (Bobcat)

Спецтехника КАСКА С ЗАЩИТОЙ ОТ ШУМА

КАСКА С ЗАЩИТОЙ ОТ ШУМА

1Артикул: 690239...
2Артикул: EARMUF...
3-
Подробнее >
Спецтехника КРУПНОГАБАРИТНЫЕ ПРЕДМЕТЫ (СМОТРИТЕ ПРИМЕЧАНИЕ)

КРУПНОГАБАРИТНЫЕ ПРЕДМЕТЫ (СМОТРИТЕ ПРИМЕЧАНИЕ)

1Артикул: 690222...
2Артикул: 730584...
3Артикул: 725169...
Подробнее >
Спецтехника ПОДЪЕМНЫЙ МЕХАНИЗМ КАБИНЫ (КОМПЛЕКТ ГАЗОВЫХ ПРУЖИН)

ПОДЪЕМНЫЙ МЕХАНИЗМ КАБИНЫ (КОМПЛЕКТ ГАЗОВЫХ ПРУЖИН)

1Артикул: 670716...
2Артикул: 83D5, ...
3Артикул: 670651...
Подробнее >
Спецтехника КОМПЛЕКТ УСТРОЙСТВ ОСВЕЩЕНИЯ

КОМПЛЕКТ УСТРОЙСТВ ОСВЕЩЕНИЯ

1Артикул: 659423...
2Артикул: 30H31,...
3Артикул: 655749...
Подробнее >
Спецтехника КОМПЛЕКТ УПЛОТНЕНИЙ ОСИ

КОМПЛЕКТ УПЛОТНЕНИЙ ОСИ

1Артикул: 659294...
2Артикул: 659882...
3Артикул: 659848...
Подробнее >
Спецтехника НАКЛЕЙКИ

НАКЛЕЙКИ

1Артикул: 653060...
2Артикул: 657775...
3Артикул: 656057...
Подробнее >
Спецтехника КОМПЛЕКТ КЛАКСОНОВ (ВНУТРЕННИЙ И ЕВРОПЕЙСКИЙ)

КОМПЛЕКТ КЛАКСОНОВ (ВНУТРЕННИЙ И ЕВРОПЕЙСКИЙ)

1Артикул: 670394...
2Артикул: 663349...
3Артикул: 666029...
Подробнее >
Спецтехника КОМПЛЕКТ ОПОРЫ СИДЕНЬЯ (НАЖИМНАЯ ПРУЖИНА)

КОМПЛЕКТ ОПОРЫ СИДЕНЬЯ (НАЖИМНАЯ ПРУЖИНА)

1Артикул: 671385...
2Артикул: SEAT, ...
3Артикул: 671388...
Подробнее >
Спецтехника КОРПУС КАБИНЫ (СПЕЦИАЛЬНОГО НАЗНАЧЕНИЯ)

КОРПУС КАБИНЫ (СПЕЦИАЛЬНОГО НАЗНАЧЕНИЯ)

1Артикул: KIT, K...
2Артикул: 85D6, ...
3Артикул: 25E18,...
Подробнее >
Спецтехника ОГНЕТУШИТЕЛЬ

ОГНЕТУШИТЕЛЬ

1Артикул: KIT, K...
2Артикул: EXTING...
3Артикул: 45G100...
Подробнее >
Спецтехника СИДЕНЬЕ С ПОДВЕСКОЙ (МИЧИГАН)

СИДЕНЬЕ С ПОДВЕСКОЙ (МИЧИГАН)

1Артикул: 667401...
2Артикул: 667271...
3Артикул: 667273...
Подробнее >
Спецтехника КОМПЛЕКТ ВЫДВИЖНЫХ УСТРОЙСТВ (ОПЦИЯ)

КОМПЛЕКТ ВЫДВИЖНЫХ УСТРОЙСТВ (ОПЦИЯ)

1Артикул: 681671...
2Артикул: 799119...
3Артикул: 653127...
Подробнее >