СИСТЕМА ПОДАЧИ ТОПЛИВА (ПЛАСТИКОВЫЙ БАК) — Продажа в Казахстане Цены от официального дилера с доставкой в Алматы, Астану и регионы
×
❮
❯
Характеристики и описание
Габариты, схема
Техническая документация
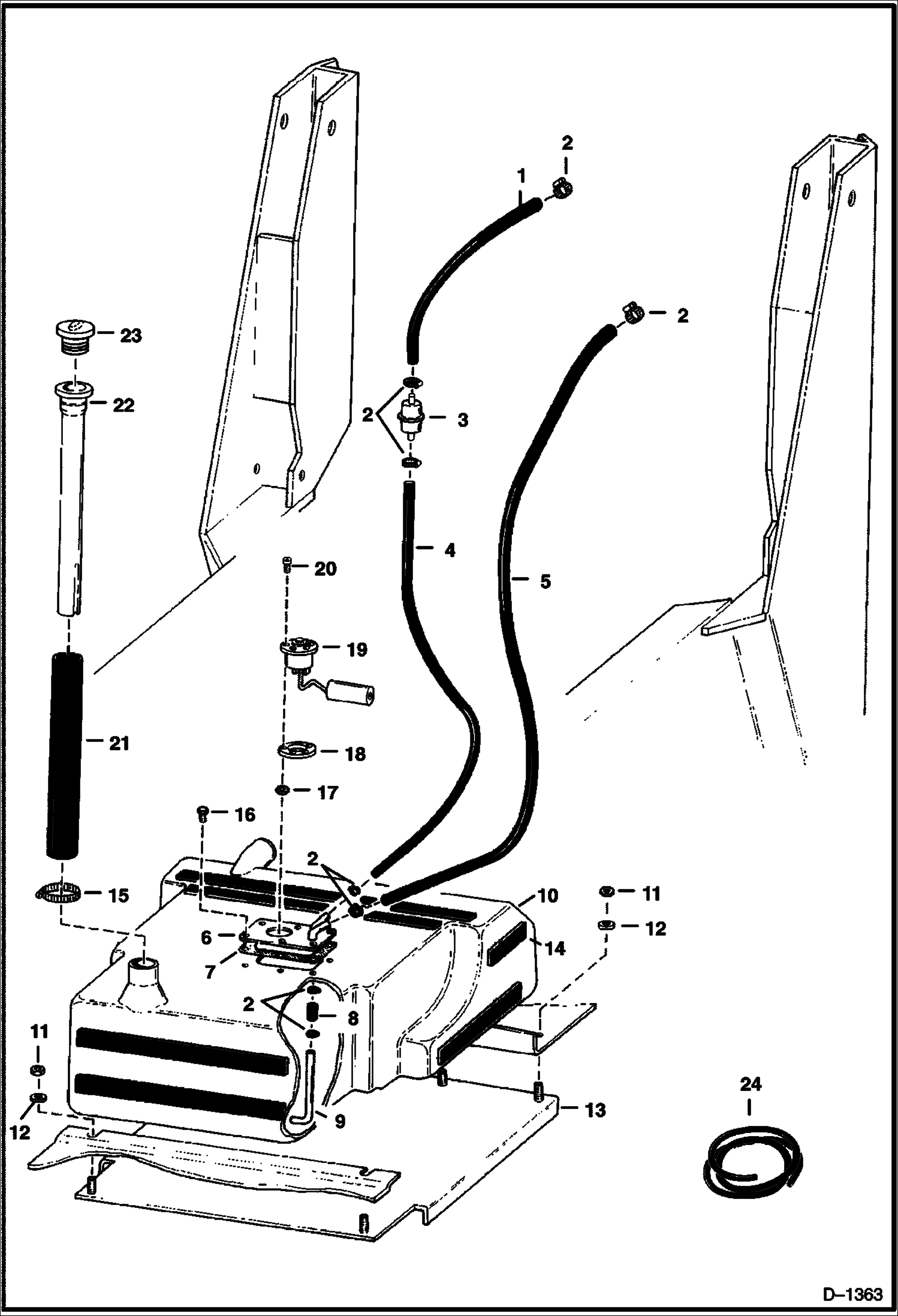
| 1 | Артикул: HOSE, HOSE NLA - 86 in. (2184,4 mm) long - Order Ref. 24 - Was 6547638 - A |
| 2 | Артикул: 42HS04, CLAMP, HOSE Was 6515575 - A |
| 3 | Артикул: 6511393, FILTER |
| 4 | Артикул: 6552638, HOSE |
| 5 | Артикул: 6552639, HOSE |
| 6 | Артикул: 6555866, COVER |
| 7 | Артикул: 6552605, GASKET |
| 8 | Артикул: HOSE, HOSE NLA - Was 6543387 - A |
| 9 | Артикул: TUBE, TUBE NLA - Was 6591457 - A |
| 10 | Артикул: 6555986, TANK KIT - includes Ref. 7, Ref. 14, 6515213 rivet (2), 6555718 tank & 6556082 instructions |
| 11 | Артикул: 61D8, NUT 5 |
| 12 | Артикул: 25E21, WASHER 5 |
| 13 | Артикул: 6552607, PLATE |
| 14 | Артикул: 6554387, STRIP 6 ft. Roll |
| 15 | Артикул: 42H32, HS CLAMP5 |
| 16 | Артикул: 14G1012, CAPSCREW |
| 17 | Артикул: 50D10, LOCKNUT |
| 18 | Артикул: 6519201, GASKET |
| 19 | Артикул: 5204933, SENDERKIT fuel level |
| 20 | Артикул: 85G1008, SCREW |
| 21 | Артикул: 6555743, HOSE |
| 22 | Артикул: 6555774, TUBE |
| 23 | Артикул: 6661114, CAP, DIESEL 1 PSI green - Was 6632468 - A |
| 24 | Артикул: CAP, CAP NLA - locking - W/Key - Code GC020 - Was 6654373 - A |
| 25 | Артикул: 6661696, CAP, FUEL LOCKING locking - W/Key - Code PK510 |
| 26 | Артикул: 6654374, KEY Code GC020 |
| 27 | Артикул: 6587458, KEY Code PK510 |
| 28 | Артикул: 6577821, HOSE sold per foot |
СИСТЕМА ПОДАЧИ ТОПЛИВА (ПЛАСТИКОВЫЙ БАК): Техника, которая работает на результат
СИСТЕМА ПОДАЧИ ТОПЛИВА (ПЛАСТИКОВЫЙ БАК) на Bobcat 700s Bobcat 721 4966MA11001 И ВЫШЕГабаритные размеры
Нажмите на схему для увеличения
Документация
Документация временно недоступна.
Похожая техника в категории: РАМА (Bobcat)
СИДЕНИЕ
1Артикул: 656314...
2Артикул: 663046...
3Артикул: 663046...
Подробнее >
КАБИНА ОПЕРАТОРА
1Артикул: 81D6, ...
2Артикул: 25E17,...
3Артикул: 655579...
Подробнее >
ПОДЪЕМНАЯ РУКОЯТЬ И BOB-TACH
1Артикул: 36H25,...
2Артикул: 59D6, ...
3Артикул: 17C640...
Подробнее >
BOB-TACH
1Артикул: BOB-TA...
2Артикул: 654858...
3Артикул: 7D8, N...
Подробнее >
СИСТЕМА ПОДАЧИ ТОПЛИВА (МЕТАЛЛИЧЕСКИЙ БАК)
1Артикул: 651562...
2Артикул: FILLER...
3Артикул: 651455...
Подробнее >
ЗАДНЯЯ ДВЕРЬ
1Артикул: 654418...
2Артикул: DOOR, ...
3Артикул: 654424...
Подробнее >