+7 (701) 588 50 05 Телефон для связи
RU

WhatsApp

Позвонить

СИСТЕМА ТРУБОПРОВОДА КАРДАННОГО ВАЛА — Продажа в Казахстане Цены от официального дилера с доставкой в Алматы, Астану и регионы

Техника доступна в:
Полный спектр услуг:
Для Вашего удобства:
Характеристики и описание
Габариты, схема
Техническая документация
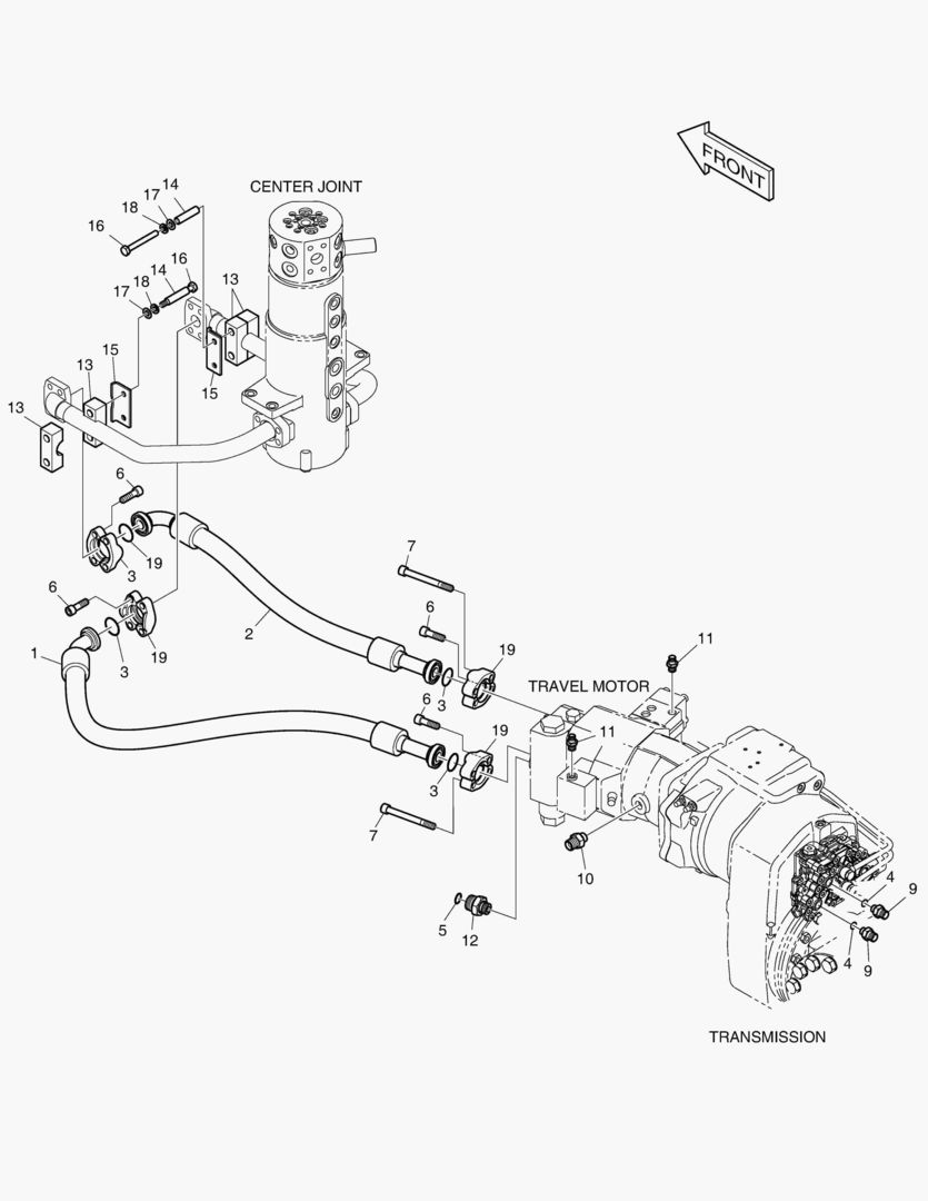
1 Артикул: 400-01473E, PROPELLING PIPING
2 Артикул: 420212-05548, PIPING,UNDERCARRIAGE
3 Артикул: DS2040430, HOSE
4 Артикул: DS20401010, HOSE ASSY,HYDRAULIC
5 Артикул: DS2039088, HOSE 840L
6 Артикул: 2184-1098D35, HOSE
7 Артикул: 2180-1026D19, O-RING
8 Артикул: DS2856003, O-RING
9 Артикул: S8000141, O-RING
10 Артикул: DS2851075, O-RING
11 Артикул: S8030121, O-RING
12 Артикул: S2215466, BOLT;SOCKET M12X1.75X40
13 Артикул: S2216766, BOLT,SOCKET
14 Артикул: 2181-1126D56, ADAPTER
15 Артикул: DS2479001, ADAPTER
16 Артикул: DS2479002, ADAPTER
17 Артикул: DS2495001, ADAPTER
18 Артикул: 124-00285, CLAMP;RUBBER
19 Артикул: K1002091, SPACER
20 Артикул: K1002092, PLATE
21 Артикул: S0559266, BOLT
22 Артикул: S5010613, WASHER
23 Артикул: S5102603, WASHER
24 Артикул: 2181-9081, FLANGE

СИСТЕМА ТРУБОПРОВОДА КАРДАННОГО ВАЛА: Техника, которая работает на результат

СИСТЕМА ТРУБОПРОВОДА КАРДАННОГО ВАЛА на Doosan Экскаваторы DX140W / DX160W TIER-III

Габаритные размеры

Габаритные размеры и схема СИСТЕМА ТРУБОПРОВОДА КАРДАННОГО ВАЛА

Нажмите на схему для увеличения

Документация

Документация временно недоступна.

Похожая техника в категории: СИЛОВОЙ АГРЕГАТ (Develon)

Спецтехника РАМКА ШАССИ

РАМКА ШАССИ

1Артикул: K10177...
2Артикул: 603-00...
3Артикул: 603-00...
Подробнее >
Спецтехника СИЛОВОЙ АГРЕГАТ - ВАЛ

СИЛОВОЙ АГРЕГАТ - ВАЛ

1Артикул: K10269...
2Артикул: 200-00...
3Артикул: 130809...
Подробнее >
Спецтехника СИСТЕМА ТРУБОПРОВОДА КАРДАННОГО ВАЛА - ПОВОРОТНОЕ СОЕДИНЕНИЕ

СИСТЕМА ТРУБОПРОВОДА КАРДАННОГО ВАЛА - ПОВОРОТНОЕ СОЕДИНЕНИЕ

1Артикул: 400-01...
2Артикул: 420212...
3Артикул: 140-01...
Подробнее >
Спецтехника 2170 BRAKE PIPING [5001~11226]

2170 BRAKE PIPING [5001~11226]

1Артикул: K10136...
2Артикул: 420212...
3Артикул: 621-02...
Подробнее >
Спецтехника 2171 BRAKE PIPING [11227~]

2171 BRAKE PIPING [11227~]

1Артикул: 420212...
2Артикул: 110508...
3Артикул: 110508...
Подробнее >
Спецтехника КОМПОНЕНТЫ ШАССИ(2)

КОМПОНЕНТЫ ШАССИ(2)

1Артикул: 230-00...
2Артикул: 230-00...
3Артикул: 625-00...
Подробнее >
Спецтехника ГИДРОСИСТЕМА ОТВАЛА

ГИДРОСИСТЕМА ОТВАЛА

1Артикул: 400-01...
2Артикул: 420212...
3Артикул: S80001...
Подробнее >
Спецтехника КОМПОНЕНТЫ ШАССИ(1)

КОМПОНЕНТЫ ШАССИ(1)

1Артикул: 230-00...
2Артикул: 160611...
3Артикул: 109-00...
Подробнее >
Спецтехника СИЛОВОЙ АГРЕГАТ - ОСЬ

СИЛОВОЙ АГРЕГАТ - ОСЬ

1Артикул: 200-00...
2Артикул: 130809...
3Артикул: 211-00...
Подробнее >
Спецтехника КАРКАС

КАРКАС

1Артикул: K10173...
2Артикул: 195-02...
3Артикул: S05651...
Подробнее >
Спецтехника 2180 STEER & CHOCKING PIPING

2180 STEER & CHOCKING PIPING

1Артикул: 400-01...
2Артикул: 2423-9...
3Артикул: 410116...
Подробнее >
Спецтехника СИЛОВОЙ АГРЕГАТ - ШИНА

СИЛОВОЙ АГРЕГАТ - ШИНА

1Артикул: 200-00...
2Артикул: 900141...
3Артикул: 276-00...
Подробнее >