+7 (701) 588 50 05 Телефон для связи
RU

WhatsApp

Позвонить

СИСТЕМА ВОДЯНОГО ОХЛАЖДЕНИЯ — Продажа в Казахстане Цены от официального дилера с доставкой в Алматы, Астану и регионы

Техника доступна в:
Полный спектр услуг:
Для Вашего удобства:
Характеристики и описание
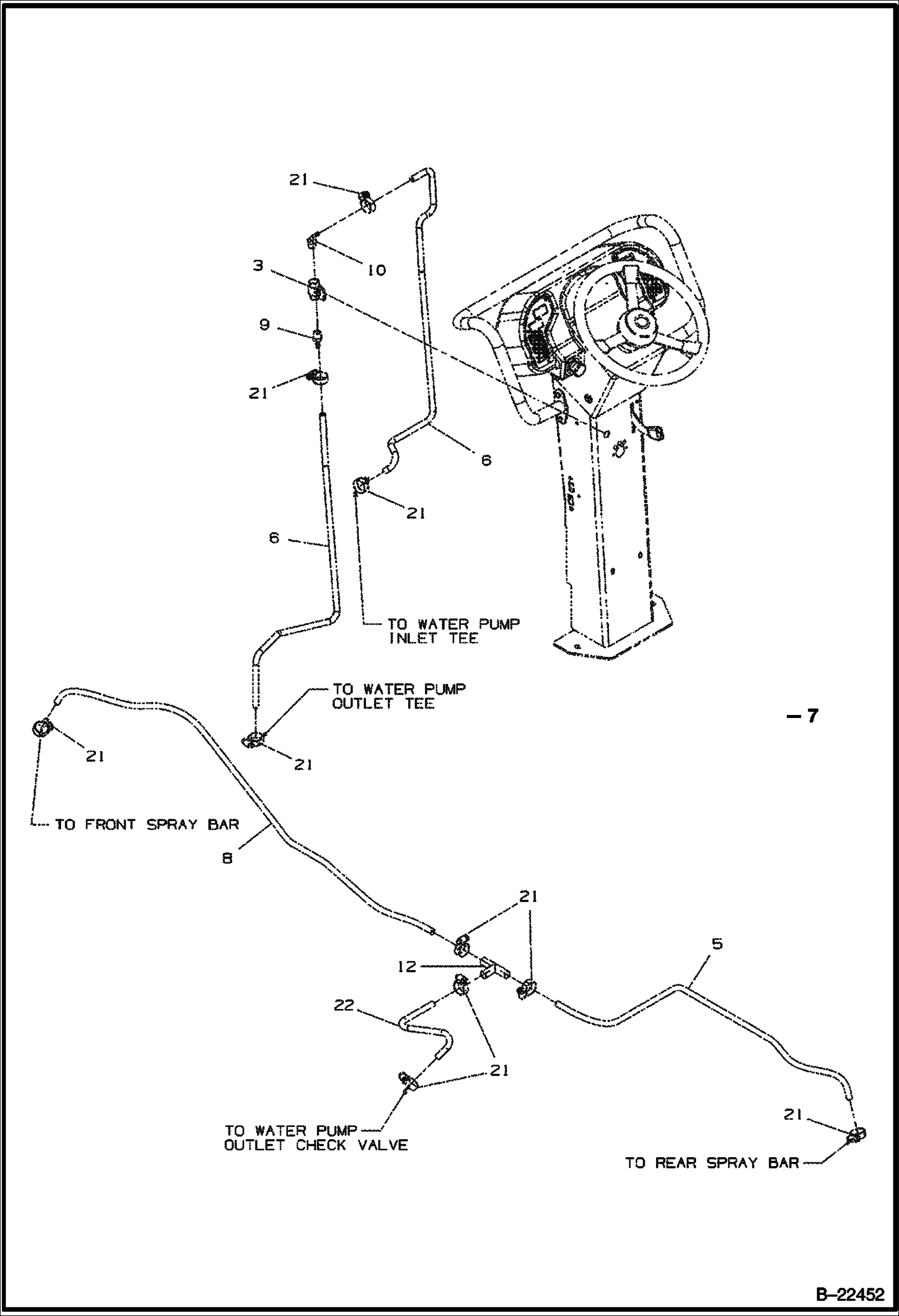
Габариты, схема
Техническая документация
1 Артикул: IR58825498, BALL VALVE
2 Артикул: IR59642520, HOSE 51.0--
3 Артикул: IR59162115, HOSE 56.0--
4 Артикул: IR58754144, HOSE 30.0--
5 Артикул: IR59827691, HOSE 60.0--
6 Артикул: IR59579607, HOSE
7 Артикул: IR59118240, Elbow male
8 Артикул: IR59658377, TEE
9 Артикул: IR59363259, HOSE CLAMP
10 Артикул: IR59318204, HOSE ASSY

СИСТЕМА ВОДЯНОГО ОХЛАЖДЕНИЯ: Техника, которая работает на результат

СИСТЕМА ВОДЯНОГО ОХЛАЖДЕНИЯ на тандемный каток Bobcat BCA24 491911050 - 491911098

Габаритные размеры

Габаритные размеры и схема СИСТЕМА ВОДЯНОГО ОХЛАЖДЕНИЯ

Нажмите на схему для увеличения

Документация

Документация временно недоступна.

Похожая техника в категории: ТАНДЕМНЫЙ КАТОК (Bobcat)