+7 (701) 588 50 05 Телефон для связи
RU

WhatsApp

Позвонить

СИСТЕМА ЗАЖИГАНИЯ в Алматы

Техника доступна в:
Полный спектр услуг:
Сервис
Офисы продаж
Гарантия
Для Вашего удобства:
Запчасти
Доставка
Характеристики и описание
Габариты, схема
Техническая документация
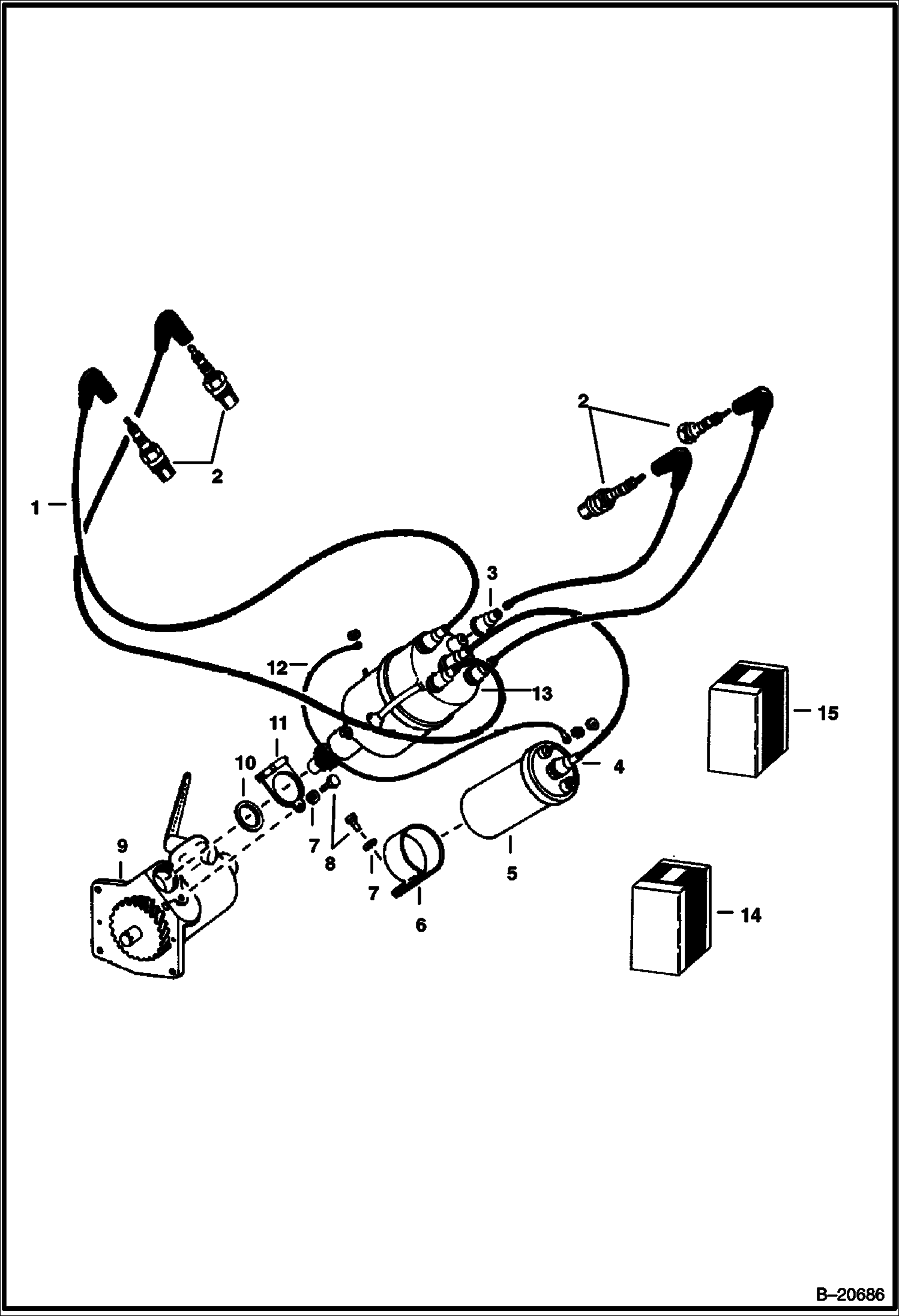
1 Артикул: CABLE, CABLE SET NLA - Was 6513162 - A
2 Артикул: 890272, SPARK PLUG-4 Was 6516429 - A
3 Артикул: 6516552, CAP
4 Артикул: 6516549, CAP
5 Артикул: COIL, COIL See Illustration ENGINE ELECTRICAL SYSTEM/ B20674 NLA - Was 6513415 - A
6 Артикул: 887408, IGN COIL See Illustration ENGINE ELECTRICAL SYSTEM/ E1264
7 Артикул: 6513164, BRACKET
8 Артикул: 4E4, WASHER
9 Артикул: 17C410, BOLT 10
10 Артикул: 6513165, GOVERNOR See Illustration GOVERNOR CONTROL/ B2926 See Illustration GOVERNOR CONTROL ASSEMBLY/ B20685
11 Артикул: 6516560, O-RING
12 Артикул: 6516556, ARM
13 Артикул: 6516553, WIRE
14 Артикул: 6665209, DISTRIBUTOR See Illustration DISTRIBUTOR/ B20687 See Illustration DISTRIBUTOR/ B10217 - Was 6513161 - A
15 Артикул: 6558833, KIT ignition - Spark plugs, rotor, condensor & points - Prestolite distributor only
16 Артикул: 6558834, KIT ignition - Cable set, rubber caps & distributor cap - Prestolite distributor only

СИСТЕМА ЗАЖИГАНИЯ: Техника, которая работает на результат

СИСТЕМА ЗАЖИГАНИЯ на Bobcat 600s Bobcat 630 499511001 И ВЫШЕ – купить по доступной цене в интернет-магазине «Ремзона»

Габаритные размеры

Схема СИСТЕМА ЗАЖИГАНИЯ

Документация

Документация временно недоступна.