+7 (701) 588 50 05 Телефон для связи
RU

WhatsApp

Позвонить

СТАНИНА НОЖЕЙ И КРЕПЕЖНЫЕ ДЕТАЛИ — Продажа в Казахстане Цены от официального дилера с доставкой в Алматы, Астану и регионы

Техника доступна в:
Полный спектр услуг:
Для Вашего удобства:
Характеристики и описание
Габариты, схема
Техническая документация
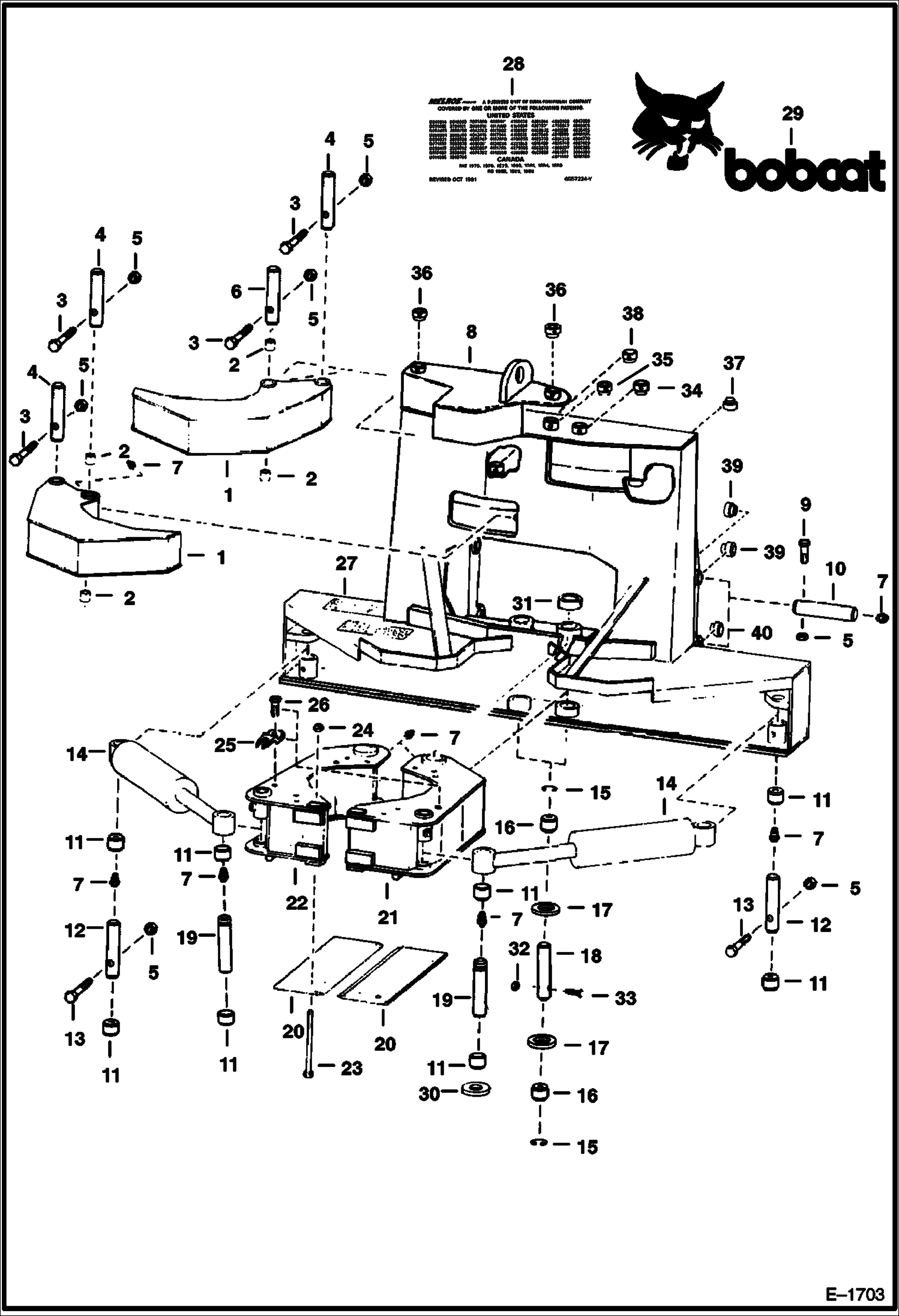
1 Артикул: 6568067, GRAB ARM
2 Артикул: 6630591, BUSHING
3 Артикул: 17C640, BOLT
4 Артикул: 6568040, PIN
5 Артикул: 85D6, NUT, 5
6 Артикул: 6568038, PIN
7 Артикул: 10H25, FITTING, GREASE 5
8 Артикул: 6568245, MAIN FRAME
9 Артикул: 17C652, BOLT
10 Артикул: PIN, PIN NLA - Was 6577386 - A
11 Артикул: 6630590, BUSHING
12 Артикул: 6577343, PIN Was 6569156 - A
13 Артикул: 17C648, BOLT 5
14 Артикул: 6593095, CYLINDER See Illustration SHEAR CYLINDER/ B8990
15 Артикул: 661312, RETAINER
16 Артикул: 6630589, BUSHING
17 Артикул: 6568021, WASHER
18 Артикул: 6567982, PIN Use with Snap Ring
19 Артикул: 6577341, PIN See BTI240
20 Артикул: 6577342, PIN Was 6569157 - A
21 Артикул: 6567908, BLADE
22 Артикул: 6567991, JAW
23 Артикул: 6567993, JAW
24 Артикул: 17C12136, BOLT
25 Артикул: 81D12, NUT
26 Артикул: 6569209, RETAINER
27 Артикул: 84G3712, BOLT 5
28 Артикул: 6540714, SAFETY TREAD
29 Артикул: DECAL, DECAL NLA - patent - Was 6557224 - C
30 Артикул: DECAL, DECAL NLA - Logo - Was 6714353 - A
31 Артикул: 6577363, WASHER Weld On
32 Артикул: 6577340, BUSHING See BTI240
33 Артикул: 85D8, NUT, 5 See BTI240
34 Артикул: 17C864, BOLT See BTI240
35 Артикул: 6558991, BUSHING
36 Артикул: 6558779, BUSHING
37 Артикул: 6558992, BUSHING
38 Артикул: 6555987, BUSHING
39 Артикул: 6555989, BUSHING
40 Артикул: 6568560, BUSHING Was 6558560 - B
41 Артикул: 6568414, BUSHING

СТАНИНА НОЖЕЙ И КРЕПЕЖНЫЕ ДЕТАЛИ: Техника, которая работает на результат

СТАНИНА НОЖЕЙ И КРЕПЕЖНЫЕ ДЕТАЛИ на валочно-пакетирующая машина Bobcat 1213 503411001 И ВЫШЕ

Габаритные размеры

Габаритные размеры и схема СТАНИНА НОЖЕЙ И КРЕПЕЖНЫЕ ДЕТАЛИ

Нажмите на схему для увеличения

Документация

Документация временно недоступна.

Похожая техника в категории: АКСЕСCУАРЫ И ОПЦИИ (Bobcat)

Спецтехника КОМПЛЕКТ ТРУБОПРОВОДОВ ОБОГРЕВАТЕЛЯ (PERRIN)

КОМПЛЕКТ ТРУБОПРОВОДОВ ОБОГРЕВАТЕЛЯ (PERRIN)

1Артикул: 664849...
2Артикул: 659935...
3Артикул: 42H10,...
Подробнее >
Спецтехника КОПЛЕКТ ОБОГРЕВАТЕЛЯ (PERRIN)

КОПЛЕКТ ОБОГРЕВАТЕЛЯ (PERRIN)

1Артикул: 664849...
2Артикул: 651552...
3Артикул: 664845...
Подробнее >
Спецтехника ОБОГРЕВАТЕЛЬ (КРАСНАЯ ТОЧКА ЦЕЛЕУКАЗАТЕЛЯ)

ОБОГРЕВАТЕЛЬ (КРАСНАЯ ТОЧКА ЦЕЛЕУКАЗАТЕЛЯ)

1Артикул: 659935...
2Артикул: 663098...
3Артикул: 663098...
Подробнее >
Спецтехника ОГНЕТУШИТЕЛЬ

ОГНЕТУШИТЕЛЬ

1Артикул: 190880...
2Артикул: 656909...
3Артикул: 12D10,...
Подробнее >
Спецтехника ШИНЫ И ДИСКИ

ШИНЫ И ДИСКИ

1Артикул: 659083...
2Артикул: 656847...
3Артикул: 656466...
Подробнее >
Спецтехника КОМПЛЕКТ ЗАЩИТНЫХ СЕТОК ОТ НАСЕКОМЫХ

КОМПЛЕКТ ЗАЩИТНЫХ СЕТОК ОТ НАСЕКОМЫХ

1Артикул: KIT, K...
2Артикул: INSECT...
3Артикул: INSECT...
Подробнее >
Спецтехника ГИДРОЦИЛИНДР ПРИВОДА НОЖЕЙ

ГИДРОЦИЛИНДР ПРИВОДА НОЖЕЙ

1Артикул: 659309...
2Артикул: 659310...
3Артикул: 92D20,...
Подробнее >
Спецтехника ОСТАНОВ ПОДЪЕМНОЙ РУКОЯТИ

ОСТАНОВ ПОДЪЕМНОЙ РУКОЯТИ

1Артикул: KIT, K...
2Артикул: 656342...
3Артикул: 17C616...
Подробнее >
Спецтехника АККУМУЛЯТОР

АККУМУЛЯТОР

1Артикул: 656936...
2Артикул: 656936...
3Артикул: 17C640...
Подробнее >
Спецтехника КОМПЛЕКТ СТРОБОСКОПОВ (ЯНТАРНЫЙ - 3414ALW)

КОМПЛЕКТ СТРОБОСКОПОВ (ЯНТАРНЫЙ - 3414ALW)

1Артикул: KIT, K...
2Артикул: 669779...
3Артикул: LENS, ...
Подробнее >
Спецтехника КОМПЛЕКТ БОКОВЫХ СТЕКОЛ

КОМПЛЕКТ БОКОВЫХ СТЕКОЛ

1Артикул: 656871...
2Артикул: 663154...
3Артикул: 663154...
Подробнее >
Спецтехника ОБОГРЕВАТЕЛЬ (PERRIN)

ОБОГРЕВАТЕЛЬ (PERRIN)

1Артикул: 664846...
2Артикул: 664846...
3Артикул: 664846...
Подробнее >