+7 (701) 588 50 05 Телефон для связи
RU

WhatsApp

Позвонить

СЖИЖЕННЫЙ УГЛЕВОДОРОДНЫЙ ГАЗ (СУГ) VF4D — Продажа в Казахстане Цены от официального дилера с доставкой в Алматы, Астану и регионы

Техника доступна в:
Полный спектр услуг:
Для Вашего удобства:
Характеристики и описание
Габариты, схема
Техническая документация
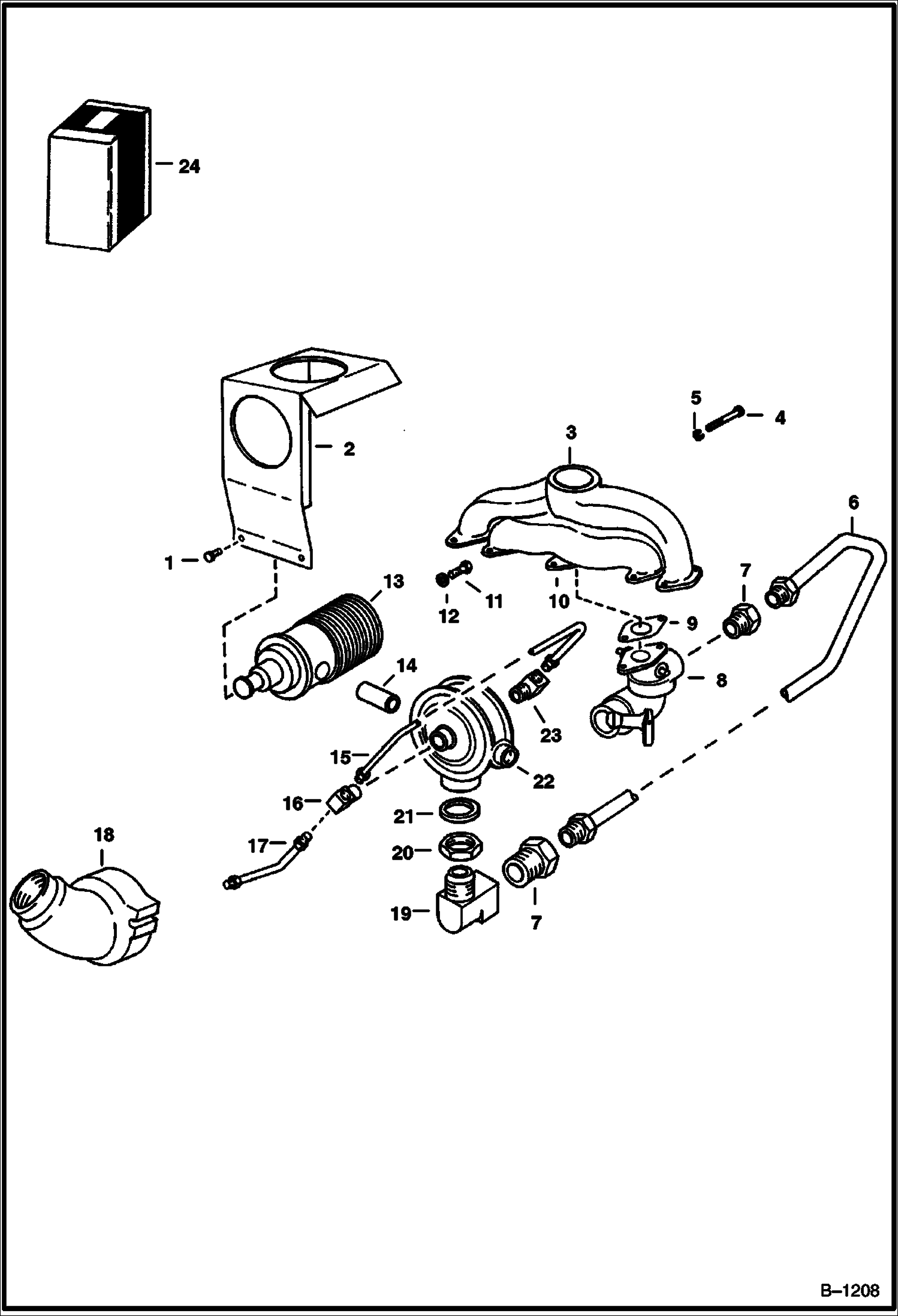
1 Артикул: 6516409, SCREW
2 Артикул: 6516410, DEFLECTOR heat
3 Артикул: MANIFOLD, MANIFOLD NLA - exhaust - Order 6516397 & Saw Intake & Exhaust apart - Was 6516411 - A
4 Артикул: SCREW, SCREW NLA - Was 47G000432B - A
5 Артикул: 4E4, WASHER
6 Артикул: 6516414, FUEL LINE
7 Артикул: 6516415, CONNECTOR
8 Артикул: CARBURETOR, CARBURETOR See Illustration LPG CARBURETOR/ B1226 NLA
9 Артикул: 6516398, GASKET
10 Артикул: 6516418, MANIFOLD intake
11 Артикул: 6516419, BOLT
12 Артикул: 4E6, WASHER
13 Артикул: VAPORIZER, VAPORIZER See Illustration LPG VAPORIZER/ B1225 NLA - Was 6516421 - A
14 Артикул: NIPPLE, NIPPLE NLA - Was 5K000207B - A
15 Артикул: 6516422, LINE balance
16 Артикул: TEE, TEE NLA - Was 63F000001B - A
17 Артикул: 6501894, LINE air
18 Артикул: HORN, HORN NLA - Air - Was 6516395 - A
19 Артикул: 43F7, ELBOW
20 Артикул: NUT, NUT NLA - Was 6516424 - A
21 Артикул: 6516425, GASKET
22 Артикул: REGULATOR, REGULATOR See Illustration SECONDARY STAGE REGULATOR/ B1224
23 Артикул: 6516427, ELBOW
24 Артикул: KIT, KIT NLA - LP Gas conversion - Ref. 1, 2 & 6-23 - Order Governor Control Kit 6519430 to complete conversion - Was 6519193 - A

СЖИЖЕННЫЙ УГЛЕВОДОРОДНЫЙ ГАЗ (СУГ) VF4D: Техника, которая работает на результат

СЖИЖЕННЫЙ УГЛЕВОДОРОДНЫЙ ГАЗ (СУГ) VF4D на Bobcat 600s Bobcat 600 495011001 И ВЫШЕ, 495111001 И ВЫШЕ, 495211001 И ВЫШЕ, 495611001 И ВЫШЕ, 496011001 И ВЫШЕ, 498911001 И ВЫШЕ

Габаритные размеры

Габаритные размеры и схема СЖИЖЕННЫЙ УГЛЕВОДОРОДНЫЙ ГАЗ (СУГ) VF4D

Нажмите на схему для увеличения

Документация

Документация временно недоступна.

Похожая техника в категории: ЗАПЧАСТИ ДВИГАТЕЛЯ (Bobcat)

Спецтехника МЕХАНИЗМ УПРАВЛЕНИЯ ДРОССЕЛЬНОЙ ЗАСЛОНКОЙ

МЕХАНИЗМ УПРАВЛЕНИЯ ДРОССЕЛЬНОЙ ЗАСЛОНКОЙ

1Артикул: 7C632,...
2Артикул: 651588...
3Артикул: 650618...
Подробнее >
Спецтехника ВОЗДУХООЧИСТИТЕЛЬ DONALDSON

ВОЗДУХООЧИСТИТЕЛЬ DONALDSON

1Артикул: CLEANE...
2Артикул: 665248...
3Артикул: 173518...
Подробнее >
Спецтехника РАСПРЕДВАЛ

РАСПРЕДВАЛ

1Артикул: 651693...
2Артикул: 651693...
3Артикул: 651693...
Подробнее >
Спецтехника ПОЛНОПОТОЧНЫЙ МАСЛЯНЫЙ ФИЛЬТР С ПРЕДОХРАНИТЕЛЬНЫМ КЛАПАНОМ

ПОЛНОПОТОЧНЫЙ МАСЛЯНЫЙ ФИЛЬТР С ПРЕДОХРАНИТЕЛЬНЫМ КЛАПАНОМ

1Артикул: KIT, K...
2Артикул: 7C820,...
3Артикул: BRACKE...
Подробнее >
Спецтехника СЖИЖЕННЫЙ УГЛЕВОДОРОДНЫЙ ГАЗ (СУГ) VH4D ДВИГАТЕЛЬ

СЖИЖЕННЫЙ УГЛЕВОДОРОДНЫЙ ГАЗ (СУГ) VH4D ДВИГАТЕЛЬ

1Артикул: 17C518...
2Артикул: 651922...
3Артикул: 62F4, ...
Подробнее >
Спецтехника ВНУТРЕННИЙ ДВИГАТЕЛЬ В СБОРЕ

ВНУТРЕННИЙ ДВИГАТЕЛЬ В СБОРЕ

1Артикул: 651646...
2Артикул: RINGS,...
3Артикул: 651646...
Подробнее >
Спецтехника УСТАНОВКА ГЕНЕРАТОРА ПЕРЕМЕННОГО ТОКА DELCO

УСТАНОВКА ГЕНЕРАТОРА ПЕРЕМЕННОГО ТОКА DELCO

1Артикул: 17C596...
2Артикул: BUSHIN...
3Артикул: 650574...
Подробнее >
Спецтехника ТОПЛИВНАЯ СИСТЕМА

ТОПЛИВНАЯ СИСТЕМА

1Артикул: 651612...
2Артикул: 651612...
3Артикул: 651255...
Подробнее >
Спецтехника ДРОССЕЛЬНАЯ ЗАСЛОНКА

ДРОССЕЛЬНАЯ ЗАСЛОНКА

1Артикул: 655355...
2Артикул: 57D6, ...
3Артикул: 37C616...
Подробнее >
Спецтехника ВОЗДУХООЧИСТИТЕЛЬ И КОЛЛЕКТОР

ВОЗДУХООЧИСТИТЕЛЬ И КОЛЛЕКТОР

1Артикул: 651591...
2Артикул: 651614...
3Артикул: BODY, ...
Подробнее >
Спецтехника КРЕПЕЖНЫЕ ДЕТАЛИ ДВИГАТЕЛЯ DEUTZ

КРЕПЕЖНЫЕ ДЕТАЛИ ДВИГАТЕЛЯ DEUTZ

1Артикул: CLAMP,...
2Артикул: 651959...
3Артикул: 651547...
Подробнее >
Спецтехника СБОРОЧНЫЙ УЗЕЛ ГИДРОПРИВОДНОГО НАСОСА

СБОРОЧНЫЙ УЗЕЛ ГИДРОПРИВОДНОГО НАСОСА

1Артикул: 61D6, ...
2Артикул: 4E6, W...
3Артикул: PUMP, ...
Подробнее >