+7 (701) 588 50 05 Телефон для связи
RU

WhatsApp

Позвонить

ТАБЛИЧКА РЕГУЛЯТОРА СКОРОСТИ — Продажа в Казахстане Цены от официального дилера с доставкой в Алматы, Астану и регионы

Техника доступна в:
Полный спектр услуг:
Для Вашего удобства:
Характеристики и описание
Габариты, схема
Техническая документация
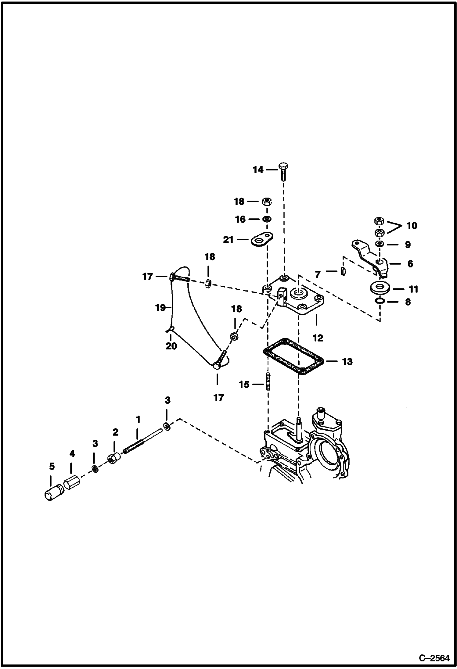
1 Артикул: 6599070, BOLT
2 Артикул: 6599087, NUT
3 Артикул: 3974972, GASKET
4 Артикул: 6655223, NUT Was 3974973B - A
5 Артикул: 6653905, CAP Was 3974974B - A
6 Артикул: 6630001, LEVER Was 6599758 - A
7 Артикул: 3974281, KEY
8 Артикул: 3974280, O RING
9 Артикул: 1EM60, WASHER
10 Артикул: 25DM6, NUT
11 Артикул: 6598993, WASHER
12 Артикул: 6599031, PLATE
13 Артикул: 6666775, GASKET Was 6599109 - A
14 Артикул: 1CM620, BOLT Was 4CM620 - A
15 Артикул: 6652764, STUD Was 3974462B - A
16 Артикул: 6EM60, WASHER, SPRING
17 Артикул: 6652712, STOPPER Was 3974284B - A
18 Артикул: 1DM6, NUT
19 Артикул: WIRE, WIRE NLA - A
20 Артикул: LEAD, LEAD NLA - sealing - A
21 Артикул: 3974882, HOOK engine

ТАБЛИЧКА РЕГУЛЯТОРА СКОРОСТИ: Техника, которая работает на результат

ТАБЛИЧКА РЕГУЛЯТОРА СКОРОСТИ на Bobcat 400s Bobcat 443 511211001 И ВЫШЕ

Габаритные размеры

Габаритные размеры и схема ТАБЛИЧКА РЕГУЛЯТОРА СКОРОСТИ

Нажмите на схему для увеличения

Документация

Документация временно недоступна.

Похожая техника в категории: ЗАПЧАСТИ ДВИГАТЕЛЯ (Bobcat)

Спецтехника ОСНОВНОЙ КОРПУС ПОДШИПНИКА

ОСНОВНОЙ КОРПУС ПОДШИПНИКА

1Артикул: 659896...
2Артикул: BOLT, ...
3Артикул: 665260...
Подробнее >
Спецтехника ВОЗДУШНЫЙ ФИЛЬТР

ВОЗДУШНЫЙ ФИЛЬТР

1Артикул: 905282...
2Артикул: TANK, ...
3Артикул: 897064...
Подробнее >
Спецтехника ПОРШНИ И КОЛЕНВАЛ

ПОРШНИ И КОЛЕНВАЛ

1Артикул: 659998...
2Артикул: 659991...
3Артикул: 659999...
Подробнее >
Спецтехника ТОПЛИВНЫЙ НАСОС

ТОПЛИВНЫЙ НАСОС

1Артикул: 659900...
2Артикул: 659907...
3Артикул: 659910...
Подробнее >
Спецтехника РЕДУКТОР

РЕДУКТОР

1Артикул: GEAR, ...
2Артикул: 666679...
3Артикул: 659908...
Подробнее >
Спецтехника ДВИГАТЕЛЬ (KUBOTA D750)

ДВИГАТЕЛЬ (KUBOTA D750)

1Артикул: ENGINE...
2Артикул: 656374...
3Артикул: SHORT,...
Подробнее >
Спецтехника ГОЛОВКА БЛОКА ЦИЛИНДРОВ

ГОЛОВКА БЛОКА ЦИЛИНДРОВ

1Артикул: 659999...
2Артикул: 659999...
3Артикул: 659811...
Подробнее >
Спецтехника ВОДЯНАЯ ПОМПА

ВОДЯНАЯ ПОМПА

1Артикул: 665275...
2Артикул: BODY, ...
3Артикул: 659912...
Подробнее >
Спецтехника ТОПЛИВНАЯ СИСТЕМА И НАСОС ВПРЫСКА

ТОПЛИВНАЯ СИСТЕМА И НАСОС ВПРЫСКА

1Артикул: 666685...
2Артикул: 666930...
3Артикул: 397450...
Подробнее >
Спецтехника РАСПРЕДВАЛ

РАСПРЕДВАЛ

1Артикул: 397419...
2Артикул: 659897...
3Артикул: 659899...
Подробнее >
Спецтехника КОЛЛЕКТОР

КОЛЛЕКТОР

1Артикул: 663000...
2Артикул: 666677...
3Артикул: 659907...
Подробнее >
Спецтехника ТОПЛИВНЫЙ РАСПРЕДЕЛИТЕЛЬНЫЙ ВАЛ

ТОПЛИВНЫЙ РАСПРЕДЕЛИТЕЛЬНЫЙ ВАЛ

1Артикул: 5JM18,...
2Артикул: 659898...
3Артикул: 5JM20,...
Подробнее >