ТОПЛИВНАЯ СИСТЕМА — Продажа в Казахстане Цены от официального дилера с доставкой в Алматы, Астану и регионы
×
❮
❯
Характеристики и описание
Габариты, схема
Техническая документация
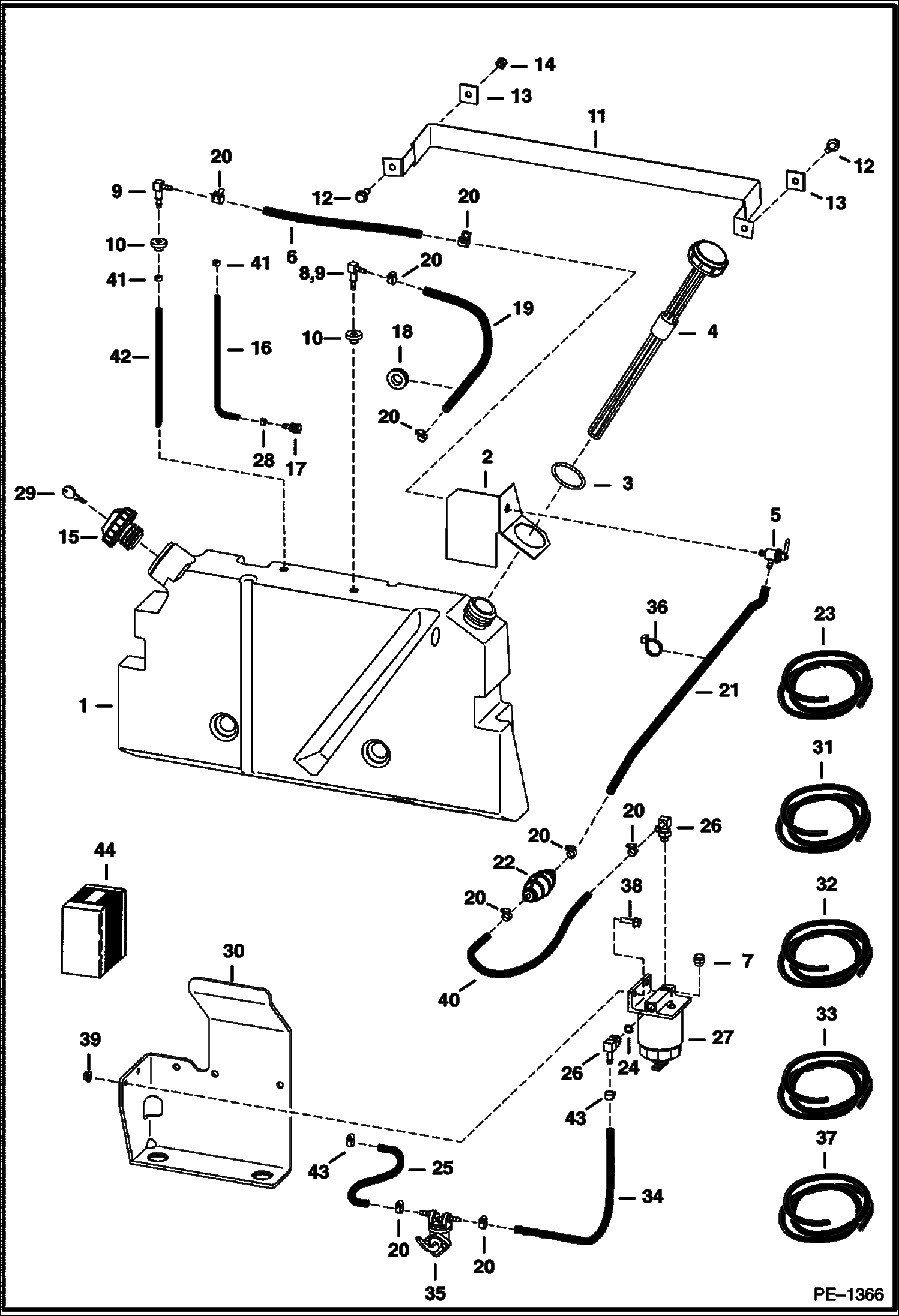
| 1 | Артикул: 6733225, TANK Was 6708327 - A |
| 2 | Артикул: 6564038, MOUNT |
| 3 | Артикул: 25K60204, O RING 10 |
| 4 | Артикул: 6598910, GAUGE |
| 5 | Артикул: 6599455, VALVE shut-off |
| 6 | Артикул: HOSE, HOSE NLA - 13.00-- (325 mm) - Order Ref. 37 |
| 7 | Артикул: 6658180, PLUG, BLEED |
| 8 | Артикул: 6630041, ELBOW (1) small end barb (1) large end barb |
| 9 | Артикул: 6598908, ELBOW double small ended barbs - Was 6681462 - A |
| 10 | Артикул: 7273691, GROMMET 0.375-- ID - Was 6553411 - B |
| 11 | Артикул: 6564037, BAND |
| 12 | Артикул: 6728472, INSULATION |
| 13 | Артикул: 84G3716, SCREW 5 |
| 14 | Артикул: 6559447, WASHER |
| 15 | Артикул: 61D6, NUT 5 |
| 16 | Артикул: 6661114, CAP, DIESEL 1 PSI green |
| 17 | Артикул: 6661696, CAP, FUEL LOCKING locking - W/Ref. 29 - Was 6654373 - A |
| 18 | Артикул: HOSE, HOSE NLA - 14.75-- (375 mm) - Order 2 of 6569752 |
| 19 | Артикул: 6650239, SCREEN, FUEL PICKUP wire coiled - Use W/Ref. 16 |
| 20 | Артикул: 1023368, GROMMET |
| 21 | Артикул: HOSE, HOSE NLA - Order Ref. 37 |
| 22 | Артикул: 42HS04, CLAMP, HOSE Was 6515575 - A |
| 23 | Артикул: 5HM13, CLAMP constant tension |
| 24 | Артикул: HOSE, HOSE NLA - Order Ref. 37 |
| 25 | Артикул: 6657734, PUMP, PRIMER HAND barbed fittings for 6,35 mm (.25--) ID hose - barbed fittings for 6,35 mm (.25--) ID hose |
| 26 | Артикул: 6563505, CONDUIT bulk 5/8-- (15,8 mm) ID - sold per foot |
| 27 | Артикул: 79K5, O RING 10 flat boss face |
| 28 | Артикул: 99K5, O-RING tapered boss face |
| 29 | Артикул: HOSE, HOSE NLA - Order Ref. 37 |
| 30 | Артикул: ELBOW, ELBOW NLA - W/Ref. 24 - flat boss face - Was 6657083 - A |
| 31 | Артикул: 6715183, ELBOW W/Ref. 24 - check boss face to determine correct replacement 0-ring |
| 32 | Артикул: 6667353, FILTER ASSY W/Ref. 7 |
| 33 | Артикул: 6667352, FILTER, FUEL W/SEPARATOR 12 |
| 34 | Артикул: 72F1, FITTING |
| 35 | Артикул: 6661213, RING, COMPRESSION .324-- ID |
| 36 | Артикул: 6654374, KEY |
| 37 | Артикул: 6713672, MOUNT Engine |
| 38 | Артикул: 6565434, CONDUIT bulk 1/2-- (12,7 mm) I.D. - sold per foot |
| 39 | Артикул: 6578169, HOSE sold per foot - 0.19-- ID |
| 40 | Артикул: 6577822, HOSE sold per foot |
| 41 | Артикул: HOSE, HOSE NLA - 14-- (356 mm) - Order Ref. 37 |
| 42 | Артикул: FUEL, FUEL PUMP See Illustration FUEL & INJECTION PUMP/ B16469 |
| 43 | Артикул: 6624289, STRAP, TIE |
| 44 | Артикул: 6577821, HOSE sold per foot |
| 45 | Артикул: 17C516, BOLT Was 35C000516B - B |
| 46 | Артикул: 57D5, NUT |
| 47 | Артикул: HOSE, HOSE NLA - Order Ref. 37 |
| 48 | Артикул: 6661213, RING, COMPRESSION .324-- ID |
| 49 | Артикул: 6729855, HOSE 15.125-- (384,2 mm) long |
| 50 | Артикул: 5HM14, CLAMP |
| 51 | Артикул: 7297009, KIT FUEL SCREEN PICKUP TUBE W/Ref. 10, 16, 17, 28 |
ТОПЛИВНАЯ СИСТЕМА: Техника, которая работает на результат
ТОПЛИВНАЯ СИСТЕМА на Bobcat 400s Bobcat 463 519911001 И ВЫШЕ, 520011001 И ВЫШЕГабаритные размеры
Нажмите на схему для увеличения
Документация
Документация временно недоступна.
Похожая техника в категории: РАМА (Bobcat)
ЗАДНЯЯ ДВЕРЬ
1Артикул: 656419...
2Артикул: 671397...
3Артикул: 673021...
Подробнее >
ПАНЕЛИ
1Артикул: 670738...
2Артикул: 84G371...
3Артикул: 653212...
Подробнее >
BOB-TACH
1Артикул: 672722...
2Артикул: 673736...
3Артикул: PIVOT,...
Подробнее >
ПОДЪЕМНАЯ РУКОЯТЬ И BOB-TACH
1Артикул: 10C512...
2Артикул: 725263...
3Артикул: PIN,, ...
Подробнее >
СИДЕНИЕ И ОПОРА СИДЕНЬЯ
1Артикул: SEAT, ...
2Артикул: 667507...
3Артикул: 672537...
Подробнее >
КАБИНА ОПЕРАТОРА
1Артикул: 673464...
2Артикул: 670848...
3Артикул: 656315...
Подробнее >
СИДЕНИЕ (МИЧИГАН)
1Артикул: 666913...
2Артикул: 667016...
3Артикул: EDGING...
Подробнее >