ТОПЛИВНАЯ СИСТЕМА — Продажа в Казахстане Цены от официального дилера с доставкой в Алматы, Астану и регионы
×
❮
❯
Характеристики и описание
Габариты, схема
Техническая документация
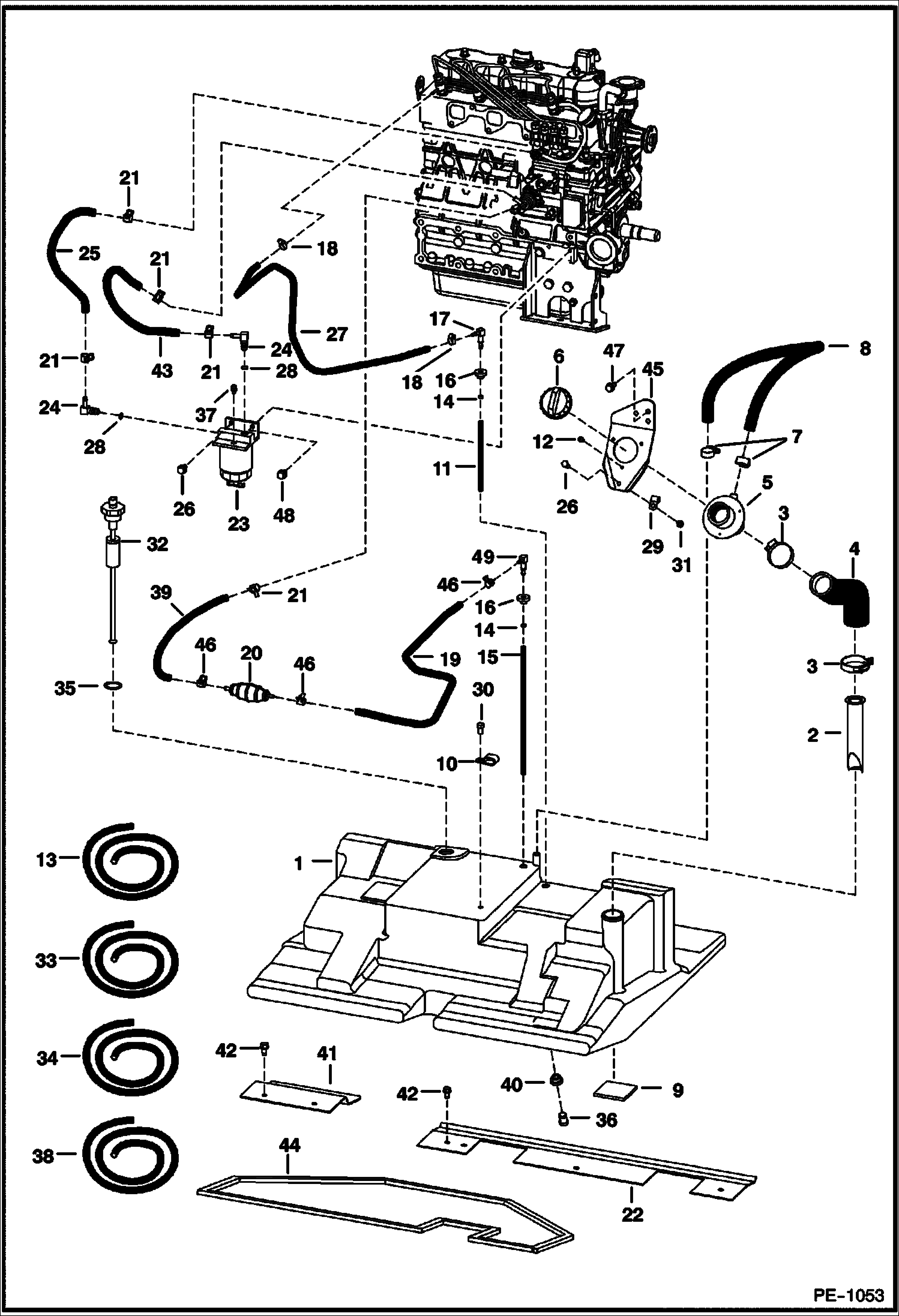
| 1 | Артикул: TANK, TANK NLA - Order 6736660 Tank & Ref. 41 (6737368 Bracket) - Use W/Ref. 22 - Was 6717067 - A |
| 2 | Артикул: 6736660, TANK, FUEL Use W/Ref. 41 |
| 3 | Артикул: 7120881, SCREEN, FILLER Was 6569219 - A |
| 4 | Артикул: 42H32, HS CLAMP5 worm gear |
| 5 | Артикул: 5HM58, CLAMP constant tension |
| 6 | Артикул: 6717704, HOSE |
| 7 | Артикул: 6701449, FILLER TUBE |
| 8 | Артикул: 6661114, CAP, DIESEL 1 PSI green |
| 9 | Артикул: CAP, CAP NLA - locking - W/Key - Code GC020 |
| 10 | Артикул: 6654374, KEY Code GC020 |
| 11 | Артикул: 6661696, CAP, FUEL LOCKING locking - W/Key - Code PK510 |
| 12 | Артикул: 6587458, KEY Code PK510 |
| 13 | Артикул: 42H10, HOSECLAM5 worm gear |
| 14 | Артикул: 5HM24, CLAMP constant tension |
| 15 | Артикул: HOSE, HOSE NLA - 24--(609,6 mm) long - Order Ref. 13 |
| 16 | Артикул: 6578278, PAD self adhesive one side |
| 17 | Артикул: 31H27, CLIP |
| 18 | Артикул: 6729854, TUBE 12.5--(317,5 mm) long |
| 19 | Артикул: 6706517, SCREW |
| 20 | Артикул: 6578172, HOSE sold per foot |
| 21 | Артикул: 6661213, RING, COMPRESSION |
| 22 | Артикул: 6729853, HOSE 10.25--(260,4 mm) long |
| 23 | Артикул: 6553411, BUSHING 0.38-- ID |
| 24 | Артикул: 7101291, ELBOW Was 6681462 - A |
| 25 | Артикул: 42HS04, CLAMP, HOSE |
| 26 | Артикул: HOSE, HOSE NLA - 35--(889,0 mm) long - Order Ref. 33 |
| 27 | Артикул: 6657734, PUMP, PRIMER HAND barbed fittings for 6,35 mm (.25--) ID hose - barbed fittings for 6,35 mm (.25--) ID hose |
| 28 | Артикул: 5HM14, CLAMP |
| 29 | Артикул: 6717504, BRACKET Use W/Ref. 1 (NLA/6717067 Tank) |
| 30 | Артикул: 6667353, FILTER ASSY W/Ref. 37 |
| 31 | Артикул: 6667352, FILTER, FUEL W/SEPARATOR 12 |
| 32 | Артикул: 72F1, FITTING |
| 33 | Артикул: 6715183, ELBOW W/Ref. 28 - check boss face to determine correct replacement O-ring |
| 34 | Артикул: HOSE, HOSE See Illustration FUEL & INJECTION PUMP/ B13157A See Illustration FUEL & INJECTION PUMP/ B13157 NLA - 13-- (330,2 mm) long - connects to Ref. 12 - Order Ref. 38 |
| 35 | Артикул: 84G3112, BOLT 5 Was 17C000516B - B,D |
| 36 | Артикул: HOSE, HOSE NLA - 53--(1346,2 mm) long - Order Ref. 38 |
| 37 | Артикул: 99K5, O-RING tapered boss face |
| 38 | Артикул: 79K5, O RING 10 flat boss face |
| 39 | Артикул: 30H22, CLIP |
| 40 | Артикул: 17C610, BOLT |
| 41 | Артикул: 85D5, NUT 5 |
| 42 | Артикул: 7288690, SENSOR, FUEL Was 7179837 - A |
| 43 | Артикул: 6577821, HOSE sold per foot |
| 44 | Артикул: 6577822, HOSE sold per foot |
| 45 | Артикул: 6717579, GASKET |
| 46 | Артикул: 7203382, PLUG, STEEL fuel drain - .75-- shoulder - Was 6717401 - A |
| 47 | Артикул: 6658180, PLUG, BLEED |
| 48 | Артикул: 6578169, HOSE sold per foot - 0.19-- ID |
| 49 | Артикул: HOSE, HOSE See Illustration FUEL & INJECTION PUMP/ B13157A See Illustration FUEL & INJECTION PUMP/ B13157 NLA - 23-- (584,2 mm) long - Order Ref. 33 - connects to Ref. 9 - Was 18-- (457,2 mm) long |
| 50 | Артикул: 6717402, BUSHING 0.54-- ID |
| 51 | Артикул: 6737368, BRACKET Use W/Ref. 1 (6736660 Tank) |
| 52 | Артикул: 84G3712, BOLT 5 |
| 53 | Артикул: HOSE, HOSE See Illustration FUEL & INJECTION PUMP/ B13157A See Illustration FUEL & INJECTION PUMP/ B13157 NLA - 42-- (1066,8 mm) long - Order Ref. 13 - connects to Ref. 9 |
| 54 | Артикул: 6717859, GASKET .375-- x .75-- x 106.75-- long |
| 55 | Артикул: 6731059, INLET fuel fill |
| 56 | Артикул: 5HM13, CLAMP |
| 57 | Артикул: 84G3716, SCREW 5 |
| 58 | Артикул: 84G3116, SCREW |
| 59 | Артикул: 6598908, ELBOW |
ТОПЛИВНАЯ СИСТЕМА: Техника, которая работает на результат
ТОПЛИВНАЯ СИСТЕМА на мини-погрузчик Bobcat S175 517625001 И ВЫШЕ, 518115001 И ВЫШЕ, 519028001 И ВЫШЕ, 519215001 И ВЫШЕГабаритные размеры
Нажмите на схему для увеличения
Документация
Документация временно недоступна.
Похожая техника в категории: РАМА (Bobcat)
КАБИНА ОПЕРАТОРА
1Артикул: OPERAT...
2Артикул: 667503...
3Артикул: SEAT, ...
Подробнее >
ПОДЪЕМНАЯ РУКОЯТЬ И BOB-TACH
1Артикул: 671756...
2Артикул: PIN, P...
3Артикул: 671878...
Подробнее >
ПАНЕЛИ
1Артикул: 672530...
2Артикул: 84G371...
3Артикул: 84G371...
Подробнее >
BOB-TACH
1Артикул: BOB-TA...
2Артикул: 714350...
3Артикул: KIT, K...
Подробнее >
СИДЕНИЕ И ОПОРА СИДЕНЬЯ
1Артикул: 666913...
2Артикул: 669171...
3Артикул: 667489...
Подробнее >
ЗАДНЯЯ ДВЕРЬ
1Артикул: 38C840...
2Артикул: 680973...
3Артикул: 680972...
Подробнее >
СИДЕНИЕ (МИЧИГАН)
1Артикул: 666913...
2Артикул: 667016...
3Артикул: EDGING...
Подробнее >