+7 (701) 588 50 05 Телефон для связи
RU

WhatsApp

Позвонить

ТОРМОЗА — Продажа в Казахстане Цены от официального дилера с доставкой в Алматы, Астану и регионы

Техника доступна в:
Полный спектр услуг:
Для Вашего удобства:
Характеристики и описание
Габариты, схема
Техническая документация
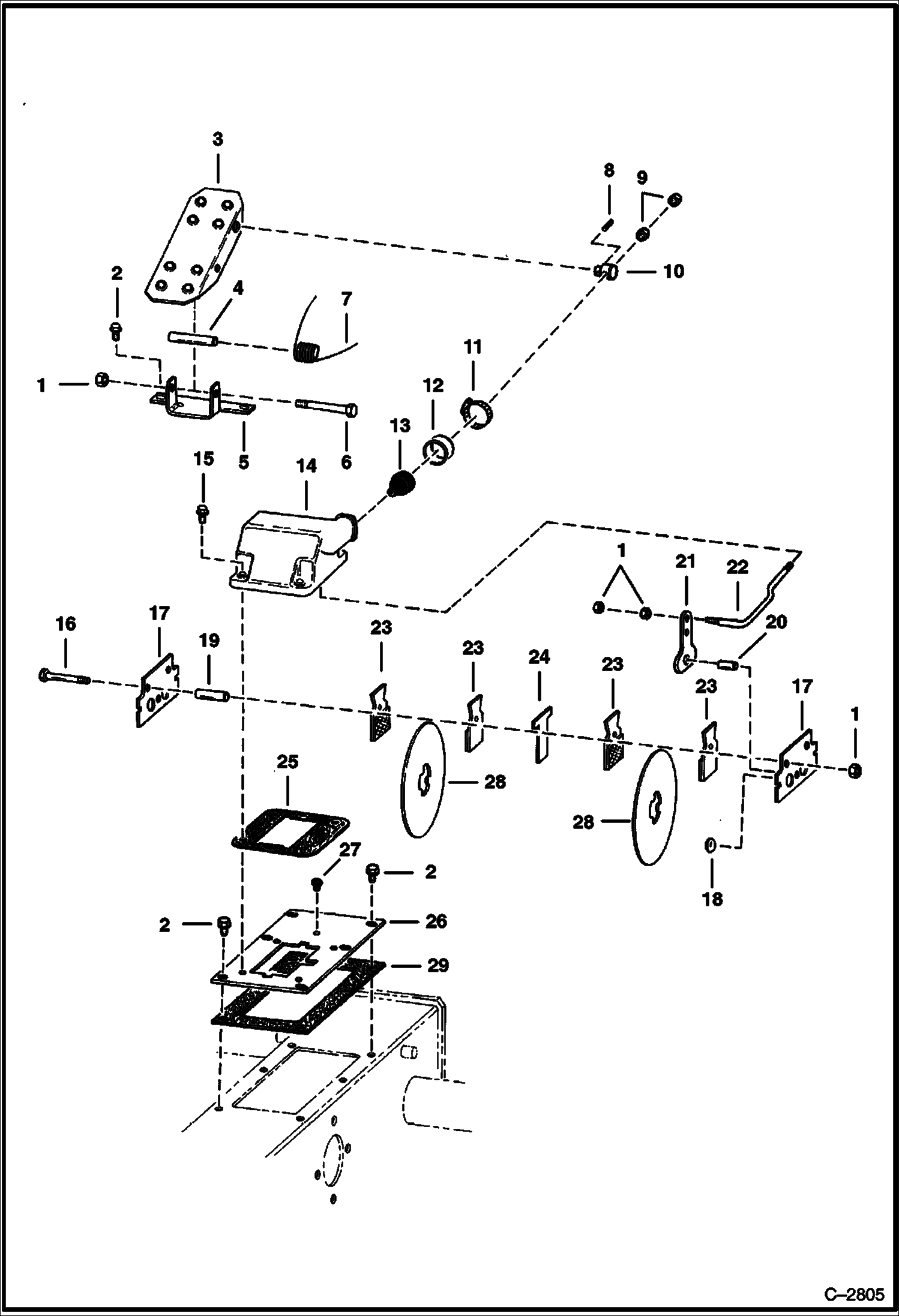
1 Артикул: 85D6, NUT, 5
2 Артикул: 84G3716, SCREW 5
3 Артикул: 6563792, PEDAL
4 Артикул: 6564389, BUSHING
5 Артикул: 6563793, MOUNT
6 Артикул: 17C664, BOLT
7 Артикул: 6598800, SPRING
8 Артикул: 14J2512, PIN 5
9 Артикул: 85D8, NUT, 5
10 Артикул: 6563178, PIVOT
11 Артикул: 42H32, HS CLAMP5
12 Артикул: 6565117, TUBE
13 Артикул: BOOT, BOOT NLA - Was 6564713 - A
14 Артикул: 6531388, COVER
15 Артикул: 84G3728, BOLT
16 Артикул: 17C652, BOLT
17 Артикул: 6563789, PLATE
18 Артикул: 6563786, CAM
19 Артикул: 6564390, BUSHING
20 Артикул: 14J3713, PIN
21 Артикул: 6598483, LEVER
22 Артикул: 6563790, ROD
23 Артикул: 6513603, PAD
24 Артикул: 6563787, SHIM .0329 (,83 mm)
25 Артикул: 6592880, SHIM .0179 (,45 mm)
26 Артикул: 6531389, GASKET
27 Артикул: 6563791, COVER
28 Артикул: 6558506, PLUG
29 Артикул: 6559206, DISC, BRAKE
30 Артикул: 6593418, GASKET

ТОРМОЗА: Техника, которая работает на результат

ТОРМОЗА на Bobcat 400s Bobcat 443 511211001 И ВЫШЕ

Габаритные размеры

Габаритные размеры и схема ТОРМОЗА

Нажмите на схему для увеличения

Документация

Документация временно недоступна.

Похожая техника в категории: ТРАНСМИССИЯ (Bobcat)