ТОРМОЗНОЙ ДИСК — Продажа в Казахстане Цены от официального дилера с доставкой в Алматы, Астану и регионы
×
❮
❯
Характеристики и описание
Габариты, схема
Техническая документация
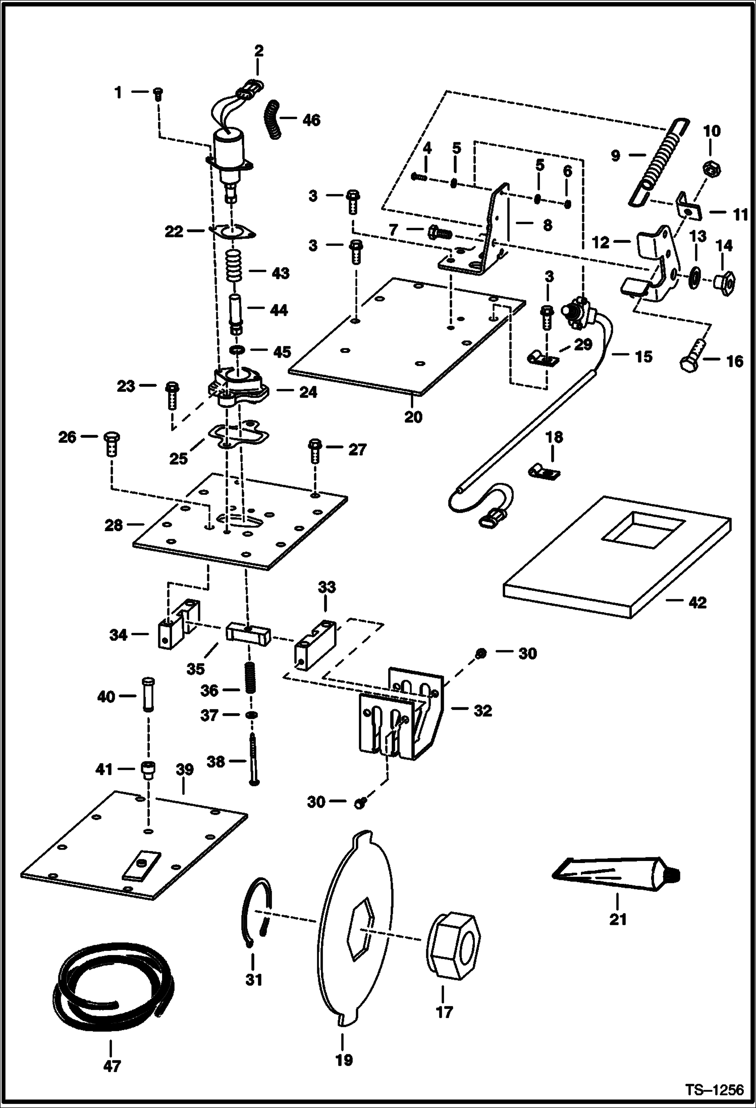
| 1 | Артикул: 17C410, BOLT 10 |
| 2 | Артикул: SOLENOID, SOLENOID NLA - Order 6681512 solenoid - Note: Do not use old components in conjunction W/ 6681512 solenoid - Was 6666304 - A |
| 3 | Артикул: 6681512, SOLENOID Was 6667992 - A |
| 4 | Артикул: 84G3712, BOLT 5 |
| 5 | Артикул: 23G812, SCREW |
| 6 | Артикул: 25E8, WSHR |
| 7 | Артикул: 12D8, NUT |
| 8 | Артикул: 17C610, BOLT |
| 9 | Артикул: 6707313, PEDAL MOUNT |
| 10 | Артикул: 6585860, SPRING |
| 11 | Артикул: 95D6, NUT Was 91D000006B - A |
| 12 | Артикул: 6707315, ANGLE |
| 13 | Артикул: 6707314, PEDAL brake |
| 14 | Артикул: 6700170, WASHER plastic |
| 15 | Артикул: 6559479, NUT |
| 16 | Артикул: 6707337, SWITCH, LOCK TRACTION |
| 17 | Артикул: 17C620, BOLT |
| 18 | Артикул: 6597293, HUB --S-- stamped on end |
| 19 | Артикул: 30H23, CLAMP |
| 20 | Артикул: 6597508, BRAKE disc - --S-- stamped on face |
| 21 | Артикул: 6595048, COVER |
| 22 | Артикул: 6650388, SEALANT gearcase covers |
| 23 | Артикул: 6706737, GASKET |
| 24 | Артикул: 84G3720, BOLT |
| 25 | Артикул: 6706718, MOUNT |
| 26 | Артикул: 6708016, GASKET |
| 27 | Артикул: 47C820, BOLT Was 17C000820B - B |
| 28 | Артикул: 84G3716, SCREW 5 |
| 29 | Артикул: 6589705, COVER |
| 30 | Артикул: 30H11, CLIP Was 30H8 - B |
| 31 | Артикул: 17C610, BOLT |
| 32 | Артикул: 6658672, SNAP RING |
| 33 | Артикул: 6597240, GUIDE brake - w/one 45 degree corner & one 90 degree corner - Was 6596875 - A |
| 34 | Артикул: 6705898, BLOCK guide - RH |
| 35 | Артикул: 6705897, BLOCK guide - LH |
| 36 | Артикул: 6705896, GUIDE |
| 37 | Артикул: 6708018, SPRING |
| 38 | Артикул: 25E13, WASHER 5 |
| 39 | Артикул: 6708267, BOLT |
| 40 | Артикул: 6595361, COVER |
| 41 | Артикул: 6680970, BREATHER Was 6646626 - A |
| 42 | Артикул: 6553411, BUSHING |
| 43 | Артикул: 6595374, INSULATOR Pedal |
| 44 | Артикул: SPRING, SPRING NLA - Order 6681512 - Was 6666328 - A |
| 45 | Артикул: PLUNGER, PLUNGER NLA - W/Ref. 45 - Order 6681512 - Was 6666329 - A |
| 46 | Артикул: SNAP, SNAP RING NSS |
| 47 | Артикул: CONDUIT, CONDUIT NLA - 5-- (127 mm) long - Order Ref. 47 |
| 48 | Артикул: 6584978, CONDUIT bulk - sold per foot |
ТОРМОЗНОЙ ДИСК: Техника, которая работает на результат
ТОРМОЗНОЙ ДИСК на Bobcat 900s Bobcat 953 513111001 И ВЫШЕ, 513115001 И ВЫШЕГабаритные размеры
Нажмите на схему для увеличения
Документация
Документация временно недоступна.