+7 (701) 588 50 05 Телефон для связи
RU

WhatsApp

Позвонить

ТОРМОЗНОЙ ДИСК — Продажа в Казахстане Цены от официального дилера с доставкой в Алматы, Астану и регионы

Техника доступна в:
Полный спектр услуг:
Для Вашего удобства:
Характеристики и описание
Габариты, схема
Техническая документация
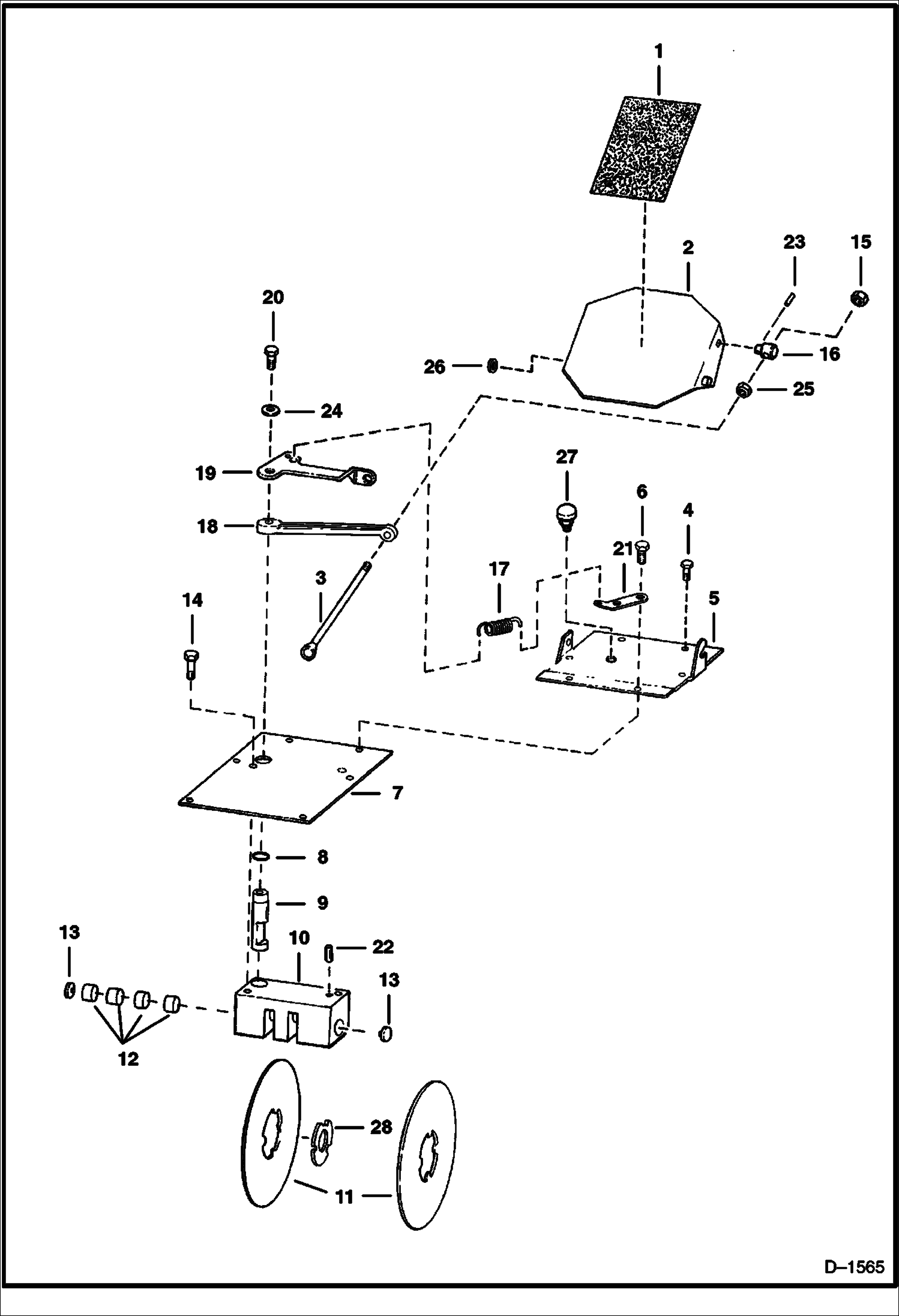
1 Артикул: 6553976, SAFETY TREAD 127 x 203 mm (5 x 8--)
2 Артикул: 6563187, PEDAL
3 Артикул: 6569601, ROD Was 6563174 - A
4 Артикул: 84G3712, BOLT 5
5 Артикул: 6575654, COVER Also Order Ref. 27 - Was 6554093 - A
6 Артикул: 84G3716, SCREW 5
7 Артикул: 6554088, COVER
8 Артикул: 25K30100, O RING 10
9 Артикул: 6562755, PIN
10 Артикул: 6562757, BLOCK
11 Артикул: 6559206, DISC, BRAKE
12 Артикул: 6557747, PAD
13 Артикул: 6562756, WASHER wear
14 Артикул: 17C812, BOLT
15 Артикул: 85D8, NUT, 5
16 Артикул: 6563178, PIVOT
17 Артикул: 6584584, SPRING Was 6505076 - A
18 Артикул: 6563823, LEVER
19 Артикул: 6577552, BRACKET Was 6563173 - A
20 Артикул: 17C820, BOLT
21 Артикул: 6559218, ANGLE
22 Артикул: 784466, DOWEL PIN
23 Артикул: 14J2516, PIN
24 Артикул: 6506477, WASHER
25 Артикул: 61D8, NUT 5 Was 81D000008B - B
26 Артикул: 25E21, WASHER 5
27 Артикул: 6632601, BREATHER
28 Артикул: 6557937, WASHER

ТОРМОЗНОЙ ДИСК: Техника, которая работает на результат

ТОРМОЗНОЙ ДИСК на Bobcat 500s Bobcat 543 501111999 И НИЖЕ

Габаритные размеры

Габаритные размеры и схема ТОРМОЗНОЙ ДИСК

Нажмите на схему для увеличения

Документация

Документация временно недоступна.

Похожая техника в категории: ТРАНСМИССИЯ (Bobcat)