ТОРМОЗНОЙ ДИСК (Односкоростной мотор) — Продажа в Казахстане Цены от официального дилера с доставкой в Алматы, Астану и регионы
×
❮
❯
Характеристики и описание
Габариты, схема
Техническая документация
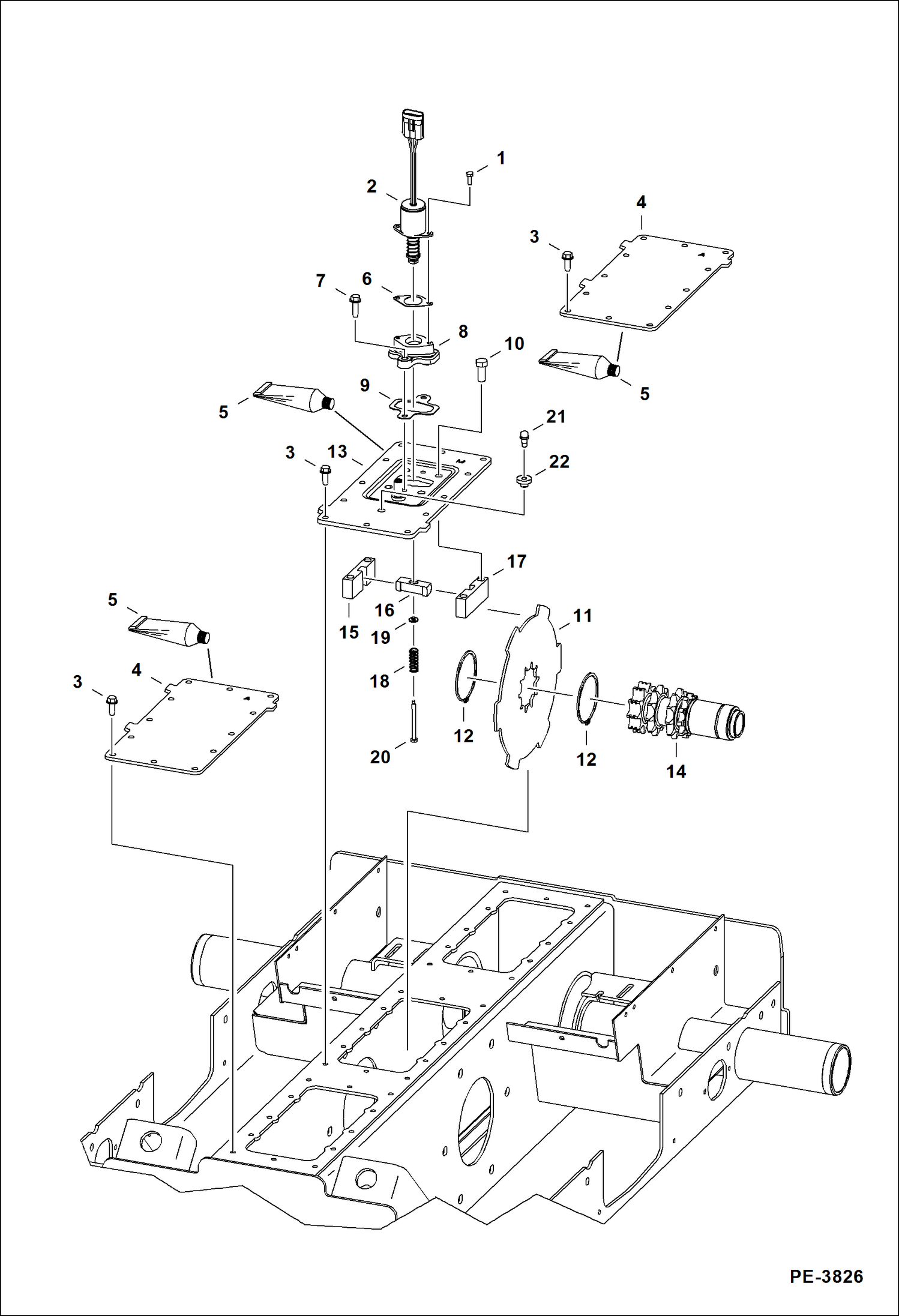
| 1 | Артикул: 17C412, BOLT 5 |
| 2 | Артикул: 6681512, SOLENOID |
| 3 | Артикул: 84G3716, SCREW 5 |
| 4 | Артикул: 7129987, COVER |
| 5 | Артикул: 6685372, SEALANT, GASKET LIQUID 10.1 OZ tube - 0.57 kg (20 oz) |
| 6 | Артикул: 6706737, GASKET |
| 7 | Артикул: 84G3720, BOLT |
| 8 | Артикул: 6706718, MOUNT |
| 9 | Артикул: 6708016, GASKET |
| 10 | Артикул: 47C820, BOLT |
| 11 | Артикул: 7120111, BRAKE, DISC disc |
| 12 | Артикул: 6658672, SNAP RING |
| 13 | Артикул: 7156265, COVER M stamped |
| 14 | Артикул: 7161187, SHAFT, TRANS See Illustration MOTOR CARRIER/ PE1818 - double snap ring groove - Was 6733621 - A |
| 15 | Артикул: 6719056, BLOCK guide - LH |
| 16 | Артикул: 6714278, WEDGE, LOCK TRACTION |
| 17 | Артикул: 6719057, BLOCK guide - RH |
| 18 | Артикул: 6708018, SPRING |
| 19 | Артикул: 25E13, WASHER 5 |
| 20 | Артикул: 6708267, BOLT |
| 21 | Артикул: 6680970, BREATHER |
| 22 | Артикул: 6553411, BUSHING |
ТОРМОЗНОЙ ДИСК (Односкоростной мотор): Техника, которая работает на результат
ТОРМОЗНОЙ ДИСК (Односкоростной мотор) на мини-погрузчик Bobcat S160 A3L311001 И ВЫШЕ, A3L411001 И ВЫШЕ, AEYN11001 И ВЫШЕГабаритные размеры
Нажмите на схему для увеличения
Документация
Документация временно недоступна.
Похожая техника в категории: ТРАНСМИССИЯ (Bobcat)
АВТОТРАНСПОРТЕР (УСТАНОВКА ПРИВОДНОГО ДВИГАТЕЛЯ В СБОРЕ) (ОДНОСКОРОСТНОЙ ДВИГАТЕЛЬ) (БЕЗ СПИДОМЕТРА)
1Артикул: 721816...
2Артикул: 716118...
3Артикул: 663221...
Подробнее >
АВТОТРАНСПОРТЕР (УСТАНОВКА ПРИВОДНОГО ДВИГАТЕЛЯ В СБОРЕ) (2-СКОРОСТЬ ДВИГАТЕЛЯ) (БЕЗ СПИДОМЕТРА)
1Артикул: CARRIE...
2Артикул: 721450...
3Артикул: 712010...
Подробнее >
ТОРМОЗНОЙ ДИСК (2-х скоростной мотор)
1Артикул: 17C412...
2Артикул: 668151...
3Артикул: 84G371...
Подробнее >
АВТОТРАНСПОРТЕР (УСТАНОВКА ПРИВОДНОГО ДВИГАТЕЛЯ В СБОРЕ) (2-СКОРОСТЬ ДВИГАТЕЛЯ) (СО СПИДОМЕТРОМ)
1Артикул: MOUNT,...
2Артикул: 712010...
3Артикул: 663221...
Подробнее >
МОСТ
1Артикул: 48C122...
2Артикул: 655287...
3Артикул: 713413...
Подробнее >
АВТОТРАНСПОРТЕР (УСТАНОВКА ПРИВОДНОГО ДВИГАТЕЛЯ В СБОРЕ) (ОДНОСКОРОСТНОЙ ЭЛЕКТРОДВИГАТЕЛЬ) (СО СПИДОМЕТРОМ)
1Артикул: MOUNT,...
2Артикул: 716118...
3Артикул: 663221...
Подробнее >