+7 (701) 588 50 05 Телефон для связи
RU

WhatsApp

Позвонить

ТРУБОПРОВОД СЕРВОУПРАВЛЕНИЯ(2) — Продажа в Казахстане Цены от официального дилера с доставкой в Алматы, Астану и регионы

Техника доступна в:
Полный спектр услуг:
Для Вашего удобства:
Характеристики и описание
Габариты, схема
Техническая документация
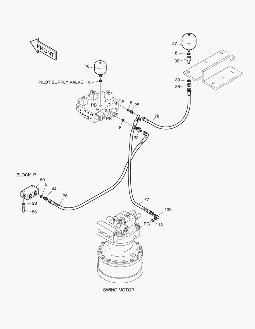
1 Артикул: 400-01224, PILOT PIPING
2 Артикул: 420212-04712A, PIPING,PILOT
3 Артикул: 420212-04712B, PIPING,PILOT
4 Артикул: S8000181, O-RING
5 Артикул: S8000141, O-RING
6 Артикул: S8000111, O-RING
7 Артикул: 2460-9054, ACCUMULATOR
8 Артикул: 2181-1126D36, ADAPTER
9 Артикул: S5102603, WASHER
10 Артикул: 2181-1951D28, TEE PFO3/8-PF1/2-PF1/4
11 Артикул: 181-00140, REDUCER
12 Артикул: 2460-9056, ACCUMULATOR
13 Артикул: 121-00006, NUT
14 Артикул: S5102803, WASHER
15 Артикул: 2471-1135, FILTER
16 Артикул: S0558653, BOLT M10X1.5X55
17 Артикул: 2423-1470, BLOCK
18 Артикул: 100201-01615A, BLOCK
19 Артикул: 2184-1036D267, HOSE PF1/2-2000L
20 Артикул: 2184-1046D172, HOSE PF1/4-1650L
21 Артикул: 2184-1045D112, HOSE PF1/4-510L
22 Артикул: 2181-1702D4, ELBOW

ТРУБОПРОВОД СЕРВОУПРАВЛЕНИЯ(2): Техника, которая работает на результат

ТРУБОПРОВОД СЕРВОУПРАВЛЕНИЯ(2) на Doosan Экскаваторы SOLAR 185W-V

Габаритные размеры

Габаритные размеры и схема ТРУБОПРОВОД СЕРВОУПРАВЛЕНИЯ(2)

Нажмите на схему для увеличения

Документация

Документация временно недоступна.

Похожая техника в категории: КОРПУСНЫЕ ДЕТАЛИ (Develon)

Спецтехника ПУЛЬТ УПРАВЛЕНИЯ-ПРАВОСТОРОННИЙ

ПУЛЬТ УПРАВЛЕНИЯ-ПРАВОСТОРОННИЙ

1Артикул: 195-02...
2Артикул: 220111...
3Артикул: 195-01...
Подробнее >
Спецтехника АКУСТИЧЕСКАЯ НОПЛАСТОВАЯ ИЗОЛЯЦИЯ-ЕВРОПА ОПЦИЯ

АКУСТИЧЕСКАЯ НОПЛАСТОВАЯ ИЗОЛЯЦИЯ-ЕВРОПА ОПЦИЯ

1Артикул: 161-00...
2Артикул: 161-00...
3Артикул: 195-00...
Подробнее >
Спецтехника ТУБОПРОВОД МАСЛЯНОГО РАДИАТОРА(2)

ТУБОПРОВОД МАСЛЯНОГО РАДИАТОРА(2)

1Артикул: 400-01...
2Артикул: 420212...
3Артикул: 140-01...
Подробнее >
Спецтехника ЭЛЕКТРОПРОВОДКА(3)-СОПРЯЖЕННЫЕ ДЕТАЛИ

ЭЛЕКТРОПРОВОДКА(3)-СОПРЯЖЕННЫЕ ДЕТАЛИ

1Артикул: 500-00...
2Артикул: 300619...
3Артикул: 599-00...
Подробнее >
Спецтехника 1180 FUEL TANK

1180 FUEL TANK

1Артикул: 470-00...
2Артикул: 450103...
3Артикул: 470-00...
Подробнее >
Спецтехника ТРУБОПРОВОД СЕРВОУПРАВЛЕНИЯ(10)

ТРУБОПРОВОД СЕРВОУПРАВЛЕНИЯ(10)

1Артикул: 400-01...
2Артикул: 420212...
3Артикул: 420212...
Подробнее >
Спецтехника ТРУБОПРОВОД СЕРВОУПРАВЛЕНИЯ(4)

ТРУБОПРОВОД СЕРВОУПРАВЛЕНИЯ(4)

1Артикул: 400-00...
2Артикул: 420212...
3Артикул: 420212...
Подробнее >
Спецтехника КРЫШКА(4)

КРЫШКА(4)

1Артикул: 621-02...
2Артикул: 621-02...
3Артикул: 621-02...
Подробнее >
Спецтехника УСТАНОВКА СИДЕНЬЯ

УСТАНОВКА СИДЕНЬЯ

1Артикул: 901-00...
2Артикул: 901-00...
3Артикул: S22087...
Подробнее >
Спецтехника ЭЛЕКТРИЧЕСКИЕ ЗАПЧАСТИ(4)-КАБИНА

ЭЛЕКТРИЧЕСКИЕ ЗАПЧАСТИ(4)-КАБИНА

1Артикул: 500-00...
2Артикул: 300619...
3Артикул: 300619...
Подробнее >
Спецтехника 1900 COOLER & HEATER ASS`Y(2)-ENGINE PART

1900 COOLER & HEATER ASS`Y(2)-ENGINE PART

1Артикул: 920-00...
2Артикул: 440213...
3Артикул: 2208-6...
Подробнее >
Спецтехника КАБИНА(5)

КАБИНА(5)

1Артикул: 622-00...
2Артикул: 220101...
3Артикул: 220101...
Подробнее >