+7 (701) 588 50 05 Телефон для связи
RU

WhatsApp

Позвонить

ТУБОПРОВОД МАСЛЯНОГО РАДИАТОРА(2) — Продажа в Казахстане Цены от официального дилера с доставкой в Алматы, Астану и регионы

Техника доступна в:
Полный спектр услуг:
Для Вашего удобства:
Характеристики и описание
Габариты, схема
Техническая документация
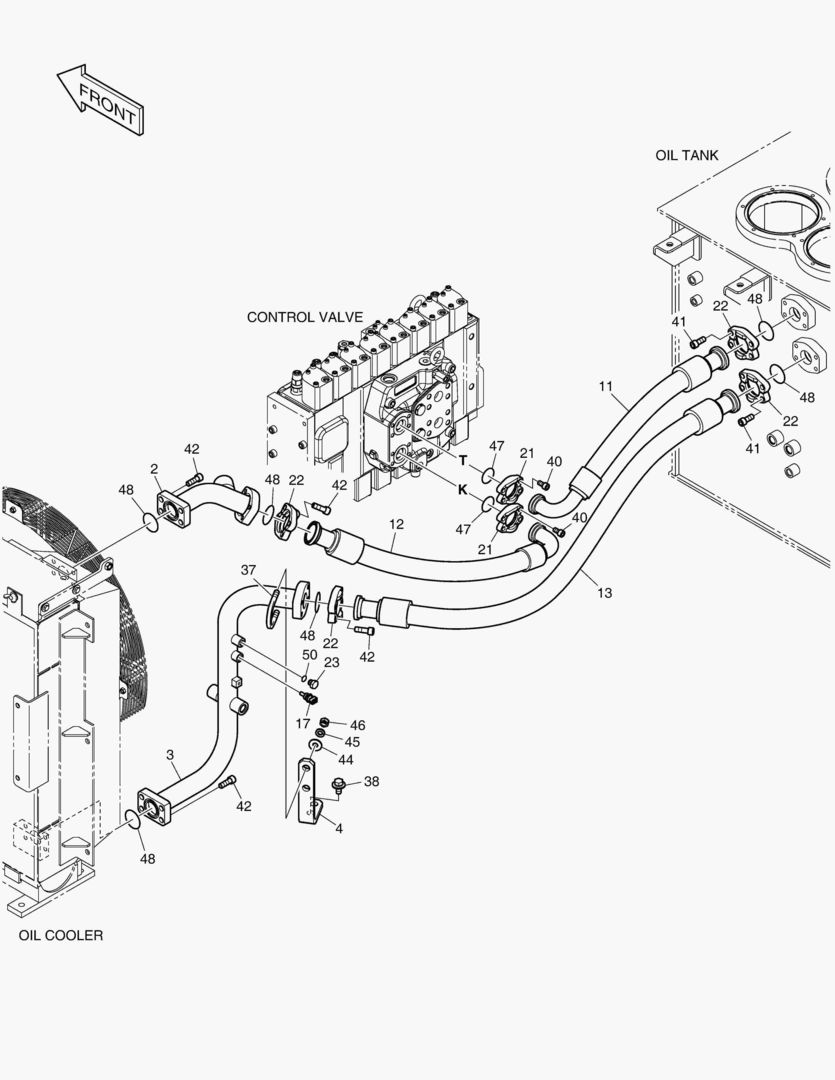
1 Артикул: 420212-07960, PIPING,OIL COOLER
2 Артикул: 420207-00280B, PIPE,RETURN
3 Артикул: 420207-00281G, PIPE,OIL COOLER;RETURN
4 Артикул: 110406-00277A, BRACKET;PIPE MOUNTING
5 Артикул: DS2040803, HOSE
6 Артикул: DS20401312, HOSE
7 Артикул: DS2038387, HOSE
8 Артикул: K1003296, SENSOR
9 Артикул: 4215-1003D4, FLANGE
10 Артикул: 4215-1003D5, FLANGE
11 Артикул: 2181-1950D1, PLUG
12 Артикул: 120-00317, BOLT
13 Артикул: DS0025018, BOLT
14 Артикул: S2212066, BOLT;SOCKET M10X1.5X25
15 Артикул: S2215266, BOLT;SOCKET M12X1.75X30
16 Артикул: S2215366, BOLT;SOCKET M12X35
17 Артикул: 2114-1058D72, WASHER
18 Артикул: S5102703, WASHER
19 Артикул: S4012733, NUT
20 Артикул: 2180-1026D23, O-RING
21 Артикул: 2180-1026D28, O-RING
22 Артикул: S8000111, O-RING

ТУБОПРОВОД МАСЛЯНОГО РАДИАТОРА(2): Техника, которая работает на результат

ТУБОПРОВОД МАСЛЯНОГО РАДИАТОРА(2) на Doosan Экскаваторы DX340LC-5 / DX350LC-5(S/N:10001~10049)

Габаритные размеры

Габаритные размеры и схема ТУБОПРОВОД МАСЛЯНОГО РАДИАТОРА(2)

Нажмите на схему для увеличения

Документация

Документация временно недоступна.

Похожая техника в категории: КОРПУСНЫЕ ДЕТАЛИ (Develon)

Спецтехника ПУЛЬТ УПРАВЛЕНИЯ - ПРАВОСТОРОННИЙ

ПУЛЬТ УПРАВЛЕНИЯ - ПРАВОСТОРОННИЙ

1Артикул: 220111...
2Артикул: 220111...
3Артикул: 220204...
Подробнее >
Спецтехника ДВИГАТЕЛЬ (EU)

ДВИГАТЕЛЬ (EU)

1Артикул: 150109...
2Артикул: 150109...
3-
Подробнее >
Спецтехника МОНТАЖ ДВИГАТЕЛЯ(2)

МОНТАЖ ДВИГАТЕЛЯ(2)

1Артикул: 150109...
2Артикул: 110406...
3Артикул: 110406...
Подробнее >
Спецтехника 1570 CABIN(3)

1570 CABIN(3)

1Артикул: 220101...
2Артикул: 420210...
3Артикул: 2120-2...
Подробнее >
Спецтехника 1650 SUPPORT

1650 SUPPORT

1Артикул: 110958...
2Артикул: 110958...
3Артикул: 110958...
Подробнее >
Спецтехника 1900 TMS - EU

1900 TMS - EU

1Артикул: 300619...
2Артикул: 300619...
3Артикул: 300611...
Подробнее >
Спецтехника 1190 OIL COOLER

1190 OIL COOLER

1Артикул: 150109...
2Артикул: 400206...
3Артикул: 400206...
Подробнее >
Спецтехника ОБТЕКАЕМАЯ ПОДКУЗОВНАЯ ПАНЕЛЬ

ОБТЕКАЕМАЯ ПОДКУЗОВНАЯ ПАНЕЛЬ

1Артикул: 110513...
2Артикул: 110513...
3Артикул: 110513...
Подробнее >
Спецтехника ТРУБОПРОВОД СЕРВОУПРАВЛЕНИЯ(3)

ТРУБОПРОВОД СЕРВОУПРАВЛЕНИЯ(3)

1Артикул: 420212...
2Артикул: 410111...
3Артикул: 300715...
Подробнее >
Спецтехника 1550 CABIN(1)

1550 CABIN(1)

1Артикул: 220101...
2Артикул: -, BOD...
3Артикул: 180313...
Подробнее >
Спецтехника ЭЛЕКТРИЧЕСКИЕ ЗАПЧАСТИ - ПУЛЬТ УПРАВЛЕНИЯ

ЭЛЕКТРИЧЕСКИЕ ЗАПЧАСТИ - ПУЛЬТ УПРАВЛЕНИЯ

1Артикул: 300619...
2Артикул: 301419...
3Артикул: 110702...
Подробнее >
Спецтехника МОНТАЖ ДВИГАТЕЛЯ(1)

МОНТАЖ ДВИГАТЕЛЯ(1)

1Артикул: 150109...
2Артикул: 420203...
3Артикул: 420203...
Подробнее >