+7 (701) 588 50 05 Телефон для связи
RU

WhatsApp

Позвонить

ТУРБОКОМПРЕССОР — Продажа в Казахстане Цены от официального дилера с доставкой в Алматы, Астану и регионы

Техника доступна в:
Полный спектр услуг:
Для Вашего удобства:
Характеристики и описание
Габариты, схема
Техническая документация
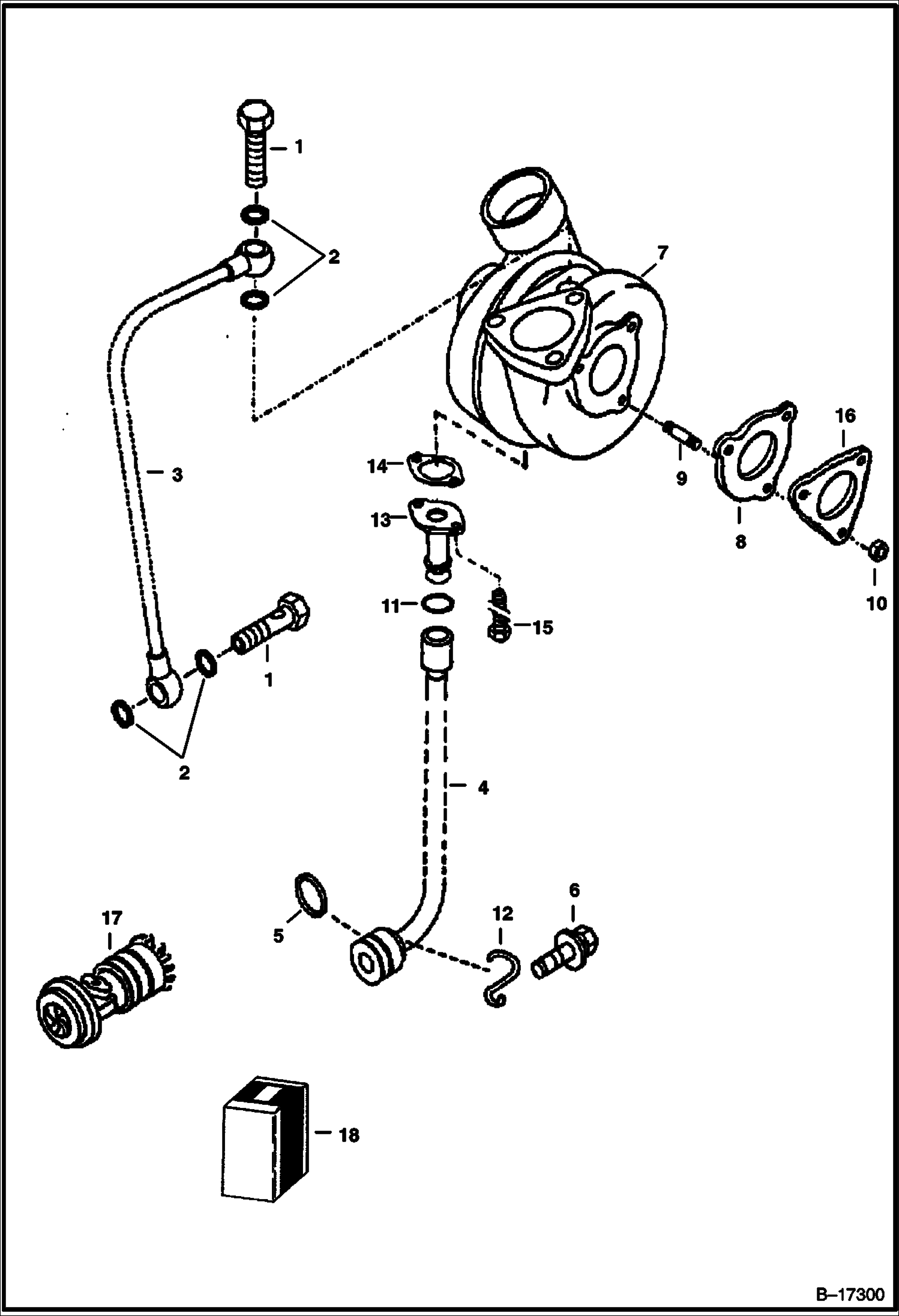
1 Артикул: 6666396, SCREW
2 Артикул: 2FM12155, WASHER
3 Артикул: 6668948, TUBE oil lubricating
4 Артикул: 6668106, TUBE oil return
5 Артикул: 6666401, O-RING green
6 Артикул: 6668938, BOLT
7 Артикул: 6677575, TURBOCHARGER
8 Артикул: 6666520REM, TURBOCHARGER, DEUTZ 1011 Was 6677575REM - A
9 Артикул: 6677575EF, TURBOCHARGER
10 Артикул: 6665910, GASKET
11 Артикул: 6666407, STUD
12 Артикул: 6666398, NUT
13 Артикул: 6668109, O-RING
14 Артикул: 6666509, RETAINER
15 Артикул: 6677576, FLANGE
16 Артикул: 6677577, GASKET
17 Артикул: 6677578, BOLT
18 Артикул: 6673169, FLANGE
19 Артикул: CORE, CORE NLA - turbocharger - Order Ref. 7
20 Артикул: 6668895, REPAIR KIT turbocharger - includes snap ring, O-ring, & (3) bolts

ТУРБОКОМПРЕССОР: Техника, которая работает на результат

ТУРБОКОМПРЕССОР на Bobcat 800s Bobcat 883 520111001 И ВЫШЕ, 520211001 И ВЫШЕ

Габаритные размеры

Габаритные размеры и схема ТУРБОКОМПРЕССОР

Нажмите на схему для увеличения

Документация

Документация временно недоступна.

Похожая техника в категории: ЗАПЧАСТИ ДВИГАТЕЛЯ (Bobcat)

Спецтехника ДВИГАТЕЛЬ И КРЕПЕЖНЫЕ ДЕТАЛИ (ВОЗДУХООЧИСТИТЕЛЬ, ГЛУШИТЕЛЬ)

ДВИГАТЕЛЬ И КРЕПЕЖНЫЕ ДЕТАЛИ (ВОЗДУХООЧИСТИТЕЛЬ, ГЛУШИТЕЛЬ)

1Артикул: 667396...
2Артикул: 45C616...
3Артикул: 671378...
Подробнее >
Спецтехника КОМПЛЕКТЫ ПРОКЛАДОК ДВИГАТЕЛЯ

КОМПЛЕКТЫ ПРОКЛАДОК ДВИГАТЕЛЯ

1Артикул: ENGINE...
2Артикул: 667212...
3Артикул: 667913...
Подробнее >
Спецтехника МАСЛЯНЫЙ НАСОС

МАСЛЯНЫЙ НАСОС

1Артикул: 666953...
2Артикул: 666893...
3Артикул: 1DM6, ...
Подробнее >
Спецтехника СИСТЕМА ОХЛАЖДЕНИЯ

СИСТЕМА ОХЛАЖДЕНИЯ

1Артикул: 671079...
2Артикул: 671920...
3Артикул: 671920...
Подробнее >
Спецтехника СИСТЕМА ВПРЫСКА ТОПЛИВА

СИСТЕМА ВПРЫСКА ТОПЛИВА

1Артикул: 667783...
2Артикул: 668819...
3Артикул: 668818...
Подробнее >
Спецтехника ПРИВОД ВЕНТИЛЯТОРА ОХЛАЖДЕНИЯ В СБОРЕ

ПРИВОД ВЕНТИЛЯТОРА ОХЛАЖДЕНИЯ В СБОРЕ

1Артикул: 673410...
2-
3-
Подробнее >
Спецтехника ГОЛОВКА ЦИЛИНДРА И КРЫШКА

ГОЛОВКА ЦИЛИНДРА И КРЫШКА

1Артикул: 667277...
2Артикул: 667248...
3Артикул: 666645...
Подробнее >
Спецтехника ПОРШНИ И КОЛЕНВАЛ

ПОРШНИ И КОЛЕНВАЛ

1Артикул: 667289...
2Артикул: 666640...
3Артикул: 666647...
Подробнее >
Спецтехника МАСЛЯНЫЙ ПОДДОН

МАСЛЯНЫЙ ПОДДОН

1Артикул: 666889...
2Артикул: 666893...
3Артикул: 666650...
Подробнее >
Спецтехника ДВИГАТЕЛЬ, ЕГО ЧАСТИ

ДВИГАТЕЛЬ, ЕГО ЧАСТИ

1Артикул: ENGINE...
2Артикул: MOUNT,...
3Артикул: 55CM82...
Подробнее >
Спецтехника ВОЗДУШНЫЙ ФИЛЬТР

ВОЗДУШНЫЙ ФИЛЬТР

1Артикул: 667483...
2Артикул: TANK, ...
3Артикул: 666637...
Подробнее >
Спецтехника КАРТЕР ДВИГАТЕЛЯ

КАРТЕР ДВИГАТЕЛЯ

1Артикул: BLOCK,...
2Артикул: 666669...
3Артикул: 666639...
Подробнее >