УПРАВЛЕНИЕ ХОДОМ — Продажа в Казахстане Цены от официального дилера с доставкой в Алматы, Астану и регионы
×
❮
❯
Характеристики и описание
Габариты, схема
Техническая документация
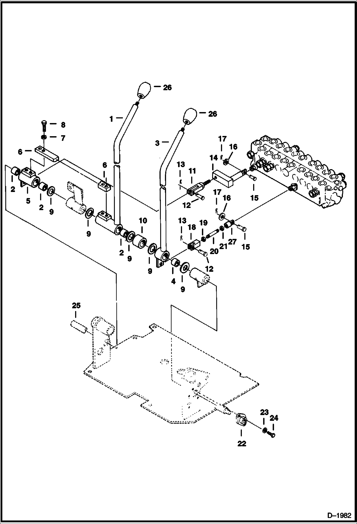
| 1 | Артикул: 6533990, LEVER NLA - W/Ref. 2 - Was 6533990 - A |
| 2 | Артикул: BUSHING, BUSHING NLA - Was 6652556 - A |
| 3 | Артикул: 6533717, LEVER NLA - W/Ref. 4 - Was 6533717 - A |
| 4 | Артикул: BUSHING, BUSHING NLA - Was 6651904 - A |
| 5 | Артикул: 6533989, LEVER NLA - W/Ref. 2 - Was 6533989 - A |
| 6 | Артикул: 6533988, PLATE NLA - Was 6533988 - A |
| 7 | Артикул: 6EM100, WASHER |
| 8 | Артикул: 1CM1020, BOLT |
| 9 | Артикул: 6534701, SHIM NLA - Was 6534701 - A |
| 10 | Артикул: 6533792, SPACER NLA - Was 6533792 |
| 11 | Артикул: 6535432, YOKE |
| 12 | Артикул: PIN, PIN NLA - Was 6533788 - A |
| 13 | Артикул: 13JM20016, SPLIT PIN |
| 14 | Артикул: YOKE, YOKE NLA - Was 6535431 - A |
| 15 | Артикул: PIN, PIN NLA - Was 6534700 - A |
| 16 | Артикул: 6535011, WASHER NLA - Was 6535011 - A |
| 17 | Артикул: 13JM10016, COTTERPIN |
| 18 | Артикул: 6533786, YOKE NLA - 8 mm L.H. thread - Was 6533786 - A |
| 19 | Артикул: 6533905, NUT NLA - 8 mm thread L.H. - Was 6533905 - A |
| 20 | Артикул: 6533790, ROD NLA - Was 6533790 - A |
| 21 | Артикул: 1DM8, NUT |
| 22 | Артикул: 6654206, BEARING NLA - Was 6654206 - A |
| 23 | Артикул: 6EM60, WASHER, SPRING |
| 24 | Артикул: 1CM616, SCREW Was 1CM00615B - A |
| 25 | Артикул: SHAFT, SHAFT See Illustration CONTROL PEDAL/ D1984 NLA - WAS 6534828 - A |
| 26 | Артикул: KNOB, KNOB NLA - Was 6535015 - A |
| 27 | Артикул: YOKE, YOKE NLA - Was 6533799 - A |
УПРАВЛЕНИЕ ХОДОМ: Техника, которая работает на результат
УПРАВЛЕНИЕ ХОДОМ на мини-экскаватор Bobcat 220 508211501 - 508211999Габаритные размеры
Нажмите на схему для увеличения
Документация
Документация временно недоступна.
Похожая техника в категории: УСТРОЙСТВА УПРАВЛЕНИЯ (Bobcat)
СТРЕЛА И МЕХАНИЗМ УПРАВЛЕНИЯ КОВШОМ
1Артикул: 653371...
2Артикул: KNOB, ...
3Артикул: BOOT, ...
Подробнее >
ПОВОРОТ СТРЕЛЫ И РАСПРЕДЕЛИТЕЛЬ ОТВАЛА
1Артикул: 653372...
2Артикул: BUSHIN...
3Артикул: 653372...
Подробнее >
ПОВОРОТНЫЙ МЕХАНИЗМ И УСТРОЙСТВО УПРАВЛЕНИЯ РУКОЯТЬЮ
1Артикул: 653483...
2Артикул: KNOB, ...
3Артикул: BOOT, ...
Подробнее >
ПЕДАЛЬ УПРАВЛЕНИЯ ВСПОМОГАТЕЛЬНЫЕ ГИДРАВЛИЧЕСКИЕ МЕХАНИЗМЫ
1Артикул: 653373...
2Артикул: 665255...
3Артикул: JOINT,...
Подробнее >