+7 (701) 588 50 05 Телефон для связи
RU

WhatsApp

Позвонить

УСТАНОВКА ГИДРАВЛИЧЕСКОГО БАКА — Продажа в Казахстане Цены от официального дилера с доставкой в Алматы, Астану и регионы

Техника доступна в:
Полный спектр услуг:
Для Вашего удобства:
Характеристики и описание
Габариты, схема
Техническая документация
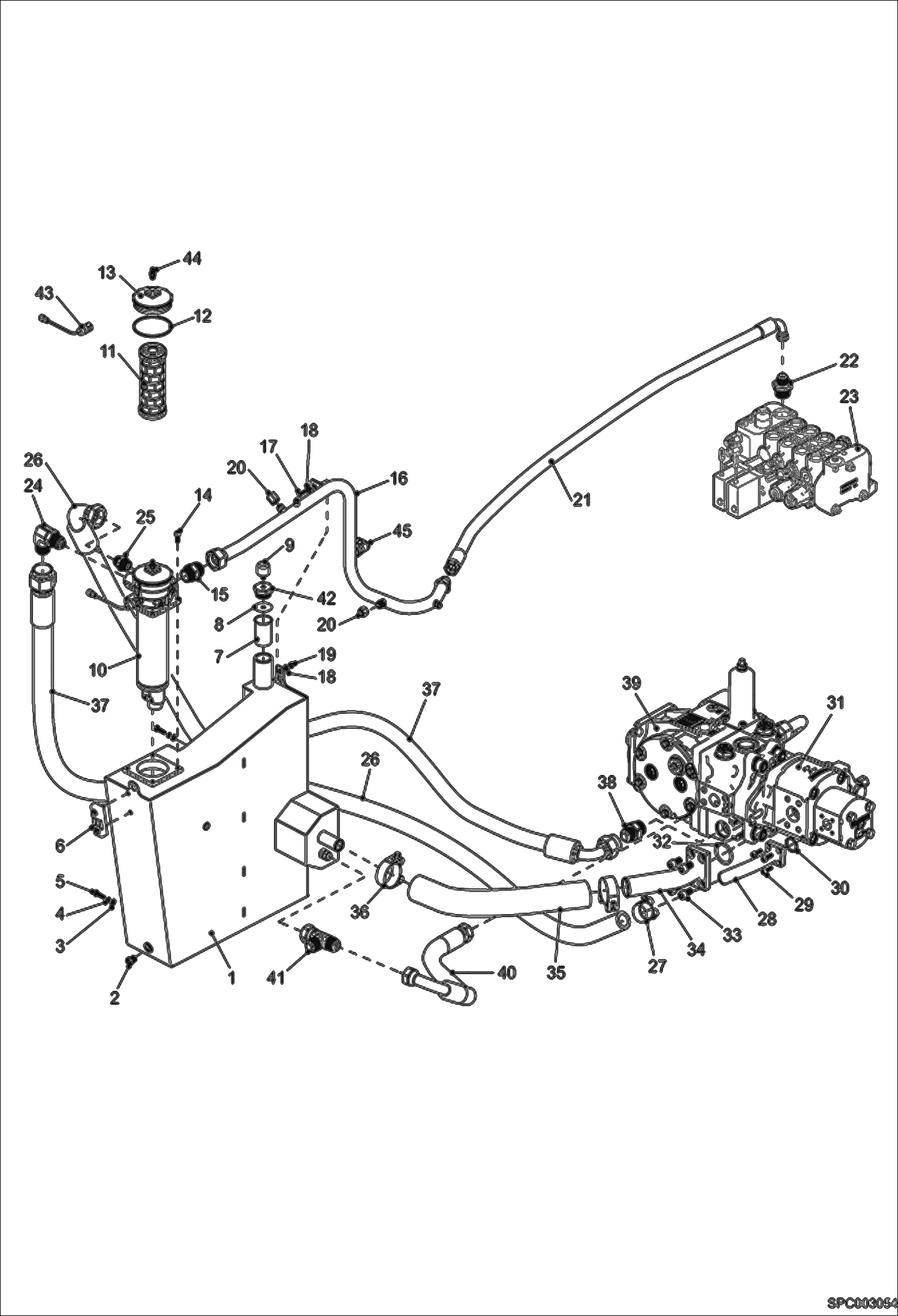
1 Артикул: 6913526, HYDRAULIC TANK Was 6911094
2 Артикул: 78743.2, Drain plug
3 Артикул: 38025.3, Washer
4 Артикул: 01718.6, Washer
5 Артикул: 4CM825, BOLT Was 01597.4 - B
6 Артикул: 54194.6, Gauge
7 Артикул: 6913570, STRAINER
8 Артикул: 6913569, SEAL Was 98583.8
9 Артикул: 6917778, BREATHER Was 37148.4
10 Артикул: 6911140, FILTER Ref. 11-13, 43 & 44
11 Артикул: 7268453, SEPARATOR
12 Артикул: 7268455, BODY
13 Артикул: 6913059, FILTER, OIL HYD
14 Артикул: 6912548, FILTER , SEAL KIT complete set of (4) seals for 6911140 filter
15 Артикул: 6912572, COVER ASMBLY
16 Артикул: 01639.4, Screw
17 Артикул: 6909739, UNION 1.7/8JIC 1.1/4BSP
18 Артикул: 6926969, TUBELINE Was 6923433 - A
19 Артикул: 4CM825, BOLT Was 01597.4 - B
20 Артикул: 000350-02V, WASHER
21 Артикул: 01681.6, Nut Was 51851.4 - B
22 Артикул: 36K7, FITTING Was 011374-62W - A
23 Артикул: 6913649, HOSE
24 Артикул: 68609.7, Union Was 6910603
25 Артикул: 6912484, VALVE 4SX14 P265B
26 Артикул: 69274.9, Elbow union
27 Артикул: 85170.9, Union
28 Артикул: 6910602, HOSE TJ1.5/16 25.4 L1980 P185B
29 Артикул: 6919333, COLLAR Was 89522.7
30 Артикул: 6908091, FLANGE D20 T25
31 Артикул: 10167.5, Screw
32 Артикул: 93049.5, O-ring
33 Артикул: 6909447, PUMP, HYD ASSY
34 Артикул: 92637.8, O-ring
35 Артикул: 10662.5, Screw
36 Артикул: 6911767, FLANGE SAE 1--
37 Артикул: 6910573, HOSE D38 L400 SAE100R4
38 Артикул: 89523.5, Clamp
39 Артикул: 6913204, HOSE
40 Артикул: 78705.1, Adapter
41 Артикул: PUMP,, PUMP, HYDROSTATIC NAP - Was 6910533
42 Артикул: 6913565, HYDROSTATIC PUMP
43 Артикул: 6910599, HOSE TJ 1.1/16 19 TJ90 1.1/16 L470
44 Артикул: 008372-34M, UNION
45 Артикул: 6917779, PLUG Was 6913567
46 Артикул: 6912549, FILTER, PLUGGING INDICATOR Was 6913238
47 Артикул: 6910741, PLUG ASMBLY
48 Артикул: 008372-14Q, ELBOW

УСТАНОВКА ГИДРАВЛИЧЕСКОГО БАКА: Техника, которая работает на результат

УСТАНОВКА ГИДРАВЛИЧЕСКОГО БАКА на телескопический погрузчик Bobcat T35120SL 363711001 - 363711999, 363811001 - 363811999

Габаритные размеры

Габаритные размеры и схема УСТАНОВКА ГИДРАВЛИЧЕСКОГО БАКА

Нажмите на схему для увеличения

Документация

Документация временно недоступна.

Похожая техника в категории: ГИДРАВЛИЧЕСКАЯ СИСТЕМА (Bobcat)

Спецтехника УСТАНОВКА СТАБИЛИЗАТОРОВ (СЕРИЙНЫЙ НОМЕР 363811001 - 363812000)

УСТАНОВКА СТАБИЛИЗАТОРОВ (СЕРИЙНЫЙ НОМЕР 363811001 - 363812000)

1Артикул: 721316...
2Артикул: 721317...
3Артикул: 721317...
Подробнее >
Спецтехника УСТАНОВКА УРОВНЯ РАМЫ

УСТАНОВКА УРОВНЯ РАМЫ

1Артикул: 92089....
2Артикул: 67166....
3Артикул: 730891...
Подробнее >
Спецтехника ТЕЛЕСКОПИЧЕСКИЙ ЦИЛИНДР

ТЕЛЕСКОПИЧЕСКИЙ ЦИЛИНДР

1Артикул: 691308...
2Артикул: 725622...
3Артикул: 97013....
Подробнее >
Спецтехника РАСПРЕДЕЛИТЕЛЬНЫЕ КЛАПАНЫ СТАБИЛИЗАТОРА (СЕРИЙНЫЙ НОМЕР 363811001 - 363812000)

РАСПРЕДЕЛИТЕЛЬНЫЕ КЛАПАНЫ СТАБИЛИЗАТОРА (СЕРИЙНЫЙ НОМЕР 363811001 - 363812000)

1Артикул: 691107...
2Артикул: 691253...
3Артикул: 98897....
Подробнее >
Спецтехника ЦИЛИНДР КОМПЕНСАЦИИ (6914554)

ЦИЛИНДР КОМПЕНСАЦИИ (6914554)

1Артикул: 691455...
2Артикул: 691260...
3Артикул: 703021...
Подробнее >
Спецтехника ШЛАНГИ РУЛЕВОГО УПРАВЛЕНИЯ И ФИТИНГИ (БЕЗ ДЕМПФЕРА)

ШЛАНГИ РУЛЕВОГО УПРАВЛЕНИЯ И ФИТИНГИ (БЕЗ ДЕМПФЕРА)

1Артикул: 690944...
2Артикул: 722942...
3Артикул: 101319...
Подробнее >
Спецтехника ШЛАНГИ РУЛЕВОГО УПРАВЛЕНИЯ И ФИТИНГИ (С ДЕМПФЕРОМ)

ШЛАНГИ РУЛЕВОГО УПРАВЛЕНИЯ И ФИТИНГИ (С ДЕМПФЕРОМ)

1Артикул: 690944...
2Артикул: 722942...
3Артикул: 79147....
Подробнее >
Спецтехника БЫСТРОУСТАНАВЛИВАЕМЫЙ ЦИЛИНДР (НОМЕР ПРОДАВЦА 6916225)

БЫСТРОУСТАНАВЛИВАЕМЫЙ ЦИЛИНДР (НОМЕР ПРОДАВЦА 6916225)

1Артикул: 691622...
2Артикул: 691211...
3Артикул: 691211...
Подробнее >
Спецтехника БЫСТРОУСТАНАВЛИВАЕМОЕ УСТРОЙСТВО

БЫСТРОУСТАНАВЛИВАЕМОЕ УСТРОЙСТВО

1Артикул: 722515...
2Артикул: 722516...
3Артикул: 722515...
Подробнее >
Спецтехника УСТАНОВКА ТЕЛЕСКОПИЧЕСКОГО ЦИЛИНДРА

УСТАНОВКА ТЕЛЕСКОПИЧЕСКОГО ЦИЛИНДРА

1Артикул: 691308...
2Артикул: 724511...
3Артикул: 11689....
Подробнее >
Спецтехника ЦИЛИНДР НАКЛОНА (6914553)

ЦИЛИНДР НАКЛОНА (6914553)

1Артикул: 691455...
2Артикул: 691208...
3Артикул: 75618....
Подробнее >
Спецтехника БЫСТРОУСТАНАВЛИВАЕМЫЙ ЦИЛИНДР (НОМЕР ПРОДАВЦА 92420.9)

БЫСТРОУСТАНАВЛИВАЕМЫЙ ЦИЛИНДР (НОМЕР ПРОДАВЦА 92420.9)

1Артикул: CYLIND...
2Артикул: CYLIND...
3Артикул: 92645....
Подробнее >