+7 (701) 588 50 05 Телефон для связи
RU

WhatsApp

Позвонить

УСТАНОВКА КАБИНЫ — Продажа в Казахстане Цены от официального дилера с доставкой в Алматы, Астану и регионы

Техника доступна в:
Полный спектр услуг:
Для Вашего удобства:
Характеристики и описание
Габариты, схема
Техническая документация
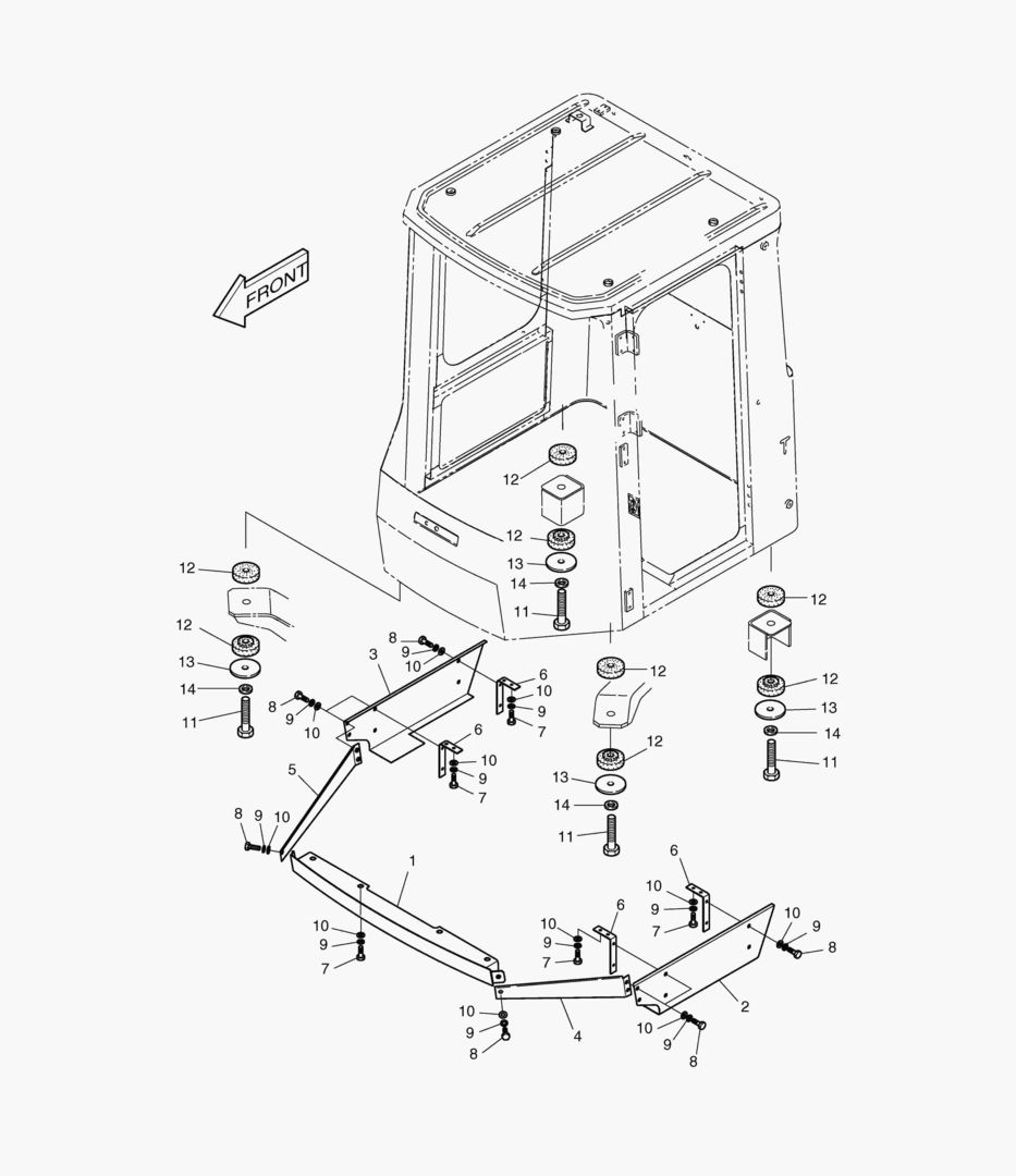
1 Артикул: 4622-1524, CABIN MOUNTING
2 Артикул: 4627-1626, COVER(CENTER)
3 Артикул: 4627-1610A, COVER(L.H)
4 Артикул: 4627-1618B, COVER(R.H)
5 Артикул: 4627-1619, COVER(L.H)
6 Артикул: 4627-1620, COVER(R.H)
7 Артикул: 4197-2405B, BRACKET
8 Артикул: S0509053, BOLT M8X1.25X25
9 Артикул: S0508653, BOLT M8X1.25X16
10 Артикул: S5102503, WASHER
11 Артикул: 2114-1058D29, WASHER
12 Артикул: S0576266, BOLT
13 Артикул: 2161-9413, RUBBER;FRONT
14 Артикул: 4114-4156A, WASHER;REBOUND
15 Артикул: 2114-1831, WASHER;HARDEN

УСТАНОВКА КАБИНЫ: Техника, которая работает на результат

УСТАНОВКА КАБИНЫ на Doosan Колесные погрузчики MEGA 160 TIER-II

Габаритные размеры

Габаритные размеры и схема УСТАНОВКА КАБИНЫ

Нажмите на схему для увеличения

Документация

Документация временно недоступна.

Похожая техника в категории: КОРПУСНЫЕ ДЕТАЛИ (Develon)

Спецтехника КОЛЕСА В СБОРЕ - ОПЦИЯ

КОЛЕСА В СБОРЕ - ОПЦИЯ

1Артикул: K10114...
2Артикул: 278-00...
3Артикул: 2.422-...
Подробнее >
Спецтехника ЭЛЕКТРИЧЕСКИЕ ЗАПЧАСТИ(6)-ГЕНЕРАТОР ПЕРЕМЕННОГО ТОКА

ЭЛЕКТРИЧЕСКИЕ ЗАПЧАСТИ(6)-ГЕНЕРАТОР ПЕРЕМЕННОГО ТОКА

1Артикул: 500-00...
2Артикул: 500-00...
3Артикул: 2544-9...
Подробнее >
Спецтехника 1550 ROTATING BEACON

1550 ROTATING BEACON

1Артикул: 4534-1...
2Артикул: 2549-9...
3Артикул: K90003...
Подробнее >
Спецтехника ВСАСЫВАЮЩИЙ ТРУБОПРОВОД

ВСАСЫВАЮЩИЙ ТРУБОПРОВОД

1Артикул: 400-01...
2Артикул: 401-00...
3Артикул: S05183...
Подробнее >
Спецтехника ЭЛЕКТРИЧЕСКИЕ ЗАПЧАСТИ(1)-ЭЛЕКТРОШКАФ

ЭЛЕКТРИЧЕСКИЕ ЗАПЧАСТИ(1)-ЭЛЕКТРОШКАФ

1Артикул: 500-00...
2Артикул: 500-00...
3Артикул: 2543-9...
Подробнее >
Спецтехника ФИЛЬТР В СБОРЕ

ФИЛЬТР В СБОРЕ

1Артикул: 471-00...
2Артикул: 2471-6...
3Артикул: 2471-6...
Подробнее >
Спецтехника 1150 MAIN PIPING

1150 MAIN PIPING

1Артикул: 400-00...
2Артикул: 4420-9...
3Артикул: 420-00...
Подробнее >
Спецтехника 1350 FENDER & LADDER

1350 FENDER & LADDER

1Артикул: 4627-1...
2Артикул: 4627-1...
3Артикул: 4627-1...
Подробнее >
Спецтехника КОНДИЦИОНЕР(2)

КОНДИЦИОНЕР(2)

1Артикул: 4920-1...
2Артикул: 4185-1...
3Артикул: 2180-6...
Подробнее >
Спецтехника 1280 CABIN(1)

1280 CABIN(1)

1Артикул: 4622-1...
2Артикул: 4622-1...
3Артикул: 4622-1...
Подробнее >
Спецтехника 1100 FRAME

1100 FRAME

1Артикул: 600-00...
2Артикул: 606-00...
3Артикул: 606-00...
Подробнее >
Спецтехника МОНТАЖ КОНДЕНСАТОРА

МОНТАЖ КОНДЕНСАТОРА

1Артикул: 4627-1...
2Артикул: S51025...
3Артикул: 4197-2...
Подробнее >