+7 (701) 588 50 05 Телефон для связи
RU

WhatsApp

Позвонить

УСТРОЙСТВА УПРАВЛЕНИЯ ДРОССЕЛЬНАЯ ЗАСЛОНКА — Продажа в Казахстане Цены от официального дилера с доставкой в Алматы, Астану и регионы

Техника доступна в:
Полный спектр услуг:
Для Вашего удобства:
Характеристики и описание
Габариты, схема
Техническая документация
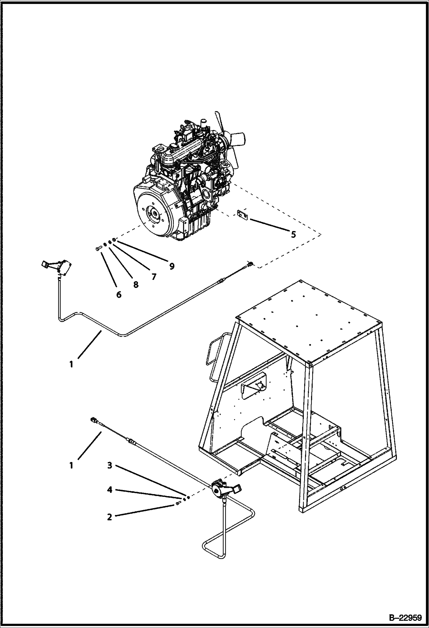
1 Артикул: 6960685, LEVER
2 Артикул: 1CM516, BOLT Was 4CM516 - A
3 Артикул: 16DM5, NUT
4 Артикул: 6962782, WASHER
5 Артикул: 6960684, HOLDER
6 Артикул: 1CM870, BOLT
7 Артикул: WASHER, WASHER NLA - Was 6964587 - A
8 Артикул: 8EM80, WASHER
9 Артикул: 1DM8, NUT

УСТРОЙСТВА УПРАВЛЕНИЯ ДРОССЕЛЬНАЯ ЗАСЛОНКА: Техника, которая работает на результат

УСТРОЙСТВА УПРАВЛЕНИЯ ДРОССЕЛЬНАЯ ЗАСЛОНКА на экскаватор–погрузчик Bobcat B100 572111001 И ВЫШЕ

Габаритные размеры

Габаритные размеры и схема УСТРОЙСТВА УПРАВЛЕНИЯ ДРОССЕЛЬНАЯ ЗАСЛОНКА

Нажмите на схему для увеличения

Документация

Документация временно недоступна.

Похожая техника в категории: УСТРОЙСТВА УПРАВЛЕНИЯ (Bobcat)