+7 (701) 588 50 05 Телефон для связи
RU

WhatsApp

Позвонить

УСТРОЙСТВО РЕГУЛИРОВАНИЯ ОБОРОТОВ ДВИГАТЕЛЯ (МНОГОРЕЖИМНЫЙ ДЖОЙСТИК УПРАВЛЕНИЯ) — Продажа в Казахстане Цены от официального дилера с доставкой в Алматы, Астану и регионы

Техника доступна в:
Полный спектр услуг:
Для Вашего удобства:
Характеристики и описание
Габариты, схема
Техническая документация
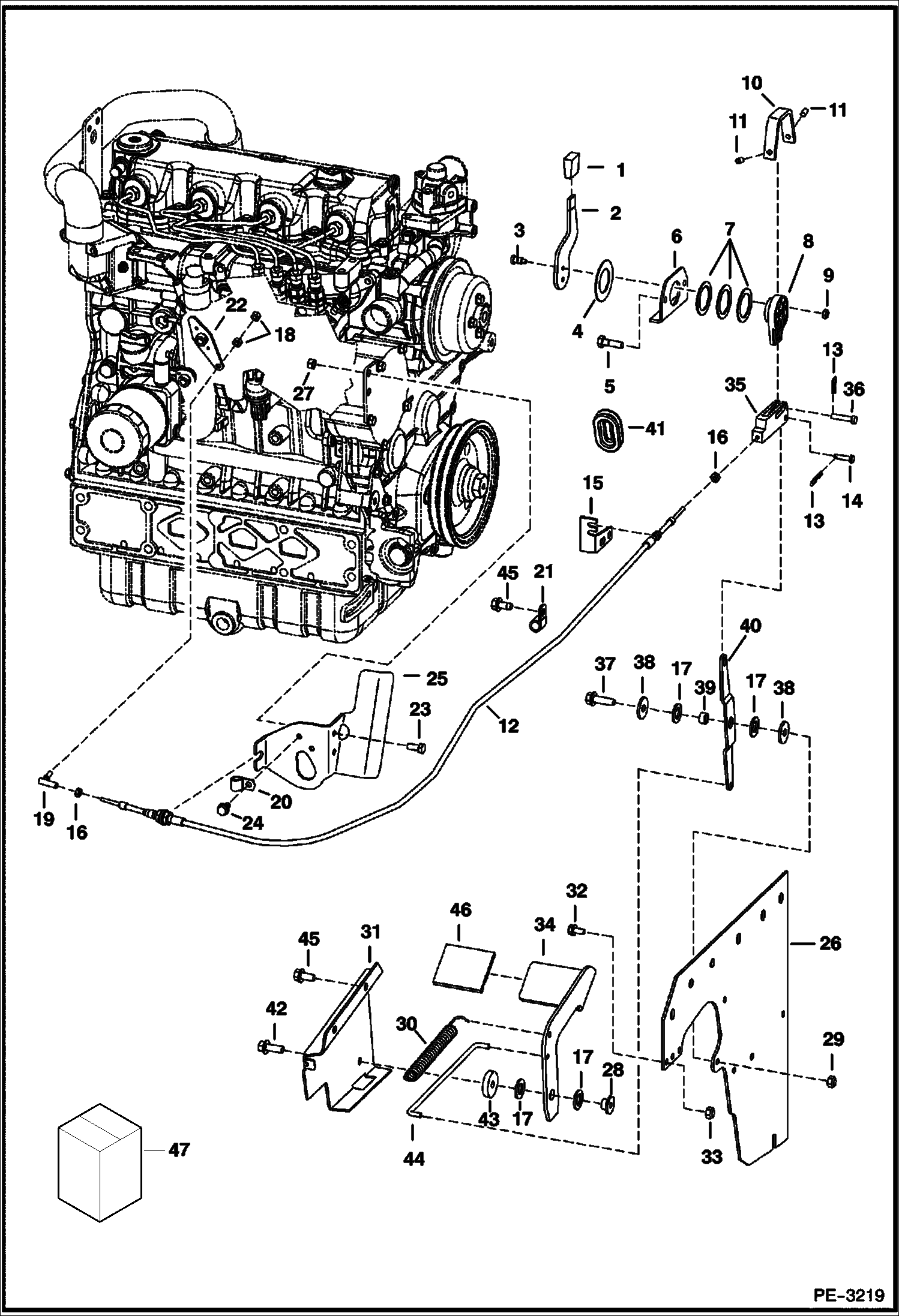
1 Артикул: 6564452, GRIP
2 Артикул: 6730270, LEVER
3 Артикул: 38C610, BOLT shoulder
4 Артикул: 6567962, WASHER
5 Артикул: 84G3728, BOLT Was 84G3724 - B
6 Артикул: 6576262, MOUNT
7 Артикул: 6630945, WASHER
8 Артикул: 6734416, LEVER
9 Артикул: 85D5, NUT 5
10 Артикул: 6576261, COVER Was 6734520 - A
11 Артикул: 6706572, SET SCREW
12 Артикул: 6675668, CABLE, THROTTLE
13 Артикул: 6513495, COTTER PIN
14 Артикул: 2F4051, PIN
15 Артикул: 6732450, BRACKET
16 Артикул: 14D10, NUT
17 Артикул: 6700170, WASHER plastic
18 Артикул: 62D4, NUT
19 Артикул: 6644965, BALL JOINT
20 Артикул: 30H26, CLIP
21 Артикул: 30H31, CLAMP 10
22 Артикул: LEVER, LEVER See Illustration GOVERNOR/ B26807 - Ref. 12
23 Артикул: 17C512, BOLT 5
24 Артикул: 84G3110, SCREW
25 Артикул: 6734772, MOUNT
26 Артикул: PANEL, PANEL See Illustration PANELS/ PE3437
27 Артикул: 95D5, NUT
28 Артикул: 6559479, NUT retaining
29 Артикул: 85D6, NUT, 5
30 Артикул: 6700743, SPRING
31 Артикул: 6732323, BRACKET
32 Артикул: 84G3712, BOLT 5
33 Артикул: 95D6, NUT
34 Артикул: 6735680, FOOT PEDAL
35 Артикул: 6734503, CLEVIS
36 Артикул: 1304227, PIN
37 Артикул: 84G3720, BOLT
38 Артикул: 619021, WASHER, 5
39 Артикул: 6564343, SPACER
40 Артикул: 6734417, LEVER
41 Артикул: 6577961, GROMMET
42 Артикул: 45C616, BOLT
43 Артикул: 6732322, SPACER
44 Артикул: 6731900, ROD
45 Артикул: 84G3712, BOLT 5
46 Артикул: 6554100, TREAD 76,2 x 152,4 mm (3 x 6--)
47 Артикул: 7300707, KIT, THROTTLE LEVER (3) of Ref. 4 and 3, 7, 8, 9

УСТРОЙСТВО РЕГУЛИРОВАНИЯ ОБОРОТОВ ДВИГАТЕЛЯ (МНОГОРЕЖИМНЫЙ ДЖОЙСТИК УПРАВЛЕНИЯ): Техника, которая работает на результат

УСТРОЙСТВО РЕГУЛИРОВАНИЯ ОБОРОТОВ ДВИГАТЕЛЯ (МНОГОРЕЖИМНЫЙ ДЖОЙСТИК УПРАВЛЕНИЯ) на мини-погрузчик Bobcat T320 A7MP11001 И ВЫШЕ, AAKZ11001 И ВЫШЕ

Габаритные размеры

Габаритные размеры и схема УСТРОЙСТВО РЕГУЛИРОВАНИЯ ОБОРОТОВ ДВИГАТЕЛЯ (МНОГОРЕЖИМНЫЙ ДЖОЙСТИК УПРАВЛЕНИЯ)

Нажмите на схему для увеличения

Документация

Документация временно недоступна.

Похожая техника в категории: ЗАПЧАСТИ ДВИГАТЕЛЯ (Bobcat)

Спецтехника ДВИГАТЕЛЬ И КОМПЛЕКТ НИЖНИХ ПРОКЛАДОК (V3800 T KUBOTA)

ДВИГАТЕЛЬ И КОМПЛЕКТ НИЖНИХ ПРОКЛАДОК (V3800 T KUBOTA)

1Артикул: 669237...
2Артикул: 669237...
3Артикул: 668975...
Подробнее >
Спецтехника ВОЗДУХООЧИСТИТЕЛЬ (A7MP60091 И ВЫШЕ, AAKZ11001 И ВЫШЕ)

ВОЗДУХООЧИСТИТЕЛЬ (A7MP60091 И ВЫШЕ, AAKZ11001 И ВЫШЕ)

1Артикул: 713321...
2Артикул: TANK, ...
3Артикул: 669805...
Подробнее >
Спецтехника СИСТЕМА ВПРЫСКА ТОПЛИВА (V3800 T KUBOTA)

СИСТЕМА ВПРЫСКА ТОПЛИВА (V3800 T KUBOTA)

1Артикул: 669348...
2Артикул: PUMP,,...
3Артикул: 668593...
Подробнее >
Спецтехника ДВИГАТЕЛЬ И КРЕПЕЖНЫЕ ДЕТАЛИ (КРЕПЛЕНИЕ ДВИГАТЕЛЯ) (СЕРИЙНЫЙ НОМЕР A7MP40479 И ВЫШЕ)

ДВИГАТЕЛЬ И КРЕПЕЖНЫЕ ДЕТАЛИ (КРЕПЛЕНИЕ ДВИГАТЕЛЯ) (СЕРИЙНЫЙ НОМЕР A7MP40479 И ВЫШЕ)

1Артикул: ENGINE...
2Артикул: 84G311...
3Артикул: 83D8, ...
Подробнее >
Спецтехника КРЕПЛЕНИЯ ДВИГАТЕЛЯ

КРЕПЛЕНИЯ ДВИГАТЕЛЯ

1Артикул: 710979...
2Артикул: 710624...
3Артикул: 713127...
Подробнее >
Спецтехника ВОДЯНАЯ ПОМПА (V3800 T KUBOTA)

ВОДЯНАЯ ПОМПА (V3800 T KUBOTA)

1Артикул: 668028...
2Артикул: IMPELL...
3Артикул: 668085...
Подробнее >
Спецтехника РАСПРЕДЕЛИТЕЛЬНЫЙ ВАЛ (V3800 T KUBOTA)

РАСПРЕДЕЛИТЕЛЬНЫЙ ВАЛ (V3800 T KUBOTA)

1Артикул: 668071...
2Артикул: 668071...
3Артикул: 701720...
Подробнее >
Спецтехника СИСТЕМА ОХЛАЖДЕНИЯ

СИСТЕМА ОХЛАЖДЕНИЯ

1Артикул: 673342...
2Артикул: 673399...
3Артикул: 673237...
Подробнее >
Спецтехника ТУРБОКОМПРЕССОР (V3800 T KUBOTA)

ТУРБОКОМПРЕССОР (V3800 T KUBOTA)

1Артикул: 668089...
2Артикул: 665399...
3Артикул: 397414...
Подробнее >
Спецтехника ВОЗДУХООЧИСТИТЕЛЬ (V3800 T KUBOTA) (A7MP60090 И НИЖЕ)

ВОЗДУХООЧИСТИТЕЛЬ (V3800 T KUBOTA) (A7MP60090 И НИЖЕ)

1Артикул: 712033...
2Артикул: 668147...
3Артикул: 668147...
Подробнее >
Спецтехника КОЛЛЕКТОРЫ (V3800 T KUBOTA)

КОЛЛЕКТОРЫ (V3800 T KUBOTA)

1Артикул: 668085...
2Артикул: 668088...
3Артикул: 668088...
Подробнее >
Спецтехника ВОДЯНОЙ ФЛАНЕЦ И ТЕРМОСТАТ (V3800 T KUBOTA)

ВОДЯНОЙ ФЛАНЕЦ И ТЕРМОСТАТ (V3800 T KUBOTA)

1Артикул: 668085...
2Артикул: 668595...
3Артикул: 668595...
Подробнее >