+7 (701) 588 50 05 Телефон для связи
RU

WhatsApp

Позвонить

УСТРОЙСТВО УПРАВЛЕНИЯ ГИДРОСТАТИЧЕСКОЙ ТРАНСМИССИИ — Продажа в Казахстане Цены от официального дилера с доставкой в Алматы, Астану и регионы

Техника доступна в:
Полный спектр услуг:
Для Вашего удобства:
Характеристики и описание
Габариты, схема
Техническая документация
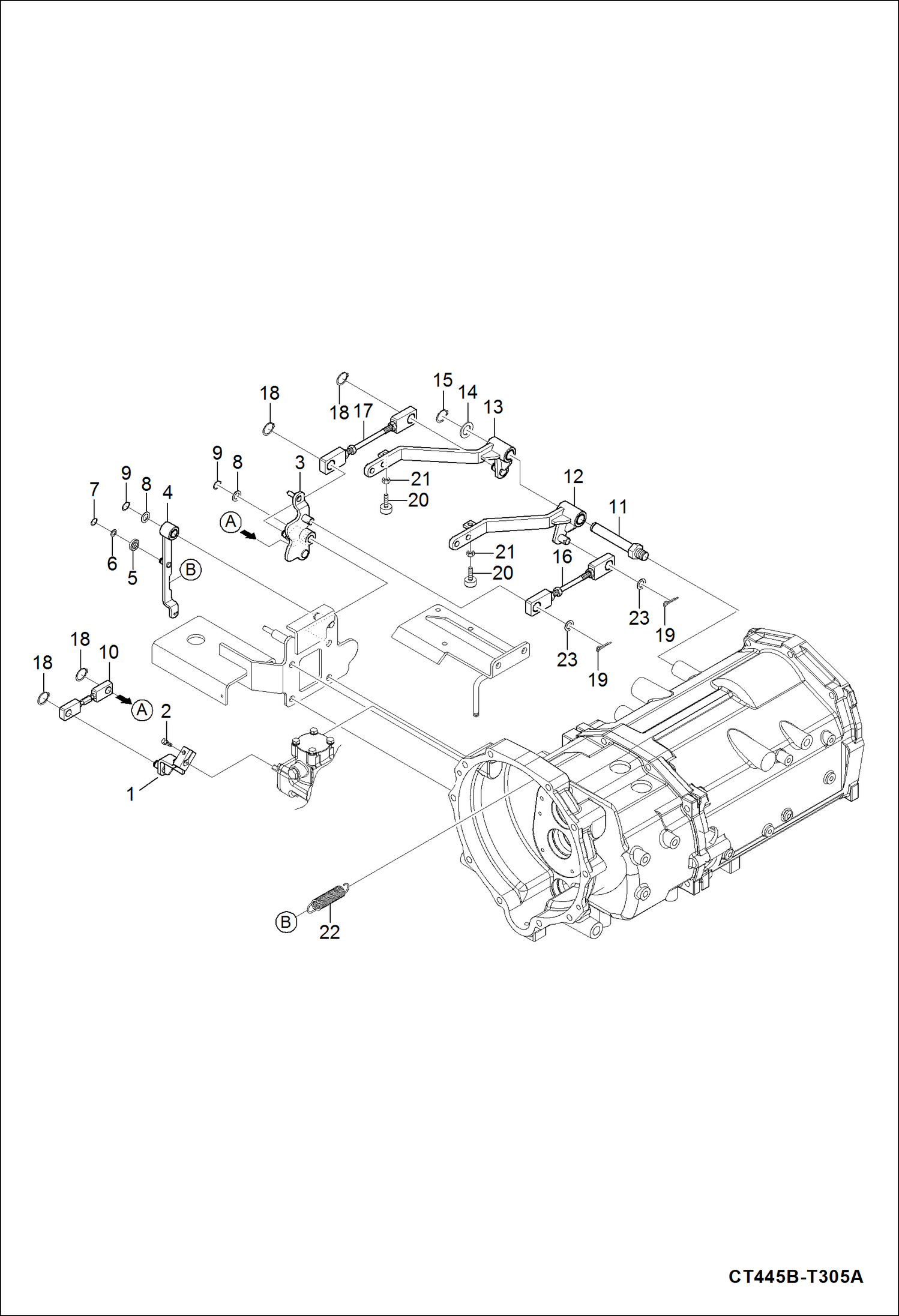
1 Артикул: 7002578, LEVER
2 Артикул: 6695592, BOLT HEXAGON SOCKET
3 Артикул: 7002512, BRACKET
4 Артикул: 7002623, LEVER
5 Артикул: 7002470, BEARING
6 Артикул: 6694074, WASHER PLAIN
7 Артикул: 6697560, RING SNAP
8 Артикул: 6696913, WASHER, PLAIN
9 Артикул: 6696494, RING SNAP
10 Артикул: 7002640, ROD
11 Артикул: 7002304, SHAFT, PEDAL
12 Артикул: 7002009, ARM, PEDAL LH
13 Артикул: 7002024, ARM, PEDAL RH
14 Артикул: 6696904, WASHER PLAIN
15 Артикул: 6694107, RING SNAP
16 Артикул: 7002258, ROD, LH
17 Артикул: 7002345, ROD, RH
18 Артикул: 6696494, RING SNAP
19 Артикул: 6696372, PIN SNAP Was 7002383 - B,D
20 Артикул: 6695189, BOLT ADJUSTMENT
21 Артикул: 6652792, NUT Was 6694053 - A
22 Артикул: 7002088, SPRING, BRAKE
23 Артикул: 7002703, WASHER

УСТРОЙСТВО УПРАВЛЕНИЯ ГИДРОСТАТИЧЕСКОЙ ТРАНСМИССИИ: Техника, которая работает на результат

УСТРОЙСТВО УПРАВЛЕНИЯ ГИДРОСТАТИЧЕСКОЙ ТРАНСМИССИИ на Bobcat CT335 Bobcat ABH811001 И ВЫШЕ W КАБИНА

Габаритные размеры

Габаритные размеры и схема УСТРОЙСТВО УПРАВЛЕНИЯ ГИДРОСТАТИЧЕСКОЙ ТРАНСМИССИИ

Нажмите на схему для увеличения

Документация

Документация временно недоступна.

Похожая техника в категории: ТРАНСМИССИЯ (Bobcat)

Спецтехника КАРТЕР ФРИКЦИОНА В СБОРЕ 1

КАРТЕР ФРИКЦИОНА В СБОРЕ 1

1Артикул: 700210...
2Артикул: 700342...
3Артикул: 669706...
Подробнее >
Спецтехника КРОНШТЕЙН ПЕРЕДНЕГО МОСТА

КРОНШТЕЙН ПЕРЕДНЕГО МОСТА

1Артикул: 701330...
2Артикул: BRACKE...
3Артикул: 669565...
Подробнее >
Спецтехника ДИФФЕРЕНЦИАЛ ЗАДНЕГО МОСТА В СБОРЕ

ДИФФЕРЕНЦИАЛ ЗАДНЕГО МОСТА В СБОРЕ

1Артикул: 700233...
2Артикул: 669570...
3Артикул: 700213...
Подробнее >
Спецтехника КАРТЕР КОРОБКИ ПЕРЕДАЧ

КАРТЕР КОРОБКИ ПЕРЕДАЧ

1Артикул: 700244...
2Артикул: 700206...
3Артикул: 669417...
Подробнее >
Спецтехника ВИЛКА ПЕРЕКЛЮЧАТЕЛЯ В СБОРЕ

ВИЛКА ПЕРЕКЛЮЧАТЕЛЯ В СБОРЕ

1Артикул: 701079...
2Артикул: 701198...
3Артикул: 669675...
Подробнее >
Спецтехника ВАЛ КОНИЧЕСКОЙ ШЕСТЕРНИ В СБОРЕ

ВАЛ КОНИЧЕСКОЙ ШЕСТЕРНИ В СБОРЕ

1Артикул: GEAR,,...
2Артикул: 700240...
3Артикул: 700230...
Подробнее >
Спецтехника МАЯТНИКОВЫЙ ЗАТВОР ЗАДНЕГО МОСТА ИНСТРУМЕНТАЛЬНЫЙ КОМПЛЕКТ ДЛЯ ЦИЛИНДРА

МАЯТНИКОВЫЙ ЗАТВОР ЗАДНЕГО МОСТА ИНСТРУМЕНТАЛЬНЫЙ КОМПЛЕКТ ДЛЯ ЦИЛИНДРА

1Артикул: 700219...
2Артикул: 700219...
3Артикул: 669424...
Подробнее >
Спецтехника СИСТЕМА ПЕРЕДНЕГО ПРИВОДА

СИСТЕМА ПЕРЕДНЕГО ПРИВОДА

1Артикул: 700256...
2Артикул: 700227...
3Артикул: 700242...
Подробнее >
Спецтехника КАРТЕР КОНИЧЕСКОЙ ШЕСТЕРНИ В СБОРЕ (ОДИН РУЛЕВОЙ ЦИЛИНДР)

КАРТЕР КОНИЧЕСКОЙ ШЕСТЕРНИ В СБОРЕ (ОДИН РУЛЕВОЙ ЦИЛИНДР)

1Артикул: 701308...
2Артикул: 701299...
3Артикул: 669436...
Подробнее >
Спецтехника БАЗОВЫЙ ВАРИАНТ

БАЗОВЫЙ ВАРИАНТ

1Артикул: 700227...
2Артикул: 700206...
3Артикул: 669416...
Подробнее >
Спецтехника УСТРОЙСТВО УПРАВЛЕНИЯ ГИДРОСТАТИЧЕСКОЙ ТРАНСМИССИИ

УСТРОЙСТВО УПРАВЛЕНИЯ ГИДРОСТАТИЧЕСКОЙ ТРАНСМИССИИ

1Артикул: 700257...
2Артикул: 669559...
3Артикул: 700251...
Подробнее >
Спецтехника ПРОМЕЖУТОЧНЫЙ ВАЛ В СБОРЕ

ПРОМЕЖУТОЧНЫЙ ВАЛ В СБОРЕ

1Артикул: 700211...
2Артикул: 700203...
3Артикул: 669424...
Подробнее >