+7 (701) 588 50 05 Телефон для связи
RU

WhatsApp

Позвонить

ВИЛКА ПЕРЕКЛЮЧАТЕЛЯ В СБОРЕ — Продажа в Казахстане Цены от официального дилера с доставкой в Алматы, Астану и регионы

Техника доступна в:
Полный спектр услуг:
Для Вашего удобства:
Характеристики и описание
Габариты, схема
Техническая документация
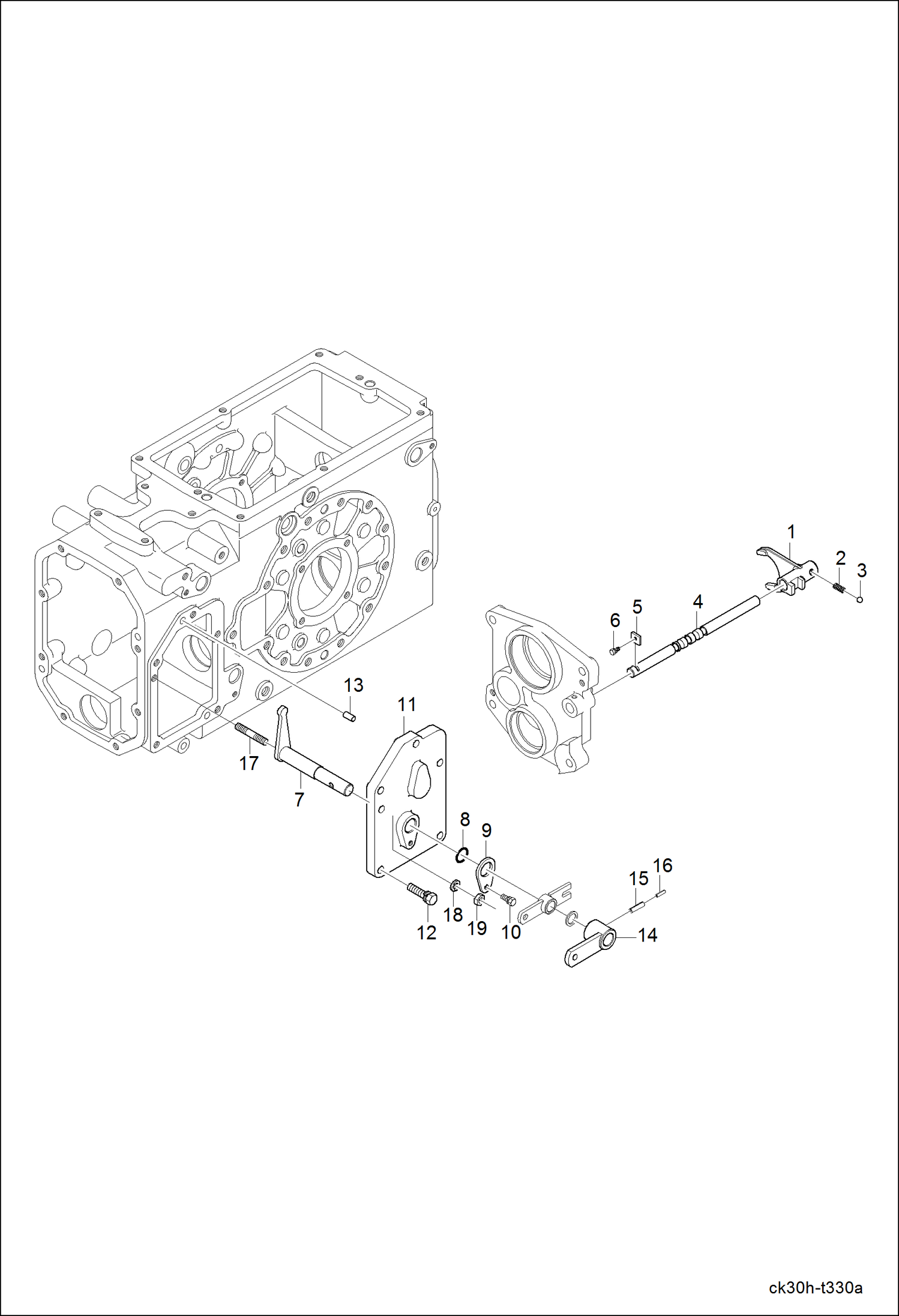
1 Артикул: 6695936, FORK, SHIFT RANGE
2 Артикул: 6696758, SPRING, STOP
3 Артикул: 6694231, BALL STEEL
4 Артикул: 6696525, ROD, FORK RANGE
5 Артикул: 6696771, STOP
6 Артикул: 6697053, BOLT
7 Артикул: 6697013, ARM, SHIFT RANGE
8 Артикул: 6696267, SEAL O RING
9 Артикул: 6696774, STOP
10 Артикул: 6697053, BOLT
11 Артикул: 6697183, COVER, SHIFT RANGE
12 Артикул: 6693983, BOLT
13 Артикул: 6694171, PIN STRAIGHT
14 Артикул: 6697011, ARM RANGE SHIFT
15 Артикул: 6697490, PIN SPRING
16 Артикул: 7000217, PIN, SPRING
17 Артикул: 6694015, STUD
18 Артикул: 6694093, WASHER SPRING
19 Артикул: 27DM10, NUT Was 6694059 - A

ВИЛКА ПЕРЕКЛЮЧАТЕЛЯ В СБОРЕ: Техника, которая работает на результат

ВИЛКА ПЕРЕКЛЮЧАТЕЛЯ В СБОРЕ на мини-трактор Bobcat CT225 A59B11001 И ВЫШЕ, ABFJ11001 И ВЫШЕ

Габаритные размеры

Габаритные размеры и схема ВИЛКА ПЕРЕКЛЮЧАТЕЛЯ В СБОРЕ

Нажмите на схему для увеличения

Документация

Документация временно недоступна.

Похожая техника в категории: ТРАНСМИССИЯ (Bobcat)

Спецтехника КАРТЕР ГИДРОСТАТИЧЕСКОЙ ТРАНСМИССИИ

КАРТЕР ГИДРОСТАТИЧЕСКОЙ ТРАНСМИССИИ

1Артикул: 669737...
2Артикул: 669401...
3Артикул: 27DM10...
Подробнее >
Спецтехника КАРТЕР ФРИКЦИОНА В СБОРЕ 1

КАРТЕР ФРИКЦИОНА В СБОРЕ 1

1Артикул: 669737...
2Артикул: 669488...
3Артикул: 669422...
Подробнее >
Спецтехника ВНУТРЕННЯЯ ГИДРОЛИНИЯ ГИДРОСТАТИЧЕСКОЙ ТРАНСМИССИИ

ВНУТРЕННЯЯ ГИДРОЛИНИЯ ГИДРОСТАТИЧЕСКОЙ ТРАНСМИССИИ

1Артикул: 669772...
2Артикул: 669413...
3Артикул: 669559...
Подробнее >
Спецтехника УСТРОЙСТВО УПРАВЛЕНИЯ ГИДРОСТАТИЧЕСКОЙ ТРАНСМИССИИ 2

УСТРОЙСТВО УПРАВЛЕНИЯ ГИДРОСТАТИЧЕСКОЙ ТРАНСМИССИИ 2

1Артикул: 669747...
2Артикул: 669718...
3Артикул: 669734...
Подробнее >
Спецтехника ПЕДАЛЬ ГЛАВНОГО ФРИКЦИОНА В СБОРЕ

ПЕДАЛЬ ГЛАВНОГО ФРИКЦИОНА В СБОРЕ

1Артикул: 669747...
2Артикул: 669584...
3Артикул: 669651...
Подробнее >
Спецтехника РЫЧАГ ФРИКЦИОНА В СБОРЕ

РЫЧАГ ФРИКЦИОНА В СБОРЕ

1Артикул: 669741...
2Артикул: 669614...
3Артикул: 669426...
Подробнее >
Спецтехника ЦИЛИНДР РУЛЕВОГО УПРАВЛЕНИЯ С УСИЛИТЕЛЕМ

ЦИЛИНДР РУЛЕВОГО УПРАВЛЕНИЯ С УСИЛИТЕЛЕМ

1Артикул: 669688...
2Артикул: 669547...
3Артикул: 669413...
Подробнее >
Спецтехника ПЕРЕДНИЙ ДИФФЕРЕНЦИАЛ

ПЕРЕДНИЙ ДИФФЕРЕНЦИАЛ

1Артикул: 669587...
2Артикул: 669570...
3Артикул: 669582...
Подробнее >
Спецтехника ОПОРА ПЕРЕДНЕГО МОСТА В СБОРЕ

ОПОРА ПЕРЕДНЕГО МОСТА В СБОРЕ

1Артикул: 700026...
2Артикул: 669748...
3Артикул: 669627...
Подробнее >
Спецтехника РЫЧАГ КОРОБКИ ОТБОРА МОЩНОСТИ, РАСПОЛОЖЕННЫЙ СЗАДИ

РЫЧАГ КОРОБКИ ОТБОРА МОЩНОСТИ, РАСПОЛОЖЕННЫЙ СЗАДИ

1Артикул: 669661...
2Артикул: 669742...
3Артикул: 669496...
Подробнее >
Спецтехника КАРТЕР КОРОБКИ ПЕРЕДАЧ

КАРТЕР КОРОБКИ ПЕРЕДАЧ

1Артикул: 728453...
2Артикул: 669677...
3Артикул: 27DM10...
Подробнее >
Спецтехника БАЗОВЫЙ ВАРИАНТ

БАЗОВЫЙ ВАРИАНТ

1Артикул: 669571...
2Артикул: 669706...
3Артикул: 669417...
Подробнее >