+7 (701) 588 50 05 Телефон для связи
RU

WhatsApp

Позвонить

ВОДЯНОЙ ФЛАНЕЦ И ТЕРМОСТАТ — Продажа в Казахстане Цены от официального дилера с доставкой в Алматы, Астану и регионы

Техника доступна в:
Полный спектр услуг:
Для Вашего удобства:
Характеристики и описание
Габариты, схема
Техническая документация
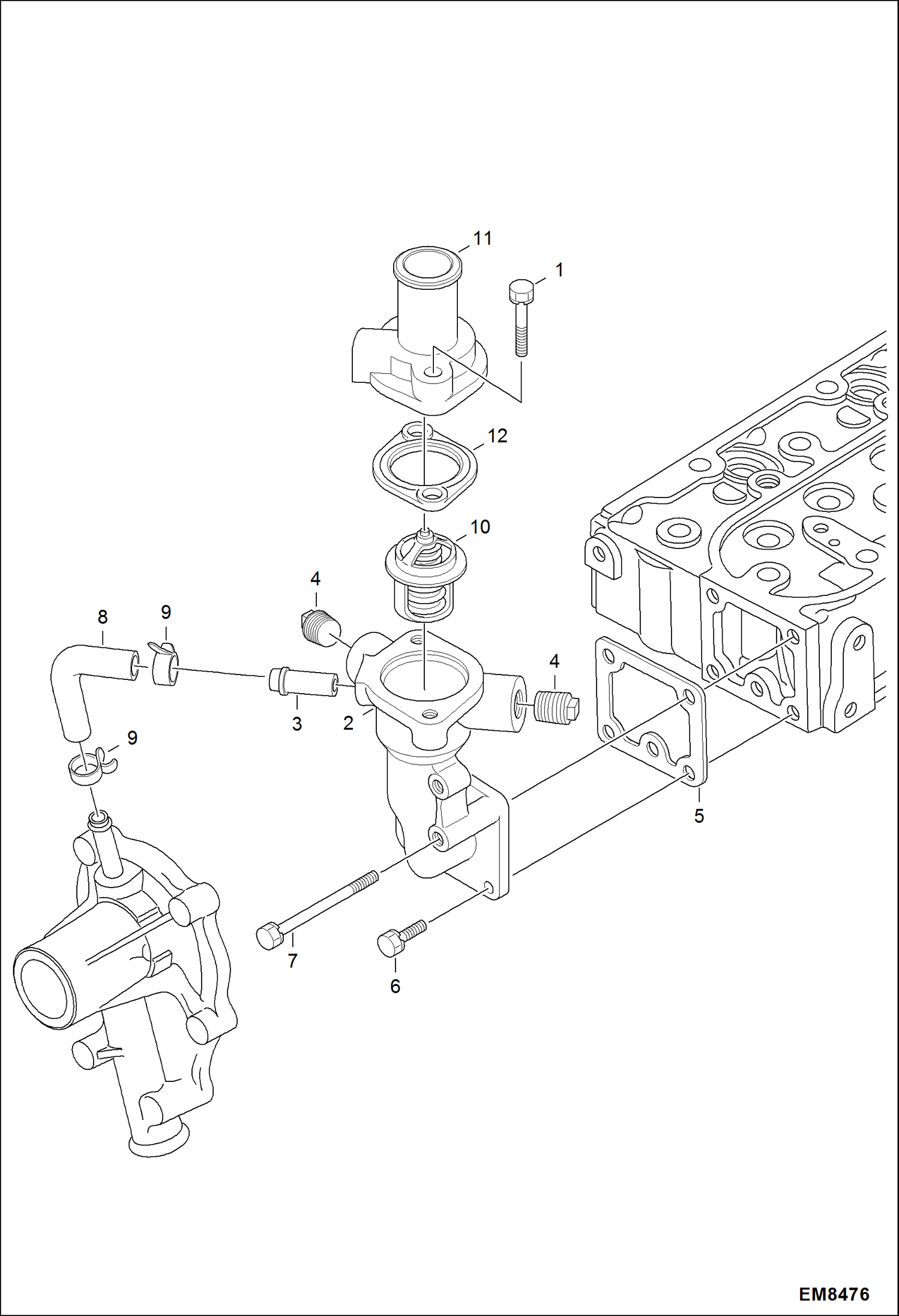
1 Артикул: 1CM835, BOLT
2 Артикул: 6672482, FLANGE W/Ref. 3
3 Артикул: 6670785, PIPE
4 Артикул: 6684857, PLUG
5 Артикул: 6657583, GASKET
6 Артикул: 1CM616, SCREW Was 4CM616 - A
7 Артикул: 6670770, BOLT
8 Артикул: 6657584, PIPE
9 Артикул: 6680580, CLAMP
10 Артикул: 6674172, THERMOSTAT
11 Артикул: 6672479, COVER
12 Артикул: 6684863, GASKET

ВОДЯНОЙ ФЛАНЕЦ И ТЕРМОСТАТ: Техника, которая работает на результат

ВОДЯНОЙ ФЛАНЕЦ И ТЕРМОСТАТ на мини-погрузчик Bobcat S100 AB6420001 И ВЫШЕ

Габаритные размеры

Габаритные размеры и схема ВОДЯНОЙ ФЛАНЕЦ И ТЕРМОСТАТ

Нажмите на схему для увеличения

Документация

Документация временно недоступна.

Похожая техника в категории: ЗАПЧАСТИ ДВИГАТЕЛЯ (Bobcat)

Спецтехника КОМПЛЕКТЫ ПРОКЛАДОК ДВИГАТЕЛЯ

КОМПЛЕКТЫ ПРОКЛАДОК ДВИГАТЕЛЯ

1Артикул: 669808...
2Артикул: 669808...
3Артикул: 669861...
Подробнее >
Спецтехника УСТРОЙСТВО РЕГУЛИРОВАНИЯ ОБОРОТОВ ДВИГАТЕЛЯ (РУКОВОДСТВО УПРАВЛЕНИЯ)

УСТРОЙСТВО РЕГУЛИРОВАНИЯ ОБОРОТОВ ДВИГАТЕЛЯ (РУКОВОДСТВО УПРАВЛЕНИЯ)

1Артикул: 656445...
2Артикул: 656796...
3Артикул: 657626...
Подробнее >
Спецтехника РЕГУЛЯТОР ОБОРОТОВ

РЕГУЛЯТОР ОБОРОТОВ

1Артикул: 669131...
2Артикул: 665768...
3Артикул: 669861...
Подробнее >
Спецтехника ВОЗДУШНЫЙ ФИЛЬТР

ВОЗДУШНЫЙ ФИЛЬТР

1Артикул: 668958...
2Артикул: 669090...
3Артикул: 702036...
Подробнее >
Спецтехника КРЫШКА КОРОМЫСЛА КЛАПАНА

КРЫШКА КОРОМЫСЛА КЛАПАНА

1Артикул: 669862...
2Артикул: 668617...
3Артикул: 668616...
Подробнее >
Спецтехника КОМПЛЕКТ ПРОКЛАДОК ВЕРХНЕЙ ЧАСТИ

КОМПЛЕКТ ПРОКЛАДОК ВЕРХНЕЙ ЧАСТИ

1Артикул: 669861...
2Артикул: 665751...
3Артикул: 668300...
Подробнее >
Спецтехника КОМПЛЕКТ НИЖНИХ ПРОКЛАДОК

КОМПЛЕКТ НИЖНИХ ПРОКЛАДОК

1Артикул: 669863...
2Артикул: 397409...
3Артикул: 397497...
Подробнее >
Спецтехника ДВИГАТЕЛЬ И КРЕПЕЖНЫЕ ДЕТАЛИ (СИСТЕМА РЕМНЕЙ ПРИВОДА И КРЕПЛЕНИЕ ДВИГАТЕЛЯ) (РУКОВОДСТВО ПО УПРАВЛЕНИЮ)

ДВИГАТЕЛЬ И КРЕПЕЖНЫЕ ДЕТАЛИ (СИСТЕМА РЕМНЕЙ ПРИВОДА И КРЕПЛЕНИЕ ДВИГАТЕЛЯ) (РУКОВОДСТВО ПО УПРАВЛЕНИЮ)

1Артикул: 662428...
2Артикул: 668838...
3Артикул: ENG,, ...
Подробнее >
Спецтехника КЛАПАНЫ И КОРОМЫСЛО КЛАПАНА

КЛАПАНЫ И КОРОМЫСЛО КЛАПАНА

1Артикул: 665749...
2Артикул: 665749...
3Артикул: 665763...
Подробнее >
Спецтехника ДВИГАТЕЛЬ И КРЕПЕЖНЫЕ ДЕТАЛИ (СИСТЕМА РЕМНЕЙ ПРИВОДА И КРЕПЛЕНИЕ ДВИГАТЕЛЯ) (МНОГОРЕЖИМНЫЙ ДЖОЙСТИК УПРАВЛЕНИЯ)

ДВИГАТЕЛЬ И КРЕПЕЖНЫЕ ДЕТАЛИ (СИСТЕМА РЕМНЕЙ ПРИВОДА И КРЕПЛЕНИЕ ДВИГАТЕЛЯ) (МНОГОРЕЖИМНЫЙ ДЖОЙСТИК УПРАВЛЕНИЯ)

1Артикул: 662428...
2Артикул: 668838...
3Артикул: ENG,, ...
Подробнее >
Спецтехника ТОПЛИВНАЯ СИСТЕМА И НАСОС ВПРЫСКА

ТОПЛИВНАЯ СИСТЕМА И НАСОС ВПРЫСКА

1Артикул: 665759...
2Артикул: 669131...
3Артикул: PUMP, ...
Подробнее >
Спецтехника ДЕРЖАТЕЛЬ ФОРСУНКИ И ЗАПАЛЬНАЯ СВЕЧА

ДЕРЖАТЕЛЬ ФОРСУНКИ И ЗАПАЛЬНАЯ СВЕЧА

1Артикул: 665763...
2Артикул: 665744...
3Артикул: 397497...
Подробнее >