+7 (701) 588 50 05 Телефон для связи
RU

WhatsApp

Позвонить

ВОДЯНОЙ ФЛАНЕЦ И ТЕРМОСТАТ (KUBOTA - V2203 2EB - TIER II REPLACEMENT) — Продажа в Казахстане Цены от официального дилера с доставкой в Алматы, Астану и регионы

Техника доступна в:
Полный спектр услуг:
Для Вашего удобства:
Характеристики и описание
Габариты, схема
Техническая документация
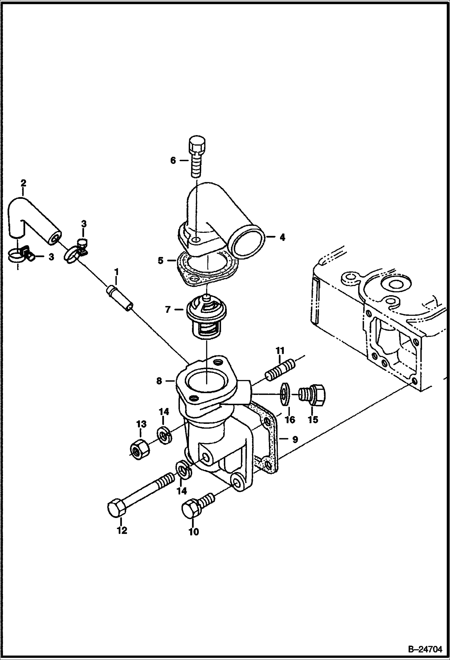
1 Артикул: 6655880, PIPE water return
2 Артикул: 6686988, PIPE water return
3 Артикул: 3974679, BAND pipe
4 Артикул: 6651489, COVER thermostat
5 Артикул: 6684863, GASKET thermostat cover
6 Артикул: 1CM835, BOLT
7 Артикул: 6674172, THERMOSTAT
8 Артикул: 6674167, FLANGE W/Ref. 1
9 Артикул: 6666802, GASKET water flange - Was 6684860 - A
10 Артикул: 4CM822, BOLT
11 Артикул: 6652670, STUD
12 Артикул: 1CM865, SCREW
13 Артикул: 6652792, NUT
14 Артикул: 6667422, WASHER
15 Артикул: 6649536, PLUG
16 Артикул: 6653562, GASKET

ВОДЯНОЙ ФЛАНЕЦ И ТЕРМОСТАТ (KUBOTA - V2203 2EB - TIER II REPLACEMENT): Техника, которая работает на результат

ВОДЯНОЙ ФЛАНЕЦ И ТЕРМОСТАТ (KUBOTA - V2203 2EB - TIER II REPLACEMENT) на Bobcat 700s Bobcat 763 512212001 - 512249999, 512440001 - 512449999, 512612001 - 512619999

Габаритные размеры

Габаритные размеры и схема ВОДЯНОЙ ФЛАНЕЦ И ТЕРМОСТАТ (KUBOTA - V2203 2EB - TIER II REPLACEMENT)

Нажмите на схему для увеличения

Документация

Документация временно недоступна.

Похожая техника в категории: СМЕННЫЙ ДВИГАТЕЛЬ (Bobcat)

Спецтехника КОЛЛЕКТОРЫ (KUBOTA - V2203 2EB - TIER II REPLACEMENT)

КОЛЛЕКТОРЫ (KUBOTA - V2203 2EB - TIER II REPLACEMENT)

1Артикул: 665148...
2Артикул: 666678...
3Артикул: 665267...
Подробнее >
Спецтехника КРИВОШИПНАЯ КОРОБКА (KUBOTA - V2203 2EB - TIER II REPLACEMENT)

КРИВОШИПНАЯ КОРОБКА (KUBOTA - V2203 2EB - TIER II REPLACEMENT)

1Артикул: CRANKC...
2Артикул: 397487...
3Артикул: 665257...
Подробнее >
Спецтехника ДВИГАТЕЛЬ И КОМПЛЕКТ ПРОКЛАДОК (KUBOTA - V2203 2EB - TIER II REPLACEMENT)

ДВИГАТЕЛЬ И КОМПЛЕКТ ПРОКЛАДОК (KUBOTA - V2203 2EB - TIER II REPLACEMENT)

1Артикул: 668598...
2Артикул: SHORT,...
3Артикул: 668598...
Подробнее >
Спецтехника ПЛЕЧО КОРОМЫСЛА КЛАПАНА (KUBOTA - V2203 2EB - TIER II REPLACEMENT)

ПЛЕЧО КОРОМЫСЛА КЛАПАНА (KUBOTA - V2203 2EB - TIER II REPLACEMENT)

1Артикул: 665517...
2Артикул: 702094...
3Артикул: 665517...
Подробнее >
Спецтехника ПОДДОН КАРТЕРА (KUBOTA - V2203 2EB - TIER II REPLACEMENT)

ПОДДОН КАРТЕРА (KUBOTA - V2203 2EB - TIER II REPLACEMENT)

1Артикул: 665515...
2Артикул: 666681...
3Артикул: 700192...
Подробнее >
Спецтехника РЫЧАГ ОСТАНОВА ДВИГАТЕЛЯ (KUBOTA - V2203 2EB - TIER II REPLACEMENT)

РЫЧАГ ОСТАНОВА ДВИГАТЕЛЯ (KUBOTA - V2203 2EB - TIER II REPLACEMENT)

1Артикул: 397497...
2Артикул: 665390...
3Артикул: 397442...
Подробнее >
Спецтехника ТАБЛИЧКА РЕГУЛЯТОРА СКОРОСТИ (KUBOTA - V2203 2EB - TIER II REPLACEMENT)

ТАБЛИЧКА РЕГУЛЯТОРА СКОРОСТИ (KUBOTA - V2203 2EB - TIER II REPLACEMENT)

1Артикул: 668483...
2Артикул: 397497...
3Артикул: 397497...
Подробнее >
Спецтехника РЕГУЛЯТОРА ОБОРОТОВ (KUBOTA - V2203 2EB - TIER II REPLACEMENT)

РЕГУЛЯТОРА ОБОРОТОВ (KUBOTA - V2203 2EB - TIER II REPLACEMENT)

1Артикул: 659817...
2Артикул: 665522...
3Артикул: 665522...
Подробнее >
Спецтехника ПОРШЕНЬ И КОЛЕНЧАТЫЙ ВАЛ (KUBOTA - V2203 2EB - TIER II REPLACEMENT)

ПОРШЕНЬ И КОЛЕНЧАТЫЙ ВАЛ (KUBOTA - V2203 2EB - TIER II REPLACEMENT)

1Артикул: PISTON...
2Артикул: PISTON...
3Артикул: 667807...
Подробнее >
Спецтехника ВОДЯНАЯ ПОМПА (KUBOTA - V2203 2EB - TIER II REPLACEMENT)

ВОДЯНАЯ ПОМПА (KUBOTA - V2203 2EB - TIER II REPLACEMENT)

1Артикул: 668698...
2Артикул: BODY, ...
3Артикул: 668547...
Подробнее >
Спецтехника СОПЛО ФОРСУНКИ (KUBOTA - V2203 2EB - TIER II REPLACEMENT)

СОПЛО ФОРСУНКИ (KUBOTA - V2203 2EB - TIER II REPLACEMENT)

1Артикул: 668252...
2Артикул: 697465...
3Артикул: 665471...
Подробнее >
Спецтехника ТОПЛИВНАЯ СИСТЕМА И НАСОС ВПРЫСКА (KUBOTA - V2203 2EB - TIER II REPLACEMENT)

ТОПЛИВНАЯ СИСТЕМА И НАСОС ВПРЫСКА (KUBOTA - V2203 2EB - TIER II REPLACEMENT)

1Артикул: PUMP, ...
2Артикул: 397462...
3Артикул: 668251...
Подробнее >