+7 (701) 588 50 05 Телефон для связи
RU

WhatsApp

Позвонить

ВРАЩЕНИЕ (РАБОЧАЯ) — Продажа в Казахстане Цены от официального дилера с доставкой в Алматы, Астану и регионы

Техника доступна в:
Полный спектр услуг:
Для Вашего удобства:
Характеристики и описание
Габариты, схема
Техническая документация
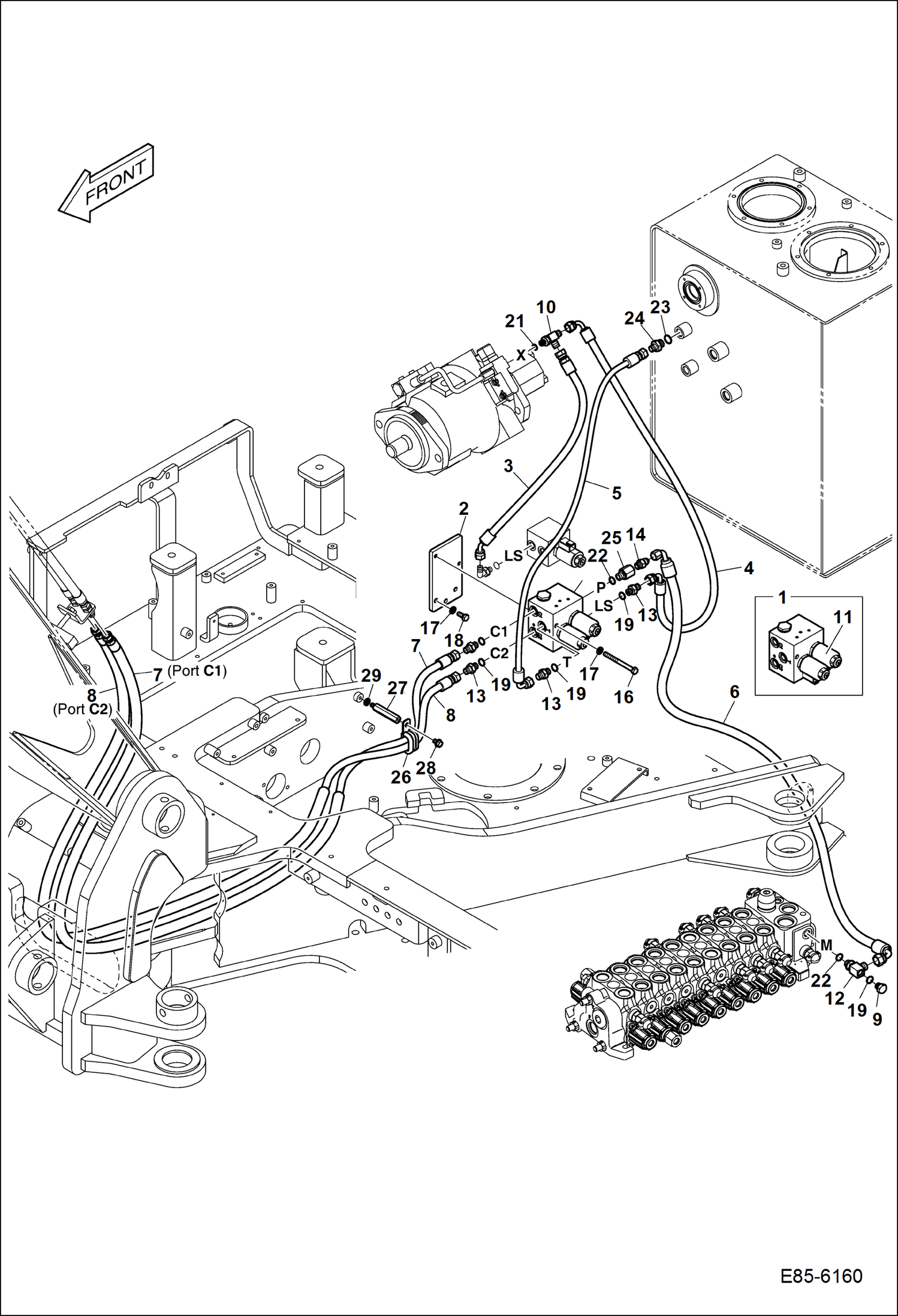
1 Артикул: 7029484, VALVE, SOLENOID
2 Артикул: 7029287, PLATE
3 Артикул: 7029159, HOSE, HYD
4 Артикул: 7278289, HOSE, HYD
5 Артикул: 7029203, HOSE, HYD
6 Артикул: 7005422, HOSE
7 Артикул: 7029170, HOSE, HYD
8 Артикул: 7029155, HOSE, HYD
9 Артикул: 7029155, HOSE, HYD
10 Артикул: 7004732, PLUG
11 Артикул: 7029458, TEE
12 Артикул: 7028916, COIL, SOLENOID
13 Артикул: 7029457, TEE
14 Артикул: 7004683, ADAPTER
15 Артикул: 7028680, ADAPTER, FILTER
16 Артикул: 7028710, BOLT
17 Артикул: 7276756, WASHER Was 7007834 - A
18 Артикул: 7007617, BOLT
19 Артикул: 7283267, O-RING Was 7007906 - A
20 Артикул: 7010493, O-RING
21 Артикул: 7007961, O-RING
22 Артикул: 7007961, O-RING
23 Артикул: 7284551, O-RING Was 7007909 - A
24 Артикул: 7004694, ADAPTER
25 Артикул: 7281437, FITTING, HYD CONNECTOR
26 Артикул: 7003902, CLIP
27 Артикул: 7029436, STUD
28 Артикул: 7005629, BOLT
29 Артикул: 7276756, WASHER

ВРАЩЕНИЕ (РАБОЧАЯ): Техника, которая работает на результат

2 ВСПОМОГАТЕЛЬНОЕ ОБОРУДОВАНИЕ/ВРАЩЕНИЕ (РАБОЧАЯ) на мини-экскаватор Bobcat E85 B34T11001 И ВЫШЕ

Габаритные размеры

Габаритные размеры и схема ВРАЩЕНИЕ (РАБОЧАЯ)

Нажмите на схему для увеличения

Документация

Документация временно недоступна.

Похожая техника в категории: 2 ВСПОМОГАТЕЛЬНОЕ ОБОРУДОВАНИЕ (Bobcat)