ЗАДНЯЯ ДВЕРЬ (СЕРИЙНЫЙ НОМЕР 5158 40619 И ВЫШЕ, 5162 23969 И ВЫШЕ) — Продажа в Казахстане Цены от официального дилера с доставкой в Алматы, Астану и регионы
×
❮
❯
Характеристики и описание
Габариты, схема
Техническая документация
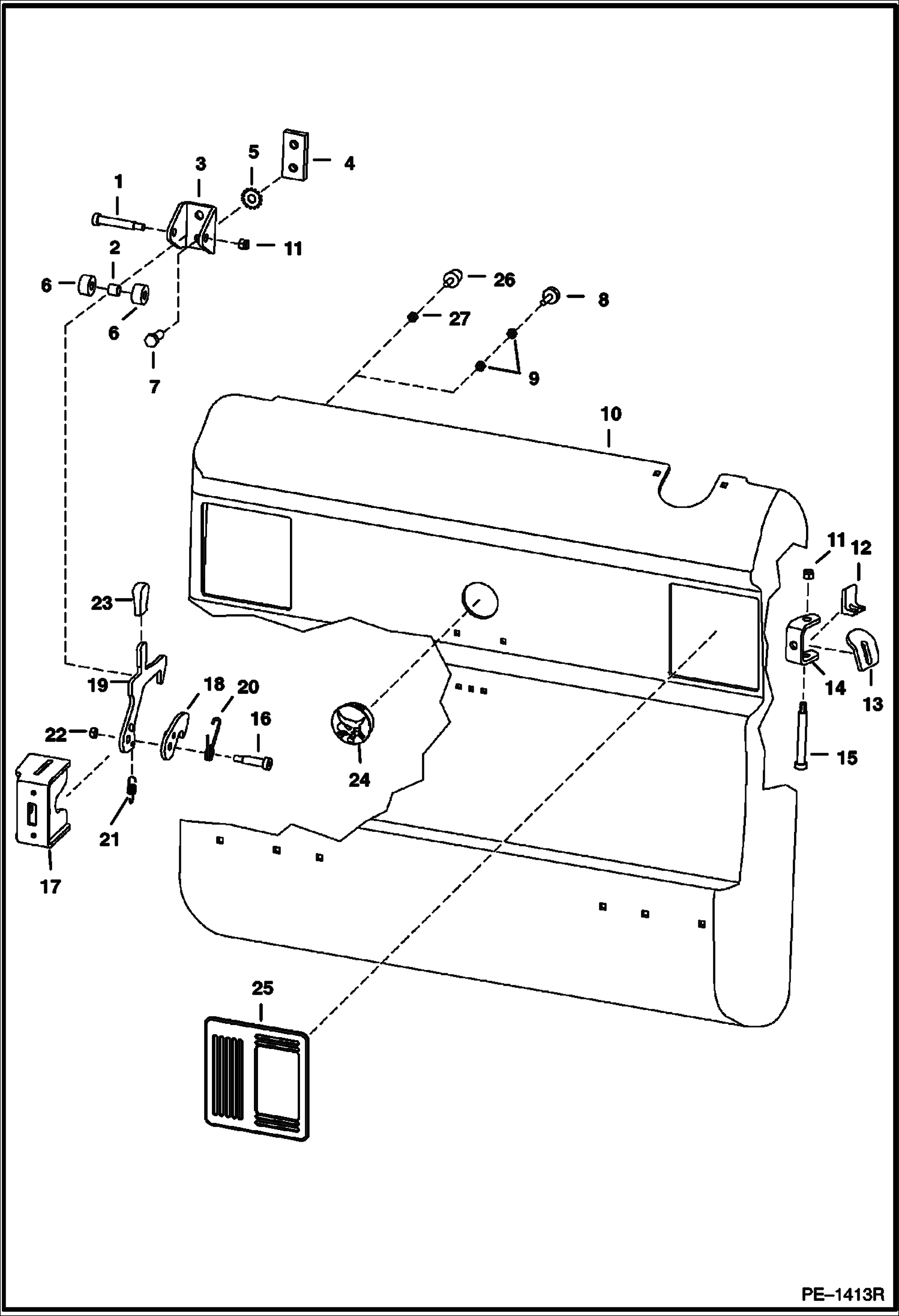
| 1 | Артикул: 38C840, BOLT carriage |
| 2 | Артикул: 6809734, BUSHING |
| 3 | Артикул: 6809727, CHANNEL |
| 4 | Артикул: 6719525, BAR threaded striker |
| 5 | Артикул: 6675273, WASHER lock |
| 6 | Артикул: 6809726, ROLLER |
| 7 | Артикул: 17C820, BOLT |
| 8 | Артикул: 6655399, BUMPER flat - Use W/Ref. 10 (NLA/Rear Door) |
| 9 | Артикул: 61D5, NUT |
| 10 | Артикул: REAR, REAR DOOR NLA - W/two hole bumper braces - Order 6729991 Rear Door & (2) ea. of Ref. 26 & 27 -Was 6729991 - A |
| 11 | Артикул: 6729991, REAR DOOR W/one hole bumper braces |
| 12 | Артикул: 59D6, NUT |
| 13 | Артикул: 6719766, STOP |
| 14 | Артикул: 6714126, DOOR STOP |
| 15 | Артикул: 6733575, HINGE, REAR DOOR weld on - Was 6711526 - A |
| 16 | Артикул: 6809845, BOLT Was 38C856 - A |
| 17 | Артикул: 38C824, SCREW |
| 18 | Артикул: 6729939, LATCH PLATE weld on |
| 19 | Артикул: 6733667, LATCH, REAR DOOR latch - Was 6811910 - A |
| 20 | Артикул: 6732715, LATCH Was 6729685 - A |
| 21 | Артикул: 6810132, SPRING |
| 22 | Артикул: 6810141, SPRING |
| 23 | Артикул: 85D6, NUT, 5 |
| 24 | Артикул: 6564452, GRIP |
| 25 | Артикул: 6718796, PLUG |
| 26 | Артикул: 6670287, COVER |
| 27 | Артикул: 6733616, BUMPER tapered - Use W/Ref. 10 (6729991 Rear Door) |
| 28 | Артикул: 61D6, NUT 5 |
ЗАДНЯЯ ДВЕРЬ (СЕРИЙНЫЙ НОМЕР 5158 40619 И ВЫШЕ, 5162 23969 И ВЫШЕ): Техника, которая работает на результат
ЗАДНЯЯ ДВЕРЬ (СЕРИЙНЫЙ НОМЕР 5158 40619 И ВЫШЕ, 5162 23969 И ВЫШЕ) на Bobcat 700s Bobcat 753 515830001 И ВЫШЕ, 516220001 И ВЫШЕГабаритные размеры
Нажмите на схему для увеличения
Документация
Документация временно недоступна.
Похожая техника в категории: РАМА (Bobcat)
СИДЕНИЕ И ОПОРА СИДЕНЬЯ
1Артикул: 666913...
2Артикул: 669171...
3Артикул: 667489...
Подробнее >
ПАНЕЛИ
1Артикул: 672530...
2Артикул: 84G371...
3Артикул: SHIELD...
Подробнее >
ТОПЛИВНАЯ СИСТЕМА
1Артикул: 673665...
2Артикул: 712088...
3Артикул: 42H32,...
Подробнее >
ЗАДНЯЯ ДВЕРЬ (СЕРИЙНЫЙ НОМЕР 5158 30001-40618, 5162 20001-23968)
1Артикул: 672525...
2Артикул: 57D6, ...
3Артикул: 667028...
Подробнее >
ПОДЪЕМНАЯ РУКОЯТЬ И BOB-TACH
1Артикул: 17C640...
2Артикул: 657795...
3Артикул: 85D6, ...
Подробнее >
КАБИНА ОПЕРАТОРА
1Артикул: OPERAT...
2Артикул: 667503...
3Артикул: SEAT, ...
Подробнее >
BOB-TACH
1Артикул: BOB-TA...
2Артикул: BOB-TA...
3Артикул: BOB-TA...
Подробнее >
СИДЕНИЕ (МИЧИГАН)
1Артикул: 666913...
2Артикул: 667016...
3Артикул: EDGING...
Подробнее >