+7 (701) 588 50 05 Телефон для связи
RU

WhatsApp

Позвонить

ЗАДНИЙ ТОРМОЗНОЙ БАРАБАН — Продажа в Казахстане Цены от официального дилера с доставкой в Алматы, Астану и регионы

Техника доступна в:
Полный спектр услуг:
Для Вашего удобства:
Характеристики и описание
Габариты, схема
Техническая документация
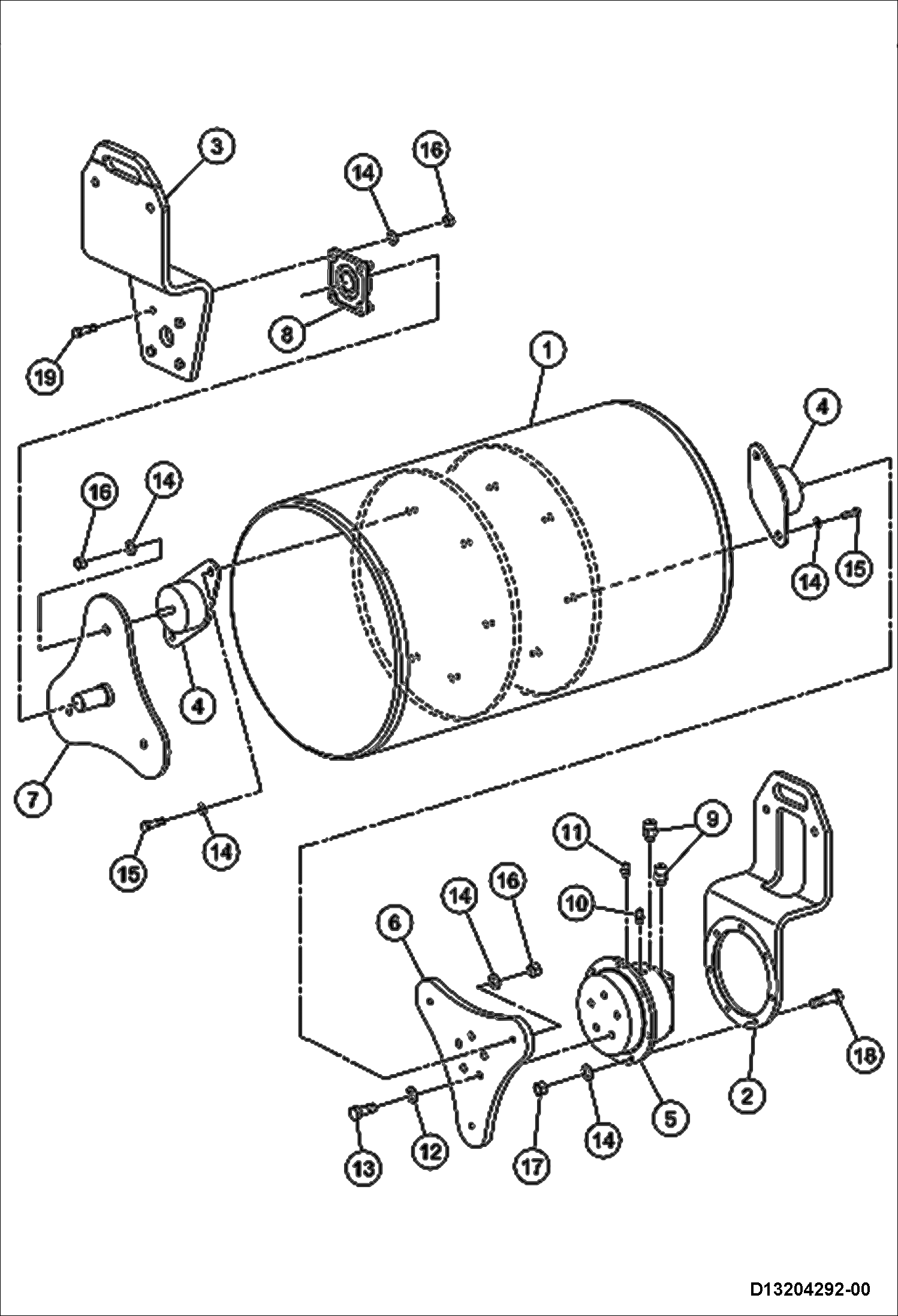
1 Артикул: IR13214739, DRUM rear
2 Артикул: IR59271502, DRUM MOUNTING leg - drive side
3 Артикул: IR59273151, DRUM LEG carrier side
4 Артикул: IR54671524, ISOLATOR
5 Артикул: MOTOR, MOTOR NLA - Was IR13402276 - A
6 Артикул: IR54505383, SEAL KIT
7 Артикул: IR13493952, KIT brake release
8 Артикул: IR13493960, KIT cover seal
9 Артикул: IR59211946, DRIVE PLATE
10 Артикул: IR13216668, Carrier Plate
11 Артикул: IR54524293, Bearing carrier
12 Артикул: IR59922534, ADAPTER straight
13 Артикул: IR95365078, ADAPTER
14 Артикул: IR95990792, ADAPTER
15 Артикул: IR96738612, washer
16 Артикул: IR96703129, BOLT
17 Артикул: IR96738596, washer
18 Артикул: IR96702311, BOLT
19 Артикул: IR96704291, Nut
20 Артикул: IR96702857, Nut
21 Артикул: IR96701966, BOLT
22 Артикул: IR96702667, BOLT

ЗАДНИЙ ТОРМОЗНОЙ БАРАБАН: Техника, которая работает на результат

ЗАДНИЙ ТОРМОЗНОЙ БАРАБАН на тандемный каток Bobcat BCA14 491711050 И ВЫШЕ

Габаритные размеры

Габаритные размеры и схема ЗАДНИЙ ТОРМОЗНОЙ БАРАБАН

Нажмите на схему для увеличения

Документация

Документация временно недоступна.

Похожая техника в категории: ТАНДЕМНЫЙ КАТОК (Bobcat)