+7 (701) 588 50 05 Телефон для связи
RU

WhatsApp

Позвонить

ЗАПАСНЫЕ ЧАСТИ ДЛЯ МОНТАЖА ДВИГАТЕЛЯ — Продажа в Казахстане Цены от официального дилера с доставкой в Алматы, Астану и регионы

Техника доступна в:
Полный спектр услуг:
Для Вашего удобства:
Характеристики и описание
Габариты, схема
Техническая документация
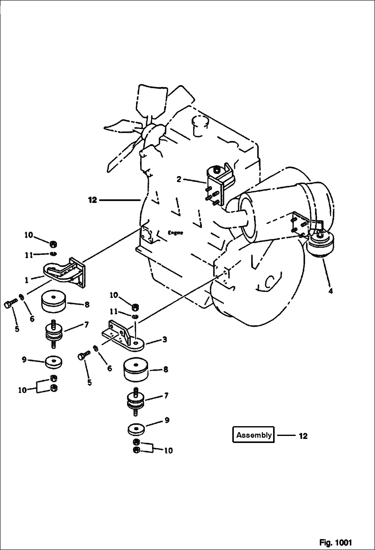
1 Артикул: 6638963, BRACKET
2 Артикул: 6638964, BRACKET
3 Артикул: 6638965, BRACKET
4 Артикул: 6638966, BRACKET
5 Артикул: 6636968, BOLT
6 Артикул: 6637135, WASHER
7 Артикул: 6638967, CUSHION
8 Артикул: 6638968, STOPPER
9 Артикул: 6638969, SPACER
10 Артикул: 6637109, NUT
11 Артикул: 6637136, WASHER
12 Артикул: 6649257, ENGINE-5

ЗАПАСНЫЕ ЧАСТИ ДЛЯ МОНТАЖА ДВИГАТЕЛЯ: Техника, которая работает на результат

ЗАПАСНЫЕ ЧАСТИ ДЛЯ МОНТАЖА ДВИГАТЕЛЯ на мини-экскаватор Bobcat 116 505011001 - 505011999

Габаритные размеры

Габаритные размеры и схема ЗАПАСНЫЕ ЧАСТИ ДЛЯ МОНТАЖА ДВИГАТЕЛЯ

Нажмите на схему для увеличения

Документация

Документация временно недоступна.

Похожая техника в категории: ДЕТАЛИ ДВИГАТЕЛЯ И ЭЛЕКТРИЧЕСКАЯ СИСТЕМА (Bobcat)

Спецтехника ПАНЕЛЬ ИЗМЕРИТЕЛЬНЫХ ПРИБОРОВ

ПАНЕЛЬ ИЗМЕРИТЕЛЬНЫХ ПРИБОРОВ

1Артикул: 664289...
2Артикул: 663772...
3Артикул: 663926...
Подробнее >
Спецтехника АККУМУЛЯТОР ДЛЯ ХОЛОДНЫХ ПОГОДНЫХ УСЛОВИЙ

АККУМУЛЯТОР ДЛЯ ХОЛОДНЫХ ПОГОДНЫХ УСЛОВИЙ

1Артикул: BATTER...
2Артикул: 664083...
3Артикул: 664083...
Подробнее >
Спецтехника ТОПЛИВНЫЙ БАК И ТРУБОПРОВОД

ТОПЛИВНЫЙ БАК И ТРУБОПРОВОД

1Артикул: 664289...
2Артикул: 663898...
3Артикул: 663746...
Подробнее >
Спецтехника РАСШИРИТЕЛЬНЫЙ БАЧОК РАДИАТОРА

РАСШИРИТЕЛЬНЫЙ БАЧОК РАДИАТОРА

1Артикул: 663989...
2Артикул: 663861...
3Артикул: 663762...
Подробнее >
Спецтехника ТОПЛИВНЫЙ БАК И ТРУБОПРОВОД ДЛЯ ОХРАННОГО УСТРОЙСТВА

ТОПЛИВНЫЙ БАК И ТРУБОПРОВОД ДЛЯ ОХРАННОГО УСТРОЙСТВА

1Артикул: TANK, ...
2Артикул: 663898...
3Артикул: 663748...
Подробнее >
Спецтехника ЭЛЕКТРИЧЕСКАЯ СИСТЕМА

ЭЛЕКТРИЧЕСКАЯ СИСТЕМА

1Артикул: 663899...
2Артикул: 663899...
3Артикул: 663899...
Подробнее >
Спецтехника ВЫХЛОПНАЯ СИСТЕМА

ВЫХЛОПНАЯ СИСТЕМА

1Артикул: 663897...
2Артикул: 663695...
3Артикул: 664672...
Подробнее >
Спецтехника МЕХАНИЗМ ОТБОРА МОЩНОСТИ

МЕХАНИЗМ ОТБОРА МОЩНОСТИ

1Артикул: 663896...
2Артикул: 664289...
3Артикул: 664289...
Подробнее >
Спецтехника МУФТА ВОЗДУХООЧИСТИТЕЛЯ

МУФТА ВОЗДУХООЧИСТИТЕЛЯ

1Артикул: 664002...
2Артикул: 663897...
3Артикул: 663763...
Подробнее >
Спецтехника АККУМУЛЯТОР

АККУМУЛЯТОР

1Артикул: 664289...
2Артикул: 664083...
3Артикул: 664083...
Подробнее >
Спецтехника РАДИАТОР И ТРУБОПРОВОД

РАДИАТОР И ТРУБОПРОВОД

1Артикул: 663897...
2Артикул: 663897...
3Артикул: OIL, O...
Подробнее >