+7 (701) 588 50 05 Телефон для связи
RU

WhatsApp

Позвонить

10 КОРПУСНЫЕ ДЕТАЛИ в Алматы

ВОЗДУХООЧИСТИТЕЛЬ

ВОЗДУХООЧИСТИТЕЛЬ

1Артикул: 204-00002A, AIR CLEANER ASS`Y
2Артикул: 2204-2012A, AIR CLEANER
3Артикул: 2124-1552, BAND;AIR CLEANER
Подробнее >
ДЕФЛЕКТОР В СБОРЕ

ДЕФЛЕКТОР В СБОРЕ

1Артикул: 464-00003A, BAFFLE ASS`Y
2Артикул: 621-00143A, COVER;BAFFLE
3Артикул: 621-00144A, COVER
Подробнее >
1120 RADIATOR

1120 RADIATOR

1Артикул: 201-00009A, ENGINE ASS`Y
2Артикул: 202-00004A, RADIATOR ASS`Y
3Артикул: 202-00004B, RADIATOR ASS`Y
Подробнее >
ТУБОПРОВОД МАСЛЯНОГО РАДИАТОРА(2)

ТУБОПРОВОД МАСЛЯНОГО РАДИАТОРА(2)

1Артикул: 400-00067A, OIL COOLER PIPING
2Артикул: 140-00047A, PIPE;SUCTION
3Артикул: 140-00047B, PIPE;SUCTION
Подробнее >
КРЫШКА(4)

КРЫШКА(4)

1Артикул: 621-00121A, COVER ASS`Y
2Артикул: 2621-3496G, BATTERY COVER ASS`Y
3Артикул: 2621-3494G, . BATTERY COVER
Подробнее >
ОБТЕКАЕМАЯ ПОДКУЗОВНАЯ ПАНЕЛЬ

ОБТЕКАЕМАЯ ПОДКУЗОВНАЯ ПАНЕЛЬ

1Артикул: 621-00132A, UNDER COVER ASS`Y
2Артикул: 621-00133, COVER
3Артикул: 621-00134, COVER
Подробнее >
1411 SEAT ASS`Y-EXCEPT EUROPE & U.S.A [1057~]

1411 SEAT ASS`Y-EXCEPT EUROPE & U.S.A [1057~]

1Артикул: 901-00014, SEAT MOUNTING
2Артикул: 901-00014A, SEAT MOUNTING
3Артикул: 2901-9034, SEAT
Подробнее >
КРОНШТЕЙН(2)

КРОНШТЕЙН(2)

1Артикул: 195-00014A, SUPPORT ASS`Y
2Артикул: 195-00016A, SUPPORT
3Артикул: 195-00018A, SUPPORT
Подробнее >
ГЛАВНАЯ МАГИСТРАЛЬ(2)

ГЛАВНАЯ МАГИСТРАЛЬ(2)

1Артикул: 400-00048A, MAIN PIPING
2Артикул: 140-00050A, PIPE
3Артикул: 140-00051, PIPE
Подробнее >
ГЛАВНАЯ МАГИСТРАЛЬ(3)

ГЛАВНАЯ МАГИСТРАЛЬ(3)

1Артикул: 400-00048A, MAIN PIPING
2Артикул: 2184-1100D218, HOSE 1400L
3Артикул: 2184-1100D15, HOSE
Подробнее >
ЭЛЕКТРОПРОВОДКА(1)-СОПРЯЖЕННЫЕ ДЕТАЛИ

ЭЛЕКТРОПРОВОДКА(1)-СОПРЯЖЕННЫЕ ДЕТАЛИ

1Артикул: 500-00010, ELECTRIC PARTS
2Артикул: 599-00005, WIRING;DIAGRAM
3Артикул: 599-00005A, WIRING;DIAGRAM
Подробнее >
1450 CABIN(1)

1450 CABIN(1)

1Артикул: 2622-1432J, CABIN ASS`Y
2Артикул: 2622-1432L, CABIN ASS`Y
3Артикул: 2622-1432N, CABIN ASS`Y
Подробнее >
1470 CABIN(3)

1470 CABIN(3)

1Артикул: 2622-1432J, CABIN ASS`Y
2Артикул: 2622-1432L, CABIN ASS`Y
3Артикул: 2622-1432N, CABIN ASS`Y
Подробнее >
ТОПЛИВНЫЕ ТРУБОПРОВОДЫ

ТОПЛИВНЫЕ ТРУБОПРОВОДЫ

1Артикул: 470-00004A, FUEL TANK ASS`Y
2Артикул: S8450012, CLAMP
3Артикул: 2185-1247D132, HOSE 2700L
Подробнее >
1460 CABIN(2)

1460 CABIN(2)

1Артикул: 2622-1432J, CABIN ASS`Y
2Артикул: 2622-1432L, CABIN ASS`Y
3Артикул: 2622-1432N, CABIN ASS`Y
Подробнее >
1520 COVER(1)

1520 COVER(1)

1Артикул: 621-00121A, COVER ASS`Y
2Артикул: 621-00176, SIDE COVER ASS`Y
3Артикул: 195-00011, . SUPPORT
Подробнее >
КОНДИЦИОНЕР(2)-БЛОК КОНДИЦИОНЕРА

КОНДИЦИОНЕР(2)-БЛОК КОНДИЦИОНЕРА

1Артикул: 920-00002, COOLER & HEATER ASS`Y
2Артикул: 2920-9044B, AIRCON UNIT
3Артикул: 2920-9044C, AIRCON UNIT
Подробнее >
ТРУБОПРОВОД СЕРВОУПРАВЛЕНИЯ(8)

ТРУБОПРОВОД СЕРВОУПРАВЛЕНИЯ(8)

1Артикул: 400-00109A, PILOT PIPING
2Артикул: S8000141, O-RING
3Артикул: S8000111, O-RING
Подробнее >
1675 ALTERNATOR [1001~1305]

1675 ALTERNATOR [1001~1305]

1Артикул: 2502-9009, ALTERNATOR(50A)
2Артикул: 0-35100-0300, ROTOR ASS`Y
3Артикул: 1-33923-0790, . COLLAR
Подробнее >
ГЛАВНАЯ МАГИСТРАЛЬ(5)

ГЛАВНАЯ МАГИСТРАЛЬ(5)

1Артикул: 400-00048A, MAIN PIPING
2Артикул: 2184-1124D114, HOSE PF3/4-1720L
3Артикул: 2184-1100D178, HOSE PF3/4-1450L
Подробнее >
ГЛАВНАЯ МАГИСТРАЛЬ(1)

ГЛАВНАЯ МАГИСТРАЛЬ(1)

1Артикул: 400-00048A, MAIN PIPING
2Артикул: 426-00074, CONTROL VALVE
3Артикул: 2184-1100D208, HOSE PF3/4-1270L
Подробнее >
ЗАПАСНОЙ БАК

ЗАПАСНОЙ БАК

1Артикул: 201-00009A, ENGINE ASS`Y
2Артикул: 2470-9017, TANK;RESERVE
3Артикул: 2124-1690, CLAMP
Подробнее >
1416 SEAT- EUROPE & U.S.A

1416 SEAT- EUROPE & U.S.A

1Артикул: 2901-9026, SEAT
2Артикул: 172526, HEAD REST
3Артикул: 172517, SEAT UPPER
Подробнее >
1480 CABIN(4)

1480 CABIN(4)

1Артикул: 2622-1432J, CABIN ASS`Y
2Артикул: 2622-1432L, CABIN ASS`Y
3Артикул: 2622-1432N, CABIN ASS`Y
Подробнее >
НАСОСНАЯ УСТАНОВКА

НАСОСНАЯ УСТАНОВКА

1Артикул: 401-00018A, PUMP INSTALL
2Артикул: 401-00020, PUMP;MAIN
3Артикул: 401-00020A, PUMP;MAIN
Подробнее >
ТУБОПРОВОД МАСЛЯНОГО РАДИАТОРА(3)

ТУБОПРОВОД МАСЛЯНОГО РАДИАТОРА(3)

1Артикул: 400-00067A, OIL COOLER PIPING
2Артикул: 2184-1036D397, HOSE
3Артикул: 2184-1036D19, HOSE PF1/2-750L
Подробнее >
1180 FUEL TANK

1180 FUEL TANK

1Артикул: 470-00004A, FUEL TANK ASS`Y
2Артикул: 470-00003A, TANK;FUEL
3Артикул: 470-00003C, TANK;FUEL
Подробнее >
АКУСТИЧЕСКАЯ НОПЛАСТОВАЯ ИЗОЛЯЦИЯ В СБОРЕ

АКУСТИЧЕСКАЯ НОПЛАСТОВАЯ ИЗОЛЯЦИЯ В СБОРЕ

1Артикул: 161-00025A, ACOUSTIC FOAM ASS`Y
2Артикул: 161-00017, POLYURETHANE FOAM
3Артикул: 161-00024, POLYURETHANE FOAM
Подробнее >
1415 SEAT-EXCEPT EUROPE & U.S.A

1415 SEAT-EXCEPT EUROPE & U.S.A

1Артикул: 2901-9034, SEAT
2Артикул: 2901-9034A, SEAT
3Артикул: 901-00006, CUSHION ASS`Y
Подробнее >
КРЫШКА(5)

КРЫШКА(5)

1Артикул: 621-00121A, COVER ASS`Y
2Артикул: 2627-1324B, COVER;ENGINE
3Артикул: 1.162-00002, . RUBBER;CUSHION
Подробнее >
ЭЛЕКТРИЧЕСКИЕ ЗАПЧАСТИ(4)-АККУМУЛЯТОР

ЭЛЕКТРИЧЕСКИЕ ЗАПЧАСТИ(4)-АККУМУЛЯТОР

1Артикул: 500-00009, ELECTRIC PARTS
2Артикул: 2506-6008, BATTERY
3Артикул: 506-00003, BATTERY
Подробнее >
ЭЛЕКТРИЧЕСКИЕ ЗАПЧАСТИ(2)-СТАНДАРТНЫЙ ЛЕВОСТОРОННИЙ

ЭЛЕКТРИЧЕСКИЕ ЗАПЧАСТИ(2)-СТАНДАРТНЫЙ ЛЕВОСТОРОННИЙ

1Артикул: 500-00008, ELECTRIC PARTS
2Артикул: 2549-9098, SWITCH;ROCKER
3Артикул: K9000353, . LAMP;PILOT
Подробнее >
ТУБОПРОВОД ОБОГРЕВАТЕЛЯ

ТУБОПРОВОД ОБОГРЕВАТЕЛЯ

1Артикул: 920-00002, COOLER & HEATER ASS`Y
2Артикул: S0508653, BOLT M8X1.25X16
3Артикул: S5102503, WASHER
Подробнее >
ПУЛЬТ УПРАВЛЕНИЯ-ПРАВОСТРОННИЙ

ПУЛЬТ УПРАВЛЕНИЯ-ПРАВОСТРОННИЙ

1Артикул: 2197-1825F2H, CONTROL STAND ASS`Y
2Артикул: 2197-1825F2K, CONTROL STAND ASS`Y
3Артикул: 2621-3775, HOLE COVER;STAND
Подробнее >
ТРУБОПРОВОД СЕРВОУПРАВЛЕНИЯ(9)

ТРУБОПРОВОД СЕРВОУПРАВЛЕНИЯ(9)

1Артикул: 400-00109A, PILOT PIPING
2Артикул: S8000111, O-RING
3Артикул: 2181-1126D14, ADAPTER
Подробнее >
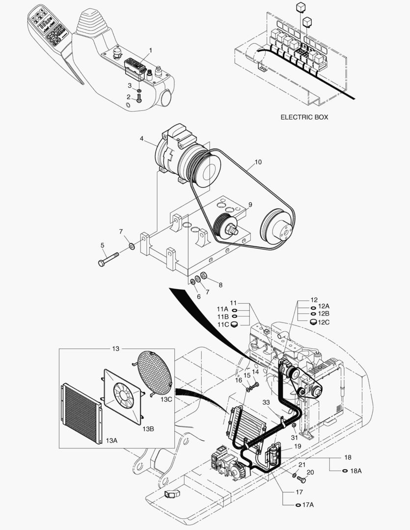
КОНДИЦИОНЕР(1)

КОНДИЦИОНЕР(1)

1Артикул: 920-00002, COOLER & HEATER ASS`Y
2Артикул: 2543-9031A, PANEL;AIRCON CONTROL
3Артикул: S3450583, SCREW
Подробнее >
КАБИНА(5)

КАБИНА(5)

1Артикул: 2622-1432J, CABIN ASS`Y
2Артикул: 2622-1432L, CABIN ASS`Y
3Артикул: 2622-1432N, CABIN ASS`Y
Подробнее >
РЕЗЕРВУАР ДЛЯ МАСЛА

РЕЗЕРВУАР ДЛЯ МАСЛА

1Артикул: 470-00006A, OIL TANK ASS`Y
2Артикул: 470-00005B, TANK;OIL
3Артикул: 470-00005C, TANK;OIL
Подробнее >
УПРАВЛЕНИЕ ДВИГАТЕЛЕМ В СБОРЕ

УПРАВЛЕНИЕ ДВИГАТЕЛЕМ В СБОРЕ

1Артикул: 133-00018A, ENGINE CONTROL ASS`Y
2Артикул: 2197-1836A, BRACKET
3Артикул: S0512053, BOLT M10X1.5X25
Подробнее >
ПУЛЬТ УПРАВЛЕНИЯ-ЛЕВОСТРОННИЙ

ПУЛЬТ УПРАВЛЕНИЯ-ЛЕВОСТРОННИЙ

1Артикул: 2197-1825F2H, CONTROL STAND ASS`Y
2Артикул: 2197-1825F2K, CONTROL STAND ASS`Y
3Артикул: 2160-1004D9, GROMMET
Подробнее >
1140 MUFFLER

1140 MUFFLER

1Артикул: 201-00009A, ENGINE ASS`Y
2Артикул: S0511753, BOLT M10X1.5X18
3Артикул: 2203-1688B, MUFFLER
Подробнее >
КАБИНА В СБОРЕ

КАБИНА В СБОРЕ

1Артикул: 2622-1545B, CABIN ASS`Y
2Артикул: 2622-1545C, CABIN ASS`Y
3Артикул: 2622-1545E, CABIN ASS`Y
Подробнее >
КРЫШКА ТРУБОПРОВОДА В СБОРЕ

КРЫШКА ТРУБОПРОВОДА В СБОРЕ

1Артикул: 2621-3877B, DUCT COVER ASS`Y
2Артикул: 2213-1097, DUCT;FOOT REAR
3Артикул: 2213-1095, DUCT;FACE REAR
Подробнее >
1413 SEAT ASS`Y-EUROPE & U.S.A [1057~]

1413 SEAT ASS`Y-EUROPE & U.S.A [1057~]

1Артикул: 901-00015, SEAT MOUNTING
2Артикул: 2901-9026, SEAT
3Артикул: S2208761, BOLT;SOCKET M8X1.25X18
Подробнее >
ТРУБОПРОВОД СЕРВОУПРАВЛЕНИЯ(4)

ТРУБОПРОВОД СЕРВОУПРАВЛЕНИЯ(4)

1Артикул: 400-00109A, PILOT PIPING
2Артикул: 2420-9516, REMOTE CONTROL V/V(LH)
3Артикул: 420-00237, REMOTE CONTROL VALVE(L.H.)
Подробнее >
ЭЛЕКТРИЧЕСКИЕ ЗАПЧАСТИ(1)-СТАНДАРТНЫЙ ПРАВОСТОРОННИЙ

ЭЛЕКТРИЧЕСКИЕ ЗАПЧАСТИ(1)-СТАНДАРТНЫЙ ПРАВОСТОРОННИЙ

1Артикул: 500-00008, ELECTRIC PARTS
2Артикул: 2539-1068A, PANEL;LCD GAUGE
3Артикул: 2190-3166, . SHEET;SWITCH
Подробнее >
ТРУБОПРОВОД СЕРВОУПРАВЛЕНИЯ(6)

ТРУБОПРОВОД СЕРВОУПРАВЛЕНИЯ(6)

1Артикул: 400-00109A, PILOT PIPING
2Артикул: 420-00030, PEDAL VALVE
3Артикул: 2124-1594A, CLAMP;PLASTIC
Подробнее >
ЭЛЕКТРОПРОВОДКА(2)-ДВИГАТЕЛЬ

ЭЛЕКТРОПРОВОДКА(2)-ДВИГАТЕЛЬ

1Артикул: 500-00010, ELECTRIC PARTS
2Артикул: 2530-1631B, HARNESS;ENGINE
3Артикул: 2530-1631C, HARNESS;ENGINE
Подробнее >
ТРУБОПРОВОД СЕРВОУПРАВЛЕНИЯ(3)

ТРУБОПРОВОД СЕРВОУПРАВЛЕНИЯ(3)

1Артикул: 400-00109A, PILOT PIPING
2Артикул: S5102603, WASHER
3Артикул: 426-00082, VALVE;SOLENOID
Подробнее >
ЭЛЕКТРИЧЕСКИЕ ЗАПЧАСТИ(3)-КАБИНА

ЭЛЕКТРИЧЕСКИЕ ЗАПЧАСТИ(3)-КАБИНА

1Артикул: 500-00008, ELECTRIC PARTS
2Артикул: 2528-9040, METER;HOUR
3Артикул: 2510-1010, BOX ASS`Y;FUSE (1)
Подробнее >
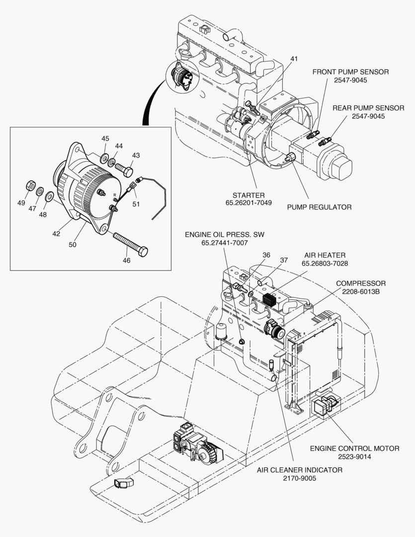
ЭЛЕКТРИЧЕСКИЕ ЗАПЧАСТИ(5)-ДВИГАТЕЛЬ

ЭЛЕКТРИЧЕСКИЕ ЗАПЧАСТИ(5)-ДВИГАТЕЛЬ

1Артикул: 500-00009, ELECTRIC PARTS
2Артикул: 2547-9038B, SENSOR,WATER TEMP
3Артикул: S8180251, PACKING
Подробнее >
1530 COVER(2)

1530 COVER(2)

1Артикул: 621-00121A, COVER ASS`Y
2Артикул: 621-00189A, SIDE DOOR ASS`Y
3Артикул: 2197-1603B, . SUPPORT
Подробнее >
1155 AIR CLEANER

1155 AIR CLEANER

1Артикул: 2204-2012A, AIR CLEANER
2Артикул: -, BODY
3Артикул: 2474-9057, ELEMENT;INNER
Подробнее >
ПОВОРОТНОЕ УСТРОЙСТВО В СБОРЕ

ПОВОРОТНОЕ УСТРОЙСТВО В СБОРЕ

1Артикул: 401-00019A, SWING DEVICE
2Артикул: 401-00125, SWING DEVICE
3Артикул: 401-00125A, SWING DEVICE
Подробнее >
КРЫШКА ОБОГРЕВАТЕЛЯ В СБОРЕ

КРЫШКА ОБОГРЕВАТЕЛЯ В СБОРЕ

1Артикул: 2621-3878E, HEATER COVER ASS`Y
2Артикул: 2621-3878G, HEATER COVER ASS`Y
3Артикул: 2621-3771A, HEATER COVER(RH)
Подробнее >
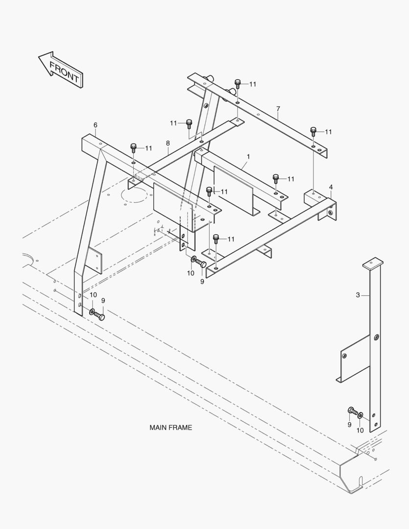
1100 MAIN FRAME

1100 MAIN FRAME

1Артикул: 600-00004A, FRAME ASS`Y
2Артикул: 603-00008B, FRAME;MAIN
3Артикул: 603-00008C, FRAME;MAIN
Подробнее >
ГЛАВНАЯ МАГИСТРАЛЬ(4)

ГЛАВНАЯ МАГИСТРАЛЬ(4)

1Артикул: 400-00048A, MAIN PIPING
2Артикул: 2184-1124D74, HOSE PF3/4-520L
3Артикул: 2184-1124D103, HOSE 3/4``-600L
Подробнее >
1410 SEAT & ELECTRIC BOX

1410 SEAT & ELECTRIC BOX

1Артикул: 2197-1825F2H, CONTROL STAND ASS`Y
2Артикул: 2197-1825F2K, CONTROL STAND ASS`Y
3Артикул: 2194-9005B, RAIL;SEAT
Подробнее >
ТРУБОПРОВОД СМАЗОЧНОЙ СИСТЕМЫ

ТРУБОПРОВОД СМАЗОЧНОЙ СИСТЕМЫ

1Артикул: 400-00114, LUBRICATION PIPING
2Артикул: 140-00112, PIPE;GREASE
3Артикул: 2181-1925, ELBOW
Подробнее >
КРОНШТЕЙН(1)

КРОНШТЕЙН(1)

1Артикул: 195-00014A, SUPPORT ASS`Y
2Артикул: 195-00015A, SUPPORT
3Артикул: 2197-1451, SUPPORT
Подробнее >
ТРУБОПРОВОД СЕРВОУПРАВЛЕНИЯ(7)

ТРУБОПРОВОД СЕРВОУПРАВЛЕНИЯ(7)

1Артикул: 400-00109A, PILOT PIPING
2Артикул: S8000141, O-RING
3Артикул: S8000111, O-RING
Подробнее >
ЭЛЕКТРОШКАФ В СБОРЕ(2)-ЭЛЕКТРИЧЕСКИЕ ЗАПЧАСТИ

ЭЛЕКТРОШКАФ В СБОРЕ(2)-ЭЛЕКТРИЧЕСКИЕ ЗАПЧАСТИ

1Артикул: 500-00007, ELECTRIC BOX ASS`Y
2Артикул: 500-00007A, ELECTRIC BOX ASS`Y
3Артикул: 500-00007B, ELECTRIC BOX ASS`Y
Подробнее >
ТРУБОПРОВОД СЕРВОУПРАВЛЕНИЯ(5)

ТРУБОПРОВОД СЕРВОУПРАВЛЕНИЯ(5)

1Артикул: 400-00109A, PILOT PIPING
2Артикул: 2420-9517, REMOTE CONTROL V/V(RH)
3Артикул: 420-00238, REMOTE CONTROL VALVE(R.H.)
Подробнее >
ТРУБОПРОВОД СЕРВОУПРАВЛЕНИЯ(2)

ТРУБОПРОВОД СЕРВОУПРАВЛЕНИЯ(2)

1Артикул: 400-00109A, PILOT PIPING
2Артикул: S0512053, BOLT M10X1.5X25
3Артикул: S5102603, WASHER
Подробнее >
ТРУБОПРОВОД СЕРВОУПРАВЛЕНИЯ(1)

ТРУБОПРОВОД СЕРВОУПРАВЛЕНИЯ(1)

1Артикул: 400-00109A, PILOT PIPING
2Артикул: S5102303, WASHER
3Артикул: 2471-1153, FILTER;PILOT
Подробнее >
ЭЛЕКТРИЧЕСКИЕ ЗАПЧАСТИ(6)-СОПРЯЖЕННЫЕ ДЕТАЛИ

ЭЛЕКТРИЧЕСКИЕ ЗАПЧАСТИ(6)-СОПРЯЖЕННЫЕ ДЕТАЛИ

1Артикул: 500-00009, ELECTRIC PARTS
2Артикул: 2544-6020, RELAY;PREHEAT
3Артикул: S0504453, BOLT
Подробнее >
ТУБОПРОВОД МАСЛЯНОГО РАДИАТОРА(1)

ТУБОПРОВОД МАСЛЯНОГО РАДИАТОРА(1)

1Артикул: 400-00067A, OIL COOLER PIPING
2Артикул: 2140-1186A, PIPE
3Артикул: 2140-1185A, PIPE
Подробнее >
КРЫШКА(3)

КРЫШКА(3)

1Артикул: 621-00121A, COVER ASS`Y
2Артикул: 621-00122, COVER
3Артикул: 621-00125, COVER
Подробнее >
ЭЛЕКТРОШКАФ В СБОРЕ(1)-ЯЩИК

ЭЛЕКТРОШКАФ В СБОРЕ(1)-ЯЩИК

1Артикул: 2512-1119B, ELECTRIC BOX ASS`Y
2Артикул: 2512-1118B, ELECTRIC BOX
3Артикул: 2891-1266A, PLATE
Подробнее >
1585 ACOUSTIC FOAM ASS`Y-EUROPE [1284~]

1585 ACOUSTIC FOAM ASS`Y-EUROPE [1284~]

1Артикул: 161-00474, ACOUSTIC FOAM ASS`Y
2Артикул: 161-00477, FOAM;POLYURETHANE
3Артикул: 195-00692, BRACKET
Подробнее >
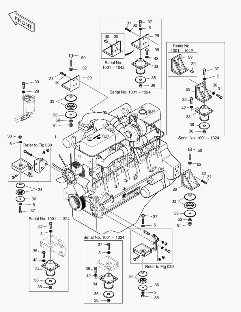
МОНТАЖ ДВИГАТЕЛЯ

МОНТАЖ ДВИГАТЕЛЯ

1Артикул: 201-00009A, ENGINE ASS`Y
2Артикул: 201-00010, ENGINE-D1146T
3Артикул: 201-00010A, ENGINE-D1146T
Подробнее >