+7 (701) 588 50 05 Телефон для связи
RU

WhatsApp

Позвонить

ОПЦИОННЫЕ ЗАПЧАСТИ в Алматы

ТРУБОПРОВОД - С ФИЛЬТРОМ

ТРУБОПРОВОД - С ФИЛЬТРОМ

1Артикул: 420212-05647, PIPING,BREAKER FILTER;ONE WAY
2Артикул: 471-00114, FILTER,BREAKER
3Артикул: 474-00046, . ELEMENT,BREAKER FILTER
Подробнее >
РАДИО

РАДИО

1Артикул: 300654-00043, STEREO,CAR;RADIO
2Артикул: 300654-00040, STEREO,CAR;HANDSFREE(24V)
Подробнее >
КОВРИК НА ПОЛУ КУЗОВА - ШАРНИРНЫЙ + STT

КОВРИК НА ПОЛУ КУЗОВА - ШАРНИРНЫЙ + STT

1Артикул: 110935-00049A, MAT,FLOOR;(STRT & ARTI)
2Артикул: 110935-00049C, MAT,FLOOR;(STRT & ARTI)
3Артикул: 110935-00049E, MAT,FLOOR
Подробнее >
ГЛАВНАЯ МАГИСТРАЛЬ - 2 НАСОСА(ШАРНИРНАЯ СТРЕЛА)

ГЛАВНАЯ МАГИСТРАЛЬ - 2 НАСОСА(ШАРНИРНАЯ СТРЕЛА)

1Артикул: 420212-05614, PIPING,MAIN;TWO PUMP(ARTI)
2Артикул: DS2232232, ADAPTER
3Артикул: DS2362008, TEE
Подробнее >
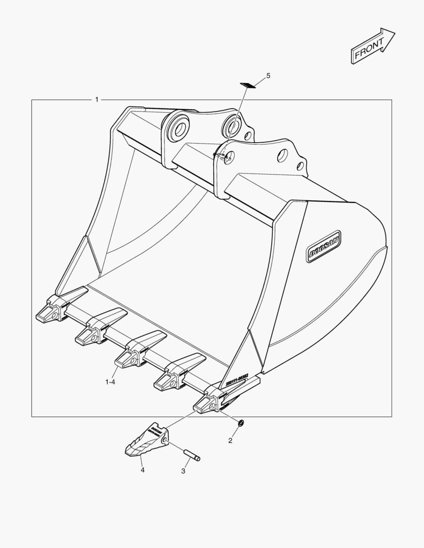
7200 BUCKET ASSВґY - 0.76mВі - H CLASS

7200 BUCKET ASSВґY - 0.76mВі - H CLASS

1Артикул: 230104-01724, BUCKET ASSY;0.76M3(R2H)
2Артикул: 230104-01724A, BUCKET ASSY;0.76M3 R2H
3Артикул: -, BUCKET,WELD;0.76M3(R2H)
Подробнее >
МАЯЧОК ТЕЛЕСКОПА

МАЯЧОК ТЕЛЕСКОПА

1Артикул: 300619-00085A, TELESCOPIC BEACON ASSY
2Артикул: 300619-00085C, TELESCOPIC BEACON ASSY;NOT 6LAMP
3Артикул: 110429-00002C, BRACKET
Подробнее >
7220 BUCKET ASSВґY - 1.08mВі - H CLASS

7220 BUCKET ASSВґY - 1.08mВі - H CLASS

1Артикул: 230104-01728, BUCKET ASSY;1.08M3(R2H)
2Артикул: 230104-01728A, BUCKET ASSY;1.08M3 R2H
3Артикул: -, BUCKET,WELD;1.08M3(R2H)
Подробнее >
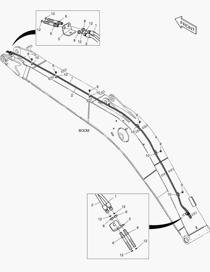
ГИДРОСИСТЕМА СТРЕЛЫ - ВРАЩАЮЩИЙСЯ

ГИДРОСИСТЕМА СТРЕЛЫ - ВРАЩАЮЩИЙСЯ

1Артикул: 420212-02814, PIPING,BOOM;ROTATION 5.9M
2Артикул: 420207-00734B, PIPE ASSY,HYDRAULIC
3Артикул: 420207-00735B, PIPE ASSY,HYDRAULIC
Подробнее >
ТОПЛИВНЫЙ ФИЛЬТР - С ПОДОГРЕВАТЕЛЬНОЙ ЧАШЕЙ

ТОПЛИВНЫЙ ФИЛЬТР - С ПОДОГРЕВАТЕЛЬНОЙ ЧАШЕЙ

1Артикул: 420212-06625, PIPING,FUEL;WITH BOWL HEATER
2Артикул: 400403-00072, FILTER,FUEL
3Артикул: 400403-00170, FILTER,FUEL
Подробнее >
ТРУБОПРОВОД СЕРВОУПРАВЛЕНИЯ - ВРАЩАЮЩИЙСЯ

ТРУБОПРОВОД СЕРВОУПРАВЛЕНИЯ - ВРАЩАЮЩИЙСЯ

1Артикул: 420212-05659B, PIPING,PILOT;ROTATING
2Артикул: 2181-4133D1, ADAPTER
3Артикул: 2181-2815D8, ELBOW
Подробнее >
БАШМАК ГУСЕНИЦЫ В СБОРЕ - 900G

БАШМАК ГУСЕНИЦЫ В СБОРЕ - 900G

1Артикул: 200106-00189, SHOE ASSY,TRACK
2Артикул: 200106-00190A, SHOE ASSY,TRACK;900MM
3Артикул: 200103-00097A, . LINK ASSY,TRACK
Подробнее >
ТРУБОПРОВОД ХОДА - УЗКИЕ ГУСЕНИЦЫ

ТРУБОПРОВОД ХОДА - УЗКИЕ ГУСЕНИЦЫ

1Артикул: 420212-05661, PIPING,UNDERCARRIAGE
2Артикул: DS2017088, HOSE ASSY,HYDRAULIC
3Артикул: DS2017047, HOSE
Подробнее >
ТРУБОПРОВОД ШАРНИРНОЙ СТРЕЛЫ - ГИДРОЗАМОК(РУКОЯТЬ)

ТРУБОПРОВОД ШАРНИРНОЙ СТРЕЛЫ - ГИДРОЗАМОК(РУКОЯТЬ)

1Артикул: 420212-05079, PIPING,ARTI BOOM;ARM LOCK
2Артикул: DS20111424, HOSE
3Артикул: DS20131872, HOSE
Подробнее >
2 ТРУБОПРОВОДА - С ФИЛЬТРОМ

2 ТРУБОПРОВОДА - С ФИЛЬТРОМ

1Артикул: 420212-05648, PIPING,BREAKER FILTER;TWO WAY
2Артикул: 471-00114, FILTER,BREAKER
3Артикул: 474-00046, . ELEMENT,BREAKER FILTER
Подробнее >
БАШМАК ГУСЕНИЦЫ В СБОРЕ - 700G

БАШМАК ГУСЕНИЦЫ В СБОРЕ - 700G

1Артикул: 200106-00185, SHOE ASSY,TRACK
2Артикул: 200106-00186A, SHOE ASSY,TRACK;700MM
3Артикул: 200103-00097A, . LINK ASSY,TRACK
Подробнее >
ТРУБОПРОВОД СЕРВОУПРАВЛЕНИЯ - 2 НАСОСА(ШАРНИРНАЯ СТРЕЛА)

ТРУБОПРОВОД СЕРВОУПРАВЛЕНИЯ - 2 НАСОСА(ШАРНИРНАЯ СТРЕЛА)

1Артикул: 420212-05641, PIPING,PILOT;TWO PUMP(ARTI)
2Артикул: 410134-00045, VALVE,SHUTTLE
3Артикул: DS2119004, HOSE ASSY,HYDRAULIC
Подробнее >
ГЛАВНАЯ МАГИСТРАЛЬ - БЫСТРОУСТАНАВЛИВАЕМЫЙ ФИКСАТОР(ШАРНИРНАЯ СТРЕЛА)

ГЛАВНАЯ МАГИСТРАЛЬ - БЫСТРОУСТАНАВЛИВАЕМЫЙ ФИКСАТОР(ШАРНИРНАЯ СТРЕЛА)

1Артикул: 420212-05606, PIPING,MAIN;QUICKFIT(ARTI)
2Артикул: DS20401032, HOSE ASSY,HYDRAULIC
3Артикул: DS20121043, HOSE ASSY,HYDRAULIC
Подробнее >
ГЛАВНАЯ МАГИСТРАЛЬ - ОДИН ПУТЬ

ГЛАВНАЯ МАГИСТРАЛЬ - ОДИН ПУТЬ

1Артикул: 420212-05590, PIPING,MAIN;ONE WAY
2Артикул: 430201-00650, ADAPTER
3Артикул: 430201-00650A, ADAPTER
Подробнее >
6220 ARM PIPING - ONE & TWO WAY(ARM 3.0m)

6220 ARM PIPING - ONE & TWO WAY(ARM 3.0m)

1Артикул: 420212-02820, PIPING,ARM;1&2 WAY 3M
2Артикул: 420207-00738, PIPE ASSY,HYDRAULIC
3Артикул: 420207-00738A, PIPE ASSY,HYDRAULIC
Подробнее >
ГИДРОСИСТЕМА РУКОЯТИ - РУКОЯТЬ 3.5 м(БЫСТРОУСТАНАВЛИВАЕМЫЙ ФИКСАТОР)

ГИДРОСИСТЕМА РУКОЯТИ - РУКОЯТЬ 3.5 м(БЫСТРОУСТАНАВЛИВАЕМЫЙ ФИКСАТОР)

1Артикул: 420212-05274, PIPING,ARM;QUICK FIT 3.5M
2Артикул: 420207-01502, PIPE ASSY,HYDRAULIC
3Артикул: 420207-01502A, PIPE ASSY,HYDRAULIC
Подробнее >
6850 BUCKET ASS`Y - 0.92mВі

6850 BUCKET ASS`Y - 0.92mВі

1Артикул: 230104-01245, BUCKET ASS`Y-0.92mВі
2Артикул: 230104-01245A, BUCKET ASS`Y-0.92гЋҐ
3Артикул: 230104-01245B, BUCKET ASS`Y-0.92гЋҐ
Подробнее >
БАШМАК ГУСЕНИЦЫ В СБОРЕ - 800G

БАШМАК ГУСЕНИЦЫ В СБОРЕ - 800G

1Артикул: 200106-00187, SHOE ASSY,TRACK
2Артикул: 200106-00188A, SHOE ASSY,TRACK;800MM
3Артикул: 200103-00097A, . LINK ASSY,TRACK
Подробнее >
6940 BUCKET ASS`Y - 1.32mВі(57`) - SIDE PIN

6940 BUCKET ASS`Y - 1.32mВі(57`) - SIDE PIN

1Артикул: 230104-01272, BUCKET ASS`Y-1.32mВі(H.D)
2Артикул: 230104-01272A, BUCKET ASS`Y-1.32mВі(H.D)
3Артикул: 230104-01272B, BUCKET ASS`Y-1.32mВі
Подробнее >
ТРУБОПРОВОД СМАЗОЧНОЙ СИСТЕМЫ - НИЖНЯЯ СТРЕЛЯ

ТРУБОПРОВОД СМАЗОЧНОЙ СИСТЕМЫ - НИЖНЯЯ СТРЕЛЯ

1Артикул: 420212-05080, PIPING,ARTI BOOM;LOWER
2Артикул: DS2053773, HOSE
3Артикул: DS2053983, HOSE
Подробнее >
ГЛАВНАЯ МАГИСТРАЛЬ - СТРЕЛА ПЛАВАЮЩЕГО ТИПА(ЗАМОК)

ГЛАВНАЯ МАГИСТРАЛЬ - СТРЕЛА ПЛАВАЮЩЕГО ТИПА(ЗАМОК)

1Артикул: 420212-05609, PIPING,MAIN;BOOM FLOATING
2Артикул: 410111-00092, VALVE;EASY BOOM
3Артикул: 300715-00065, . COIL,SOLENOID
Подробнее >
ГЛАВНАЯ МАГИСТРАЛЬ - ДВА ПУТИ

ГЛАВНАЯ МАГИСТРАЛЬ - ДВА ПУТИ

1Артикул: 420212-05591, PIPING,MAIN;TWO WAY
2Артикул: 410127-00142, VALVE,RELIEF;PROPORTIONAL
3Артикул: 410127-00233, VALVE,RELIEF
Подробнее >
ГИДРОСИСТЕМА РУКОЯТИ - РУКОЯТЬ 3.5 м

ГИДРОСИСТЕМА РУКОЯТИ - РУКОЯТЬ 3.5 м

1Артикул: 420212-05270, PIPING,ARM;3.5M
2Артикул: 400310-00087A, CYLINDER,BUCKET
3Артикул: 400310-00087B, CYLINDER,BUCKET
Подробнее >
ГИДРОСИСТЕМА РУКОЯТИ - РУКОЯТЬ 2.5 м(ГРЕЙФЕР)

ГИДРОСИСТЕМА РУКОЯТИ - РУКОЯТЬ 2.5 м(ГРЕЙФЕР)

1Артикул: 420212-05268, PIPING,ARM;CLAMSHELL 2.5M
2Артикул: DS2016214, HOSE ASSY,HYDRAULIC
3Артикул: DS2043172, HOSE ASSY,HYDRAULIC
Подробнее >
ТРУБОПРОВОД СТРЕЛЫ С ИЗМЕНЯЕМОЙ ГЕОМЕТРИЕЙ - ВРАЩАЮЩИЙСЯ

ТРУБОПРОВОД СТРЕЛЫ С ИЗМЕНЯЕМОЙ ГЕОМЕТРИЕЙ - ВРАЩАЮЩИЙСЯ

1Артикул: 420212-05083, PIPING,ARTI BOOM;ROTATION
2Артикул: 420207-01402A, PIPE
3Артикул: 420207-01403A, PIPE
Подробнее >
ТРУБОПРОВОД СЕРВОУПРАВЛЕНИЯ - ПРЯМОЙ ВАЛ ХОДА

ТРУБОПРОВОД СЕРВОУПРАВЛЕНИЯ - ПРЯМОЙ ВАЛ ХОДА

1Артикул: 420212-05652B, PIPING,PILOT;STRAIGHT TRAVEL
2Артикул: 420212-05652C, PIPING,PILOT;STRAIGHT TRAVEL
3Артикул: 410119-00006, VALVE,PEDAL
Подробнее >
РАБОЧАЯ ФАРА - 2 ЛАМПЫ(КОЖУХ)

РАБОЧАЯ ФАРА - 2 ЛАМПЫ(КОЖУХ)

1Артикул: 300619-00077, LAMP ASS`Y,ADD WORKING
2Артикул: 300619-00077A, LAMP ASSY
3Артикул: K1055454, LAMP,HEAD
Подробнее >
ТРУБОПРОВОД СЕРВОУПРАВЛЕНИЯ - ИЗМЕНЕНИЕ РЕЖИМА(2)

ТРУБОПРОВОД СЕРВОУПРАВЛЕНИЯ - ИЗМЕНЕНИЕ РЕЖИМА(2)

1Артикул: 420212-05657C, PIPING,PILOT;PATTERN CHANGE
2Артикул: DS2113029, HOSE ASSY,HYDRAULIC
3Артикул: DS2113075, HOSE ASSY,HYDRAULIC
Подробнее >
12 В РАЗЪЕМ

12 В РАЗЪЕМ

1Артикул: 300619-00098A, ELECTRIC ASSY
2Артикул: 300612-00001A, CONVERTER,DC
3Артикул: S3450953, SCREW
Подробнее >
ПОВОРОТНЫЙ СИГНАЛ

ПОВОРОТНЫЙ СИГНАЛ

1Артикул: 420212-07022, PIPING,PILOT;SWING ALARM
2Артикул: 430216-00146, JOINT SUB ASSY
3Артикул: 250122-00080, . PLATE,SUPPORT
Подробнее >
ТРУБОПРОВОД СЕРВОУПРАВЛЕНИЯ - СТРЕЛА ПЛАВАЮЩЕГО ТИПА

ТРУБОПРОВОД СЕРВОУПРАВЛЕНИЯ - СТРЕЛА ПЛАВАЮЩЕГО ТИПА

1Артикул: 420212-05634, PIPING,PILOT;BOOM FLOATING
2Артикул: DS2121317, HOSE ASSY,HYDRAULIC
3Артикул: DS2121318, HOSE ASSY,HYDRAULIC
Подробнее >
6210 BOOM PIPING - ONE & TWO WAY

6210 BOOM PIPING - ONE & TWO WAY

1Артикул: 420212-02812, PIPING,BOOM;1&2 WAY 5.9M
2Артикул: 420207-00730A, PIPE ASSY,HYDRAULIC
3Артикул: 420207-00730B, PIPE ASSY,HYDRAULIC
Подробнее >
ПРОБЛЕСКОВЫЙ МАЯЧОК - С ЛАМПОЙ

ПРОБЛЕСКОВЫЙ МАЯЧОК - С ЛАМПОЙ

1Артикул: 300619-00080B, ROTATING BEACON ASSY
2Артикул: 300619-00080E, ROTATING BEACON ASSY
3Артикул: 131002-00085, BUSHING ASS`Y
Подробнее >
6920 BUCKET ASS`Y - 1.07mВі(48`) - SIDE PIN

6920 BUCKET ASS`Y - 1.07mВі(48`) - SIDE PIN

1Артикул: 230104-01266, BUCKET ASS`Y-1.07гЋҐ
2Артикул: 230104-01266A, BUCKET ASS`Y-1.07гЋҐ
3Артикул: 230104-01266B, BUCKET ASS`Y-1.07mВі
Подробнее >
ГЛАВНАЯ МАГИСТРАЛЬ - ВРАЩАЮЩИЙСЯ

ГЛАВНАЯ МАГИСТРАЛЬ - ВРАЩАЮЩИЙСЯ

1Артикул: 420212-05601, PIPING,MAIN;ROTATING
2Артикул: 426-00284B, VALVE,ONE SPOOL
3Артикул: 250127-00314A, PLATE,MOUNTING
Подробнее >
6840 BUCKET ASS`Y - 0.81mВі

6840 BUCKET ASS`Y - 0.81mВі

1Артикул: 230104-01251, BUCKET ASS`Y-0.81гЋҐ
2Артикул: 230104-01251A, BUCKET ASS`Y-0.81гЋҐ
3Артикул: 230104-01251B, BUCKET ASS`Y-0.81гЋҐ
Подробнее >
ТРУБОПРОВОД СЕРВОУПРАВЛЕНИЯ - 2 ПУТИ

ТРУБОПРОВОД СЕРВОУПРАВЛЕНИЯ - 2 ПУТИ

1Артикул: 420212-05655B, PIPING,PILOT;TWO WAY
2Артикул: 420212-05655C, PIPING,PILOT;(2) TWO WAY
3Артикул: 181-00121D4, TEE
Подробнее >
6870 BUCKET ASS`Y - 1.17mВі

6870 BUCKET ASS`Y - 1.17mВі

1Артикул: 230104-01255, BUCKET ASS`Y-1.17гЋҐ
2Артикул: 230104-01255A, BUCKET ASS`Y-1.17гЋҐ
3Артикул: 230104-01255B, BUCKET ASS`Y-1.17гЋҐ
Подробнее >
КОВРИК НА ПОЛУ КУЗОВА - ШАРНИРНЫЙ

КОВРИК НА ПОЛУ КУЗОВА - ШАРНИРНЫЙ

1Артикул: 110935-00048A, MAT,FLOOR;(ARTI)
2Артикул: 110935-00048C, MAT,FLOOR;(ARTI)
3Артикул: 110935-00048G, MAT,FLOOR
Подробнее >
РАБОЧАЯ ФАРА - 2 ЛАМПЫ

РАБОЧАЯ ФАРА - 2 ЛАМПЫ

1Артикул: 300619-00075, LAMP ASS`Y,ADD WORKING
2Артикул: 300619-00075A, LAMP ASSY
3Артикул: K1055454, LAMP,HEAD
Подробнее >
7250 BUCKET ASSВґY - 1.40mВі - H CLASS

7250 BUCKET ASSВґY - 1.40mВі - H CLASS

1Артикул: 230104-01734, BUCKET ASSY;1.40M3(R2H)
2Артикул: 230104-01734A, BUCKET ASSY;1.40M3 R2H
3Артикул: -, BUCKET,WELD;1.40M3(R2H)
Подробнее >
6170 PILOT PIPING - ONE & TWO WAY

6170 PILOT PIPING - ONE & TWO WAY

1Артикул: 420212-05627, PIPING,PILOT;ONE OR TWO WAY
2Артикул: 426-00266, VALVE;EPPR
3Артикул: 410116-00526, VALVE,EPPR
Подробнее >
КОВРИК НА ПОЛУ КУЗОВА - ОДНА ПЕДАЛЬ

КОВРИК НА ПОЛУ КУЗОВА - ОДНА ПЕДАЛЬ

1Артикул: 110935-00047A, MAT,FLOOR
2Артикул: 110935-00047C, MAT,FLOOR;PEDAL(R.H)
3Артикул: 110935-00047E, MAT,FLOOR
Подробнее >
РАБОЧАЯ ФАРА - 6 ЛАМПЫ

РАБОЧАЯ ФАРА - 6 ЛАМПЫ

1Артикул: 300619-00076A, LAMP ASSY,ADD WORKING
2Артикул: 300619-00076B, LAMP ASSY
3Артикул: 300619-00076C, LAMP ASSY
Подробнее >
7280 BUCKET ASSВґY - 0.91mВі - S CLASS

7280 BUCKET ASSВґY - 0.91mВі - S CLASS

1Артикул: 230104-01986, BUCKET ASSY;0.91M3 R2S
2Артикул: -, BUCKET,WELD;0.91M3 R2S
3Артикул: 430203-00049, . ADAPTER,TOOTH
Подробнее >
ТРУБОПРОВОД СТРЕЛЫ С ИЗМЕНЯЕМОЙ ГЕОМЕТРИЕЙ - БЫСТРАЯ ПОСАДКА

ТРУБОПРОВОД СТРЕЛЫ С ИЗМЕНЯЕМОЙ ГЕОМЕТРИЕЙ - БЫСТРАЯ ПОСАДКА

1Артикул: 420212-05075, PIPING,ARTI BOOM;QUICK FIT
2Артикул: DS20111422, HOSE
3Артикул: DS20111423, HOSE ASSY
Подробнее >
7240 BUCKET ASSВґY - 1.35mВі - H CLASS

7240 BUCKET ASSВґY - 1.35mВі - H CLASS

1Артикул: 230104-01732, BUCKET ASSY;1.35M3(R2H)
2Артикул: 230104-01732A, BUCKET ASSY;1.35M3 R2H
3Артикул: -, BUCKET,WELD;1.35M3(R2H)
Подробнее >
7300 BUCKET ASSВґY - 1.23mВі - S CLASS

7300 BUCKET ASSВґY - 1.23mВі - S CLASS

1Артикул: 230104-02005, BUCKET ASSY;1.23M3 R2S
2Артикул: -, BUCKET,WELD;1.23M3 R2S
3Артикул: 430203-00049, . ADAPTER,TOOTH
Подробнее >
6250 BOOM PIPING - QUICK CLAMP

6250 BOOM PIPING - QUICK CLAMP

1Артикул: 420212-02815, PIPING,BOOM;QUICK FIT 5.9M
2Артикул: DS20111205, HOSE
3Артикул: DS2011991, HOSE ASSY,HYDRAULIC
Подробнее >
6900 BUCKET ASS`Y - 0.73mВі(36`) - SIDE PIN

6900 BUCKET ASS`Y - 0.73mВі(36`) - SIDE PIN

1Артикул: 230104-01259, BUCKET ASS`Y-0.73mВі(H.D)
2Артикул: 230104-01259A, BUCKET ASS`Y-0.73mВі(H.D)
3Артикул: 230104-01259B, BUCKET ASS`Y-0.73mВі
Подробнее >
ГИДРОСИСТЕМА РУКОЯТИ - РУКОЯТЬ 2.5 м

ГИДРОСИСТЕМА РУКОЯТИ - РУКОЯТЬ 2.5 м

1Артикул: 420212-05263, PIPING,ARM;2.5M
2Артикул: 400310-00168, CYLINDER,BUCKET
3Артикул: 400310-00168A, CYLINDER,BUCKET
Подробнее >
ТРУБОПРОВОД СЕРВОУПРАВЛЕНИЯ - 2 НАСОСА

ТРУБОПРОВОД СЕРВОУПРАВЛЕНИЯ - 2 НАСОСА

1Артикул: 420212-05639, PIPING,PILOT;TWO PUMP
2Артикул: K1014266, VALVE,PILOT
3Артикул: 2.421-00208, . VALVE,PILOT SHIFT
Подробнее >
6830 BUCKET ASS`Y - 0.51mВі

6830 BUCKET ASS`Y - 0.51mВі

1Артикул: 230104-01249, BUCKET ASS`Y-0.51гЋҐ
2Артикул: 230104-01249A, BUCKET ASS`Y-0.51гЋҐ
3Артикул: 230104-01249B, BUCKET ASS`Y-0.51гЋҐ
Подробнее >
6140 MAIN PIPING - ONE & TWO WAY

6140 MAIN PIPING - ONE & TWO WAY

1Артикул: 420212-05589, PIPING,MAIN;ONE OR TWO WAY
2Артикул: 410127-00142, VALVE,RELIEF;PROPORTIONAL
3Артикул: 410127-00233, VALVE,RELIEF
Подробнее >
6880 BUCKET ASS`Y - 1.28mВі

6880 BUCKET ASS`Y - 1.28mВі

1Артикул: 230104-01257, BUCKET ASS`Y-1.28гЋҐ
2Артикул: 230104-01257A, BUCKET ASS`Y-1.28гЋҐ
3Артикул: 230104-01257B, BUCKET ASS`Y-1.28гЋҐ
Подробнее >
ГИДРОСИСТЕМА РУКОЯТИ - РУКОЯТЬ 2.5 м(БЫСТРОУСТАНАВЛИВАЕМЫЙ ФИКСАТОР)

ГИДРОСИСТЕМА РУКОЯТИ - РУКОЯТЬ 2.5 м(БЫСТРОУСТАНАВЛИВАЕМЫЙ ФИКСАТОР)

1Артикул: 420212-05267, PIPING,ARM;QUICK FIT 2.5M
2Артикул: 420207-01494, PIPE ASSY,HYDRAULIC
3Артикул: 420207-01494A, PIPE ASSY,HYDRAULIC
Подробнее >
ЗАЩИТА ОТ ДОЖДЯ

ЗАЩИТА ОТ ДОЖДЯ

1Артикул: 102202-00002A, SHIELD ASSY,RAIN
2Артикул: 102202-00001, SHIELD,RAIN
3Артикул: 110420-00008, BRACKET,RAIN SHIELD(R.H)
Подробнее >
ТРУБОПРОВОД СТРЕЛЫ С ИЗМЕНЯЕМОЙ ГЕОМЕТРИЕЙ

ТРУБОПРОВОД СТРЕЛЫ С ИЗМЕНЯЕМОЙ ГЕОМЕТРИЕЙ

1Артикул: 420212-05072, PIPING,ARTI BOOM
2Артикул: 420207-01392A, PIPE
3Артикул: 420207-01393A, PIPE
Подробнее >
СТРЕЛА С ИЗМЕНЯЕМОЙ ГЕОМЕТРИЕЙ

СТРЕЛА С ИЗМЕНЯЕМОЙ ГЕОМЕТРИЕЙ

1Артикул: 230208-00028, BOOM ASSY,ARTI
2Артикул: 230210-00017B, BOOM,LOWER
3Артикул: 230210-00017C, BOOM,LOWER,MACHINE
Подробнее >
ГИДРОСИСТЕМА РУКОЯТИ - ВРАЩАЮЩИЙСЯ(РУКОЯТЬ 3.0 м)

ГИДРОСИСТЕМА РУКОЯТИ - ВРАЩАЮЩИЙСЯ(РУКОЯТЬ 3.0 м)

1Артикул: 420212-02822, PIPING,ARM;ROTATION 3.0M
2Артикул: 420207-00739A, PIPE ASSY,HYDRAULIC
3Артикул: DS20131638, HOSE
Подробнее >
6690 WINDOW GUARD

6690 WINDOW GUARD

1Артикул: 110921-00054, GUARD ASS`Y;FRONT
2Артикул: 110921-00055, GUARD;FRONT WINDOW
3Артикул: 110921-00056, GUARD;FRONT WINDOW
Подробнее >
ГЛАВНАЯ МАГИСТРАЛЬ - СТРЕЛА ПЛАВАЮЩЕГО ТИПА

ГЛАВНАЯ МАГИСТРАЛЬ - СТРЕЛА ПЛАВАЮЩЕГО ТИПА

1Артикул: 420212-05608, PIPING,MAIN;BOOM FLOATING
2Артикул: 110406-01697, BRACKET
3Артикул: 2181-2627D1, ADAPTER
Подробнее >
СИГНАЛИЗАЦИЯ О ПЕРЕГРУЗКЕ

СИГНАЛИЗАЦИЯ О ПЕРЕГРУЗКЕ

1Артикул: 300619-01294, OVERLOAD WARNING
2Артикул: 2547-9045, SENSOR;PRESSURE
3Артикул: S8000161, O-RING
Подробнее >
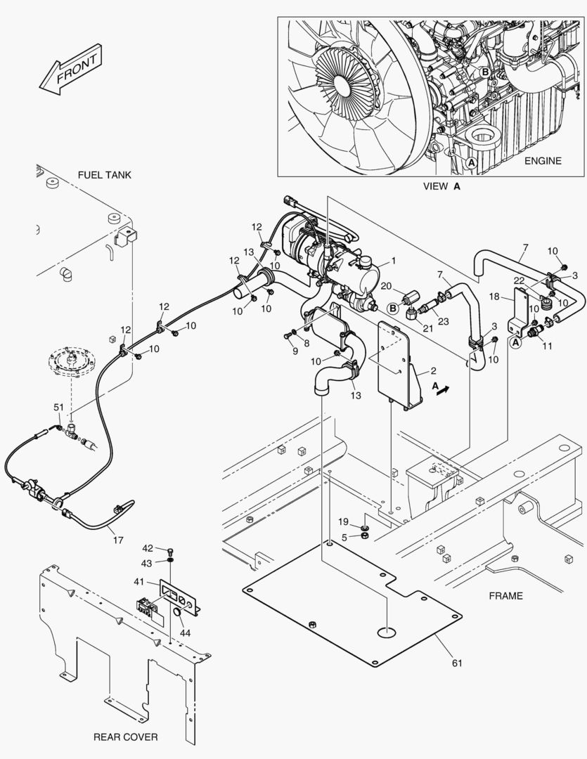
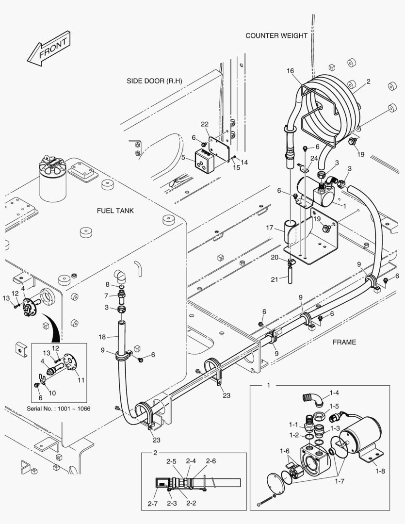
6110 DIESEL HEATER

6110 DIESEL HEATER

1Артикул: 440207-00082A, HEATER,DIESEL
2Артикул: 440207-00019, HEATER,DIESEL
3Артикул: 400909-00056, PUMP,FUEL
Подробнее >
ГИДРОСИСТЕМА РУКОЯТИ - РУКОЯТЬ 3.5 м(ГРЕЙФЕРНЫЙ КОВШ)

ГИДРОСИСТЕМА РУКОЯТИ - РУКОЯТЬ 3.5 м(ГРЕЙФЕРНЫЙ КОВШ)

1Артикул: 420212-05275, PIPING,ARM;CLAMSHELL 3.5M
2Артикул: DS2012848, HOSE ASSY,HYDRAULIC
3Артикул: DS2025167, HOSE ASSY,HYDRAULIC
Подробнее >
ГИДРОСИСТЕМА РУКОЯТИ - РУКОЯТЬ 3.5 м(ВРАЩАЮЩИЙСЯ)

ГИДРОСИСТЕМА РУКОЯТИ - РУКОЯТЬ 3.5 м(ВРАЩАЮЩИЙСЯ)

1Артикул: 420212-05273, PIPING,ARM;ROTATION 3.5M
2Артикул: 420207-00739A, PIPE ASSY,HYDRAULIC
3Артикул: DS20131887, HOSE ASSY,HYDRAULIC
Подробнее >
ПРОБЛЕСКОВЫЙ МАЯЧОК - ЗАЖИТА

ПРОБЛЕСКОВЫЙ МАЯЧОК - ЗАЖИТА

1Артикул: 300619-00082B, ROTATING BEACON ASSY
2Артикул: 300619-00082E, ROTATING BEACON ASSY
3Артикул: 131002-00085, BUSHING ASS`Y
Подробнее >
КАБИНА С НИЗКИМ ЗАЩИТНЫМ ОГРАЖДЕНИЯ

КАБИНА С НИЗКИМ ЗАЩИТНЫМ ОГРАЖДЕНИЯ

1Артикул: 110921-00053, GUARD ASS`Y;LOWER
2Артикул: 110921-00053A, GUARD ASSY,LOWER
3Артикул: 110921-00055, GUARD;FRONT WINDOW
Подробнее >
РАМА ГУСЕНИЦЫ - УЗКИЙ

РАМА ГУСЕНИЦЫ - УЗКИЙ

1Артикул: 160617-00136B, FRAME,TRACK;(NARROW)
2Артикул: 160617-00136C, FRAME,TRACK;(NARROW)
Подробнее >
ТРУБОПРОВОД СЕРВОУПРАВЛЕНИЯ(1) - СТРЕЛА С ИЗМЕНЯЕМОЙ ГЕОМЕТРИЕЙ

ТРУБОПРОВОД СЕРВОУПРАВЛЕНИЯ(1) - СТРЕЛА С ИЗМЕНЯЕМОЙ ГЕОМЕТРИЕЙ

1Артикул: 420212-05638, PIPING,PILOT;ARTI
2Артикул: K1014266, VALVE,PILOT
3Артикул: 2.421-00208, . VALVE,PILOT SHIFT
Подробнее >
6730 ARM PIPING - ARM 2.5m(ONE & TWO WAY)

6730 ARM PIPING - ARM 2.5m(ONE & TWO WAY)

1Артикул: 420212-05264, PIPING,ARM;1&2 WAY 2.5M
2Артикул: 420207-01492, PIPE ASSY,HYDRAULIC
3Артикул: 420207-01492A, PIPE ASSY,HYDRAULIC
Подробнее >
ТРУБОПРОВОД СЕРВОУПРАВЛЕНИЯ-КЛАПАН ЗАМКА РУКОЯТИ

ТРУБОПРОВОД СЕРВОУПРАВЛЕНИЯ-КЛАПАН ЗАМКА РУКОЯТИ

1Артикул: 420212-05622, PIPING,PILOT;ARM LOCK
2Артикул: DS2121342, HOSE ASSY,HYDRAULIC
3Артикул: DS2120021, HOSE ASSY,HYDRAULIC
Подробнее >
ГЛАВНАЯ МАГИСТРАЛЬ - ВРАЩАЮЩИЙСЯ(ШАРНИРНАЯ СТРЕЛА)

ГЛАВНАЯ МАГИСТРАЛЬ - ВРАЩАЮЩИЙСЯ(ШАРНИРНАЯ СТРЕЛА)

1Артикул: 420212-05602, PIPING,MAIN;ROTATING(ARTI)
2Артикул: DS2013674, HOSE
Подробнее >
РУКОЯТЬ - 2.5 м

РУКОЯТЬ - 2.5 м

1Артикул: 230201-00453, ARM ASSY
2Артикул: 230204-00174A, ARM ASSY;2.5M
3Артикул: 230204-00174B, ARM ASSY;2.5M
Подробнее >
ГЛАВНАЯ МАГИСТРАЛЬ-СТРЕЛА С ИЗМЕНЯЕМОЙ ГЕОМЕТРИЕЙ

ГЛАВНАЯ МАГИСТРАЛЬ-СТРЕЛА С ИЗМЕНЯЕМОЙ ГЕОМЕТРИЕЙ

1Артикул: 420212-05588, PIPING,MAIN;ARTI
2Артикул: K1033235A, VALVE,CONTROL
3Артикул: 110406-01474A, BRACKET
Подробнее >
6510 ALTERNATOR - 80A [1001~1028]

6510 ALTERNATOR - 80A [1001~1028]

1Артикул: 300619-00892, ELECTRIC ASSY;ALTERNATOR
2Артикул: 300901-00033, ALTERNATOR
3Артикул: 130707-00042, . PULLEY,ALTERNATOR
Подробнее >
РАБОЧАЯ ФАРА - 6 ЛАМПЫ(КОЖУХ)

РАБОЧАЯ ФАРА - 6 ЛАМПЫ(КОЖУХ)

1Артикул: 300619-00078A, LAMP ASSY,ADD WORKING
2Артикул: 300619-00078B, LAMP ASSY
3Артикул: K1055454, LAMP,HEAD
Подробнее >
СТЕКЛООЧИСТИТЕЛЬ НИЖНЕГО СТЕКЛА

СТЕКЛООЧИСТИТЕЛЬ НИЖНЕГО СТЕКЛА

1Артикул: 300619-00782, ELECTRIC ASSY
2Артикул: 538-00012, MOTOR,WIPER
3Артикул: 426-00282, VALVE
Подробнее >
7290 BUCKET ASSВґY - 1.07mВі - S CLASS

7290 BUCKET ASSВґY - 1.07mВі - S CLASS

1Артикул: 230104-02003, BUCKET ASSY;1.07M3 R2S
2Артикул: -, BUCKET,WELD;1.07M3 R2S
3Артикул: 430203-00049, . ADAPTER,TOOTH
Подробнее >
ТРУБОПРОВОД СЕРВОУПРАВЛЕНИЯ - ИЗМЕНЕНИЕ РЕЖИМА(1)

ТРУБОПРОВОД СЕРВОУПРАВЛЕНИЯ - ИЗМЕНЕНИЕ РЕЖИМА(1)

1Артикул: 420212-05632, PIPING,PILOT;PATTERN CHANGE
2Артикул: 410132-00001, VALVE,SELECTOR
3Артикул: 410132-00001A, VALVE,SELECTOR
Подробнее >
ТРУБОПРОВОД СТРЕЛЫ С ИЗМЕНЯЕМОЙ ГЕОМЕТРИЕЙ - ГИДРОЗАМОК

ТРУБОПРОВОД СТРЕЛЫ С ИЗМЕНЯЕМОЙ ГЕОМЕТРИЕЙ - ГИДРОЗАМОК

1Артикул: 420212-05077, PIPING,ARTI BOOM;ARTI LOCK
2Артикул: 400306-00073A, CYLINDER,ARTI BOOM(L/V)
3Артикул: 410114-00010A, VALVE,LOCK;1``(L.H)
Подробнее >
6630 ROTATING BEACON

6630 ROTATING BEACON

1Артикул: 300619-00081B, ROTATING BEACON ASSY
2Артикул: 300619-00081E, ROTATING BEACON ASSY
3Артикул: 300619-00081H, ROTATING BEACON ASSY
Подробнее >
7230 BUCKET ASSВґY - 1.24mВі - H CLASS

7230 BUCKET ASSВґY - 1.24mВі - H CLASS

1Артикул: 230104-01730, BUCKET ASSY;1.24M3(R2H)
2Артикул: 230104-01730A, BUCKET ASSY;1.24M3 R2H
3Артикул: -, BUCKET,WELD;1.24M3(R2H)
Подробнее >
7310 TMS - NA [1127~]

7310 TMS - NA [1127~]

1Артикул: 300619-03341, ELECTRIC ASSY,TMS1.5
2Артикул: 300619-03138, ELECTRIC ASSY
3Артикул: 300611-00901, . CONTROLLER
Подробнее >
6930 BUCKET ASS`Y - 1.24mВі(54`) - SIDE PIN

6930 BUCKET ASS`Y - 1.24mВі(54`) - SIDE PIN

1Артикул: 230104-01269, BUCKET ASS`Y-1.24mВі(H.D)
2Артикул: 230104-01269A, BUCKET ASS`Y-1.24mВі(H.D)
3Артикул: 230104-01269B, BUCKET ASS`Y-1.24mВі
Подробнее >
ГИДРОСИСТЕМА РУКОЯТИ - ГРЕЙФЕРНЫЙ КОВШ(РУКОЯТЬ 3.0 м)

ГИДРОСИСТЕМА РУКОЯТИ - ГРЕЙФЕРНЫЙ КОВШ(РУКОЯТЬ 3.0 м)

1Артикул: 420212-02825, PIPING,ARM;CLAMSHELL 3.0M
2Артикул: DS2016166, HOSE ASSY,HYDRAULIC
3Артикул: DS2045628, HOSE ASSY,HYDRAULIC
Подробнее >
ЭЛЕКТРИЧЕСКИЕ ЗАПЧАСТИ-БЫСТРОУСТАНАВЛИВАЕМЫЙ ФИКСАТОР

ЭЛЕКТРИЧЕСКИЕ ЗАПЧАСТИ-БЫСТРОУСТАНАВЛИВАЕМЫЙ ФИКСАТОР

1Артикул: 300619-00089, ELECTRIC ASSY
2Артикул: 549-00092, SWITCH
3Артикул: 530-00432A, HARNESS,JOINT
Подробнее >
ТРУБОПРОВОД СЕРВОУПРАВЛЕНИЯ(2) - СТРЕЛА С ИЗМЕНЯЕМОЙ ГЕОМЕТРИЕЙ

ТРУБОПРОВОД СЕРВОУПРАВЛЕНИЯ(2) - СТРЕЛА С ИЗМЕНЯЕМОЙ ГЕОМЕТРИЕЙ

1Артикул: 420212-05651B, PIPING,PILOT;ARTI
2Артикул: K1001873A, PLATE
3Артикул: 410119-00006, VALVE,PEDAL
Подробнее >
6120 FUEL FILLER PUMP

6120 FUEL FILLER PUMP

1Артикул: 400909-00018, PUMP ASSY,FUEL FILLER
2Артикул: 401-00449, PUMP,FUEL TRANSFER
3Артикул: 2181-2755B, . ADAPTER
Подробнее >
КАМЕРА БОКОВОГО ВИДА

КАМЕРА БОКОВОГО ВИДА

1Артикул: 300619-01223, ELECTRIC ASSY;SIDE CAMERA
2Артикул: S5102503, WASHER
3Артикул: 2120-2166D8, BOLT
Подробнее >
РУКОЯТЬ - 3.5 м

РУКОЯТЬ - 3.5 м

1Артикул: 230201-00454, ARM ASSY
2Артикул: 230204-00175A, ARM ASSY;3.5M
3Артикул: 230204-00175B, ARM,MACHINE;3.5M
Подробнее >
ГИДРОСИСТЕМА РУКОЯТИ - РУКОЯТЬ 3.0 м (БЫСТРОУСТАНАВЛИВАЕМЫЙ ФИКСАТОР)

ГИДРОСИСТЕМА РУКОЯТИ - РУКОЯТЬ 3.0 м (БЫСТРОУСТАНАВЛИВАЕМЫЙ ФИКСАТОР)

1Артикул: 420212-02823, PIPING,ARM;QUICK FIT 3.0M
2Артикул: 420207-00740A, PIPE ASSY,HYDRAULIC
3Артикул: 420207-00740B, PIPE ASSY,HYDRAULIC
Подробнее >
ГЛАВНАЯ МАГИСТРАЛЬ - БЫСТРАЯ ПОСАДКА

ГЛАВНАЯ МАГИСТРАЛЬ - БЫСТРАЯ ПОСАДКА

1Артикул: 420212-05603, PIPING,MAIN;QUICKFIT
2Артикул: K1054772, VALVE;QUICK-FIT
3Артикул: 410111-00142, VALVE;QUICK-FIT
Подробнее >
7070 ARTI.BOOM PIPING - ONE & TWO WAY

7070 ARTI.BOOM PIPING - ONE & TWO WAY

1Артикул: 420212-05074, PIPING,ARTI BOOM;1&2 WAY
2Артикул: 420207-01398, PIPE ASSY,HYDRAULIC
3Артикул: 420207-01398A, PIPE
Подробнее >
7270 CABIN - ROPS(NA)

7270 CABIN - ROPS(NA)

1Артикул: 220101-00439N, CABIN ASSY
2Артикул: 220101-00439P, CABIN ASSY
3Артикул: 220101-00439R, CABIN ASSY;VANDAL ROPS
Подробнее >
ЧЕХОЛ КРЫШКИ - ИЗ СТАЛИ

ЧЕХОЛ КРЫШКИ - ИЗ СТАЛИ

1Артикул: 220204-00048A, COVER ASSY,ROOF STEEL
2Артикул: 220204-00155, COVER,ROOF STEEL
3Артикул: 220204-00031A, COVER,ROOF STEEL INNER
Подробнее >
ГИДРОСИСТЕМА СТРЕЛЫ - ГИДРОЗАМОК(ШАРНИРНЫЙ)

ГИДРОСИСТЕМА СТРЕЛЫ - ГИДРОЗАМОК(ШАРНИРНЫЙ)

1Артикул: 420212-06590, PIPING,BOOM;BOOM LOCK
2Артикул: 400309-00356, CYLINDER,BOOM;LOCK V/V(L.H)
3Артикул: 400309-00357, CYLINDER,BOOM;LOCK V/V(R.H)
Подробнее >
ТРУБОПРОВОД СЕРВОУПРАВЛЕНИЯ - ГИДРОЗАМОК(ШАРНИРНАЯ СТРЕЛА)

ТРУБОПРОВОД СЕРВОУПРАВЛЕНИЯ - ГИДРОЗАМОК(ШАРНИРНАЯ СТРЕЛА)

1Артикул: 420212-05625, PIPING,PILOT;BOOM LOCK(ARTI)
2Артикул: DS2121233, HOSE ASSY,HYDRAULIC
3Артикул: DS2119234, HOSE ASSY,HYDRAULIC
Подробнее >
ТРУБОПРОВОД СЕРВОУПРАВЛЕНИЯ-ГИДРОЗАМОК СТРЕЛЫ

ТРУБОПРОВОД СЕРВОУПРАВЛЕНИЯ-ГИДРОЗАМОК СТРЕЛЫ

1Артикул: 420212-05620, PIPING,PILOT;BOOM LOCK
2Артикул: DS2412045, TEE
3Артикул: 2181-4133D44, ADAPTER
Подробнее >
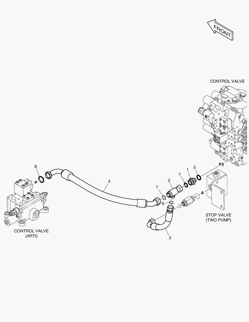
ГЛАВНАЯ МАГИСТРАЛЬ - 2 НАСОСА

ГЛАВНАЯ МАГИСТРАЛЬ - 2 НАСОСА

1Артикул: 420212-05612, PIPING,MAIN;TWO PUMP
2Артикул: 410111-00005, VALVE;STOP(TWO PUMP)
3Артикул: 410111-00005A, VALVE,STOP
Подробнее >
ТРУБОПРОВОД - СТРЕЛА С ИЗМЕНЯЕМОЙ ГЕОМЕТРИЕЙ

ТРУБОПРОВОД - СТРЕЛА С ИЗМЕНЯЕМОЙ ГЕОМЕТРИЕЙ

1Артикул: 420212-05592, PIPING,MAIN;ONE WAY(ARTI)
2Артикул: 430201-00650, ADAPTER
3Артикул: 430201-00650A, ADAPTER
Подробнее >
ТРУБОПРОВОД СМАЗОЧНОЙ СИСТЕМЫ - ВЕРХНЯЯ СТРЕЛА

ТРУБОПРОВОД СМАЗОЧНОЙ СИСТЕМЫ - ВЕРХНЯЯ СТРЕЛА

1Артикул: 420212-05081, PIPING,ARTI BOOM;UPPER
2Артикул: DS2059610, HOSE ASSY,HYDRAULIC
3Артикул: 2184-1036D64, HOSE PF1/4-450L
Подробнее >
7260 BUCKET ASSВґY - 1.51mВі - H CLASS

7260 BUCKET ASSВґY - 1.51mВі - H CLASS

1Артикул: 230104-01736, BUCKET ASSY;1.51M3(R2H)
2Артикул: 230104-01736A, BUCKET ASSY;1.51M3 R2H
3Артикул: -, BUCKET,WELD;1.51M3(R2H)
Подробнее >
ГИДРОСИСТЕМА СТРЕЛЫ-ГИДРОЗАМОК

ГИДРОСИСТЕМА СТРЕЛЫ-ГИДРОЗАМОК

1Артикул: 420212-02429, PIPING,BOOM;BOOM LOCK
2Артикул: 400309-00130B, CYLINDER,BOOM;LOCK V/V(L.H)
3Артикул: 400309-00132B, CYLINDER,BOOM;LOCK V/V(R.H)
Подробнее >
6950 BUCKET ASS`Y - 1.49mВі(63`) - SIDE PIN

6950 BUCKET ASS`Y - 1.49mВі(63`) - SIDE PIN

1Артикул: 230104-01275, BUCKET ASS`Y-1.49mВі(H.D)
2Артикул: 230104-01275A, BUCKET ASS`Y-1.49mВі(H.D)
3Артикул: 230104-01275B, BUCKET ASS`Y
Подробнее >
7190 BUCKET ASSВґY - 0.60mВі - H CLASS

7190 BUCKET ASSВґY - 0.60mВі - H CLASS

1Артикул: 230104-01715, BUCKET ASSY;0.60M3(R2H)
2Артикул: 230104-01715A, BUCKET ASSY;0.60M3 R2H
3Артикул: -, BUCKET,WELD;0.60M3(R2H)
Подробнее >
МОНТАЖ ДИЗЕЛЬНОГО НАГРЕВАТЕЛЯ

МОНТАЖ ДИЗЕЛЬНОГО НАГРЕВАТЕЛЯ

1Артикул: 440207-00043, HEATER,DIESEL
2Артикул: 440207-00082A, HEATER,DIESEL
3Артикул: 110411-00095, BRACKET,DIESEL HEATER
Подробнее >
ГИДРОСИСТЕМА РУКОЯТИ - РУКОЯТЬ 2.5 м(ВРАЩАЮЩИЙСЯ)

ГИДРОСИСТЕМА РУКОЯТИ - РУКОЯТЬ 2.5 м(ВРАЩАЮЩИЙСЯ)

1Артикул: 420212-05266, PIPING,ARM;ROTATION 2.5M
2Артикул: 420207-01493, PIPE ASSY,HYDRAULIC
3Артикул: DS20131886, HOSE ASSY,HYDRAULIC
Подробнее >
7210 BUCKET ASSВґY - 0.92mВі - H CLASS

7210 BUCKET ASSВґY - 0.92mВі - H CLASS

1Артикул: 230104-01726, BUCKET ASSY;0.92M3(R2H)
2Артикул: 230104-01726A, BUCKET ASSY;0.92M3 R2H
3Артикул: -, BUCKET,WELD;0.92M3(R2H)
Подробнее >
6860 BUCKET ASS`Y - 1.05mВі

6860 BUCKET ASS`Y - 1.05mВі

1Артикул: 230104-01253, BUCKET ASS`Y-1.05гЋҐ
2Артикул: 230104-01253A, BUCKET ASS`Y-1.05гЋҐ
3Артикул: 230104-01253B, BUCKET ASS`Y-1.05гЋҐ
Подробнее >
2 ТРУБОПРОВОДА - СТРЕЛА С ИЗМЕНЯЕМОЙ ГЕОМЕТРИЕЙ

2 ТРУБОПРОВОДА - СТРЕЛА С ИЗМЕНЯЕМОЙ ГЕОМЕТРИЕЙ

1Артикул: 420212-05593, PIPING,MAIN;TWO WAY(ARTI)
2Артикул: 410127-00142, VALVE,RELIEF;PROPORTIONAL
3Артикул: 410127-00233, VALVE,RELIEF
Подробнее >
МАЯЧОК ТЕЛЕСКОПА(С ЛАМПОЙ)

МАЯЧОК ТЕЛЕСКОПА(С ЛАМПОЙ)

1Артикул: 300619-00084B, TELESCOPIC BEACON ASSY
2Артикул: 195-01805, SUPPORT
3Артикул: 2114-1898D2, WASHER
Подробнее >
6890 BUCKET ASS`Y - 1.40mВі

6890 BUCKET ASS`Y - 1.40mВі

1Артикул: 230104-01288, BUCKET ASSY-1.40гЋҐ
2Артикул: 230104-01288A, BUCKET ASSY-1.40гЋҐ
3Артикул: 230104-01289, BUCKET-1.40гЋҐ
Подробнее >
РАБОЧАЯ ФАРА - ШАРНИРНАЯ СТРЕЛА

РАБОЧАЯ ФАРА - ШАРНИРНАЯ СТРЕЛА

1Артикул: 300619-01296, ELECTRIC ASSY;WORKING LAMP(ARTI)
2Артикул: 301005-00132, LAMP,WORKING(HALOGEN)
3Артикул: 2515-1016D4, . BULB,HALOGEN
Подробнее >
ГИДРОСИСТЕМА СТРЕЛЫ - КЛАПАН ЗАМКА РУКОЯТИ

ГИДРОСИСТЕМА СТРЕЛЫ - КЛАПАН ЗАМКА РУКОЯТИ

1Артикул: 420212-02817, PIPING,BOOM;ARM LOCK 5.9M
2Артикул: DS20132153, HOSE ASSY
3Артикул: 400305-00100A, CYLINDER,ARM;LOCK V/V
Подробнее >
6910 BUCKET ASS`Y - 0.90mВі(42`) - SIDE PIN

6910 BUCKET ASS`Y - 0.90mВі(42`) - SIDE PIN

1Артикул: 230104-01262, BUCKET ASS`Y-0.90mВі(H.D)
2Артикул: 230104-01262A, BUCKET ASSY
3Артикул: 230104-01262B, BUCKET ASS`Y-0.90mВі
Подробнее >
ЗАЩИТНЫЙ КОРПУС ПРОТИВОТУМАННЫХ ФАР

ЗАЩИТНЫЙ КОРПУС ПРОТИВОТУМАННЫХ ФАР

1Артикул: 110921-00008G, GUARD ASSY;OPG
2Артикул: 110921-00008H, GUARD ASSY;OPG
3Артикул: 110921-00008K, GUARD ASSY;OPG
Подробнее >
6790 ARM PIPING - ARM 3.5m(ONE & TWO WAY)

6790 ARM PIPING - ARM 3.5m(ONE & TWO WAY)

1Артикул: 420212-05271, PIPING,ARM;1&2 WAY 3.5M
2Артикул: 420207-01501, PIPE ASSY,HYDRAULIC
3Артикул: 420207-01501A, PIPE ASSY,HYDRAULIC
Подробнее >
7320 TMS - EU [1127~]

7320 TMS - EU [1127~]

1Артикул: 300619-03342, ELECTRIC ASSY,TMS1.5
2Артикул: 300619-03139, ELECTRIC ASSY;TMS1.5
3Артикул: 300611-00902, . CONTROLLER;TMS1.5
Подробнее >