+7 (701) 588 50 05 Телефон для связи
RU

WhatsApp

Позвонить

6140 MAIN PIPING - ONE & TWO WAY — Продажа в Казахстане Цены от официального дилера с доставкой в Алматы, Астану и регионы

Техника доступна в:
Полный спектр услуг:
Для Вашего удобства:
Характеристики и описание
Габариты, схема
Техническая документация
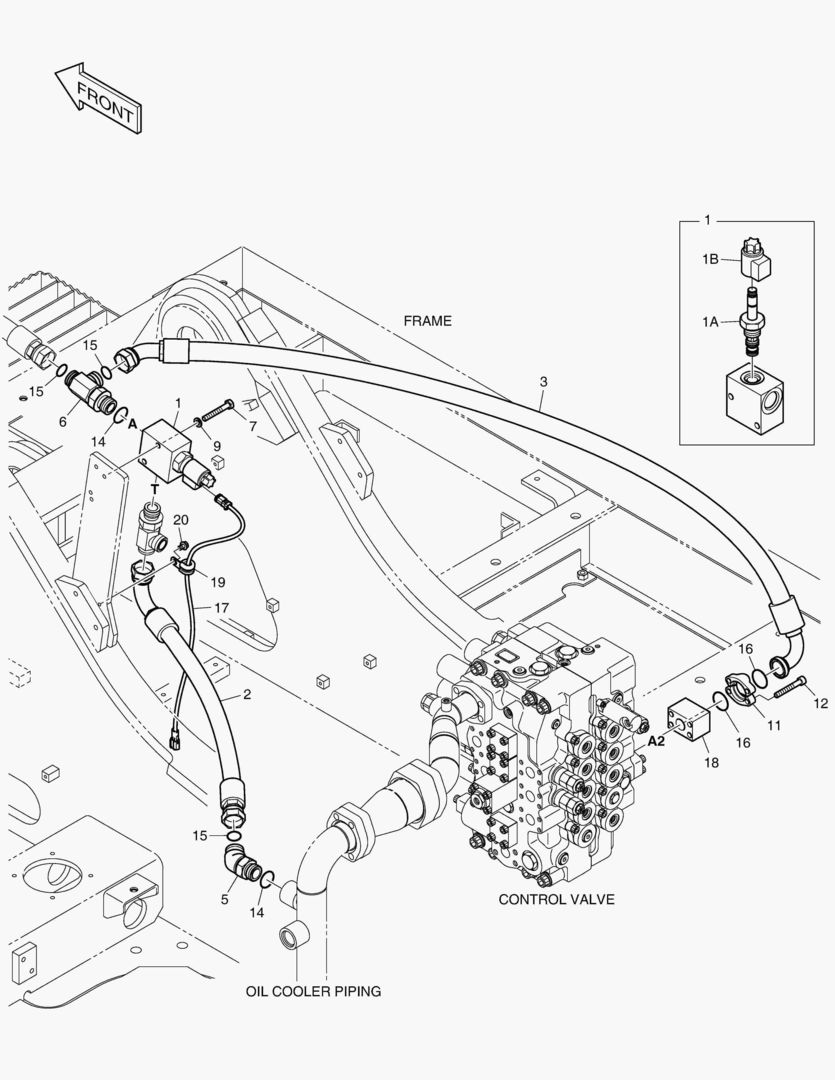
1 Артикул: 420212-05589, PIPING,MAIN;ONE OR TWO WAY
2 Артикул: 410127-00142, VALVE,RELIEF;PROPORTIONAL
3 Артикул: 410127-00233, VALVE,RELIEF
4 Артикул: 410207-00284, . SPOOL;SOLENOID
5 Артикул: 410127-00231, . SPOOL
6 Артикул: 300715-00064, . COIL(24V)
7 Артикул: DS2013882, HOSE
8 Артикул: DS2065109, HOSE ASSY,HYDRAULIC
9 Артикул: 2181-2816D2, ELBOW
10 Артикул: 2181-2293D4, TEE
11 Артикул: S0558966, BOLT
12 Артикул: S5102603, WASHER
13 Артикул: 2181-9078, FLANGE
14 Артикул: S2213066, BOLT
15 Артикул: S8000291, O-RING
16 Артикул: S8030161, O-RING
17 Артикул: 2180-1026D19, O-RING
18 Артикул: 310207-01453, HARNESS,JOINT;EPPR
19 Артикул: 181-00806, BLOCK,SPACER
20 Артикул: 124-00208D2, CLIP
21 Артикул: K1001029, BOLT

6140 MAIN PIPING - ONE & TWO WAY: Техника, которая работает на результат

6140 MAIN PIPING - ONE & TWO WAY на Doosan Экскаваторы DX255LC-3(T4i)

Габаритные размеры

Габаритные размеры и схема 6140 MAIN PIPING - ONE & TWO WAY

Нажмите на схему для увеличения

Документация

Документация временно недоступна.

Похожая техника в категории: ОПЦИОННЫЕ ЗАПЧАСТИ (Develon)

Спецтехника ТРУБОПРОВОД - С ФИЛЬТРОМ

ТРУБОПРОВОД - С ФИЛЬТРОМ

1Артикул: 420212...
2Артикул: 471-00...
3Артикул: 474-00...
Подробнее >
Спецтехника РАДИО

РАДИО

1Артикул: 300654...
2Артикул: 300654...
3-
Подробнее >
Спецтехника КОВРИК НА ПОЛУ КУЗОВА - ШАРНИРНЫЙ + STT

КОВРИК НА ПОЛУ КУЗОВА - ШАРНИРНЫЙ + STT

1Артикул: 110935...
2Артикул: 110935...
3Артикул: 110935...
Подробнее >
Спецтехника ГЛАВНАЯ МАГИСТРАЛЬ - 2 НАСОСА(ШАРНИРНАЯ СТРЕЛА)

ГЛАВНАЯ МАГИСТРАЛЬ - 2 НАСОСА(ШАРНИРНАЯ СТРЕЛА)

1Артикул: 420212...
2Артикул: DS2232...
3Артикул: DS2362...
Подробнее >
Спецтехника 7200 BUCKET ASSВґY - 0.76mВі - H CLASS

7200 BUCKET ASSВґY - 0.76mВі - H CLASS

1Артикул: 230104...
2Артикул: 230104...
3Артикул: -, BUC...
Подробнее >
Спецтехника МАЯЧОК ТЕЛЕСКОПА

МАЯЧОК ТЕЛЕСКОПА

1Артикул: 300619...
2Артикул: 300619...
3Артикул: 110429...
Подробнее >
Спецтехника 7220 BUCKET ASSВґY - 1.08mВі - H CLASS

7220 BUCKET ASSВґY - 1.08mВі - H CLASS

1Артикул: 230104...
2Артикул: 230104...
3Артикул: -, BUC...
Подробнее >
Спецтехника ГИДРОСИСТЕМА СТРЕЛЫ - ВРАЩАЮЩИЙСЯ

ГИДРОСИСТЕМА СТРЕЛЫ - ВРАЩАЮЩИЙСЯ

1Артикул: 420212...
2Артикул: 420207...
3Артикул: 420207...
Подробнее >
Спецтехника ТОПЛИВНЫЙ ФИЛЬТР - С ПОДОГРЕВАТЕЛЬНОЙ ЧАШЕЙ

ТОПЛИВНЫЙ ФИЛЬТР - С ПОДОГРЕВАТЕЛЬНОЙ ЧАШЕЙ

1Артикул: 420212...
2Артикул: 400403...
3Артикул: 400403...
Подробнее >
Спецтехника ТРУБОПРОВОД СЕРВОУПРАВЛЕНИЯ - ВРАЩАЮЩИЙСЯ

ТРУБОПРОВОД СЕРВОУПРАВЛЕНИЯ - ВРАЩАЮЩИЙСЯ

1Артикул: 420212...
2Артикул: 2181-4...
3Артикул: 2181-2...
Подробнее >
Спецтехника БАШМАК ГУСЕНИЦЫ В СБОРЕ - 900G

БАШМАК ГУСЕНИЦЫ В СБОРЕ - 900G

1Артикул: 200106...
2Артикул: 200106...
3Артикул: 200103...
Подробнее >
Спецтехника ТРУБОПРОВОД ХОДА - УЗКИЕ ГУСЕНИЦЫ

ТРУБОПРОВОД ХОДА - УЗКИЕ ГУСЕНИЦЫ

1Артикул: 420212...
2Артикул: DS2017...
3Артикул: DS2017...
Подробнее >